BOSCH Sinterlager | Ersatzteile für GST 65 E | F000615003

Artikelnummer: EB-0601281717-F000615003

Position: 14

Marke: BOSCH


Bitte Kompatibilität prüfen!

Bitte prüfen Sie unbedingt die 10-stellige Typennummer Ihrer Maschine / Ihres Gerätes. Das Ersatzteil ist nur kompatibel, wenn Sie die Typennummer Ihrer Maschine in der unten stehenden Produktbeschreibung finden.

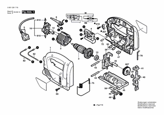
Bitte prüfen Sie ebenfalls detailliert die Explosionszeichnung mit Ihrem Artikelwunsch und der jeweiligen Pos-Nummer.

Alle Elemente, welche vom schwarzen Strich der Pos-Nummer ausgehend berührt / erfasst werden, gehören zu dieser Pos-Nummer und somit zu diesem Artikel. Jede Pos-Nummer ist ein eigenständiger Artikel, welchen Sie in der Auflistung finden.

Sie erhalten stets die aktuellste, neueste Produktversion zu der gewählten Pos-Nummer seitens des Herstellers. Es kann daher je nach Gerätealter vorkommen, dass Sie ggf. weitere, zugehörige Elemente, welche an diese Pos-Nummer grenzen, ebenfalls mittauschen müssen.

Nähere Informationen finden Sie unter dem Link
Hinweise zu Ihrer BOSCH Ersatzteilsuche

Preisübersicht

Einzelpreis: 3,94 €* (Brutto: 4,69 €)
Gesamtpreis: 3,94 €* 
Position:

Lieferzeit: 5 Werktage


Beschreibung

  • Sinterlager
  • Original Bosch Zubehör / BOSCH Ersatzteil (F000615003)
  • im Gerät verbaut: 1
Dieses BOSCH Ersatzteil ist mit folgendem Gerät und Modell kompatibel:
  • BOSCH Gerätename: GST 65 E
  • BOSCH Explosionszeichnung: Position 14
  • BOSCH Typennummer: 0601281717
  • BOSCH Typennummer alternative Schreibweisen: 0 601 281 717, 0601 281 717, 0.601.281.717, 0-601-281-717
    Bitte prüfen Sie diese Typennummer auf Ihrem Gerät um die Kompatibilität des BOSCH Ersatzteils zu gewährleisten.
Weitere BOSCH Ersatzteile des Gerätes GST 65 E (Hw-Stichsäge) mit der Typennummer 0601281717 finden Sie in der nachfolgenden Darstellung und im Dropdown zu Ihrer Auswahl:

Pos.
1
BOSCH Gehäuseschale | Ersatzteile für GST 65 E | F000601103
Hersteller: BOSCH
Artikelnummer: EB-0601281717-F000601103
nur Informationsartikel
Nie mehr lieferbar
keine Alternativen
Pos.
2
BOSCH Polschuh 127V | Ersatzteile für GST 65 E | F000607007
Hersteller: BOSCH
Artikelnummer: EB-0601281717-F000607007
nur Informationsartikel
Nie mehr lieferbar
keine Alternativen
Pos.
3
BOSCH Anker Mit Lüfter 127V | Ersatzteile für GST 65 E | F000605019
Hersteller: BOSCH
Artikelnummer: EB-0601281717-F000605019
nur Informationsartikel
Nie mehr lieferbar
keine Alternativen
Pos.
4
BOSCH Ein/Aus-Schalter | Ersatzteile für GST 65 E | 2607200583
Hersteller: BOSCH
Artikelnummer: EB-0601281717-2607200583
nur Informationsartikel
Nie mehr lieferbar
keine Alternativen
Pos.
5
BOSCH Netzanschlussleitung | Ersatzteile für GST 65 E | 9618089003
Hersteller: BOSCH
Artikelnummer: EB-0601281717-9618089003
Netto: 12,50 € zzgl. MwSt.
zzgl. 6,90 € Versand (brutto)
einmalig pro Bestellung

Lieferzeit: 5 Werktage

Pos.
6
BOSCH Tülle Ø6,4-Ø7,2x76 MM | Ersatzteile für GST 65 E | 2600703017
Hersteller: BOSCH
Artikelnummer: EB-0601281717-2600703017
Netto: 4,56 € zzgl. MwSt.
zzgl. 6,90 € Versand (brutto)
einmalig pro Bestellung

Lieferzeit: 5 Werktage

Pos.
13
BOSCH Rillenkugellager | Ersatzteile für GST 65 E | 2600905098
Hersteller: BOSCH
Artikelnummer: EB-0601281717-2600905098
nur Informationsartikel
Nie mehr lieferbar
keine Alternativen
Pos.
14
BOSCH Sinterlager | Ersatzteile für GST 65 E | F000615003
Hersteller: BOSCH
Artikelnummer: EB-0601281717-F000615003
Netto: 3,94 € zzgl. MwSt.
zzgl. 6,90 € Versand (brutto)
einmalig pro Bestellung

Lieferzeit: 5 Werktage

Pos.
16
BOSCH Bürstenplatte | Ersatzteile für GST 65 E | 2604337085
Hersteller: BOSCH
Artikelnummer: EB-0601281717-1600A012AZ
nur Informationsartikel
Nie mehr lieferbar
keine Alternativen
Pos.
25
BOSCH Lagerbolzen | Ersatzteile für GST 65 E | 2603105083
Hersteller: BOSCH
Artikelnummer: EB-0601281717-2603105083
nur Informationsartikel
Nie mehr lieferbar
keine Alternativen
Pos.
26
BOSCH Lagerbrücke | Ersatzteile für GST 65 E | 2605807095
Hersteller: BOSCH
Artikelnummer: EB-0601281717-2605807095
nur Informationsartikel
Nie mehr lieferbar
keine Alternativen
Pos.
29
BOSCH Gleitlager | Ersatzteile für GST 65 E | 2605801044
Hersteller: BOSCH
Artikelnummer: EB-0601281717-2605801044
nur Informationsartikel
Nie mehr lieferbar
keine Alternativen
Pos.
40
BOSCH Hubstange | Ersatzteile für GST 65 E | 2600780145
Hersteller: BOSCH
Artikelnummer: EB-0601281717-2600780145
nur Informationsartikel
Nie mehr lieferbar
keine Alternativen
Pos.
41
BOSCH Gleitlager | Ersatzteile für GST 65 E | 2605801038
Hersteller: BOSCH
Artikelnummer: EB-0601281717-2605801038
nur Informationsartikel
Nie mehr lieferbar
keine Alternativen
Pos.
43
BOSCH Nadelrolle | Ersatzteile für GST 65 E | 2603201089
Hersteller: BOSCH
Artikelnummer: EB-0601281717-2603201089
Netto: 6,75 € zzgl. MwSt.
zzgl. 6,90 € Versand (brutto)
einmalig pro Bestellung

Lieferzeit: 5 Werktage

Pos.
45
BOSCH Fussplatte | Ersatzteile für GST 65 E | 2601016080
Hersteller: BOSCH
Artikelnummer: EB-0601281717-2601016080
nur Informationsartikel
Nie mehr lieferbar
keine Alternativen
Pos.
46
BOSCH Profilleiste | Ersatzteile für GST 65 E | 2601032021
Hersteller: BOSCH
Artikelnummer: EB-0601281717-2601032021
nur Informationsartikel
Nie mehr lieferbar
keine Alternativen
Pos.
47
BOSCH Befestigungsplatte | Ersatzteile für GST 65 E | 2600040003
Hersteller: BOSCH
Artikelnummer: EB-0601281717-2600040003
nur Informationsartikel
Nie mehr lieferbar
keine Alternativen
Pos.
48
BOSCH Zylinderschraube | Ersatzteile für GST 65 E | 2603413034
Hersteller: BOSCH
Artikelnummer: EB-0601281717-2603413034
nur Informationsartikel
Nie mehr lieferbar
keine Alternativen
Pos.
58
BOSCH Haltebügel | Ersatzteile für GST 65 E | 2601321063
Hersteller: BOSCH
Artikelnummer: EB-0601281717-2601321063
nur Informationsartikel
Nie mehr lieferbar
keine Alternativen
Pos.
65
BOSCH Rastelement | Ersatzteile für GST 65 E | 2601038111
Hersteller: BOSCH
Artikelnummer: EB-0601281717-2601038111
nur Informationsartikel
Nie mehr lieferbar
keine Alternativen
Pos.
69
BOSCH Blechschraube 4x16 MM | Ersatzteile für GST 65 E | 9618087099
Hersteller: BOSCH
Artikelnummer: EB-0601281717-9618087099
nur Informationsartikel
Nie mehr lieferbar
keine Alternativen
Pos.
75
BOSCH Abdeckhaube | Ersatzteile für GST 65 E | 2605510169
Hersteller: BOSCH
Artikelnummer: EB-0601281717-2605510169
nur Informationsartikel
Nie mehr lieferbar
keine Alternativen
Pos.
78
BOSCH Stift | Ersatzteile für GST 65 E | 2603105051
Hersteller: BOSCH
Artikelnummer: EB-0601281717-2603105051
nur Informationsartikel
Nie mehr lieferbar
keine Alternativen
Pos.
82
BOSCH Verbindungsleitung L=220 MM BLAU | Ersatzteile für GST 65 E | 2604448232
Hersteller: BOSCH
Artikelnummer: EB-0601281717-2604448232
nur Informationsartikel
Nie mehr lieferbar
keine Alternativen
Pos.
810
BOSCH Kohlebürstensatz | Ersatzteile für GST 65 E | 2604321925
Hersteller: BOSCH
Artikelnummer: EB-0601281717-2604321925
Netto: 8,23 € zzgl. MwSt.
zzgl. 6,90 € Versand (brutto)
einmalig pro Bestellung

Lieferzeit: 5 Werktage

Pos.
827
BOSCH Exzenterzahnrad | Ersatzteile für GST 65 E | 2606320903
Hersteller: BOSCH
Artikelnummer: EB-0601281717-2606320903
nur Informationsartikel
Nie mehr lieferbar
keine Alternativen

Angaben zur Produktsicherheit

Hersteller:
Robert Bosch Power Tools GmbH
Postfach 30 02 20
70442 Stuttgart

E-Mail:
kontakt@bosch.de