BOSCH Lüfter | Ersatzteile für GST 75 BE | 2606610029

Artikelnummer: EB-0603382734-2606610029

Position: 3/50

Marke: BOSCH


Bitte Kompatibilität prüfen!

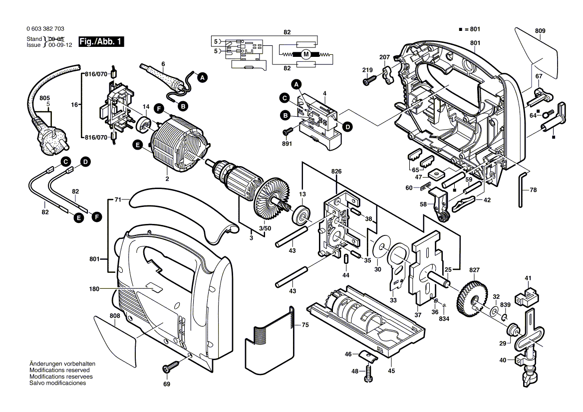
Bitte prüfen Sie unbedingt die 10-stellige Typennummer Ihrer Maschine / Ihres Gerätes. Das Ersatzteil ist nur kompatibel, wenn Sie die Typennummer Ihrer Maschine in der unten stehenden Produktbeschreibung finden.

Bitte prüfen Sie ebenfalls detailliert die Explosionszeichnung mit Ihrem Artikelwunsch und der jeweiligen Pos-Nummer.

Alle Elemente, welche vom schwarzen Strich der Pos-Nummer ausgehend berührt / erfasst werden, gehören zu dieser Pos-Nummer und somit zu diesem Artikel. Jede Pos-Nummer ist ein eigenständiger Artikel, welchen Sie in der Auflistung finden.

Sie erhalten stets die aktuellste, neueste Produktversion zu der gewählten Pos-Nummer seitens des Herstellers. Es kann daher je nach Gerätealter vorkommen, dass Sie ggf. weitere, zugehörige Elemente, welche an diese Pos-Nummer grenzen, ebenfalls mittauschen müssen.

Nähere Informationen finden Sie unter dem Link
Hinweise zu Ihrer BOSCH Ersatzteilsuche

Preisübersicht

Einzelpreis: 4,53 €* (Brutto: 5,39 €)
Gesamtpreis: 4,53 €* 
Position:

Lieferzeit: 5 Werktage


Beschreibung

  • Lüfter
  • Original Bosch Zubehör / BOSCH Ersatzteil (2606610029)
  • im Gerät verbaut: 1
Dieses BOSCH Ersatzteil ist mit folgendem Gerät und Modell kompatibel:
  • BOSCH Gerätename: GST 75 BE
  • BOSCH Explosionszeichnung: Position 3/50
  • BOSCH Typennummer: 0603382734
  • BOSCH Typennummer alternative Schreibweisen: 0 603 382 734, 0603 382 734, 0.603.382.734, 0-603-382-734
    Bitte prüfen Sie diese Typennummer auf Ihrem Gerät um die Kompatibilität des BOSCH Ersatzteils zu gewährleisten.
Weitere BOSCH Ersatzteile des Gerätes GST 75 BE (Stichsäge) mit der Typennummer 0603382734 finden Sie in der nachfolgenden Darstellung und im Dropdown zu Ihrer Auswahl:

Pos.
3/50
BOSCH Lüfter | Ersatzteile für GST 75 BE | 2606610029
Hersteller: BOSCH
Artikelnummer: EB-0603382734-2606610029
Netto: 4,53 € zzgl. MwSt.
zzgl. 6,90 € Versand (brutto)
einmalig pro Bestellung

Lieferzeit: 5 Werktage

Pos.
816/070
BOSCH Kohlebürstensatz | Ersatzteile für GST 75 BE | 2604321914
Hersteller: BOSCH
Artikelnummer: EB-0603382734-2604321914
nur Informationsartikel
Nie mehr lieferbar
keine Alternativen
Pos.
2
BOSCH Polschuh 110-115V | Ersatzteile für GST 75 BE | 2604220656
Hersteller: BOSCH
Artikelnummer: EB-0603382734-2604220656
nur Informationsartikel
Nie mehr lieferbar
keine Alternativen
Pos.
3
BOSCH Anker 110-115V | Ersatzteile für GST 75 BE | 2604011235
Hersteller: BOSCH
Artikelnummer: EB-0603382734-2604011235
nur Informationsartikel
Nie mehr lieferbar
keine Alternativen
Pos.
4
BOSCH Ein/Aus-Schalter | Ersatzteile für GST 75 BE | 2607200583
Hersteller: BOSCH
Artikelnummer: EB-0603382734-2607200583
nur Informationsartikel
Nie mehr lieferbar
keine Alternativen
Pos.
5
BOSCH Netzanschlussleitung SAM 2,68m 2 x 082mm SJ 18/2 | Ersatzteile für GST 75 BE | 1604460220
Hersteller: BOSCH
Artikelnummer: EB-0603382734-1604460220
nur Informationsartikel
Nie mehr lieferbar
keine Alternativen
Pos.
6
BOSCH Tülle Ø7,3-Ø8,6x76 MM | Ersatzteile für GST 75 BE | 2600703018
Hersteller: BOSCH
Artikelnummer: EB-0603382734-2600703018
nur Informationsartikel
Nie mehr lieferbar
keine Alternativen
Pos.
13
BOSCH Rillenkugellager 9x24x7 | Ersatzteile für GST 75 BE | 2600905021
Hersteller: BOSCH
Artikelnummer: EB-0603382734-2600905021
Netto: 8,33 € zzgl. MwSt.
zzgl. 6,90 € Versand (brutto)
einmalig pro Bestellung

Lieferzeit: 5 Werktage

Pos.
14
BOSCH Flanschlager | Ersatzteile für GST 75 BE | 2605805008
Hersteller: BOSCH
Artikelnummer: EB-0603382734-2605805008
Netto: 6,15 € zzgl. MwSt.
zzgl. 6,90 € Versand (brutto)
einmalig pro Bestellung

Lieferzeit: 5 Werktage

Pos.
16
BOSCH Bürstenplatte | Ersatzteile für GST 75 BE | 2604337106
Hersteller: BOSCH
Artikelnummer: EB-0603382734-2604337106
nur Informationsartikel
Nie mehr lieferbar
keine Alternativen
Pos.
25
BOSCH Lagerbolzen | Ersatzteile für GST 75 BE | 2603105080
Hersteller: BOSCH
Artikelnummer: EB-0603382734-2603105080
Netto: 4,53 € zzgl. MwSt.
zzgl. 6,90 € Versand (brutto)
einmalig pro Bestellung

Lieferzeit: 5 Werktage

Pos.
29
BOSCH Nadelhülse | Ersatzteile für GST 75 BE | 2600914022
Hersteller: BOSCH
Artikelnummer: EB-0603382734-2600914022
Netto: 7,30 € zzgl. MwSt.
zzgl. 6,90 € Versand (brutto)
einmalig pro Bestellung

Lieferzeit: 5 Werktage

Pos.
30
BOSCH Ausgleichscheibe 0,5 MM | Ersatzteile für GST 75 BE | 2600101048
Hersteller: BOSCH
Artikelnummer: EB-0603382734-2600101048
Netto: 3,94 € zzgl. MwSt.
zzgl. 6,90 € Versand (brutto)
einmalig pro Bestellung

Lieferzeit: 5 Werktage

Pos.
32
BOSCH Ausgleichscheibe 0,5 MM | Ersatzteile für GST 75 BE | 2600101077
Hersteller: BOSCH
Artikelnummer: EB-0603382734-2600101077
Netto: 3,94 € zzgl. MwSt.
zzgl. 6,90 € Versand (brutto)
einmalig pro Bestellung

Lieferzeit: 5 Werktage

Pos.
33
BOSCH Gabelhebel | Ersatzteile für GST 75 BE | 2601923012
Hersteller: BOSCH
Artikelnummer: EB-0603382734-2601923012
Netto: 5,67 € zzgl. MwSt.
zzgl. 6,90 € Versand (brutto)
einmalig pro Bestellung

Lieferzeit: 5 Werktage

Pos.
35
BOSCH Lagerbolzen | Ersatzteile für GST 75 BE | 2603105091
Hersteller: BOSCH
Artikelnummer: EB-0603382734-2603105091
Netto: 4,53 € zzgl. MwSt.
zzgl. 6,90 € Versand (brutto)
einmalig pro Bestellung

Lieferzeit: 5 Werktage

Pos.
36
BOSCH Ausgleichscheibe 0,5 MM | Ersatzteile für GST 75 BE | 2600100588
Hersteller: BOSCH
Artikelnummer: EB-0603382734-2600100588
Netto: 3,94 € zzgl. MwSt.
zzgl. 6,90 € Versand (brutto)
einmalig pro Bestellung

Lieferzeit: 5 Werktage

Pos.
37
BOSCH Ausgleichgewicht | Ersatzteile für GST 75 BE | 2601098060
Hersteller: BOSCH
Artikelnummer: EB-0603382734-2601098060
nur Informationsartikel
Nie mehr lieferbar
keine Alternativen
Pos.
38
BOSCH Nadelrolle 4x15,8 MM | Ersatzteile für GST 75 BE | 1903201054
Hersteller: BOSCH
Artikelnummer: EB-0603382734-1903201054
Netto: 3,63 € zzgl. MwSt.
zzgl. 6,90 € Versand (brutto)
einmalig pro Bestellung

Lieferzeit: 5 Werktage

Pos.
40
BOSCH Hubstange | Ersatzteile für GST 75 BE | 2600780147
Hersteller: BOSCH
Artikelnummer: EB-0603382734-2600780147
nur Informationsartikel
Nie mehr lieferbar
keine Alternativen
Pos.
41
BOSCH Gleitlager | Ersatzteile für GST 75 BE | 2605801038
Hersteller: BOSCH
Artikelnummer: EB-0603382734-2605801038
nur Informationsartikel
Nie mehr lieferbar
keine Alternativen
Pos.
42
BOSCH Druckfeder | Ersatzteile für GST 75 BE | 160461201E
Hersteller: BOSCH
Artikelnummer: EB-0603382734-2604613004
Netto: 3,94 € zzgl. MwSt.
zzgl. 6,90 € Versand (brutto)
einmalig pro Bestellung

Lieferzeit: 5 Werktage

Pos.
43
BOSCH Nadelrolle | Ersatzteile für GST 75 BE | 2603201089
Hersteller: BOSCH
Artikelnummer: EB-0603382734-2603201089
Netto: 6,70 € zzgl. MwSt.
zzgl. 6,90 € Versand (brutto)
einmalig pro Bestellung

Lieferzeit: 5 Werktage

Pos.
44
BOSCH Lagerbolzen | Ersatzteile für GST 75 BE | 2603105084
Hersteller: BOSCH
Artikelnummer: EB-0603382734-2603105084
Netto: 4,32 € zzgl. MwSt.
zzgl. 6,90 € Versand (brutto)
einmalig pro Bestellung

Lieferzeit: 5 Werktage

Pos.
45
BOSCH Fussplatte | Ersatzteile für GST 75 BE | 2601016080
Hersteller: BOSCH
Artikelnummer: EB-0603382734-2601016080
nur Informationsartikel
Nie mehr lieferbar
keine Alternativen
Pos.
46
BOSCH Profilleiste | Ersatzteile für GST 75 BE | 2602317037
Hersteller: BOSCH
Artikelnummer: EB-0603382734-2602317037
nur Informationsartikel
Nie mehr lieferbar
keine Alternativen
Pos.
47
BOSCH Befestigungsplatte | Ersatzteile für GST 75 BE | 2600040003
Hersteller: BOSCH
Artikelnummer: EB-0603382734-2600040003
nur Informationsartikel
Nie mehr lieferbar
keine Alternativen
Pos.
48
BOSCH Zylinderschraube | Ersatzteile für GST 75 BE | 2603413034
Hersteller: BOSCH
Artikelnummer: EB-0603382734-2603413034
nur Informationsartikel
Nie mehr lieferbar
keine Alternativen
Pos.
58
BOSCH Rollenhebel | Ersatzteile für GST 75 BE | 2601321051
Hersteller: BOSCH
Artikelnummer: EB-0603382734-2601321051
nur Informationsartikel
Nie mehr lieferbar
keine Alternativen
Pos.
59
BOSCH Zylinderstift | Ersatzteile für GST 75 BE | 2609002725
Hersteller: BOSCH
Artikelnummer: EB-0603382734-2609002725
nur Informationsartikel
Nie mehr lieferbar
keine Alternativen
Pos.
60
BOSCH Abdichtplatte | Ersatzteile für GST 75 BE | 2601015077
Hersteller: BOSCH
Artikelnummer: EB-0603382734-2601015077
Netto: 3,94 € zzgl. MwSt.
zzgl. 6,90 € Versand (brutto)
einmalig pro Bestellung

Lieferzeit: 5 Werktage

Pos.
64
BOSCH Rastkappe | Ersatzteile für GST 75 BE | 2600590006
Hersteller: BOSCH
Artikelnummer: EB-0603382734-2600590006
Netto: 3,94 € zzgl. MwSt.
zzgl. 6,90 € Versand (brutto)
einmalig pro Bestellung

Lieferzeit: 5 Werktage

Pos.
65
BOSCH Rastelement | Ersatzteile für GST 75 BE | 2601038111
Hersteller: BOSCH
Artikelnummer: EB-0603382734-2601038111
nur Informationsartikel
Nie mehr lieferbar
keine Alternativen
Pos.
67
BOSCH Schaltscheibe | Ersatzteile für GST 75 BE | 2602026096
Hersteller: BOSCH
Artikelnummer: EB-0603382734-2602026096
nur Informationsartikel
Nie mehr lieferbar
keine Alternativen
Pos.
69
BOSCH Schraube 4x16 | Ersatzteile für GST 75 BE | 2603490022
Hersteller: BOSCH
Artikelnummer: EB-0603382734-2603490022
Netto: 3,63 € zzgl. MwSt.
zzgl. 6,90 € Versand (brutto)
einmalig pro Bestellung

Lieferzeit: 5 Werktage

Pos.
71
BOSCH Griffschale | Ersatzteile für GST 75 BE | 2608040148
Hersteller: BOSCH
Artikelnummer: EB-0603382734-2608040148
nur Informationsartikel
Nie mehr lieferbar
keine Alternativen
Pos.
75
BOSCH Abdeckhaube | Ersatzteile für GST 75 BE | 2605510169
Hersteller: BOSCH
Artikelnummer: EB-0603382734-2605510169
nur Informationsartikel
Nie mehr lieferbar
keine Alternativen
Pos.
78
BOSCH Sicherungsstift | Ersatzteile für GST 75 BE | 2603105088
Hersteller: BOSCH
Artikelnummer: EB-0603382734-2603105088
Netto: 3,63 € zzgl. MwSt.
zzgl. 6,90 € Versand (brutto)
einmalig pro Bestellung

Lieferzeit: 5 Werktage

Pos.
82
BOSCH Verbindungsleitung L=220 MM WEISS | Ersatzteile für GST 75 BE | 2604448127
Hersteller: BOSCH
Artikelnummer: EB-0603382734-2604448127
nur Informationsartikel
Nie mehr lieferbar
keine Alternativen
Pos.
207
BOSCH Leitungshalter | Ersatzteile für GST 75 BE | 2601035001
Hersteller: BOSCH
Artikelnummer: EB-0603382734-2601035001
Netto: 3,94 € zzgl. MwSt.
zzgl. 6,90 € Versand (brutto)
einmalig pro Bestellung

Lieferzeit: 5 Werktage

Pos.
801
BOSCH Gehäuseschale BLAU | Ersatzteile für GST 75 BE | 2605105929
Hersteller: BOSCH
Artikelnummer: EB-0603382734-2605105929
nur Informationsartikel
Nie mehr lieferbar
keine Alternativen
Pos.
808
BOSCH Hinweisschild | Ersatzteile für GST 75 BE | 2601117578
Hersteller: BOSCH
Artikelnummer: EB-0603382734-2601117578
Netto: 2,21 € zzgl. MwSt.
zzgl. 6,90 € Versand (brutto)
einmalig pro Bestellung

Lieferzeit: 5 Werktage

Pos.
809
BOSCH Firmenschild | Ersatzteile für GST 75 BE | 2601116649
Hersteller: BOSCH
Artikelnummer: EB-0603382734-2601116649
Netto: 2,21 € zzgl. MwSt.
zzgl. 6,90 € Versand (brutto)
einmalig pro Bestellung

Lieferzeit: 5 Werktage

Pos.
826
BOSCH Lagerbrücke | Ersatzteile für GST 75 BE | 2605807936
Hersteller: BOSCH
Artikelnummer: EB-0603382734-2605807936
nur Informationsartikel
Nie mehr lieferbar
keine Alternativen
Pos.
827
BOSCH Exzenterzahnrad | Ersatzteile für GST 75 BE | 2606320904
Hersteller: BOSCH
Artikelnummer: EB-0603382734-2606320904
nur Informationsartikel
Nie mehr lieferbar
keine Alternativen
Pos.
834
BOSCH Sicherungsring DIN 471-4x0,4-FSt | Ersatzteile für GST 75 BE | 2916640001
Hersteller: BOSCH
Artikelnummer: EB-0603382734-2916640001
Netto: 3,63 € zzgl. MwSt.
zzgl. 6,90 € Versand (brutto)
einmalig pro Bestellung

Lieferzeit: 5 Werktage

Pos.
839
BOSCH Sicherungsring DIN 471-8x0,8 FSt | Ersatzteile für GST 75 BE | 2916640005
Hersteller: BOSCH
Artikelnummer: EB-0603382734-2916640005
nur Informationsartikel
Nie mehr lieferbar
keine Alternativen
Pos.
891
BOSCH Kreuzschlitzschraube M3x5 | Ersatzteile für GST 75 BE | 2603410046
Hersteller: BOSCH
Artikelnummer: EB-0603382734-2603410046
Netto: 4,32 € zzgl. MwSt.
zzgl. 6,90 € Versand (brutto)
einmalig pro Bestellung

Lieferzeit: 5 Werktage

Pos.
895
BOSCH Verschluss | Ersatzteile für GST 75 BE | 2601320027
Hersteller: BOSCH
Artikelnummer: EB-0603382734-2601320027
Netto: 4,82 € zzgl. MwSt.
zzgl. 6,90 € Versand (brutto)
einmalig pro Bestellung

Lieferzeit: 5 Werktage

Angaben zur Produktsicherheit

Hersteller:
Robert Bosch Power Tools GmbH
Postfach 30 02 20
70442 Stuttgart

E-Mail:
kontakt@bosch.de