BOSCH Kugellager 7x22x7 | Ersatzteile für GST 85 P | 1900905018

Artikelnummer: EB-0601584141-1900905018

Position: 113

Marke: BOSCH


Bitte Kompatibilität prüfen!

Bitte prüfen Sie unbedingt die 10-stellige Typennummer Ihrer Maschine / Ihres Gerätes. Das Ersatzteil ist nur kompatibel, wenn Sie die Typennummer Ihrer Maschine in der unten stehenden Produktbeschreibung finden.

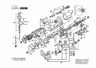
Bitte prüfen Sie ebenfalls detailliert die Explosionszeichnung mit Ihrem Artikelwunsch und der jeweiligen Pos-Nummer.

Alle Elemente, welche vom schwarzen Strich der Pos-Nummer ausgehend berührt / erfasst werden, gehören zu dieser Pos-Nummer und somit zu diesem Artikel. Jede Pos-Nummer ist ein eigenständiger Artikel, welchen Sie in der Auflistung finden.

Sie erhalten stets die aktuellste, neueste Produktversion zu der gewählten Pos-Nummer seitens des Herstellers. Es kann daher je nach Gerätealter vorkommen, dass Sie ggf. weitere, zugehörige Elemente, welche an diese Pos-Nummer grenzen, ebenfalls mittauschen müssen.

Nähere Informationen finden Sie unter dem Link
Hinweise zu Ihrer BOSCH Ersatzteilsuche

Preisübersicht

Einzelpreis: 15,75 €* (Brutto: 18,74 €)
Gesamtpreis: 15,75 €* 
Position:

Lieferzeit: 5 Werktage


Beschreibung

  • Kugellager 7x22x7
  • Original Bosch Zubehör / BOSCH Ersatzteil (1900905018)
  • im Gerät verbaut: 1
Dieses BOSCH Ersatzteil ist mit folgendem Gerät und Modell kompatibel:
  • BOSCH Gerätename: GST 85 P
  • BOSCH Explosionszeichnung: Position 113
  • BOSCH Typennummer: 0601584141
  • BOSCH Typennummer alternative Schreibweisen: 0 601 584 141, 0601 584 141, 0.601.584.141, 0-601-584-141
    Bitte prüfen Sie diese Typennummer auf Ihrem Gerät um die Kompatibilität des BOSCH Ersatzteils zu gewährleisten.
Weitere BOSCH Ersatzteile des Gerätes GST 85 P (Pendelstichsäge) mit der Typennummer 0601584141 finden Sie in der nachfolgenden Darstellung und im Dropdown zu Ihrer Auswahl:

Pos.
103/60
BOSCH Lüfter | Ersatzteile für GST 85 P | 2606610049
Hersteller: BOSCH
Artikelnummer: EB-0601584141-2606610049
Netto: 4,32 € zzgl. MwSt.
zzgl. 6,90 € Versand (brutto)
einmalig pro Bestellung

Lieferzeit: 5 Werktage

Pos.
40/10
BOSCH Sinterbuchse | Ersatzteile für GST 85 P | 2600301046
Hersteller: BOSCH
Artikelnummer: EB-0601584141-2600301046
Netto: 5,19 € zzgl. MwSt.
zzgl. 6,90 € Versand (brutto)
einmalig pro Bestellung

Lieferzeit: 5 Werktage

Pos.
40/20
BOSCH Lagerbuchse | Ersatzteile für GST 85 P | 2600301045
Hersteller: BOSCH
Artikelnummer: EB-0601584141-2600301045
Netto: 4,82 € zzgl. MwSt.
zzgl. 6,90 € Versand (brutto)
einmalig pro Bestellung

Lieferzeit: 5 Werktage

Pos.
4
BOSCH Nadelrolle DIN 5402-A3x11,8-G2 | Ersatzteile für GST 85 P | 1903201042
Hersteller: BOSCH
Artikelnummer: EB-0601584141-1903201042
Netto: 4,32 € zzgl. MwSt.
zzgl. 6,90 € Versand (brutto)
einmalig pro Bestellung

Lieferzeit: 5 Werktage

Pos.
5
BOSCH Filzring | Ersatzteile für GST 85 P | 2600108077
Hersteller: BOSCH
Artikelnummer: EB-0601584141-2600108077
Netto: 3,94 € zzgl. MwSt.
zzgl. 6,90 € Versand (brutto)
einmalig pro Bestellung

Lieferzeit: 5 Werktage

Pos.
6
BOSCH Tellerscheibe | Ersatzteile für GST 85 P | 2600500002
Hersteller: BOSCH
Artikelnummer: EB-0601584141-2600500002
Netto: 3,94 € zzgl. MwSt.
zzgl. 6,90 € Versand (brutto)
einmalig pro Bestellung

Lieferzeit: 5 Werktage

Pos.
8
BOSCH Sicherungsring DIN 472-24x1,2 MM | Ersatzteile für GST 85 P | 2916660008
Hersteller: BOSCH
Artikelnummer: EB-0601584141-2916660008
Netto: 4,32 € zzgl. MwSt.
zzgl. 6,90 € Versand (brutto)
einmalig pro Bestellung

Lieferzeit: 5 Werktage

Pos.
9
BOSCH Steckhülse | Ersatzteile für GST 85 P | 2600400008
Hersteller: BOSCH
Artikelnummer: EB-0601584141-2600400008
Netto: 3,94 € zzgl. MwSt.
zzgl. 6,90 € Versand (brutto)
einmalig pro Bestellung

Lieferzeit: 5 Werktage

Pos.
12
BOSCH Ausgleichscheibe 0,5 MM | Ersatzteile für GST 85 P | 2600101616
Hersteller: BOSCH
Artikelnummer: EB-0601584141-2600101616
Netto: 4,82 € zzgl. MwSt.
zzgl. 6,90 € Versand (brutto)
einmalig pro Bestellung

Lieferzeit: 5 Werktage

Pos.
15
BOSCH Exzenterzahnrad | Ersatzteile für GST 85 P | 1619P02581
Hersteller: BOSCH
Artikelnummer: EB-0601584141-1619P02581
Netto: 19,18 € zzgl. MwSt.
zzgl. 6,90 € Versand (brutto)
einmalig pro Bestellung

Lieferzeit: 5 Werktage

Pos.
16
BOSCH Ausgleichscheibe 1,0 MM | Ersatzteile für GST 85 P | 2600102653
Hersteller: BOSCH
Artikelnummer: EB-0601584141-2600102653
Netto: 3,94 € zzgl. MwSt.
zzgl. 6,90 € Versand (brutto)
einmalig pro Bestellung

Lieferzeit: 5 Werktage

Pos.
17
BOSCH Ausgleichscheibe 0,3 MM | Ersatzteile für GST 85 P | 2600100515
Hersteller: BOSCH
Artikelnummer: EB-0601584141-2600100515
Netto: 4,53 € zzgl. MwSt.
zzgl. 6,90 € Versand (brutto)
einmalig pro Bestellung

Lieferzeit: 5 Werktage

Pos.
17
BOSCH Ausgleichscheibe 0,5 MM | Ersatzteile für GST 85 P | 2600100516
Hersteller: BOSCH
Artikelnummer: EB-0601584141-2600100516
Netto: 4,32 € zzgl. MwSt.
zzgl. 6,90 € Versand (brutto)
einmalig pro Bestellung

Lieferzeit: 5 Werktage

Pos.
18
BOSCH Gabelhebel | Ersatzteile für GST 85 P | 2601923004
Hersteller: BOSCH
Artikelnummer: EB-0601584141-2601923004
Netto: 4,82 € zzgl. MwSt.
zzgl. 6,90 € Versand (brutto)
einmalig pro Bestellung

Lieferzeit: 5 Werktage

Pos.
20
BOSCH Ausgleichscheibe 0,5 MM | Ersatzteile für GST 85 P | 2600102652
Hersteller: BOSCH
Artikelnummer: EB-0601584141-2600102652
Netto: 3,94 € zzgl. MwSt.
zzgl. 6,90 € Versand (brutto)
einmalig pro Bestellung

Lieferzeit: 5 Werktage

Pos.
21
BOSCH Ausgleichscheibe 0,1 MM | Ersatzteile für GST 85 P | 2600100625
Hersteller: BOSCH
Artikelnummer: EB-0601584141-2600100625
Netto: 4,53 € zzgl. MwSt.
zzgl. 6,90 € Versand (brutto)
einmalig pro Bestellung

Lieferzeit: 5 Werktage

Pos.
21
BOSCH Ausgleichscheibe 0,2 MM | Ersatzteile für GST 85 P | 2600100626
Hersteller: BOSCH
Artikelnummer: EB-0601584141-2600100626
nur Informationsartikel
Nie mehr lieferbar
keine Alternativen
Pos.
21
BOSCH Ausgleichscheibe 0,3 MM | Ersatzteile für GST 85 P | 2600100627
Hersteller: BOSCH
Artikelnummer: EB-0601584141-2600100627
Netto: 3,94 € zzgl. MwSt.
zzgl. 6,90 € Versand (brutto)
einmalig pro Bestellung

Lieferzeit: 5 Werktage

Pos.
21
BOSCH Ausgleichscheibe 0,5 MM | Ersatzteile für GST 85 P | 2600100628
Hersteller: BOSCH
Artikelnummer: EB-0601584141-2600100628
Netto: 3,94 € zzgl. MwSt.
zzgl. 6,90 € Versand (brutto)
einmalig pro Bestellung

Lieferzeit: 5 Werktage

Pos.
22
BOSCH Ausgleichgewicht | Ersatzteile für GST 85 P | 2601098003
Hersteller: BOSCH
Artikelnummer: EB-0601584141-2601098003
Netto: 8,33 € zzgl. MwSt.
zzgl. 6,90 € Versand (brutto)
einmalig pro Bestellung

Lieferzeit: 5 Werktage

Pos.
23
BOSCH Distanzhülse | Ersatzteile für GST 85 P | 2600309009
Hersteller: BOSCH
Artikelnummer: EB-0601584141-2600309009
Netto: 3,94 € zzgl. MwSt.
zzgl. 6,90 € Versand (brutto)
einmalig pro Bestellung

Lieferzeit: 5 Werktage

Pos.
25
BOSCH Ausgleichscheibe 0,2 MM | Ersatzteile für GST 85 P | 2600100575
Hersteller: BOSCH
Artikelnummer: EB-0601584141-2600100575
Netto: 4,32 € zzgl. MwSt.
zzgl. 6,90 € Versand (brutto)
einmalig pro Bestellung

Lieferzeit: 5 Werktage

Pos.
25
BOSCH Ausgleichscheibe 0,3 MM | Ersatzteile für GST 85 P | 2600100576
Hersteller: BOSCH
Artikelnummer: EB-0601584141-2600100576
Netto: 4,32 € zzgl. MwSt.
zzgl. 6,90 € Versand (brutto)
einmalig pro Bestellung

Lieferzeit: 5 Werktage

Pos.
25
BOSCH Ausgleichscheibe 0,5 MM | Ersatzteile für GST 85 P | 2600100577
Hersteller: BOSCH
Artikelnummer: EB-0601584141-2600100577
Netto: 3,94 € zzgl. MwSt.
zzgl. 6,90 € Versand (brutto)
einmalig pro Bestellung

Lieferzeit: 5 Werktage

Pos.
27
BOSCH Schraube Mikroverkapselt DIN 7985-M4x12MM | Ersatzteile für GST 85 P | 2914551176
Hersteller: BOSCH
Artikelnummer: EB-0601584141-2914551176
Netto: 3,63 € zzgl. MwSt.
zzgl. 6,90 € Versand (brutto)
einmalig pro Bestellung

Lieferzeit: 5 Werktage

Pos.
29
BOSCH Ausgleichscheibe 0,3 MM | Ersatzteile für GST 85 P | 2600100607
Hersteller: BOSCH
Artikelnummer: EB-0601584141-2600100607
Netto: 3,94 € zzgl. MwSt.
zzgl. 6,90 € Versand (brutto)
einmalig pro Bestellung

Lieferzeit: 5 Werktage

Pos.
29
BOSCH Ausgleichscheibe 0,5 MM | Ersatzteile für GST 85 P | 2600100568
Hersteller: BOSCH
Artikelnummer: EB-0601584141-2600100568
Netto: 3,94 € zzgl. MwSt.
zzgl. 6,90 € Versand (brutto)
einmalig pro Bestellung

Lieferzeit: 5 Werktage

Pos.
29
BOSCH Ausgleichscheibe 1,0 MM | Ersatzteile für GST 85 P | 2600100569
Hersteller: BOSCH
Artikelnummer: EB-0601584141-2600100569
Netto: 3,94 € zzgl. MwSt.
zzgl. 6,90 € Versand (brutto)
einmalig pro Bestellung

Lieferzeit: 5 Werktage

Pos.
32
BOSCH Luftabscheider | Ersatzteile für GST 85 P | 2602305042
Hersteller: BOSCH
Artikelnummer: EB-0601584141-2602305042
Netto: 3,94 € zzgl. MwSt.
zzgl. 6,90 € Versand (brutto)
einmalig pro Bestellung

Lieferzeit: 5 Werktage

Pos.
34
BOSCH Rastkappe | Ersatzteile für GST 85 P | 2600590006
Hersteller: BOSCH
Artikelnummer: EB-0601584141-2600590006
Netto: 3,94 € zzgl. MwSt.
zzgl. 6,90 € Versand (brutto)
einmalig pro Bestellung

Lieferzeit: 5 Werktage

Pos.
35
BOSCH Drehknopf SCHWARZ | Ersatzteile für GST 85 P | 2602026036
Hersteller: BOSCH
Artikelnummer: EB-0601584141-2602026036
Netto: 5,67 € zzgl. MwSt.
zzgl. 6,90 € Versand (brutto)
einmalig pro Bestellung

Lieferzeit: 5 Werktage

Pos.
37
BOSCH Drehknopf SCHWARZ | Ersatzteile für GST 85 P | 2602026037
Hersteller: BOSCH
Artikelnummer: EB-0601584141-2602026037
Netto: 4,82 € zzgl. MwSt.
zzgl. 6,90 € Versand (brutto)
einmalig pro Bestellung

Lieferzeit: 5 Werktage

Pos.
39
BOSCH Dichtung | Ersatzteile für GST 85 P | 2601015050
Hersteller: BOSCH
Artikelnummer: EB-0601584141-2601015050
Netto: 4,32 € zzgl. MwSt.
zzgl. 6,90 € Versand (brutto)
einmalig pro Bestellung

Lieferzeit: 5 Werktage

Pos.
41
BOSCH Gewindefurchschraube M4x8 | Ersatzteile für GST 85 P | 2603410048
Hersteller: BOSCH
Artikelnummer: EB-0601584141-2603410048
Netto: 3,94 € zzgl. MwSt.
zzgl. 6,90 € Versand (brutto)
einmalig pro Bestellung

Lieferzeit: 5 Werktage

Pos.
42
BOSCH Druckfeder | Ersatzteile für GST 85 P | 2604613000
Hersteller: BOSCH
Artikelnummer: EB-0601584141-2604613000
Netto: 3,94 € zzgl. MwSt.
zzgl. 6,90 € Versand (brutto)
einmalig pro Bestellung

Lieferzeit: 5 Werktage

Pos.
43
BOSCH Führungsbügel | Ersatzteile für GST 85 P | 2601322010
Hersteller: BOSCH
Artikelnummer: EB-0601584141-1616B00224
Netto: 5,13 € zzgl. MwSt.
zzgl. 6,90 € Versand (brutto)
einmalig pro Bestellung

Lieferzeit: 5 Werktage

Pos.
44
BOSCH Hubstange | Ersatzteile für GST 85 P | 2600780177
Hersteller: BOSCH
Artikelnummer: EB-0601584141-1619P12765
Netto: 13,76 € zzgl. MwSt.
zzgl. 6,90 € Versand (brutto)
einmalig pro Bestellung

Lieferzeit: 65 Werktage

Pos.
45
BOSCH Klemmbügel | Ersatzteile für GST 85 P | 2602329011
Hersteller: BOSCH
Artikelnummer: EB-0601584141-2602329011
Netto: 5,19 € zzgl. MwSt.
zzgl. 6,90 € Versand (brutto)
einmalig pro Bestellung

Lieferzeit: 5 Werktage

Pos.
46
BOSCH Gleitstück | Ersatzteile für GST 85 P | 2602317053
Hersteller: BOSCH
Artikelnummer: EB-0601584141-1619P12767
Netto: 6,77 € zzgl. MwSt.
zzgl. 6,90 € Versand (brutto)
einmalig pro Bestellung

Lieferzeit: 5 Werktage

Pos.
47
BOSCH Senkschraube DIN 7962-M3,5x8-10.9 | Ersatzteile für GST 85 P | 2603421040
Hersteller: BOSCH
Artikelnummer: EB-0601584141-2603421040
Netto: 3,94 € zzgl. MwSt.
zzgl. 6,90 € Versand (brutto)
einmalig pro Bestellung

Lieferzeit: 5 Werktage

Pos.
48
BOSCH Stützscheibe 0,5 MM | Ersatzteile für GST 85 P | 2600112031
Hersteller: BOSCH
Artikelnummer: EB-0601584141-2600112031
Netto: 3,94 € zzgl. MwSt.
zzgl. 6,90 € Versand (brutto)
einmalig pro Bestellung

Lieferzeit: 5 Werktage

Pos.
49
BOSCH Dichtring 0,5 MM | Ersatzteile für GST 85 P | 2600290017
Hersteller: BOSCH
Artikelnummer: EB-0601584141-2600290017
Netto: 3,94 € zzgl. MwSt.
zzgl. 6,90 € Versand (brutto)
einmalig pro Bestellung

Lieferzeit: 5 Werktage

Pos.
50
BOSCH Ausgleichscheibe 0,5 MM | Ersatzteile für GST 85 P | 2600101612
Hersteller: BOSCH
Artikelnummer: EB-0601584141-2600101612
Netto: 3,94 € zzgl. MwSt.
zzgl. 6,90 € Versand (brutto)
einmalig pro Bestellung

Lieferzeit: 5 Werktage

Pos.
53
BOSCH Klemmschraube | Ersatzteile für GST 85 P | 2603490011
Hersteller: BOSCH
Artikelnummer: EB-0601584141-2603490011
Netto: 7,30 € zzgl. MwSt.
zzgl. 6,90 € Versand (brutto)
einmalig pro Bestellung

Lieferzeit: 5 Werktage

Pos.
57
BOSCH Sicherungsscheibe | Ersatzteile für GST 85 P | 2600116011
Hersteller: BOSCH
Artikelnummer: EB-0601584141-2600116011
Netto: 4,32 € zzgl. MwSt.
zzgl. 6,90 € Versand (brutto)
einmalig pro Bestellung

Lieferzeit: 5 Werktage

Pos.
60
BOSCH Torx-Linsenschraube 4x25 | Ersatzteile für GST 85 P | 2603490024
Hersteller: BOSCH
Artikelnummer: EB-0601584141-2603490024
Netto: 3,94 € zzgl. MwSt.
zzgl. 6,90 € Versand (brutto)
einmalig pro Bestellung

Lieferzeit: 5 Werktage

Pos.
62
BOSCH Sechskantmutter DIN 934-M6-8-A | Ersatzteile für GST 85 P | 2915011007
Hersteller: BOSCH
Artikelnummer: EB-0601584141-2915011007
Netto: 3,63 € zzgl. MwSt.
zzgl. 6,90 € Versand (brutto)
einmalig pro Bestellung

Lieferzeit: 5 Werktage

Pos.
64
BOSCH Profilleiste | Ersatzteile für GST 85 P | 2601030019
Hersteller: BOSCH
Artikelnummer: EB-0601584141-2601030019
Netto: 4,53 € zzgl. MwSt.
zzgl. 6,90 € Versand (brutto)
einmalig pro Bestellung

Lieferzeit: 5 Werktage

Pos.
65
BOSCH Innensechskantschraube DIN 912-M6x16-8.8 | Ersatzteile für GST 85 P | 2910141197
Hersteller: BOSCH
Artikelnummer: EB-0601584141-2910141197
Netto: 3,63 € zzgl. MwSt.
zzgl. 6,90 € Versand (brutto)
einmalig pro Bestellung

Lieferzeit: 5 Werktage

Pos.
68
BOSCH Flanschstutzen | Ersatzteile für GST 85 P | 2605702016
Hersteller: BOSCH
Artikelnummer: EB-0601584141-2605702016
Netto: 7,76 € zzgl. MwSt.
zzgl. 6,90 € Versand (brutto)
einmalig pro Bestellung

Lieferzeit: 5 Werktage

Pos.
71
BOSCH Druckfeder | Ersatzteile für GST 85 P | 2604617003
Hersteller: BOSCH
Artikelnummer: EB-0601584141-2604617003
Netto: 4,32 € zzgl. MwSt.
zzgl. 6,90 € Versand (brutto)
einmalig pro Bestellung

Lieferzeit: 5 Werktage

Pos.
72
BOSCH Gewindefurchschraube M 5x16 | Ersatzteile für GST 85 P | 2603410054
Hersteller: BOSCH
Artikelnummer: EB-0601584141-2603410054
Netto: 4,53 € zzgl. MwSt.
zzgl. 6,90 € Versand (brutto)
einmalig pro Bestellung

Lieferzeit: 5 Werktage

Pos.
74
BOSCH Gewindefurchschraube M4x12 MM | Ersatzteile für GST 85 P | 2603410049
Hersteller: BOSCH
Artikelnummer: EB-0601584141-2603410049
Netto: 3,94 € zzgl. MwSt.
zzgl. 6,90 € Versand (brutto)
einmalig pro Bestellung

Lieferzeit: 5 Werktage

Pos.
75
BOSCH Kupplungshälfte | Ersatzteile für GST 85 P | 2606491015
Hersteller: BOSCH
Artikelnummer: EB-0601584141-2606491015
nur Informationsartikel
Nie mehr lieferbar
keine Alternativen
Pos.
76
BOSCH Skalenplatte | Ersatzteile für GST 85 P | 2601328044
Hersteller: BOSCH
Artikelnummer: EB-0601584141-2601328044
Netto: 4,53 € zzgl. MwSt.
zzgl. 6,90 € Versand (brutto)
einmalig pro Bestellung

Lieferzeit: 5 Werktage

Pos.
77
BOSCH Ausgleichscheibe 0,2 MM | Ersatzteile für GST 85 P | 2600100032
Hersteller: BOSCH
Artikelnummer: EB-0601584141-2600100032
Netto: 3,94 € zzgl. MwSt.
zzgl. 6,90 € Versand (brutto)
einmalig pro Bestellung

Lieferzeit: 5 Werktage

Pos.
78
BOSCH Klebeschild | Ersatzteile für GST 85 P | 2601110930
Hersteller: BOSCH
Artikelnummer: EB-0601584141-2601110930
nur Informationsartikel
Nie mehr lieferbar
keine Alternativen
Pos.
85
BOSCH Druckfeder | Ersatzteile für GST 85 P | 2604610040
Hersteller: BOSCH
Artikelnummer: EB-0601584141-2604610040
Netto: 3,94 € zzgl. MwSt.
zzgl. 6,90 € Versand (brutto)
einmalig pro Bestellung

Lieferzeit: 5 Werktage

Pos.
90
BOSCH Schutzvorrichtung | Ersatzteile für GST 85 P | 2601322021
Hersteller: BOSCH
Artikelnummer: EB-0601584141-2601322021
Netto: 5,67 € zzgl. MwSt.
zzgl. 6,90 € Versand (brutto)
einmalig pro Bestellung

Lieferzeit: 5 Werktage

Pos.
91
BOSCH Zylinderschraube DIN 84-AM4x18-5.8 | Ersatzteile für GST 85 P | 2910011128
Hersteller: BOSCH
Artikelnummer: EB-0601584141-2910011128
Netto: 3,63 € zzgl. MwSt.
zzgl. 6,90 € Versand (brutto)
einmalig pro Bestellung

Lieferzeit: 5 Werktage

Pos.
102
BOSCH Polschuh 110-120V | Ersatzteile für GST 85 P | 2604220721
Hersteller: BOSCH
Artikelnummer: EB-0601584141-2604220721
Netto: 26,88 € zzgl. MwSt.
zzgl. 6,90 € Versand (brutto)
einmalig pro Bestellung

Lieferzeit: 5 Werktage

Pos.
103
BOSCH Anker 110-115V | Ersatzteile für GST 85 P | 2604010577
Hersteller: BOSCH
Artikelnummer: EB-0601584141-2604010577
Netto: 47,09 € zzgl. MwSt.
zzgl. 6,90 € Versand (brutto)
einmalig pro Bestellung

Lieferzeit: 5 Werktage

Pos.
104
BOSCH Schalter | Ersatzteile für GST 85 P | 2607200674
Hersteller: BOSCH
Artikelnummer: EB-0601584141-2607200674
Netto: 14,36 € zzgl. MwSt.
zzgl. 6,90 € Versand (brutto)
einmalig pro Bestellung

Lieferzeit: 5 Werktage

Pos.
106
BOSCH Tülle Ø6,5-Ø6,9x95 MM | Ersatzteile für GST 85 P | 2600703027
Hersteller: BOSCH
Artikelnummer: EB-0601584141-2600703027
Netto: 3,94 € zzgl. MwSt.
zzgl. 6,90 € Versand (brutto)
einmalig pro Bestellung

Lieferzeit: 5 Werktage

Pos.
107
BOSCH Leitungshalter | Ersatzteile für GST 85 P | 2601035001
Hersteller: BOSCH
Artikelnummer: EB-0601584141-2601035001
Netto: 3,94 € zzgl. MwSt.
zzgl. 6,90 € Versand (brutto)
einmalig pro Bestellung

Lieferzeit: 5 Werktage

Pos.
109
BOSCH Firmenschild SONNENSEITE | Ersatzteile für GST 85 P | 2601118482
Hersteller: BOSCH
Artikelnummer: EB-0601584141-2601118482
nur Informationsartikel
Nie mehr lieferbar
keine Alternativen
Pos.
112
BOSCH Entstörfilter | Ersatzteile für GST 85 P | 2607329104
Hersteller: BOSCH
Artikelnummer: EB-0601584141-2607329104
Netto: 9,18 € zzgl. MwSt.
zzgl. 6,90 € Versand (brutto)
einmalig pro Bestellung

Lieferzeit: 5 Werktage

Pos.
113
BOSCH Kugellager 7x22x7 | Ersatzteile für GST 85 P | 1900905018
Hersteller: BOSCH
Artikelnummer: EB-0601584141-1900905018
Netto: 15,75 € zzgl. MwSt.
zzgl. 6,90 € Versand (brutto)
einmalig pro Bestellung

Lieferzeit: 5 Werktage

Pos.
116
BOSCH Bürstenhalter | Ersatzteile für GST 85 P | 1600A003G4
Hersteller: BOSCH
Artikelnummer: EB-0601584141-2601323022
Netto: 5,19 € zzgl. MwSt.
zzgl. 6,90 € Versand (brutto)
einmalig pro Bestellung

Lieferzeit: 5 Werktage

Pos.
118
BOSCH Zylinderschraube M3x6,5-4.8 | Ersatzteile für GST 85 P | 2603410001
Hersteller: BOSCH
Artikelnummer: EB-0601584141-2603410001
Netto: 3,94 € zzgl. MwSt.
zzgl. 6,90 € Versand (brutto)
einmalig pro Bestellung

Lieferzeit: 5 Werktage

Pos.
119
BOSCH Schraube 4x16 | Ersatzteile für GST 85 P | 2603490022
Hersteller: BOSCH
Artikelnummer: EB-0601584141-2603490022
Netto: 3,63 € zzgl. MwSt.
zzgl. 6,90 € Versand (brutto)
einmalig pro Bestellung

Lieferzeit: 5 Werktage

Pos.
120
BOSCH Hinweisschild SCHATTENSEITE | Ersatzteile für GST 85 P | 2601118526
Hersteller: BOSCH
Artikelnummer: EB-0601584141-2601118526
nur Informationsartikel
Nie mehr lieferbar
keine Alternativen
Pos.
129
BOSCH Blechschraube DIN 7982-ST3,9x22C-H | Ersatzteile für GST 85 P | 2910601321
Hersteller: BOSCH
Artikelnummer: EB-0601584141-2910601321
nur Informationsartikel
Nie mehr lieferbar
keine Alternativen
Pos.
130
BOSCH Schaltergriff SCHWARZ | Ersatzteile für GST 85 P | 2602026015
Hersteller: BOSCH
Artikelnummer: EB-0601584141-2602026015
Netto: 3,94 € zzgl. MwSt.
zzgl. 6,90 € Versand (brutto)
einmalig pro Bestellung

Lieferzeit: 5 Werktage

Pos.
131
BOSCH Innensechskantschlüssel 5 MM | Ersatzteile für GST 85 P | 2610364015
Hersteller: BOSCH
Artikelnummer: EB-0601584141-2610364015
Netto: 5,19 € zzgl. MwSt.
zzgl. 6,90 € Versand (brutto)
einmalig pro Bestellung

Lieferzeit: 5 Werktage

Pos.
133
BOSCH Entstörfilter | Ersatzteile für GST 85 P | 2604465049
Hersteller: BOSCH
Artikelnummer: EB-0601584141-2604465049
nur Informationsartikel
Nie mehr lieferbar
keine Alternativen
Pos.
134
BOSCH Verbindungsleitung L=86MM WEISS | Ersatzteile für GST 85 P | 2604448044
Hersteller: BOSCH
Artikelnummer: EB-0601584141-2604448044
Netto: 3,63 € zzgl. MwSt.
zzgl. 6,90 € Versand (brutto)
einmalig pro Bestellung

Lieferzeit: 5 Werktage

Pos.
135
BOSCH Verbindungsleitung L=136MM WEISS | Ersatzteile für GST 85 P | 2604448056
Hersteller: BOSCH
Artikelnummer: EB-0601584141-2604448056
nur Informationsartikel
Nie mehr lieferbar
keine Alternativen
Pos.
139
BOSCH Blechschraube DIN 7981-ST2,9x13-C-H | Ersatzteile für GST 85 P | 2910611006
Hersteller: BOSCH
Artikelnummer: EB-0601584141-2910611006
Netto: 3,94 € zzgl. MwSt.
zzgl. 6,90 € Versand (brutto)
einmalig pro Bestellung

Lieferzeit: 5 Werktage

Pos.
149
BOSCH Verschlussstopfen BLAU | Ersatzteile für GST 85 P | 2603231032
Hersteller: BOSCH
Artikelnummer: EB-0601584141-2603231032
Netto: 3,95 € zzgl. MwSt.
zzgl. 6,90 € Versand (brutto)
einmalig pro Bestellung

Lieferzeit: 5 Werktage

Pos.
150
BOSCH Ausgleichscheibe 0,2 MM | Ersatzteile für GST 85 P | 2600101022
Hersteller: BOSCH
Artikelnummer: EB-0601584141-2600101022
Netto: 3,94 € zzgl. MwSt.
zzgl. 6,90 € Versand (brutto)
einmalig pro Bestellung

Lieferzeit: 5 Werktage

Pos.
150
BOSCH Ausgleichscheibe 0,5 MM | Ersatzteile für GST 85 P | 2600101020
Hersteller: BOSCH
Artikelnummer: EB-0601584141-2600101020
Netto: 3,94 € zzgl. MwSt.
zzgl. 6,90 € Versand (brutto)
einmalig pro Bestellung

Lieferzeit: 5 Werktage

Pos.
150
BOSCH Distanzscheibe 0,3 MM | Ersatzteile für GST 85 P | 2600101027
Hersteller: BOSCH
Artikelnummer: EB-0601584141-2600101027
Netto: 3,94 € zzgl. MwSt.
zzgl. 6,90 € Versand (brutto)
einmalig pro Bestellung

Lieferzeit: 5 Werktage

Pos.
151
BOSCH Ausgleichscheibe | Ersatzteile für GST 85 P | 2600150004
Hersteller: BOSCH
Artikelnummer: EB-0601584141-2600150004
Netto: 4,32 € zzgl. MwSt.
zzgl. 6,90 € Versand (brutto)
einmalig pro Bestellung

Lieferzeit: 5 Werktage

Pos.
152
BOSCH Blechschraube | Ersatzteile für GST 85 P | 2603435086
Hersteller: BOSCH
Artikelnummer: EB-0601584141-2603435086
Netto: 3,63 € zzgl. MwSt.
zzgl. 6,90 € Versand (brutto)
einmalig pro Bestellung

Lieferzeit: 5 Werktage

Pos.
153
BOSCH Verstellschieber BLAU | Ersatzteile für GST 85 P | 2602319005
Hersteller: BOSCH
Artikelnummer: EB-0601584141-2602319005
Netto: 3,94 € zzgl. MwSt.
zzgl. 6,90 € Versand (brutto)
einmalig pro Bestellung

Lieferzeit: 5 Werktage

Pos.
154
BOSCH Abdeckscheibe | Ersatzteile für GST 85 P | 2601328045
Hersteller: BOSCH
Artikelnummer: EB-0601584141-2601328045
Netto: 4,32 € zzgl. MwSt.
zzgl. 6,90 € Versand (brutto)
einmalig pro Bestellung

Lieferzeit: 5 Werktage

Pos.
155
BOSCH Torx-Linsenschraube 3x10 | Ersatzteile für GST 85 P | 2603490017
Hersteller: BOSCH
Artikelnummer: EB-0601584141-2603490017
Netto: 4,32 € zzgl. MwSt.
zzgl. 6,90 € Versand (brutto)
einmalig pro Bestellung

Lieferzeit: 5 Werktage

Pos.
156
BOSCH Spiralfeder | Ersatzteile für GST 85 P | 2604652009
Hersteller: BOSCH
Artikelnummer: EB-0601584141-2604652009
Netto: 3,94 € zzgl. MwSt.
zzgl. 6,90 € Versand (brutto)
einmalig pro Bestellung

Lieferzeit: 5 Werktage

Pos.
157
BOSCH Gehäusedeckel BLAU | Ersatzteile für GST 85 P | 2600508036
Hersteller: BOSCH
Artikelnummer: EB-0601584141-2600508036
Netto: 9,18 € zzgl. MwSt.
zzgl. 6,90 € Versand (brutto)
einmalig pro Bestellung

Lieferzeit: 5 Werktage

Pos.
801
BOSCH Getriebegehäuse | Ersatzteile für GST 85 P | 2605808917
Hersteller: BOSCH
Artikelnummer: EB-0601584141-2605808917
Netto: 57,47 € zzgl. MwSt.
zzgl. 6,90 € Versand (brutto)
einmalig pro Bestellung

Lieferzeit: 5 Werktage

Pos.
802
BOSCH Motorgehäuse BLAU | Ersatzteile für GST 85 P | 2605108904
Hersteller: BOSCH
Artikelnummer: EB-0601584141-2605108904
nur Informationsartikel
Nie mehr lieferbar
keine Alternativen
Pos.
805
BOSCH Netzanschlussleitung EU 2,6m 2 x 1,0 mm | Ersatzteile für GST 85 P | 1607000385
Hersteller: BOSCH
Artikelnummer: EB-0601584141-1607000385
Netto: 12,98 € zzgl. MwSt.
zzgl. 6,90 € Versand (brutto)
einmalig pro Bestellung

Lieferzeit: 5 Werktage

Pos.
807
BOSCH Rillenkugellager 9x24x7 | Ersatzteile für GST 85 P | 2600905039
Hersteller: BOSCH
Artikelnummer: EB-0601584141-2600905039
Netto: 10,92 € zzgl. MwSt.
zzgl. 6,90 € Versand (brutto)
einmalig pro Bestellung

Lieferzeit: 5 Werktage

Pos.
810
BOSCH Kohlebürstensatz | Ersatzteile für GST 85 P | 2604320910
Hersteller: BOSCH
Artikelnummer: EB-0601584141-2604320910
Netto: 9,18 € zzgl. MwSt.
zzgl. 6,90 € Versand (brutto)
einmalig pro Bestellung

Lieferzeit: 5 Werktage

Pos.
810
BOSCH Kohlebürstensatz 10 x 2 604 320 910 | Ersatzteile für GST 85 P | 1607000498
Hersteller: BOSCH
Artikelnummer: EB-0601584141-1607000498
Netto: 57,47 € zzgl. MwSt.
zzgl. 6,90 € Versand (brutto)
einmalig pro Bestellung

Lieferzeit: 5 Werktage

Pos.
813
BOSCH Nadelkäfig | Ersatzteile für GST 85 P | 2607001130
Hersteller: BOSCH
Artikelnummer: EB-0601584141-2607001130
nur Informationsartikel
Nie mehr lieferbar
keine Alternativen
Pos.
819
BOSCH Sicherungsscheibe DIN 6799-4-FSt | Ersatzteile für GST 85 P | 2916080007
Hersteller: BOSCH
Artikelnummer: EB-0601584141-2916080007
Netto: 4,53 € zzgl. MwSt.
zzgl. 6,90 € Versand (brutto)
einmalig pro Bestellung

Lieferzeit: 5 Werktage

Pos.
824
BOSCH Exzenterscheibe | Ersatzteile für GST 85 P | 2601072901
Hersteller: BOSCH
Artikelnummer: EB-0601584141-2601072901
Netto: 7,76 € zzgl. MwSt.
zzgl. 6,90 € Versand (brutto)
einmalig pro Bestellung

Lieferzeit: 5 Werktage

Pos.
826
BOSCH Sicherungsscheibe DIN 6799-7-FSt | Ersatzteile für GST 85 P | 2916080910
Hersteller: BOSCH
Artikelnummer: EB-0601584141-2916080910
nur Informationsartikel
Nie mehr lieferbar
keine Alternativen
Pos.
830
BOSCH Nadelhülse | Ersatzteile für GST 85 P | 2600917900
Hersteller: BOSCH
Artikelnummer: EB-0601584141-2600917900
nur Informationsartikel
Nie mehr lieferbar
keine Alternativen
Pos.
836
BOSCH Sicherungsscheibe DIN 6799-5-FSt | Ersatzteile für GST 85 P | 2916080008
Hersteller: BOSCH
Artikelnummer: EB-0601584141-2916080008
nur Informationsartikel
Nie mehr lieferbar
keine Alternativen
Pos.
838
BOSCH Sicherungsring | Ersatzteile für GST 85 P | 2600116009
Hersteller: BOSCH
Artikelnummer: EB-0601584141-2600116009
Netto: 3,63 € zzgl. MwSt.
zzgl. 6,90 € Versand (brutto)
einmalig pro Bestellung

Lieferzeit: 5 Werktage

Pos.
840
BOSCH Getriebedeckel | Ersatzteile für GST 85 P | 2605808921
Hersteller: BOSCH
Artikelnummer: EB-0601584141-2605808921
Netto: 77,60 € zzgl. MwSt.
zzgl. 6,90 € Versand (brutto)
einmalig pro Bestellung

Lieferzeit: 5 Werktage

Pos.
851
BOSCH Dichtplatte | Ersatzteile für GST 85 P | 2601015901
Hersteller: BOSCH
Artikelnummer: EB-0601584141-2601015901
Netto: 4,82 € zzgl. MwSt.
zzgl. 6,90 € Versand (brutto)
einmalig pro Bestellung

Lieferzeit: 5 Werktage

Pos.
854
BOSCH Rollenhebel | Ersatzteile für GST 85 P | 2601321902
Hersteller: BOSCH
Artikelnummer: EB-0601584141-1619P00777
nur Informationsartikel
Nie mehr lieferbar
keine Alternativen
Pos.
855
BOSCH Rollensatz | Ersatzteile für GST 85 P | 1619P01375
Hersteller: BOSCH
Artikelnummer: EB-0601584141-1619P01375
Netto: 9,95 € zzgl. MwSt.
zzgl. 6,90 € Versand (brutto)
einmalig pro Bestellung

Lieferzeit: 5 Werktage

Pos.
859
BOSCH Sicherungsscheibe DIN 6799-2,3 | Ersatzteile für GST 85 P | 2916080005
Hersteller: BOSCH
Artikelnummer: EB-0601584141-2916080005
Netto: 8,72 € zzgl. MwSt.
zzgl. 6,90 € Versand (brutto)
einmalig pro Bestellung

Lieferzeit: 5 Werktage

Pos.
861
BOSCH Lüfterdeckel | Ersatzteile für GST 85 P | 2605500900
Hersteller: BOSCH
Artikelnummer: EB-0601584141-2605500900
Netto: 5,67 € zzgl. MwSt.
zzgl. 6,90 € Versand (brutto)
einmalig pro Bestellung

Lieferzeit: 5 Werktage

Pos.
863
BOSCH Fussplatte | Ersatzteile für GST 85 P | 2601016903
Hersteller: BOSCH
Artikelnummer: EB-0601584141-2601016903
Netto: 15,75 € zzgl. MwSt.
zzgl. 6,90 € Versand (brutto)
einmalig pro Bestellung

Lieferzeit: 5 Werktage

Pos.
869
BOSCH Handgriff | Ersatzteile für GST 85 P | 2602026900
Hersteller: BOSCH
Artikelnummer: EB-0601584141-2602026900
nur Informationsartikel
Nie mehr lieferbar
keine Alternativen
Pos.
888
BOSCH Typschild | Ersatzteile für GST 85 P | 160111A3H3
Hersteller: BOSCH
Artikelnummer: EB-0601584141-160111A3H3
Netto: 4,53 € zzgl. MwSt.
zzgl. 6,90 € Versand (brutto)
einmalig pro Bestellung

Lieferzeit: 5 Werktage

Angaben zur Produktsicherheit

Hersteller:
Robert Bosch Power Tools GmbH
Postfach 30 02 20
70442 Stuttgart

E-Mail:
kontakt@bosch.de