BOSCH Feder | Ersatzteile für GTM 12 JL | 1619PA4438

Artikelnummer: EB-3601M15071-1619PA4438

Position: 138

Marke: BOSCH


Bitte Kompatibilität prüfen!

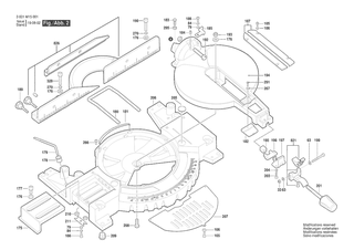
Bitte prüfen Sie unbedingt die 10-stellige Typennummer Ihrer Maschine / Ihres Gerätes. Das Ersatzteil ist nur kompatibel, wenn Sie die Typennummer Ihrer Maschine in der unten stehenden Produktbeschreibung finden.

Bitte prüfen Sie ebenfalls detailliert die Explosionszeichnung mit Ihrem Artikelwunsch und der jeweiligen Pos-Nummer.

Alle Elemente, welche vom schwarzen Strich der Pos-Nummer ausgehend berührt / erfasst werden, gehören zu dieser Pos-Nummer und somit zu diesem Artikel. Jede Pos-Nummer ist ein eigenständiger Artikel, welchen Sie in der Auflistung finden.

Sie erhalten stets die aktuellste, neueste Produktversion zu der gewählten Pos-Nummer seitens des Herstellers. Es kann daher je nach Gerätealter vorkommen, dass Sie ggf. weitere, zugehörige Elemente, welche an diese Pos-Nummer grenzen, ebenfalls mittauschen müssen.

Nähere Informationen finden Sie unter dem Link
Hinweise zu Ihrer BOSCH Ersatzteilsuche

Preisübersicht

Einzelpreis: 4,32 €* (Brutto: 5,14 €)
Gesamtpreis: 4,32 €* 
Position:

Lieferzeit: 5 Werktage


Beschreibung

  • Feder
  • Original Bosch Zubehör / BOSCH Ersatzteil (1619PA4438)
  • im Gerät verbaut: 1
Dieses BOSCH Ersatzteil ist mit folgendem Gerät und Modell kompatibel:
  • BOSCH Gerätename: GTM 12 JL
  • BOSCH Explosionszeichnung: Position 138
  • BOSCH Typennummer: 3601M15071
  • BOSCH Typennummer alternative Schreibweisen: 3 601 M15 071, 3601 M15 071, 3.601.M15.071, 3-601-M15-071
    Bitte prüfen Sie diese Typennummer auf Ihrem Gerät um die Kompatibilität des BOSCH Ersatzteils zu gewährleisten.
Weitere BOSCH Ersatzteile des Gerätes GTM 12 JL (Tisch-/Gehrungssäge) mit der Typennummer 3601M15071 finden Sie in der nachfolgenden Darstellung und im Dropdown zu Ihrer Auswahl:

Pos.
1
BOSCH Motorgehäuse | Ersatzteile für GTM 12 JL | 1619PA4304
Hersteller: BOSCH
Artikelnummer: EB-3601M15071-1619PA4304
Netto: 21,16 € zzgl. MwSt.
zzgl. 6,90 € Versand (brutto)
einmalig pro Bestellung

Lieferzeit: 5 Werktage

Pos.
2
BOSCH Polschuh 230V | Ersatzteile für GTM 12 JL | 1619PA4305
Hersteller: BOSCH
Artikelnummer: EB-3601M15071-1619PA4305
Netto: 63,99 € zzgl. MwSt.
zzgl. 6,90 € Versand (brutto)
einmalig pro Bestellung

Lieferzeit: 5 Werktage

Pos.
3
BOSCH Anker 230V | Ersatzteile für GTM 12 JL | 1619PA4307
Hersteller: BOSCH
Artikelnummer: EB-3601M15071-1619PA4307
Netto: 57,47 € zzgl. MwSt.
zzgl. 6,90 € Versand (brutto)
einmalig pro Bestellung

Lieferzeit: 5 Werktage

Pos.
4
BOSCH Schalter | Ersatzteile für GTM 12 JL | 1619PA4309
Hersteller: BOSCH
Artikelnummer: EB-3601M15071-1619PA4309
Netto: 24,13 € zzgl. MwSt.
zzgl. 6,90 € Versand (brutto)
einmalig pro Bestellung

Lieferzeit: 64 Werktage

Pos.
5
BOSCH Netzanschlussleitung | Ersatzteile für GTM 12 JL | 1619PA4312
Hersteller: BOSCH
Artikelnummer: EB-3601M15071-1619PS2398
nur Informationsartikel
Nie mehr lieferbar
keine Alternativen
Pos.
6
BOSCH Tülle | Ersatzteile für GTM 12 JL | 1619PA4314
Hersteller: BOSCH
Artikelnummer: EB-3601M15071-1619PA4314
Netto: 3,63 € zzgl. MwSt.
zzgl. 6,90 € Versand (brutto)
einmalig pro Bestellung

Lieferzeit: 5 Werktage

Pos.
7
BOSCH Befestigungsschelle | Ersatzteile für GTM 12 JL | 1619PA4315
Hersteller: BOSCH
Artikelnummer: EB-3601M15071-1619PA4315
Netto: 3,59 € zzgl. MwSt.
zzgl. 6,90 € Versand (brutto)
einmalig pro Bestellung

Lieferzeit: 5 Werktage

Pos.
8
BOSCH Typschild | Ersatzteile für GTM 12 JL | 1619PA4317
Hersteller: BOSCH
Artikelnummer: EB-3601M15071-1619PA4317
Netto: 4,32 € zzgl. MwSt.
zzgl. 6,90 € Versand (brutto)
einmalig pro Bestellung

Lieferzeit: 5 Werktage

Pos.
9
BOSCH Aufspannring | Ersatzteile für GTM 12 JL | 1619PA8129
Hersteller: BOSCH
Artikelnummer: EB-3601M15071-1619PA8129
Netto: 3,63 € zzgl. MwSt.
zzgl. 6,90 € Versand (brutto)
einmalig pro Bestellung

Lieferzeit: 5 Werktage

Pos.
11
BOSCH Drosselspule | Ersatzteile für GTM 12 JL | 1619PA4319
Hersteller: BOSCH
Artikelnummer: EB-3601M15071-1619PA4319
Netto: 4,33 € zzgl. MwSt.
zzgl. 6,90 € Versand (brutto)
einmalig pro Bestellung

Lieferzeit: 5 Werktage

Pos.
12
BOSCH Kondensator | Ersatzteile für GTM 12 JL | 1619PA4320
Hersteller: BOSCH
Artikelnummer: EB-3601M15071-1619PA4320
Netto: 3,63 € zzgl. MwSt.
zzgl. 6,90 € Versand (brutto)
einmalig pro Bestellung

Lieferzeit: 5 Werktage

Pos.
13
BOSCH Kugellager | Ersatzteile für GTM 12 JL | 1619PA4321
Hersteller: BOSCH
Artikelnummer: EB-3601M15071-1619PA4321
Netto: 7,30 € zzgl. MwSt.
zzgl. 6,90 € Versand (brutto)
einmalig pro Bestellung

Lieferzeit: 5 Werktage

Pos.
14
BOSCH Kugellager | Ersatzteile für GTM 12 JL | 1619PA4322
Hersteller: BOSCH
Artikelnummer: EB-3601M15071-1619PA4322
Netto: 7,76 € zzgl. MwSt.
zzgl. 6,90 € Versand (brutto)
einmalig pro Bestellung

Lieferzeit: 5 Werktage

Pos.
15
BOSCH Deckel | Ersatzteile für GTM 12 JL | 1619PA6339
Hersteller: BOSCH
Artikelnummer: EB-3601M15071-1619PA6339
Netto: 3,63 € zzgl. MwSt.
zzgl. 6,90 € Versand (brutto)
einmalig pro Bestellung

Lieferzeit: 5 Werktage

Pos.
16
BOSCH Bürstenhalter | Ersatzteile für GTM 12 JL | 1619PA4323
Hersteller: BOSCH
Artikelnummer: EB-3601M15071-1619PA4323
Netto: 9,95 € zzgl. MwSt.
zzgl. 6,90 € Versand (brutto)
einmalig pro Bestellung

Lieferzeit: 5 Werktage

Pos.
18
BOSCH Schraube | Ersatzteile für GTM 12 JL | 1619PA8128
Hersteller: BOSCH
Artikelnummer: EB-3601M15071-1619PA8128
Netto: 3,63 € zzgl. MwSt.
zzgl. 6,90 € Versand (brutto)
einmalig pro Bestellung

Lieferzeit: 5 Werktage

Pos.
19
BOSCH Gewindefurchschraube | Ersatzteile für GTM 12 JL | 1619PA4324
Hersteller: BOSCH
Artikelnummer: EB-3601M15071-1619PA4324
Netto: 3,63 € zzgl. MwSt.
zzgl. 6,90 € Versand (brutto)
einmalig pro Bestellung

Lieferzeit: 5 Werktage

Pos.
20
BOSCH Einstellscheibe | Ersatzteile für GTM 12 JL | 1619PA8126
Hersteller: BOSCH
Artikelnummer: EB-3601M15071-1619PA8126
Netto: 3,63 € zzgl. MwSt.
zzgl. 6,90 € Versand (brutto)
einmalig pro Bestellung

Lieferzeit: 5 Werktage

Pos.
21
BOSCH Blindabdeckung | Ersatzteile für GTM 12 JL | 1619PA4325
Hersteller: BOSCH
Artikelnummer: EB-3601M15071-1619PA4325
Netto: 7,76 € zzgl. MwSt.
zzgl. 6,90 € Versand (brutto)
einmalig pro Bestellung

Lieferzeit: 5 Werktage

Pos.
23
BOSCH Anschluss | Ersatzteile für GTM 12 JL | 1619PA4327
Hersteller: BOSCH
Artikelnummer: EB-3601M15071-1619PA4327
Netto: 4,53 € zzgl. MwSt.
zzgl. 6,90 € Versand (brutto)
einmalig pro Bestellung

Lieferzeit: 5 Werktage

Pos.
24
BOSCH Softstartmodul | Ersatzteile für GTM 12 JL | 1619PA3393
Hersteller: BOSCH
Artikelnummer: EB-3601M15071-1619PA3393
Netto: 42,86 € zzgl. MwSt.
zzgl. 6,90 € Versand (brutto)
einmalig pro Bestellung

Lieferzeit: 5 Werktage

Pos.
25
BOSCH Gewindefurchschraube | Ersatzteile für GTM 12 JL | 1619PA4328
Hersteller: BOSCH
Artikelnummer: EB-3601M15071-1619PA4328
Netto: 3,63 € zzgl. MwSt.
zzgl. 6,90 € Versand (brutto)
einmalig pro Bestellung

Lieferzeit: 5 Werktage

Pos.
26
BOSCH Gewindefurchschraube | Ersatzteile für GTM 12 JL | 1619PA4329
Hersteller: BOSCH
Artikelnummer: EB-3601M15071-1619PA4329
Netto: 3,63 € zzgl. MwSt.
zzgl. 6,90 € Versand (brutto)
einmalig pro Bestellung

Lieferzeit: 5 Werktage

Pos.
27
BOSCH Kasten | Ersatzteile für GTM 12 JL | 1619PA4330
Hersteller: BOSCH
Artikelnummer: EB-3601M15071-1619PA4330
Netto: 11,92 € zzgl. MwSt.
zzgl. 6,90 € Versand (brutto)
einmalig pro Bestellung

Lieferzeit: 5 Werktage

Pos.
28
BOSCH Getriebegehäuse | Ersatzteile für GTM 12 JL | 1619PA4331
Hersteller: BOSCH
Artikelnummer: EB-3601M15071-1619PA4331
Netto: 70,50 € zzgl. MwSt.
zzgl. 6,90 € Versand (brutto)
einmalig pro Bestellung

Lieferzeit: 5 Werktage

Pos.
29
BOSCH Gewindefurchschraube | Ersatzteile für GTM 12 JL | 1619PA4332
Hersteller: BOSCH
Artikelnummer: EB-3601M15071-1619PA4332
Netto: 3,63 € zzgl. MwSt.
zzgl. 6,90 € Versand (brutto)
einmalig pro Bestellung

Lieferzeit: 5 Werktage

Pos.
30
BOSCH Teller | Ersatzteile für GTM 12 JL | 1619PA4333
Hersteller: BOSCH
Artikelnummer: EB-3601M15071-1619PA4333
Netto: 4,53 € zzgl. MwSt.
zzgl. 6,90 € Versand (brutto)
einmalig pro Bestellung

Lieferzeit: 5 Werktage

Pos.
32
BOSCH Gewindefurchschraube | Ersatzteile für GTM 12 JL | 1619PA4335
Hersteller: BOSCH
Artikelnummer: EB-3601M15071-1619PA4335
Netto: 3,63 € zzgl. MwSt.
zzgl. 6,90 € Versand (brutto)
einmalig pro Bestellung

Lieferzeit: 5 Werktage

Pos.
33
BOSCH Nuss | Ersatzteile für GTM 12 JL | 1619PA4336
Hersteller: BOSCH
Artikelnummer: EB-3601M15071-1619PA4336
Netto: 3,63 € zzgl. MwSt.
zzgl. 6,90 € Versand (brutto)
einmalig pro Bestellung

Lieferzeit: 5 Werktage

Pos.
34
BOSCH Vorlegscheibe | Ersatzteile für GTM 12 JL | 1619PA4337
Hersteller: BOSCH
Artikelnummer: EB-3601M15071-1619PA4337
Netto: 3,63 € zzgl. MwSt.
zzgl. 6,90 € Versand (brutto)
einmalig pro Bestellung

Lieferzeit: 5 Werktage

Pos.
35
BOSCH Feder | Ersatzteile für GTM 12 JL | 1619PA4338
Hersteller: BOSCH
Artikelnummer: EB-3601M15071-1619PA4338
Netto: 3,63 € zzgl. MwSt.
zzgl. 6,90 € Versand (brutto)
einmalig pro Bestellung

Lieferzeit: 5 Werktage

Pos.
36
BOSCH Gewindefurchschraube | Ersatzteile für GTM 12 JL | 1619PA4339
Hersteller: BOSCH
Artikelnummer: EB-3601M15071-1619PA4339
Netto: 3,63 € zzgl. MwSt.
zzgl. 6,90 € Versand (brutto)
einmalig pro Bestellung

Lieferzeit: 5 Werktage

Pos.
46
BOSCH Gewindefurchschraube | Ersatzteile für GTM 12 JL | 1619PA4349
Hersteller: BOSCH
Artikelnummer: EB-3601M15071-1619PA4349
Netto: 3,94 € zzgl. MwSt.
zzgl. 6,90 € Versand (brutto)
einmalig pro Bestellung

Lieferzeit: 5 Werktage

Pos.
47
BOSCH Schutzunterteil | Ersatzteile für GTM 12 JL | 1619PA4350
Hersteller: BOSCH
Artikelnummer: EB-3601M15071-1619PA4350
Netto: 9,95 € zzgl. MwSt.
zzgl. 6,90 € Versand (brutto)
einmalig pro Bestellung

Lieferzeit: 5 Werktage

Pos.
48
BOSCH Flansch | Ersatzteile für GTM 12 JL | 1619PA4351
Hersteller: BOSCH
Artikelnummer: EB-3601M15071-1619PA4351
Netto: 8,33 € zzgl. MwSt.
zzgl. 6,90 € Versand (brutto)
einmalig pro Bestellung

Lieferzeit: 5 Werktage

Pos.
49
BOSCH Klinge | Ersatzteile für GTM 12 JL | 1619PA4352
Hersteller: BOSCH
Artikelnummer: EB-3601M15071-1619PA4352
Netto: 86,83 € zzgl. MwSt.
zzgl. 6,90 € Versand (brutto)
einmalig pro Bestellung

Lieferzeit: 65 Werktage

Pos.
50
BOSCH Flansch | Ersatzteile für GTM 12 JL | 1619PA4353
Hersteller: BOSCH
Artikelnummer: EB-3601M15071-1619PA4353
Netto: 7,76 € zzgl. MwSt.
zzgl. 6,90 € Versand (brutto)
einmalig pro Bestellung

Lieferzeit: 5 Werktage

Pos.
51
BOSCH Gewindefurchschraube | Ersatzteile für GTM 12 JL | 1619PA4354
Hersteller: BOSCH
Artikelnummer: EB-3601M15071-1619PA4354
Netto: 3,94 € zzgl. MwSt.
zzgl. 6,90 € Versand (brutto)
einmalig pro Bestellung

Lieferzeit: 5 Werktage

Pos.
52
BOSCH Blindabdeckung | Ersatzteile für GTM 12 JL | 1619PA4355
Hersteller: BOSCH
Artikelnummer: EB-3601M15071-1619PA4355
Netto: 24,13 € zzgl. MwSt.
zzgl. 6,90 € Versand (brutto)
einmalig pro Bestellung

Lieferzeit: 5 Werktage

Pos.
53
BOSCH Gewindefurchschraube | Ersatzteile für GTM 12 JL | 1619PA4356
Hersteller: BOSCH
Artikelnummer: EB-3601M15071-1619PA4356
Netto: 3,63 € zzgl. MwSt.
zzgl. 6,90 € Versand (brutto)
einmalig pro Bestellung

Lieferzeit: 5 Werktage

Pos.
54
BOSCH Leitungshalter | Ersatzteile für GTM 12 JL | 1619PA4357
Hersteller: BOSCH
Artikelnummer: EB-3601M15071-1619PA4357
Netto: 3,63 € zzgl. MwSt.
zzgl. 6,90 € Versand (brutto)
einmalig pro Bestellung

Lieferzeit: 5 Werktage

Pos.
55
BOSCH Einstellscheibe | Ersatzteile für GTM 12 JL | 1619PA8127
Hersteller: BOSCH
Artikelnummer: EB-3601M15071-1619PA8127
Netto: 3,63 € zzgl. MwSt.
zzgl. 6,90 € Versand (brutto)
einmalig pro Bestellung

Lieferzeit: 5 Werktage

Pos.
57
BOSCH Kasten | Ersatzteile für GTM 12 JL | 1619PA4360
Hersteller: BOSCH
Artikelnummer: EB-3601M15071-1619PA4360
Netto: 12,98 € zzgl. MwSt.
zzgl. 6,90 € Versand (brutto)
einmalig pro Bestellung

Lieferzeit: 5 Werktage

Pos.
58
BOSCH Kabeltülle | Ersatzteile für GTM 12 JL | 1619PA4361
Hersteller: BOSCH
Artikelnummer: EB-3601M15071-1619PA4361
Netto: 3,63 € zzgl. MwSt.
zzgl. 6,90 € Versand (brutto)
einmalig pro Bestellung

Lieferzeit: 5 Werktage

Pos.
59
BOSCH Welle | Ersatzteile für GTM 12 JL | 1619PA4362
Hersteller: BOSCH
Artikelnummer: EB-3601M15071-1619PA4362
Netto: 3,59 € zzgl. MwSt.
zzgl. 6,90 € Versand (brutto)
einmalig pro Bestellung

Lieferzeit: 5 Werktage

Pos.
60
BOSCH Verschlussplombe | Ersatzteile für GTM 12 JL | 1619PA4363
Hersteller: BOSCH
Artikelnummer: EB-3601M15071-1619PA4363
Netto: 3,63 € zzgl. MwSt.
zzgl. 6,90 € Versand (brutto)
einmalig pro Bestellung

Lieferzeit: 5 Werktage

Pos.
61
BOSCH Gewindefurchschraube | Ersatzteile für GTM 12 JL | 1619PA4364
Hersteller: BOSCH
Artikelnummer: EB-3601M15071-1619PA4364
Netto: 3,63 € zzgl. MwSt.
zzgl. 6,90 € Versand (brutto)
einmalig pro Bestellung

Lieferzeit: 5 Werktage

Pos.
63
BOSCH Vorlegscheibe | Ersatzteile für GTM 12 JL | 1619PA4366
Hersteller: BOSCH
Artikelnummer: EB-3601M15071-1619PA4366
Netto: 3,63 € zzgl. MwSt.
zzgl. 6,90 € Versand (brutto)
einmalig pro Bestellung

Lieferzeit: 5 Werktage

Pos.
69
BOSCH Lampe | Ersatzteile für GTM 12 JL | 1619PA8121
Hersteller: BOSCH
Artikelnummer: EB-3601M15071-1619PA8121
Netto: 6,70 € zzgl. MwSt.
zzgl. 6,90 € Versand (brutto)
einmalig pro Bestellung

Lieferzeit: 5 Werktage

Pos.
71
BOSCH Blindabdeckung | Ersatzteile für GTM 12 JL | 1619PA4373
Hersteller: BOSCH
Artikelnummer: EB-3601M15071-1619PA4373
Netto: 3,63 € zzgl. MwSt.
zzgl. 6,90 € Versand (brutto)
einmalig pro Bestellung

Lieferzeit: 5 Werktage

Pos.
72
BOSCH Blindabdeckung | Ersatzteile für GTM 12 JL | 1619PA4374
Hersteller: BOSCH
Artikelnummer: EB-3601M15071-1619PA4374
Netto: 7,76 € zzgl. MwSt.
zzgl. 6,90 € Versand (brutto)
einmalig pro Bestellung

Lieferzeit: 5 Werktage

Pos.
73
BOSCH Gummidämpfer | Ersatzteile für GTM 12 JL | 1619PA4375
Hersteller: BOSCH
Artikelnummer: EB-3601M15071-1619PA4375
Netto: 3,63 € zzgl. MwSt.
zzgl. 6,90 € Versand (brutto)
einmalig pro Bestellung

Lieferzeit: 5 Werktage

Pos.
74
BOSCH Gewindefurchschraube | Ersatzteile für GTM 12 JL | 1619PA4376
Hersteller: BOSCH
Artikelnummer: EB-3601M15071-1619PA4376
Netto: 3,63 € zzgl. MwSt.
zzgl. 6,90 € Versand (brutto)
einmalig pro Bestellung

Lieferzeit: 5 Werktage

Pos.
75
BOSCH Knopf | Ersatzteile für GTM 12 JL | 1619PA4377
Hersteller: BOSCH
Artikelnummer: EB-3601M15071-1619PA4377
Netto: 3,94 € zzgl. MwSt.
zzgl. 6,90 € Versand (brutto)
einmalig pro Bestellung

Lieferzeit: 5 Werktage

Pos.
79
BOSCH Vorlegscheibe | Ersatzteile für GTM 12 JL | 1619PA4381
Hersteller: BOSCH
Artikelnummer: EB-3601M15071-1619PA4381
Netto: 3,63 € zzgl. MwSt.
zzgl. 6,90 € Versand (brutto)
einmalig pro Bestellung

Lieferzeit: 5 Werktage

Pos.
80
BOSCH Luftleitring | Ersatzteile für GTM 12 JL | 1619PA4382
Hersteller: BOSCH
Artikelnummer: EB-3601M15071-1619PA4382
Netto: 5,19 € zzgl. MwSt.
zzgl. 6,90 € Versand (brutto)
einmalig pro Bestellung

Lieferzeit: 5 Werktage

Pos.
82
BOSCH Gewindefurchschraube | Ersatzteile für GTM 12 JL | 1619PA4384
Hersteller: BOSCH
Artikelnummer: EB-3601M15071-1619PA4384
Netto: 3,63 € zzgl. MwSt.
zzgl. 6,90 € Versand (brutto)
einmalig pro Bestellung

Lieferzeit: 5 Werktage

Pos.
83
BOSCH Linse | Ersatzteile für GTM 12 JL | 1619PA8122
Hersteller: BOSCH
Artikelnummer: EB-3601M15071-1619PA8122
Netto: 3,94 € zzgl. MwSt.
zzgl. 6,90 € Versand (brutto)
einmalig pro Bestellung

Lieferzeit: 5 Werktage

Pos.
84
BOSCH Vorlegscheibe | Ersatzteile für GTM 12 JL | 1619PA4385
Hersteller: BOSCH
Artikelnummer: EB-3601M15071-1619PA4385
Netto: 3,63 € zzgl. MwSt.
zzgl. 6,90 € Versand (brutto)
einmalig pro Bestellung

Lieferzeit: 5 Werktage

Pos.
85
BOSCH Gewindefurchschraube | Ersatzteile für GTM 12 JL | 1619PA4386
Hersteller: BOSCH
Artikelnummer: EB-3601M15071-1619PA4386
Netto: 3,63 € zzgl. MwSt.
zzgl. 6,90 € Versand (brutto)
einmalig pro Bestellung

Lieferzeit: 5 Werktage

Pos.
86
BOSCH Bürstendeckel | Ersatzteile für GTM 12 JL | 1619PA4387
Hersteller: BOSCH
Artikelnummer: EB-3601M15071-1619PA4387
Netto: 3,63 € zzgl. MwSt.
zzgl. 6,90 € Versand (brutto)
einmalig pro Bestellung

Lieferzeit: 5 Werktage

Pos.
88
BOSCH Gerätegehäuse | Ersatzteile für GTM 12 JL | 1619PA4389
Hersteller: BOSCH
Artikelnummer: EB-3601M15071-1619PA4389
Netto: 5,19 € zzgl. MwSt.
zzgl. 6,90 € Versand (brutto)
einmalig pro Bestellung

Lieferzeit: 5 Werktage

Pos.
89
BOSCH Gewindefurchschraube | Ersatzteile für GTM 12 JL | 1619PA4390
Hersteller: BOSCH
Artikelnummer: EB-3601M15071-1619PA4390
Netto: 3,63 € zzgl. MwSt.
zzgl. 6,90 € Versand (brutto)
einmalig pro Bestellung

Lieferzeit: 5 Werktage

Pos.
90
BOSCH Gewindefurchschraube | Ersatzteile für GTM 12 JL | 1619PA4391
Hersteller: BOSCH
Artikelnummer: EB-3601M15071-1619PA4391
Netto: 4,32 € zzgl. MwSt.
zzgl. 6,90 € Versand (brutto)
einmalig pro Bestellung

Lieferzeit: 5 Werktage

Pos.
91
BOSCH Blindabdeckung | Ersatzteile für GTM 12 JL | 1619PA4392
Hersteller: BOSCH
Artikelnummer: EB-3601M15071-1619PA4392
Netto: 10,92 € zzgl. MwSt.
zzgl. 6,90 € Versand (brutto)
einmalig pro Bestellung

Lieferzeit: 5 Werktage

Pos.
92
BOSCH Henkel | Ersatzteile für GTM 12 JL | 1619PA4393
Hersteller: BOSCH
Artikelnummer: EB-3601M15071-1619PA4393
Netto: 47,09 € zzgl. MwSt.
zzgl. 6,90 € Versand (brutto)
einmalig pro Bestellung

Lieferzeit: 5 Werktage

Pos.
93
BOSCH Teller | Ersatzteile für GTM 12 JL | 1619PA4394
Hersteller: BOSCH
Artikelnummer: EB-3601M15071-1619PA4394
Netto: 3,63 € zzgl. MwSt.
zzgl. 6,90 € Versand (brutto)
einmalig pro Bestellung

Lieferzeit: 5 Werktage

Pos.
94
BOSCH Gewindefurchschraube | Ersatzteile für GTM 12 JL | 1619PA4395
Hersteller: BOSCH
Artikelnummer: EB-3601M15071-1619PA4395
Netto: 3,63 € zzgl. MwSt.
zzgl. 6,90 € Versand (brutto)
einmalig pro Bestellung

Lieferzeit: 5 Werktage

Pos.
95
BOSCH Gewindefurchschraube | Ersatzteile für GTM 12 JL | 1619PA4396
Hersteller: BOSCH
Artikelnummer: EB-3601M15071-1619PA4396
Netto: 3,63 € zzgl. MwSt.
zzgl. 6,90 € Versand (brutto)
einmalig pro Bestellung

Lieferzeit: 5 Werktage

Pos.
96
BOSCH Gewindefurchschraube | Ersatzteile für GTM 12 JL | 1619PA4397
Hersteller: BOSCH
Artikelnummer: EB-3601M15071-1619PA4397
Netto: 5,19 € zzgl. MwSt.
zzgl. 6,90 € Versand (brutto)
einmalig pro Bestellung

Lieferzeit: 5 Werktage

Pos.
97
BOSCH Gewindefurchschraube | Ersatzteile für GTM 12 JL | 1619PA4398
Hersteller: BOSCH
Artikelnummer: EB-3601M15071-1619PA4398
Netto: 3,63 € zzgl. MwSt.
zzgl. 6,90 € Versand (brutto)
einmalig pro Bestellung

Lieferzeit: 5 Werktage

Pos.
98
BOSCH Gewindefurchschraube | Ersatzteile für GTM 12 JL | 1619PA4399
Hersteller: BOSCH
Artikelnummer: EB-3601M15071-1619PA4399
Netto: 3,63 € zzgl. MwSt.
zzgl. 6,90 € Versand (brutto)
einmalig pro Bestellung

Lieferzeit: 5 Werktage

Pos.
99
BOSCH Gewindefurchschraube | Ersatzteile für GTM 12 JL | 1619PA4400
Hersteller: BOSCH
Artikelnummer: EB-3601M15071-1619PA4400
Netto: 3,63 € zzgl. MwSt.
zzgl. 6,90 € Versand (brutto)
einmalig pro Bestellung

Lieferzeit: 5 Werktage

Pos.
100
BOSCH Henkel | Ersatzteile für GTM 12 JL | 1619PA4401
Hersteller: BOSCH
Artikelnummer: EB-3601M15071-1619PA4401
Netto: 19,18 € zzgl. MwSt.
zzgl. 6,90 € Versand (brutto)
einmalig pro Bestellung

Lieferzeit: 5 Werktage

Pos.
101
BOSCH Blindabdeckung | Ersatzteile für GTM 12 JL | 1619PA4402
Hersteller: BOSCH
Artikelnummer: EB-3601M15071-1619PA4402
Netto: 3,63 € zzgl. MwSt.
zzgl. 6,90 € Versand (brutto)
einmalig pro Bestellung

Lieferzeit: 5 Werktage

Pos.
102
BOSCH Netzschalter | Ersatzteile für GTM 12 JL | 1619P04129
Hersteller: BOSCH
Artikelnummer: EB-3601M15071-1619P04129
Netto: 9,95 € zzgl. MwSt.
zzgl. 6,90 € Versand (brutto)
einmalig pro Bestellung

Lieferzeit: 5 Werktage

Pos.
103
BOSCH Gewindefurchschraube | Ersatzteile für GTM 12 JL | 1619PA4403
Hersteller: BOSCH
Artikelnummer: EB-3601M15071-1619PA4403
Netto: 3,63 € zzgl. MwSt.
zzgl. 6,90 € Versand (brutto)
einmalig pro Bestellung

Lieferzeit: 5 Werktage

Pos.
105
BOSCH Gewindefurchschraube | Ersatzteile für GTM 12 JL | 1619PA4405
Hersteller: BOSCH
Artikelnummer: EB-3601M15071-1619PA4405
Netto: 3,63 € zzgl. MwSt.
zzgl. 6,90 € Versand (brutto)
einmalig pro Bestellung

Lieferzeit: 5 Werktage

Pos.
106
BOSCH Vorlegscheibe | Ersatzteile für GTM 12 JL | 1619PA4406
Hersteller: BOSCH
Artikelnummer: EB-3601M15071-1619PA4406
Netto: 3,63 € zzgl. MwSt.
zzgl. 6,90 € Versand (brutto)
einmalig pro Bestellung

Lieferzeit: 5 Werktage

Pos.
108
BOSCH Nuss | Ersatzteile für GTM 12 JL | 1619PA4408
Hersteller: BOSCH
Artikelnummer: EB-3601M15071-1619PA4408
Netto: 3,63 € zzgl. MwSt.
zzgl. 6,90 € Versand (brutto)
einmalig pro Bestellung

Lieferzeit: 5 Werktage

Pos.
110
BOSCH Gewindefurchschraube | Ersatzteile für GTM 12 JL | 1619PA4410
Hersteller: BOSCH
Artikelnummer: EB-3601M15071-1619PA4410
Netto: 3,63 € zzgl. MwSt.
zzgl. 6,90 € Versand (brutto)
einmalig pro Bestellung

Lieferzeit: 5 Werktage

Pos.
111
BOSCH Teller | Ersatzteile für GTM 12 JL | 1619PA4411
Hersteller: BOSCH
Artikelnummer: EB-3601M15071-1619PA4411
Netto: 10,92 € zzgl. MwSt.
zzgl. 6,90 € Versand (brutto)
einmalig pro Bestellung

Lieferzeit: 5 Werktage

Pos.
112
BOSCH Vorlegscheibe | Ersatzteile für GTM 12 JL | 1619PA4412
Hersteller: BOSCH
Artikelnummer: EB-3601M15071-1619PA4412
Netto: 3,63 € zzgl. MwSt.
zzgl. 6,90 € Versand (brutto)
einmalig pro Bestellung

Lieferzeit: 5 Werktage

Pos.
115
BOSCH Gewindefurchschraube | Ersatzteile für GTM 12 JL | 1619PA4415
Hersteller: BOSCH
Artikelnummer: EB-3601M15071-1619PA4415
Netto: 3,63 € zzgl. MwSt.
zzgl. 6,90 € Versand (brutto)
einmalig pro Bestellung

Lieferzeit: 5 Werktage

Pos.
116
BOSCH Welle | Ersatzteile für GTM 12 JL | 1619PA4416
Hersteller: BOSCH
Artikelnummer: EB-3601M15071-1619PA4416
Netto: 6,15 € zzgl. MwSt.
zzgl. 6,90 € Versand (brutto)
einmalig pro Bestellung

Lieferzeit: 5 Werktage

Pos.
117
BOSCH Teller | Ersatzteile für GTM 12 JL | 1619PA4417
Hersteller: BOSCH
Artikelnummer: EB-3601M15071-1619PA4417
Netto: 15,75 € zzgl. MwSt.
zzgl. 6,90 € Versand (brutto)
einmalig pro Bestellung

Lieferzeit: 5 Werktage

Pos.
119
BOSCH Pin | Ersatzteile für GTM 12 JL | 1619PA4419
Hersteller: BOSCH
Artikelnummer: EB-3601M15071-1619PA4419
Netto: 3,63 € zzgl. MwSt.
zzgl. 6,90 € Versand (brutto)
einmalig pro Bestellung

Lieferzeit: 5 Werktage

Pos.
125
BOSCH Feder | Ersatzteile für GTM 12 JL | 1619PA4425
Hersteller: BOSCH
Artikelnummer: EB-3601M15071-1619PA4425
Netto: 4,32 € zzgl. MwSt.
zzgl. 6,90 € Versand (brutto)
einmalig pro Bestellung

Lieferzeit: 5 Werktage

Pos.
126
BOSCH Welle | Ersatzteile für GTM 12 JL | 1619PA4426
Hersteller: BOSCH
Artikelnummer: EB-3601M15071-1619PA4426
Netto: 6,15 € zzgl. MwSt.
zzgl. 6,90 € Versand (brutto)
einmalig pro Bestellung

Lieferzeit: 102 Werktage

Pos.
131
BOSCH Nuss | Ersatzteile für GTM 12 JL | 1619PA4431
Hersteller: BOSCH
Artikelnummer: EB-3601M15071-1619PA4431
Netto: 3,63 € zzgl. MwSt.
zzgl. 6,90 € Versand (brutto)
einmalig pro Bestellung

Lieferzeit: 5 Werktage

Pos.
132
BOSCH Hebel | Ersatzteile für GTM 12 JL | 1619PA4432
Hersteller: BOSCH
Artikelnummer: EB-3601M15071-1619PA4432
Netto: 3,63 € zzgl. MwSt.
zzgl. 6,90 € Versand (brutto)
einmalig pro Bestellung

Lieferzeit: 5 Werktage

Pos.
133
BOSCH Bolzen | Ersatzteile für GTM 12 JL | 1619PA4433
Hersteller: BOSCH
Artikelnummer: EB-3601M15071-1619PA4433
Netto: 5,19 € zzgl. MwSt.
zzgl. 6,90 € Versand (brutto)
einmalig pro Bestellung

Lieferzeit: 5 Werktage

Pos.
136
BOSCH Gewindefurchschraube | Ersatzteile für GTM 12 JL | 1619PA4436
Hersteller: BOSCH
Artikelnummer: EB-3601M15071-1619PA4436
Netto: 3,94 € zzgl. MwSt.
zzgl. 6,90 € Versand (brutto)
einmalig pro Bestellung

Lieferzeit: 5 Werktage

Pos.
137
BOSCH Blindabdeckung | Ersatzteile für GTM 12 JL | 1619PA4437
Hersteller: BOSCH
Artikelnummer: EB-3601M15071-1619PA4437
Netto: 3,94 € zzgl. MwSt.
zzgl. 6,90 € Versand (brutto)
einmalig pro Bestellung

Lieferzeit: 5 Werktage

Pos.
138
BOSCH Feder | Ersatzteile für GTM 12 JL | 1619PA4438
Hersteller: BOSCH
Artikelnummer: EB-3601M15071-1619PA4438
Netto: 4,32 € zzgl. MwSt.
zzgl. 6,90 € Versand (brutto)
einmalig pro Bestellung

Lieferzeit: 5 Werktage

Pos.
139
BOSCH Gewindefurchschraube | Ersatzteile für GTM 12 JL | 1619PA4439
Hersteller: BOSCH
Artikelnummer: EB-3601M15071-1619PA4439
Netto: 3,63 € zzgl. MwSt.
zzgl. 6,90 € Versand (brutto)
einmalig pro Bestellung

Lieferzeit: 5 Werktage

Pos.
140
BOSCH Gewindefurchschraube | Ersatzteile für GTM 12 JL | 1619PA4440
Hersteller: BOSCH
Artikelnummer: EB-3601M15071-1619PA4440
Netto: 3,63 € zzgl. MwSt.
zzgl. 6,90 € Versand (brutto)
einmalig pro Bestellung

Lieferzeit: 5 Werktage

Pos.
141
BOSCH Blindabdeckung | Ersatzteile für GTM 12 JL | 1619PA4441
Hersteller: BOSCH
Artikelnummer: EB-3601M15071-1619PA4441
Netto: 8,33 € zzgl. MwSt.
zzgl. 6,90 € Versand (brutto)
einmalig pro Bestellung

Lieferzeit: 5 Werktage

Pos.
142
BOSCH Gewindefurchschraube | Ersatzteile für GTM 12 JL | 1619PA4442
Hersteller: BOSCH
Artikelnummer: EB-3601M15071-1619PA4442
Netto: 3,63 € zzgl. MwSt.
zzgl. 6,90 € Versand (brutto)
einmalig pro Bestellung

Lieferzeit: 5 Werktage

Pos.
143
BOSCH Kugellager | Ersatzteile für GTM 12 JL | 1619PA4443
Hersteller: BOSCH
Artikelnummer: EB-3601M15071-1619PA4443
Netto: 6,15 € zzgl. MwSt.
zzgl. 6,90 € Versand (brutto)
einmalig pro Bestellung

Lieferzeit: 5 Werktage

Pos.
144
BOSCH Welle | Ersatzteile für GTM 12 JL | 1619PA4444
Hersteller: BOSCH
Artikelnummer: EB-3601M15071-1619PA4444
nur Informationsartikel
Nie mehr lieferbar
keine Alternativen
Pos.
145
BOSCH Flachkeil | Ersatzteile für GTM 12 JL | 1619PA4445
Hersteller: BOSCH
Artikelnummer: EB-3601M15071-1619PA4445
Netto: 3,63 € zzgl. MwSt.
zzgl. 6,90 € Versand (brutto)
einmalig pro Bestellung

Lieferzeit: 5 Werktage

Pos.
146
BOSCH Sprengring | Ersatzteile für GTM 12 JL | 1619PA4446
Hersteller: BOSCH
Artikelnummer: EB-3601M15071-1619PA4446
Netto: 3,63 € zzgl. MwSt.
zzgl. 6,90 € Versand (brutto)
einmalig pro Bestellung

Lieferzeit: 5 Werktage

Pos.
147
BOSCH Getriebe | Ersatzteile für GTM 12 JL | 1619PA4447
Hersteller: BOSCH
Artikelnummer: EB-3601M15071-1619PA4447
Netto: 24,13 € zzgl. MwSt.
zzgl. 6,90 € Versand (brutto)
einmalig pro Bestellung

Lieferzeit: 5 Werktage

Pos.
148
BOSCH Kugellager | Ersatzteile für GTM 12 JL | 1619PA4448
Hersteller: BOSCH
Artikelnummer: EB-3601M15071-1619PA4448
Netto: 7,30 € zzgl. MwSt.
zzgl. 6,90 € Versand (brutto)
einmalig pro Bestellung

Lieferzeit: 5 Werktage

Pos.
153
BOSCH Blindabdeckung | Ersatzteile für GTM 12 JL | 1619PA4453
Hersteller: BOSCH
Artikelnummer: EB-3601M15071-1619PA4453
Netto: 3,63 € zzgl. MwSt.
zzgl. 6,90 € Versand (brutto)
einmalig pro Bestellung

Lieferzeit: 5 Werktage

Pos.
154
BOSCH Gewindefurchschraube | Ersatzteile für GTM 12 JL | 1619PA4454
Hersteller: BOSCH
Artikelnummer: EB-3601M15071-1619PA4454
Netto: 3,63 € zzgl. MwSt.
zzgl. 6,90 € Versand (brutto)
einmalig pro Bestellung

Lieferzeit: 5 Werktage

Pos.
155
BOSCH Knopfgriff | Ersatzteile für GTM 12 JL | 1619PA4455
Hersteller: BOSCH
Artikelnummer: EB-3601M15071-1619PA4455
Netto: 3,94 € zzgl. MwSt.
zzgl. 6,90 € Versand (brutto)
einmalig pro Bestellung

Lieferzeit: 5 Werktage

Pos.
156
BOSCH Feder | Ersatzteile für GTM 12 JL | 1619PA4456
Hersteller: BOSCH
Artikelnummer: EB-3601M15071-1619PA4456
Netto: 3,63 € zzgl. MwSt.
zzgl. 6,90 € Versand (brutto)
einmalig pro Bestellung

Lieferzeit: 5 Werktage

Pos.
157
BOSCH Nuss | Ersatzteile für GTM 12 JL | 1619PA4457
Hersteller: BOSCH
Artikelnummer: EB-3601M15071-1619PA4457
Netto: 3,63 € zzgl. MwSt.
zzgl. 6,90 € Versand (brutto)
einmalig pro Bestellung

Lieferzeit: 5 Werktage

Pos.
158
BOSCH Bolzen | Ersatzteile für GTM 12 JL | 1619PA4458
Hersteller: BOSCH
Artikelnummer: EB-3601M15071-1619PA4458
Netto: 4,32 € zzgl. MwSt.
zzgl. 6,90 € Versand (brutto)
einmalig pro Bestellung

Lieferzeit: 5 Werktage

Pos.
159
BOSCH Vorlegscheibe | Ersatzteile für GTM 12 JL | 1619PA4459
Hersteller: BOSCH
Artikelnummer: EB-3601M15071-1619PA4459
Netto: 3,63 € zzgl. MwSt.
zzgl. 6,90 € Versand (brutto)
einmalig pro Bestellung

Lieferzeit: 5 Werktage

Pos.
160
BOSCH Nuss | Ersatzteile für GTM 12 JL | 1619PA4460
Hersteller: BOSCH
Artikelnummer: EB-3601M15071-1619PA4460
Netto: 3,94 € zzgl. MwSt.
zzgl. 6,90 € Versand (brutto)
einmalig pro Bestellung

Lieferzeit: 5 Werktage

Pos.
161
BOSCH Welle | Ersatzteile für GTM 12 JL | 1619PA4461
Hersteller: BOSCH
Artikelnummer: EB-3601M15071-1619PA4461
Netto: 4,33 € zzgl. MwSt.
zzgl. 6,90 € Versand (brutto)
einmalig pro Bestellung

Lieferzeit: 5 Werktage

Pos.
162
BOSCH Knopfgriff | Ersatzteile für GTM 12 JL | 1619PA4462
Hersteller: BOSCH
Artikelnummer: EB-3601M15071-1619PA4462
Netto: 3,94 € zzgl. MwSt.
zzgl. 6,90 € Versand (brutto)
einmalig pro Bestellung

Lieferzeit: 5 Werktage

Pos.
163
BOSCH O-Ring | Ersatzteile für GTM 12 JL | 1619PA4463
Hersteller: BOSCH
Artikelnummer: EB-3601M15071-1619PA4463
Netto: 3,63 € zzgl. MwSt.
zzgl. 6,90 € Versand (brutto)
einmalig pro Bestellung

Lieferzeit: 5 Werktage

Pos.
164
BOSCH Pin | Ersatzteile für GTM 12 JL | 1619PA4464
Hersteller: BOSCH
Artikelnummer: EB-3601M15071-1619PA4464
Netto: 5,19 € zzgl. MwSt.
zzgl. 6,90 € Versand (brutto)
einmalig pro Bestellung

Lieferzeit: 5 Werktage

Pos.
165
BOSCH Vorlegscheibe | Ersatzteile für GTM 12 JL | 1619PA4465
Hersteller: BOSCH
Artikelnummer: EB-3601M15071-1619PA4465
Netto: 3,63 € zzgl. MwSt.
zzgl. 6,90 € Versand (brutto)
einmalig pro Bestellung

Lieferzeit: 5 Werktage

Pos.
166
BOSCH Nuss | Ersatzteile für GTM 12 JL | 1619PA4466
Hersteller: BOSCH
Artikelnummer: EB-3601M15071-1619PA4466
Netto: 3,94 € zzgl. MwSt.
zzgl. 6,90 € Versand (brutto)
einmalig pro Bestellung

Lieferzeit: 5 Werktage

Pos.
167
BOSCH Bolzen | Ersatzteile für GTM 12 JL | 1619PA4467
Hersteller: BOSCH
Artikelnummer: EB-3601M15071-1619PA4467
Netto: 3,63 € zzgl. MwSt.
zzgl. 6,90 € Versand (brutto)
einmalig pro Bestellung

Lieferzeit: 5 Werktage

Pos.
168
BOSCH Teller | Ersatzteile für GTM 12 JL | 1619PA4468
Hersteller: BOSCH
Artikelnummer: EB-3601M15071-1619PA4468
Netto: 7,30 € zzgl. MwSt.
zzgl. 6,90 € Versand (brutto)
einmalig pro Bestellung

Lieferzeit: 63 Werktage

Pos.
169
BOSCH Schutz | Ersatzteile für GTM 12 JL | 1619PA4469
Hersteller: BOSCH
Artikelnummer: EB-3601M15071-1619PA4469
Netto: 9,95 € zzgl. MwSt.
zzgl. 6,90 € Versand (brutto)
einmalig pro Bestellung

Lieferzeit: 63 Werktage

Pos.
171
BOSCH Haltearm | Ersatzteile für GTM 12 JL | 1619PA4470
Hersteller: BOSCH
Artikelnummer: EB-3601M15071-1619PA4470
Netto: 52,14 € zzgl. MwSt.
zzgl. 6,90 € Versand (brutto)
einmalig pro Bestellung

Lieferzeit: 5 Werktage

Pos.
172
BOSCH Feder | Ersatzteile für GTM 12 JL | 1619PA4471
Hersteller: BOSCH
Artikelnummer: EB-3601M15071-1619PA4471
Netto: 24,13 € zzgl. MwSt.
zzgl. 6,90 € Versand (brutto)
einmalig pro Bestellung

Lieferzeit: 5 Werktage

Pos.
173
BOSCH Spannbuchse | Ersatzteile für GTM 12 JL | 1619PA4472
Hersteller: BOSCH
Artikelnummer: EB-3601M15071-1619PA4472
Netto: 5,67 € zzgl. MwSt.
zzgl. 6,90 € Versand (brutto)
einmalig pro Bestellung

Lieferzeit: 5 Werktage

Pos.
174
BOSCH Welle | Ersatzteile für GTM 12 JL | 1619PA4473
Hersteller: BOSCH
Artikelnummer: EB-3601M15071-1619PA4473
Netto: 8,33 € zzgl. MwSt.
zzgl. 6,90 € Versand (brutto)
einmalig pro Bestellung

Lieferzeit: 5 Werktage

Pos.
175
BOSCH Gleitschieber | Ersatzteile für GTM 12 JL | 1619PA4474
Hersteller: BOSCH
Artikelnummer: EB-3601M15071-1619PA4474
Netto: 26,88 € zzgl. MwSt.
zzgl. 6,90 € Versand (brutto)
einmalig pro Bestellung

Lieferzeit: 5 Werktage

Pos.
176
BOSCH Vorlegscheibe | Ersatzteile für GTM 12 JL | 1619PA4475
Hersteller: BOSCH
Artikelnummer: EB-3601M15071-1619PA4475
Netto: 3,63 € zzgl. MwSt.
zzgl. 6,90 € Versand (brutto)
einmalig pro Bestellung

Lieferzeit: 5 Werktage

Pos.
177
BOSCH Bolzen | Ersatzteile für GTM 12 JL | 1619PA4476
Hersteller: BOSCH
Artikelnummer: EB-3601M15071-1619PA4476
Netto: 3,63 € zzgl. MwSt.
zzgl. 6,90 € Versand (brutto)
einmalig pro Bestellung

Lieferzeit: 5 Werktage

Pos.
178
BOSCH Schlüsselsatz | Ersatzteile für GTM 12 JL | 1619PA4477
Hersteller: BOSCH
Artikelnummer: EB-3601M15071-1619PA4477
Netto: 3,63 € zzgl. MwSt.
zzgl. 6,90 € Versand (brutto)
einmalig pro Bestellung

Lieferzeit: 5 Werktage

Pos.
179
BOSCH Schüssel | Ersatzteile für GTM 12 JL | 1619PA4478
Hersteller: BOSCH
Artikelnummer: EB-3601M15071-1619PA4478
Netto: 4,32 € zzgl. MwSt.
zzgl. 6,90 € Versand (brutto)
einmalig pro Bestellung

Lieferzeit: 5 Werktage

Pos.
180
BOSCH Träger | Ersatzteile für GTM 12 JL | 1619PA4479
Hersteller: BOSCH
Artikelnummer: EB-3601M15071-1619PA4479
Netto: 8,33 € zzgl. MwSt.
zzgl. 6,90 € Versand (brutto)
einmalig pro Bestellung

Lieferzeit: 5 Werktage

Pos.
181
BOSCH Vorlegscheibe | Ersatzteile für GTM 12 JL | 1619PA4480
Hersteller: BOSCH
Artikelnummer: EB-3601M15071-1619PA4480
Netto: 4,53 € zzgl. MwSt.
zzgl. 6,90 € Versand (brutto)
einmalig pro Bestellung

Lieferzeit: 5 Werktage

Pos.
182
BOSCH Zeiger | Ersatzteile für GTM 12 JL | 1619PA4481
Hersteller: BOSCH
Artikelnummer: EB-3601M15071-1619PA4481
Netto: 3,63 € zzgl. MwSt.
zzgl. 6,90 € Versand (brutto)
einmalig pro Bestellung

Lieferzeit: 5 Werktage

Pos.
183
BOSCH Bolzen | Ersatzteile für GTM 12 JL | 1619PA4482
Hersteller: BOSCH
Artikelnummer: EB-3601M15071-1619PA4482
Netto: 3,59 € zzgl. MwSt.
zzgl. 6,90 € Versand (brutto)
einmalig pro Bestellung

Lieferzeit: 5 Werktage

Pos.
184
BOSCH Gewindestift | Ersatzteile für GTM 12 JL | 1619PA4483
Hersteller: BOSCH
Artikelnummer: EB-3601M15071-1619PA4483
Netto: 3,63 € zzgl. MwSt.
zzgl. 6,90 € Versand (brutto)
einmalig pro Bestellung

Lieferzeit: 5 Werktage

Pos.
185
BOSCH None | Ersatzteile für GTM 12 JL | 1619PA4484
Hersteller: BOSCH
Artikelnummer: EB-3601M15071-1619PA4484
Netto: 3,92 € zzgl. MwSt.
zzgl. 6,90 € Versand (brutto)
einmalig pro Bestellung

Lieferzeit: 5 Werktage

Pos.
186
BOSCH Gewindefurchschraube | Ersatzteile für GTM 12 JL | 1619PA4485
Hersteller: BOSCH
Artikelnummer: EB-3601M15071-1619PA4485
Netto: 3,63 € zzgl. MwSt.
zzgl. 6,90 € Versand (brutto)
einmalig pro Bestellung

Lieferzeit: 5 Werktage

Pos.
187
BOSCH Einhaengeblech | Ersatzteile für GTM 12 JL | 1619PA4167
Hersteller: BOSCH
Artikelnummer: EB-3601M15071-1619PA4167
Netto: 5,19 € zzgl. MwSt.
zzgl. 6,90 € Versand (brutto)
einmalig pro Bestellung

Lieferzeit: 5 Werktage

Pos.
189
BOSCH Knopf | Ersatzteile für GTM 12 JL | 1619PA4486
Hersteller: BOSCH
Artikelnummer: EB-3601M15071-1619PA4486
Netto: 4,32 € zzgl. MwSt.
zzgl. 6,90 € Versand (brutto)
einmalig pro Bestellung

Lieferzeit: 5 Werktage

Pos.
190
BOSCH Gewindefurchschraube | Ersatzteile für GTM 12 JL | 1619PA4487
Hersteller: BOSCH
Artikelnummer: EB-3601M15071-1619PA4487
Netto: 3,94 € zzgl. MwSt.
zzgl. 6,90 € Versand (brutto)
einmalig pro Bestellung

Lieferzeit: 5 Werktage

Pos.
192
BOSCH Bolzen | Ersatzteile für GTM 12 JL | 1619PA4489
Hersteller: BOSCH
Artikelnummer: EB-3601M15071-1619PA4489
Netto: 3,63 € zzgl. MwSt.
zzgl. 6,90 € Versand (brutto)
einmalig pro Bestellung

Lieferzeit: 5 Werktage

Pos.
193
BOSCH Mutter | Ersatzteile für GTM 12 JL | 1619PA4490
Hersteller: BOSCH
Artikelnummer: EB-3601M15071-1619PA4490
Netto: 3,63 € zzgl. MwSt.
zzgl. 6,90 € Versand (brutto)
einmalig pro Bestellung

Lieferzeit: 5 Werktage

Pos.
194
BOSCH Tisch | Ersatzteile für GTM 12 JL | 1619PA4491
Hersteller: BOSCH
Artikelnummer: EB-3601M15071-1619PA4491
Netto: 77,60 € zzgl. MwSt.
zzgl. 6,90 € Versand (brutto)
einmalig pro Bestellung

Lieferzeit: 5 Werktage

Pos.
195
BOSCH Mutter | Ersatzteile für GTM 12 JL | 1619PA4492
Hersteller: BOSCH
Artikelnummer: EB-3601M15071-1619PA4492
Netto: 3,63 € zzgl. MwSt.
zzgl. 6,90 € Versand (brutto)
einmalig pro Bestellung

Lieferzeit: 5 Werktage

Pos.
196
BOSCH Befestigung | Ersatzteile für GTM 12 JL | 1619PA4493
Hersteller: BOSCH
Artikelnummer: EB-3601M15071-1619PA4493
Netto: 4,32 € zzgl. MwSt.
zzgl. 6,90 € Versand (brutto)
einmalig pro Bestellung

Lieferzeit: 5 Werktage

Pos.
197
BOSCH Blech | Ersatzteile für GTM 12 JL | 1619PA4494
Hersteller: BOSCH
Artikelnummer: EB-3601M15071-1619PA4494
Netto: 3,63 € zzgl. MwSt.
zzgl. 6,90 € Versand (brutto)
einmalig pro Bestellung

Lieferzeit: 5 Werktage

Pos.
199
BOSCH Gewindefurchschraube | Ersatzteile für GTM 12 JL | 1619PA4496
Hersteller: BOSCH
Artikelnummer: EB-3601M15071-1619PA4496
Netto: 3,63 € zzgl. MwSt.
zzgl. 6,90 € Versand (brutto)
einmalig pro Bestellung

Lieferzeit: 5 Werktage

Pos.
201
BOSCH Knopf | Ersatzteile für GTM 12 JL | 1619PA4498
Hersteller: BOSCH
Artikelnummer: EB-3601M15071-1619PA4498
Netto: 6,70 € zzgl. MwSt.
zzgl. 6,90 € Versand (brutto)
einmalig pro Bestellung

Lieferzeit: 5 Werktage

Pos.
203
BOSCH Gewindefurchschraube | Ersatzteile für GTM 12 JL | 1619PA4500
Hersteller: BOSCH
Artikelnummer: EB-3601M15071-1619PA4500
Netto: 3,63 € zzgl. MwSt.
zzgl. 6,90 € Versand (brutto)
einmalig pro Bestellung

Lieferzeit: 5 Werktage

Pos.
204
BOSCH Vorlegscheibe | Ersatzteile für GTM 12 JL | 1619PA4501
Hersteller: BOSCH
Artikelnummer: EB-3601M15071-1619PA4501
Netto: 3,63 € zzgl. MwSt.
zzgl. 6,90 € Versand (brutto)
einmalig pro Bestellung

Lieferzeit: 5 Werktage

Pos.
205
BOSCH Warnzettel | Ersatzteile für GTM 12 JL | 1619PA4502
Hersteller: BOSCH
Artikelnummer: EB-3601M15071-1619PA4502
Netto: 3,63 € zzgl. MwSt.
zzgl. 6,90 € Versand (brutto)
einmalig pro Bestellung

Lieferzeit: 5 Werktage

Pos.
206
BOSCH Grundplatte | Ersatzteile für GTM 12 JL | 1619PA4503
Hersteller: BOSCH
Artikelnummer: EB-3601M15071-1619PA4503
Netto: 121,18 € zzgl. MwSt.
zzgl. 6,90 € Versand (brutto)
einmalig pro Bestellung

Lieferzeit: 5 Werktage

Pos.
207
BOSCH Teller | Ersatzteile für GTM 12 JL | 1619PA4504
Hersteller: BOSCH
Artikelnummer: EB-3601M15071-1619PA4504
Netto: 4,53 € zzgl. MwSt.
zzgl. 6,90 € Versand (brutto)
einmalig pro Bestellung

Lieferzeit: 5 Werktage

Pos.
208
BOSCH Bolzen | Ersatzteile für GTM 12 JL | 1619PA4505
Hersteller: BOSCH
Artikelnummer: EB-3601M15071-1619PA4505
Netto: 3,63 € zzgl. MwSt.
zzgl. 6,90 € Versand (brutto)
einmalig pro Bestellung

Lieferzeit: 5 Werktage

Pos.
209
BOSCH Kissen | Ersatzteile für GTM 12 JL | 1619PA4506
Hersteller: BOSCH
Artikelnummer: EB-3601M15071-1619PA4506
Netto: 4,32 € zzgl. MwSt.
zzgl. 6,90 € Versand (brutto)
einmalig pro Bestellung

Lieferzeit: 5 Werktage

Pos.
210
BOSCH Nuss | Ersatzteile für GTM 12 JL | 1619PA4507
Hersteller: BOSCH
Artikelnummer: EB-3601M15071-1619PA4507
Netto: 3,59 € zzgl. MwSt.
zzgl. 6,90 € Versand (brutto)
einmalig pro Bestellung

Lieferzeit: 5 Werktage

Pos.
211
BOSCH Teller | Ersatzteile für GTM 12 JL | 1619PA4508
Hersteller: BOSCH
Artikelnummer: EB-3601M15071-1619PA4508
Netto: 3,59 € zzgl. MwSt.
zzgl. 6,90 € Versand (brutto)
einmalig pro Bestellung

Lieferzeit: 5 Werktage

Pos.
213
BOSCH Knopfgriff | Ersatzteile für GTM 12 JL | 1619PA4510
Hersteller: BOSCH
Artikelnummer: EB-3601M15071-1619PA4510
Netto: 3,94 € zzgl. MwSt.
zzgl. 6,90 € Versand (brutto)
einmalig pro Bestellung

Lieferzeit: 5 Werktage

Pos.
217
BOSCH Spannstück | Ersatzteile für GTM 12 JL | 1619PA4514
Hersteller: BOSCH
Artikelnummer: EB-3601M15071-1619PA4514
Netto: 3,63 € zzgl. MwSt.
zzgl. 6,90 € Versand (brutto)
einmalig pro Bestellung

Lieferzeit: 5 Werktage

Pos.
222
BOSCH Anschlagplatte | Ersatzteile für GTM 12 JL | 1619PA4519
Hersteller: BOSCH
Artikelnummer: EB-3601M15071-1619PA4519
Netto: 4,53 € zzgl. MwSt.
zzgl. 6,90 € Versand (brutto)
einmalig pro Bestellung

Lieferzeit: 5 Werktage

Pos.
253
BOSCH Werkstückschieber | Ersatzteile für GTM 12 JL | 1619PA4549
Hersteller: BOSCH
Artikelnummer: EB-3601M15071-1619PA4549
Netto: 9,18 € zzgl. MwSt.
zzgl. 6,90 € Versand (brutto)
einmalig pro Bestellung

Lieferzeit: 5 Werktage

Pos.
265
BOSCH Feder | Ersatzteile für GTM 12 JL | 1619PA4561
Hersteller: BOSCH
Artikelnummer: EB-3601M15071-1619PA4561
Netto: 3,63 € zzgl. MwSt.
zzgl. 6,90 € Versand (brutto)
einmalig pro Bestellung

Lieferzeit: 5 Werktage

Pos.
266
BOSCH Stange GB/T823-1988 | Ersatzteile für GTM 12 JL | 1619PA4562
Hersteller: BOSCH
Artikelnummer: EB-3601M15071-1619PA4562
Netto: 3,59 € zzgl. MwSt.
zzgl. 6,90 € Versand (brutto)
einmalig pro Bestellung

Lieferzeit: 5 Werktage

Pos.
267
BOSCH Scheibe | Ersatzteile für GTM 12 JL | 1619PA4563
Hersteller: BOSCH
Artikelnummer: EB-3601M15071-1619PA4563
Netto: 3,63 € zzgl. MwSt.
zzgl. 6,90 € Versand (brutto)
einmalig pro Bestellung

Lieferzeit: 5 Werktage

Pos.
268
BOSCH Gewindefurchschraube | Ersatzteile für GTM 12 JL | 1619PA4564
Hersteller: BOSCH
Artikelnummer: EB-3601M15071-1619PA4564
Netto: 3,63 € zzgl. MwSt.
zzgl. 6,90 € Versand (brutto)
einmalig pro Bestellung

Lieferzeit: 5 Werktage

Pos.
270
BOSCH Vorlegscheibe | Ersatzteile für GTM 12 JL | 1619PA4566
Hersteller: BOSCH
Artikelnummer: EB-3601M15071-1619PA4566
Netto: 3,63 € zzgl. MwSt.
zzgl. 6,90 € Versand (brutto)
einmalig pro Bestellung

Lieferzeit: 5 Werktage

Pos.
271
BOSCH Gewindefurchschraube | Ersatzteile für GTM 12 JL | 1619PA4567
Hersteller: BOSCH
Artikelnummer: EB-3601M15071-1619PA4567
Netto: 3,63 € zzgl. MwSt.
zzgl. 6,90 € Versand (brutto)
einmalig pro Bestellung

Lieferzeit: 5 Werktage

Pos.
272
BOSCH Gewindefurchschraube | Ersatzteile für GTM 12 JL | 1619PA4568
Hersteller: BOSCH
Artikelnummer: EB-3601M15071-1619PA4568
Netto: 3,63 € zzgl. MwSt.
zzgl. 6,90 € Versand (brutto)
einmalig pro Bestellung

Lieferzeit: 5 Werktage

Pos.
273
BOSCH Scheibe | Ersatzteile für GTM 12 JL | 1619PA4569
Hersteller: BOSCH
Artikelnummer: EB-3601M15071-1619PA4569
Netto: 3,63 € zzgl. MwSt.
zzgl. 6,90 € Versand (brutto)
einmalig pro Bestellung

Lieferzeit: 5 Werktage

Pos.
275
BOSCH Abdeckung | Ersatzteile für GTM 12 JL | 1619PA4571
Hersteller: BOSCH
Artikelnummer: EB-3601M15071-1619PA4571
Netto: 3,94 € zzgl. MwSt.
zzgl. 6,90 € Versand (brutto)
einmalig pro Bestellung

Lieferzeit: 5 Werktage

Pos.
276
BOSCH Gewindefurchschraube | Ersatzteile für GTM 12 JL | 1619PA4572
Hersteller: BOSCH
Artikelnummer: EB-3601M15071-1619PA4572
Netto: 3,63 € zzgl. MwSt.
zzgl. 6,90 € Versand (brutto)
einmalig pro Bestellung

Lieferzeit: 5 Werktage

Pos.
279
BOSCH Blindabdeckung | Ersatzteile für GTM 12 JL | 1619PA4575
Hersteller: BOSCH
Artikelnummer: EB-3601M15071-1619PA4575
Netto: 3,59 € zzgl. MwSt.
zzgl. 6,90 € Versand (brutto)
einmalig pro Bestellung

Lieferzeit: 5 Werktage

Pos.
280
BOSCH Lagerbuchse | Ersatzteile für GTM 12 JL | 1619PA4576
Hersteller: BOSCH
Artikelnummer: EB-3601M15071-1619PA4576
Netto: 24,13 € zzgl. MwSt.
zzgl. 6,90 € Versand (brutto)
einmalig pro Bestellung

Lieferzeit: 5 Werktage

Pos.
281
BOSCH O-Ring | Ersatzteile für GTM 12 JL | 1619PA4577
Hersteller: BOSCH
Artikelnummer: EB-3601M15071-1619PA4577
Netto: 3,63 € zzgl. MwSt.
zzgl. 6,90 € Versand (brutto)
einmalig pro Bestellung

Lieferzeit: 5 Werktage

Pos.
285
BOSCH Verschlussstopfen | Ersatzteile für GTM 12 JL | 1619PA4581
Hersteller: BOSCH
Artikelnummer: EB-3601M15071-1619PA4581
Netto: 3,63 € zzgl. MwSt.
zzgl. 6,90 € Versand (brutto)
einmalig pro Bestellung

Lieferzeit: 5 Werktage

Pos.
287
BOSCH Leiterplatte Bestückt | Ersatzteile für GTM 12 JL | 1619PA3508
Hersteller: BOSCH
Artikelnummer: EB-3601M15071-1619PA3508
Netto: 32,74 € zzgl. MwSt.
zzgl. 6,90 € Versand (brutto)
einmalig pro Bestellung

Lieferzeit: 5 Werktage

Pos.
290
BOSCH Pin | Ersatzteile für GTM 12 JL | 1619PA4585
Hersteller: BOSCH
Artikelnummer: EB-3601M15071-1619PA4585
Netto: 3,94 € zzgl. MwSt.
zzgl. 6,90 € Versand (brutto)
einmalig pro Bestellung

Lieferzeit: 5 Werktage

Pos.
291
BOSCH Gewindefurchschraube | Ersatzteile für GTM 12 JL | 1619PA4586
Hersteller: BOSCH
Artikelnummer: EB-3601M15071-1619PA4586
Netto: 3,63 € zzgl. MwSt.
zzgl. 6,90 € Versand (brutto)
einmalig pro Bestellung

Lieferzeit: 5 Werktage

Pos.
292
BOSCH Knopfgriff | Ersatzteile für GTM 12 JL | 1619PA4587
Hersteller: BOSCH
Artikelnummer: EB-3601M15071-1619PA4587
Netto: 4,82 € zzgl. MwSt.
zzgl. 6,90 € Versand (brutto)
einmalig pro Bestellung

Lieferzeit: 5 Werktage

Pos.
295
BOSCH Nuss | Ersatzteile für GTM 12 JL | 1619PA4590
Hersteller: BOSCH
Artikelnummer: EB-3601M15071-1619PA4590
Netto: 3,63 € zzgl. MwSt.
zzgl. 6,90 € Versand (brutto)
einmalig pro Bestellung

Lieferzeit: 5 Werktage

Pos.
296
BOSCH Gewindefurchschraube | Ersatzteile für GTM 12 JL | 1619PA4591
Hersteller: BOSCH
Artikelnummer: EB-3601M15071-1619PA4591
Netto: 3,63 € zzgl. MwSt.
zzgl. 6,90 € Versand (brutto)
einmalig pro Bestellung

Lieferzeit: 5 Werktage

Pos.
297
BOSCH Scheibe | Ersatzteile für GTM 12 JL | 1619PA4592
Hersteller: BOSCH
Artikelnummer: EB-3601M15071-1619PA4592
Netto: 3,63 € zzgl. MwSt.
zzgl. 6,90 € Versand (brutto)
einmalig pro Bestellung

Lieferzeit: 5 Werktage

Pos.
298
BOSCH Schraube | Ersatzteile für GTM 12 JL | 1619PA8157
Hersteller: BOSCH
Artikelnummer: EB-3601M15071-1619PA8157
Netto: 3,63 € zzgl. MwSt.
zzgl. 6,90 € Versand (brutto)
einmalig pro Bestellung

Lieferzeit: 5 Werktage

Pos.
302
BOSCH Elektr Leitung | Ersatzteile für GTM 12 JL | 1619PA4765
Hersteller: BOSCH
Artikelnummer: EB-3601M15071-1619PA4765
Netto: 7,76 € zzgl. MwSt.
zzgl. 6,90 € Versand (brutto)
einmalig pro Bestellung

Lieferzeit: 5 Werktage

Pos.
303
BOSCH Elektr Leitung | Ersatzteile für GTM 12 JL | 1619PA4766
Hersteller: BOSCH
Artikelnummer: EB-3601M15071-1619PA4766
Netto: 3,59 € zzgl. MwSt.
zzgl. 6,90 € Versand (brutto)
einmalig pro Bestellung

Lieferzeit: 5 Werktage

Pos.
304
BOSCH Warnzettel | Ersatzteile für GTM 12 JL | 1619PA4763
Hersteller: BOSCH
Artikelnummer: EB-3601M15071-1619PA4763
Netto: 3,59 € zzgl. MwSt.
zzgl. 6,90 € Versand (brutto)
einmalig pro Bestellung

Lieferzeit: 5 Werktage

Pos.
305
BOSCH O-Ring | Ersatzteile für GTM 12 JL | 1619PA4916
Hersteller: BOSCH
Artikelnummer: EB-3601M15071-1619PA4916
Netto: 3,63 € zzgl. MwSt.
zzgl. 6,90 € Versand (brutto)
einmalig pro Bestellung

Lieferzeit: 5 Werktage

Pos.
306
BOSCH Kabel BLAU | Ersatzteile für GTM 12 JL | 1619PA6340
Hersteller: BOSCH
Artikelnummer: EB-3601M15071-1619PA6340
Netto: 3,94 € zzgl. MwSt.
zzgl. 6,90 € Versand (brutto)
einmalig pro Bestellung

Lieferzeit: 5 Werktage

Pos.
307
BOSCH Kabel SCHWARZ | Ersatzteile für GTM 12 JL | 1619PA6341
Hersteller: BOSCH
Artikelnummer: EB-3601M15071-1619PA6341
Netto: 4,33 € zzgl. MwSt.
zzgl. 6,90 € Versand (brutto)
einmalig pro Bestellung

Lieferzeit: 5 Werktage

Pos.
308
BOSCH Verbinder | Ersatzteile für GTM 12 JL | 2610911933
Hersteller: BOSCH
Artikelnummer: EB-3601M15071-2610911933
Netto: 3,63 € zzgl. MwSt.
zzgl. 6,90 € Versand (brutto)
einmalig pro Bestellung

Lieferzeit: 5 Werktage

Pos.
309
BOSCH Befestigungsschelle | Ersatzteile für GTM 12 JL | 1609902275
Hersteller: BOSCH
Artikelnummer: EB-3601M15071-1609902275
Netto: 3,63 € zzgl. MwSt.
zzgl. 6,90 € Versand (brutto)
einmalig pro Bestellung

Lieferzeit: 5 Werktage

Pos.
310
BOSCH Kabel GRAU | Ersatzteile für GTM 12 JL | 1619PA6342
Hersteller: BOSCH
Artikelnummer: EB-3601M15071-1619PA6342
Netto: 4,33 € zzgl. MwSt.
zzgl. 6,90 € Versand (brutto)
einmalig pro Bestellung

Lieferzeit: 5 Werktage

Pos.
311
BOSCH Kabel GELB | Ersatzteile für GTM 12 JL | 1619PA6343
Hersteller: BOSCH
Artikelnummer: EB-3601M15071-1619PA6343
Netto: 4,53 € zzgl. MwSt.
zzgl. 6,90 € Versand (brutto)
einmalig pro Bestellung

Lieferzeit: 5 Werktage

Pos.
328
BOSCH Bolzen | Ersatzteile für GTM 12 JL | 1619PA9304
Hersteller: BOSCH
Artikelnummer: EB-3601M15071-1619PA9304
Netto: 3,63 € zzgl. MwSt.
zzgl. 6,90 € Versand (brutto)
einmalig pro Bestellung

Lieferzeit: 5 Werktage

Pos.
653
BOSCH Klemmschelle | Ersatzteile für GTM 12 JL | 1619PA4166
Hersteller: BOSCH
Artikelnummer: EB-3601M15071-1619PA4166
Netto: 15,75 € zzgl. MwSt.
zzgl. 6,90 € Versand (brutto)
einmalig pro Bestellung

Lieferzeit: 5 Werktage

Pos.
654
BOSCH Staubbeutel | Ersatzteile für GTM 12 JL | 1619PA4560
Hersteller: BOSCH
Artikelnummer: EB-3601M15071-1619PA4560
Netto: 7,76 € zzgl. MwSt.
zzgl. 6,90 € Versand (brutto)
einmalig pro Bestellung

Lieferzeit: 5 Werktage

Pos.
810
BOSCH Kohlebürste | Ersatzteile für GTM 12 JL | 1619PA4631
Hersteller: BOSCH
Artikelnummer: EB-3601M15071-1619PA4631
Netto: 14,36 € zzgl. MwSt.
zzgl. 6,90 € Versand (brutto)
einmalig pro Bestellung

Lieferzeit: 5 Werktage

Pos.
811
BOSCH Schutzunterteil | Ersatzteile für GTM 12 JL | 1619PA4632
Hersteller: BOSCH
Artikelnummer: EB-3601M15071-1619PA4632
Netto: 35,77 € zzgl. MwSt.
zzgl. 6,90 € Versand (brutto)
einmalig pro Bestellung

Lieferzeit: 5 Werktage

Pos.
812
BOSCH Sperrstift | Ersatzteile für GTM 12 JL | 1619PA4633
Hersteller: BOSCH
Artikelnummer: EB-3601M15071-1619PA4633
Netto: 10,92 € zzgl. MwSt.
zzgl. 6,90 € Versand (brutto)
einmalig pro Bestellung

Lieferzeit: 5 Werktage

Pos.
813
BOSCH Tisch | Ersatzteile für GTM 12 JL | 1619PA4634
Hersteller: BOSCH
Artikelnummer: EB-3601M15071-1619PA4634
Netto: 77,60 € zzgl. MwSt.
zzgl. 6,90 € Versand (brutto)
einmalig pro Bestellung

Lieferzeit: 5 Werktage

Pos.
814
BOSCH Laser | Ersatzteile für GTM 12 JL | 1619PA4635
Hersteller: BOSCH
Artikelnummer: EB-3601M15071-1619PA4635
Netto: 11,92 € zzgl. MwSt.
zzgl. 6,90 € Versand (brutto)
einmalig pro Bestellung

Lieferzeit: 5 Werktage

Pos.
815
BOSCH Gestänge | Ersatzteile für GTM 12 JL | 1619PA4636
Hersteller: BOSCH
Artikelnummer: EB-3601M15071-1619PA4636
Netto: 15,75 € zzgl. MwSt.
zzgl. 6,90 € Versand (brutto)
einmalig pro Bestellung

Lieferzeit: 5 Werktage

Pos.
816
BOSCH Schutzunterteil | Ersatzteile für GTM 12 JL | 1619PA4637
Hersteller: BOSCH
Artikelnummer: EB-3601M15071-1619PA4637
Netto: 14,36 € zzgl. MwSt.
zzgl. 6,90 € Versand (brutto)
einmalig pro Bestellung

Lieferzeit: 63 Werktage

Pos.
817
BOSCH Leuchteneinsatz | Ersatzteile für GTM 12 JL | 1619PA4638
Hersteller: BOSCH
Artikelnummer: EB-3601M15071-1619PA4638
Netto: 15,75 € zzgl. MwSt.
zzgl. 6,90 € Versand (brutto)
einmalig pro Bestellung

Lieferzeit: 5 Werktage

Pos.
818
BOSCH Führung | Ersatzteile für GTM 12 JL | 1619PA4639
Hersteller: BOSCH
Artikelnummer: EB-3601M15071-1619PA4639
Netto: 86,83 € zzgl. MwSt.
zzgl. 6,90 € Versand (brutto)
einmalig pro Bestellung

Lieferzeit: 5 Werktage

Pos.
819
BOSCH Gestänge | Ersatzteile für GTM 12 JL | 1619PA4640
Hersteller: BOSCH
Artikelnummer: EB-3601M15071-1619PA4640
Netto: 7,76 € zzgl. MwSt.
zzgl. 6,90 € Versand (brutto)
einmalig pro Bestellung

Lieferzeit: 5 Werktage

Pos.
820
BOSCH Gestänge | Ersatzteile für GTM 12 JL | 1619PA4762
Hersteller: BOSCH
Artikelnummer: EB-3601M15071-1619PA4762
Netto: 7,76 € zzgl. MwSt.
zzgl. 6,90 € Versand (brutto)
einmalig pro Bestellung

Lieferzeit: 5 Werktage

Pos.
821
BOSCH Taste | Ersatzteile für GTM 12 JL | 1619PA5029
Hersteller: BOSCH
Artikelnummer: EB-3601M15071-1619PA5029
Netto: 5,19 € zzgl. MwSt.
zzgl. 6,90 € Versand (brutto)
einmalig pro Bestellung

Lieferzeit: 5 Werktage

Pos.
822
BOSCH Kabel | Ersatzteile für GTM 12 JL | 1619PA8131
Hersteller: BOSCH
Artikelnummer: EB-3601M15071-1619PA8131
Netto: 4,82 € zzgl. MwSt.
zzgl. 6,90 € Versand (brutto)
einmalig pro Bestellung

Lieferzeit: 5 Werktage

Pos.
823
BOSCH Kabel | Ersatzteile für GTM 12 JL | 1619PA8132
Hersteller: BOSCH
Artikelnummer: EB-3601M15071-1619PA8132
Netto: 4,53 € zzgl. MwSt.
zzgl. 6,90 € Versand (brutto)
einmalig pro Bestellung

Lieferzeit: 5 Werktage

Pos.
826
BOSCH Führungsleiste | Ersatzteile für GTM 12 JL | 1619PA9308
Hersteller: BOSCH
Artikelnummer: EB-3601M15071-1619PA9308
Netto: 42,86 € zzgl. MwSt.
zzgl. 6,90 € Versand (brutto)
einmalig pro Bestellung

Lieferzeit: 63 Werktage

Pos.
837
BOSCH Teller | Ersatzteile für GTM 12 JL | 1619PA5970
Hersteller: BOSCH
Artikelnummer: EB-3601M15071-1619PA5970
Netto: 6,70 € zzgl. MwSt.
zzgl. 6,90 € Versand (brutto)
einmalig pro Bestellung

Lieferzeit: 5 Werktage

Angaben zur Produktsicherheit

Hersteller:
Robert Bosch Power Tools GmbH
Postfach 30 02 20
70442 Stuttgart

E-Mail:
kontakt@bosch.de