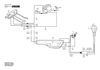
BOSCH Schalterknopf | Ersatzteile für GTR 55-225 | 1619PB6019

Artikelnummer: EB-3601GD4030-1619PB6019

Position: 101

Marke: BOSCH


Bitte Kompatibilität prüfen!

Bitte prüfen Sie unbedingt die 10-stellige Typennummer Ihrer Maschine / Ihres Gerätes. Das Ersatzteil ist nur kompatibel, wenn Sie die Typennummer Ihrer Maschine in der unten stehenden Produktbeschreibung finden.

Bitte prüfen Sie ebenfalls detailliert die Explosionszeichnung mit Ihrem Artikelwunsch und der jeweiligen Pos-Nummer.

Alle Elemente, welche vom schwarzen Strich der Pos-Nummer ausgehend berührt / erfasst werden, gehören zu dieser Pos-Nummer und somit zu diesem Artikel. Jede Pos-Nummer ist ein eigenständiger Artikel, welchen Sie in der Auflistung finden.

Sie erhalten stets die aktuellste, neueste Produktversion zu der gewählten Pos-Nummer seitens des Herstellers. Es kann daher je nach Gerätealter vorkommen, dass Sie ggf. weitere, zugehörige Elemente, welche an diese Pos-Nummer grenzen, ebenfalls mittauschen müssen.

Nähere Informationen finden Sie unter dem Link
Hinweise zu Ihrer BOSCH Ersatzteilsuche

Preisübersicht

Einzelpreis: 3,63 €* (Brutto: 4,32 €)
Gesamtpreis: 3,63 €* 
Position:

Lieferzeit: 5 Werktage


Beschreibung

  • Schalterknopf
  • Original Bosch Zubehör / BOSCH Ersatzteil (1619PB6019)
  • im Gerät verbaut: 1
Dieses BOSCH Ersatzteil ist mit folgendem Gerät und Modell kompatibel:
  • BOSCH Gerätename: GTR 55-225
  • BOSCH Explosionszeichnung: Position 101
  • BOSCH Typennummer: 3601GD4030
  • BOSCH Typennummer alternative Schreibweisen: 3 601 GD4 030, 3601 GD4 030, 3.601.GD4.030, 3-601-GD4-030
    Bitte prüfen Sie diese Typennummer auf Ihrem Gerät um die Kompatibilität des BOSCH Ersatzteils zu gewährleisten.
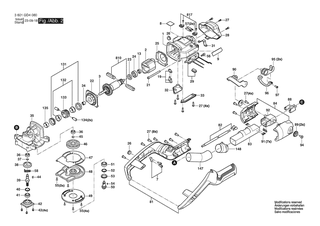
Weitere BOSCH Ersatzteile des Gerätes GTR 55-225 (Trockenbauschleifer) mit der Typennummer 3601GD4030 finden Sie in der nachfolgenden Darstellung und im Dropdown zu Ihrer Auswahl:

Pos.
1
BOSCH Motorgehäuse | Ersatzteile für GTR 55-225 | 1619PB5941
Hersteller: BOSCH
Artikelnummer: EB-3601GD4030-1619PB5941
Netto: 6,15 € zzgl. MwSt.
zzgl. 6,90 € Versand (brutto)
einmalig pro Bestellung

Lieferzeit: 5 Werktage

Pos.
691/1
BOSCH Schnappverschluss | Ersatzteile für GTR 55-225 | 1619PB6089
Hersteller: BOSCH
Artikelnummer: EB-3601GD4030-1619PB6089
Netto: 4,53 € zzgl. MwSt.
zzgl. 6,90 € Versand (brutto)
einmalig pro Bestellung

Lieferzeit: 5 Werktage

Pos.
691/2
BOSCH Handgriff | Ersatzteile für GTR 55-225 | 1619PB6090
Hersteller: BOSCH
Artikelnummer: EB-3601GD4030-1619PB6090
Netto: 4,82 € zzgl. MwSt.
zzgl. 6,90 € Versand (brutto)
einmalig pro Bestellung

Lieferzeit: 5 Werktage

Pos.
2
BOSCH Polschuh 220-240V | Ersatzteile für GTR 55-225 | 1619PB5942
Hersteller: BOSCH
Artikelnummer: EB-3601GD4030-1619PB5942
Netto: 15,75 € zzgl. MwSt.
zzgl. 6,90 € Versand (brutto)
einmalig pro Bestellung

Lieferzeit: 5 Werktage

Pos.
3
BOSCH Anker 220-240V | Ersatzteile für GTR 55-225 | 1619PB5943
Hersteller: BOSCH
Artikelnummer: EB-3601GD4030-1619PB5943
Netto: 24,13 € zzgl. MwSt.
zzgl. 6,90 € Versand (brutto)
einmalig pro Bestellung

Lieferzeit: 5 Werktage

Pos.
4
BOSCH Schalter | Ersatzteile für GTR 55-225 | 1619PB5944
Hersteller: BOSCH
Artikelnummer: EB-3601GD4030-1619PB5944
Netto: 6,15 € zzgl. MwSt.
zzgl. 6,90 € Versand (brutto)
einmalig pro Bestellung

Lieferzeit: 5 Werktage

Pos.
5
BOSCH Netzanschlussleitung 1.0MM^2 X3, 4M, RCH | Ersatzteile für GTR 55-225 | 1619PB8623
Hersteller: BOSCH
Artikelnummer: EB-3601GD4030-1619PB8623
Netto: 15,75 € zzgl. MwSt.
zzgl. 6,90 € Versand (brutto)
einmalig pro Bestellung

Lieferzeit: 5 Werktage

Pos.
6
BOSCH Tülle | Ersatzteile für GTR 55-225 | 1619PB5946
Hersteller: BOSCH
Artikelnummer: EB-3601GD4030-1619PB5946
Netto: 3,94 € zzgl. MwSt.
zzgl. 6,90 € Versand (brutto)
einmalig pro Bestellung

Lieferzeit: 5 Werktage

Pos.
7
BOSCH Befestigungsschelle | Ersatzteile für GTR 55-225 | 1619PB6021
Hersteller: BOSCH
Artikelnummer: EB-3601GD4030-1619PB6021
Netto: 3,63 € zzgl. MwSt.
zzgl. 6,90 € Versand (brutto)
einmalig pro Bestellung

Lieferzeit: 5 Werktage

Pos.
8
BOSCH Typschild RCH 230V | Ersatzteile für GTR 55-225 | 1619PB8627
Hersteller: BOSCH
Artikelnummer: EB-3601GD4030-1619PB8627
Netto: 4,53 € zzgl. MwSt.
zzgl. 6,90 € Versand (brutto)
einmalig pro Bestellung

Lieferzeit: 5 Werktage

Pos.
9
BOSCH Firmenschild GTR 550 | Ersatzteile für GTR 55-225 | 1619PB5948
Hersteller: BOSCH
Artikelnummer: EB-3601GD4030-1619PB5948
Netto: 4,53 € zzgl. MwSt.
zzgl. 6,90 € Versand (brutto)
einmalig pro Bestellung

Lieferzeit: 5 Werktage

Pos.
13
BOSCH Rillenkugellager 607-2RS | Ersatzteile für GTR 55-225 | 1619PB5950
Hersteller: BOSCH
Artikelnummer: EB-3601GD4030-1619PB5950
Netto: 7,76 € zzgl. MwSt.
zzgl. 6,90 € Versand (brutto)
einmalig pro Bestellung

Lieferzeit: 5 Werktage

Pos.
19
BOSCH Befestigungsschelle | Ersatzteile für GTR 55-225 | 1619PB5952
Hersteller: BOSCH
Artikelnummer: EB-3601GD4030-1619PB5952
Netto: 3,94 € zzgl. MwSt.
zzgl. 6,90 € Versand (brutto)
einmalig pro Bestellung

Lieferzeit: 5 Werktage

Pos.
21
BOSCH Blechschraube ST4X45 | Ersatzteile für GTR 55-225 | 1619PB6082
Hersteller: BOSCH
Artikelnummer: EB-3601GD4030-1619PB6082
Netto: 3,63 € zzgl. MwSt.
zzgl. 6,90 € Versand (brutto)
einmalig pro Bestellung

Lieferzeit: 5 Werktage

Pos.
22
BOSCH Lagerflansch | Ersatzteile für GTR 55-225 | 1619PB5953
Hersteller: BOSCH
Artikelnummer: EB-3601GD4030-1619PB5953
Netto: 11,92 € zzgl. MwSt.
zzgl. 6,90 € Versand (brutto)
einmalig pro Bestellung

Lieferzeit: 37 Werktage

Pos.
23
BOSCH Magnet | Ersatzteile für GTR 55-225 | 1619PB5954
Hersteller: BOSCH
Artikelnummer: EB-3601GD4030-1619PB5954
Netto: 9,18 € zzgl. MwSt.
zzgl. 6,90 € Versand (brutto)
einmalig pro Bestellung

Lieferzeit: 5 Werktage

Pos.
24
BOSCH Montagehülse | Ersatzteile für GTR 55-225 | 1619PB5955
Hersteller: BOSCH
Artikelnummer: EB-3601GD4030-1619PB5955
Netto: 3,63 € zzgl. MwSt.
zzgl. 6,90 € Versand (brutto)
einmalig pro Bestellung

Lieferzeit: 5 Werktage

Pos.
25
BOSCH Luftleitring | Ersatzteile für GTR 55-225 | 1619PB5956
Hersteller: BOSCH
Artikelnummer: EB-3601GD4030-1619PB5956
Netto: 3,63 € zzgl. MwSt.
zzgl. 6,90 € Versand (brutto)
einmalig pro Bestellung

Lieferzeit: 5 Werktage

Pos.
26
BOSCH Tülle | Ersatzteile für GTR 55-225 | 1619PB5957
Hersteller: BOSCH
Artikelnummer: EB-3601GD4030-1619PB5957
Netto: 3,63 € zzgl. MwSt.
zzgl. 6,90 € Versand (brutto)
einmalig pro Bestellung

Lieferzeit: 5 Werktage

Pos.
27
BOSCH Blechschraube ST4X16 | Ersatzteile für GTR 55-225 | 1619PB5958
Hersteller: BOSCH
Artikelnummer: EB-3601GD4030-1619PB5958
Netto: 3,63 € zzgl. MwSt.
zzgl. 6,90 € Versand (brutto)
einmalig pro Bestellung

Lieferzeit: 5 Werktage

Pos.
28
BOSCH Gehäusedeckel | Ersatzteile für GTR 55-225 | 1619PB5959
Hersteller: BOSCH
Artikelnummer: EB-3601GD4030-1619PB5959
Netto: 4,53 € zzgl. MwSt.
zzgl. 6,90 € Versand (brutto)
einmalig pro Bestellung

Lieferzeit: 5 Werktage

Pos.
29
BOSCH EL-Baugruppe 220-240V | Ersatzteile für GTR 55-225 | 1619PB5960
Hersteller: BOSCH
Artikelnummer: EB-3601GD4030-1619PB5960
Netto: 21,16 € zzgl. MwSt.
zzgl. 6,90 € Versand (brutto)
einmalig pro Bestellung

Lieferzeit: 5 Werktage

Pos.
31
BOSCH Werkstückauflage | Ersatzteile für GTR 55-225 | 1619PB5962
Hersteller: BOSCH
Artikelnummer: EB-3601GD4030-1619PB5962
Netto: 3,63 € zzgl. MwSt.
zzgl. 6,90 € Versand (brutto)
einmalig pro Bestellung

Lieferzeit: 5 Werktage

Pos.
32
BOSCH Gehäusedeckel | Ersatzteile für GTR 55-225 | 1619PB5963
Hersteller: BOSCH
Artikelnummer: EB-3601GD4030-1619PB5963
Netto: 3,94 € zzgl. MwSt.
zzgl. 6,90 € Versand (brutto)
einmalig pro Bestellung

Lieferzeit: 5 Werktage

Pos.
33
BOSCH Gehäusedeckel | Ersatzteile für GTR 55-225 | 1619PB5964
Hersteller: BOSCH
Artikelnummer: EB-3601GD4030-1619PB5964
Netto: 3,94 € zzgl. MwSt.
zzgl. 6,90 € Versand (brutto)
einmalig pro Bestellung

Lieferzeit: 5 Werktage

Pos.
34
BOSCH Nadelhülse HK1012 | Ersatzteile für GTR 55-225 | 1619PB5965
Hersteller: BOSCH
Artikelnummer: EB-3601GD4030-1619PB5965
Netto: 9,18 € zzgl. MwSt.
zzgl. 6,90 € Versand (brutto)
einmalig pro Bestellung

Lieferzeit: 5 Werktage

Pos.
35
BOSCH Getriebegehäuse | Ersatzteile für GTR 55-225 | 1619PB5966
Hersteller: BOSCH
Artikelnummer: EB-3601GD4030-1619PB5966
Netto: 10,92 € zzgl. MwSt.
zzgl. 6,90 € Versand (brutto)
einmalig pro Bestellung

Lieferzeit: 5 Werktage

Pos.
36
BOSCH Rillenkugellager 606-2Z | Ersatzteile für GTR 55-225 | 1619PB5967
Hersteller: BOSCH
Artikelnummer: EB-3601GD4030-1619PB5967
Netto: 5,19 € zzgl. MwSt.
zzgl. 6,90 € Versand (brutto)
einmalig pro Bestellung

Lieferzeit: 5 Werktage

Pos.
37
BOSCH Sprengring | Ersatzteile für GTR 55-225 | 1619PB5968
Hersteller: BOSCH
Artikelnummer: EB-3601GD4030-1619PB5968
Netto: 3,63 € zzgl. MwSt.
zzgl. 6,90 € Versand (brutto)
einmalig pro Bestellung

Lieferzeit: 5 Werktage

Pos.
38
BOSCH Tellerrad | Ersatzteile für GTR 55-225 | 1619PB5969
Hersteller: BOSCH
Artikelnummer: EB-3601GD4030-1619PB5969
Netto: 8,33 € zzgl. MwSt.
zzgl. 6,90 € Versand (brutto)
einmalig pro Bestellung

Lieferzeit: 5 Werktage

Pos.
39
BOSCH Vorgelegewelle | Ersatzteile für GTR 55-225 | 1619PB5970
Hersteller: BOSCH
Artikelnummer: EB-3601GD4030-1619PB5970
Netto: 6,70 € zzgl. MwSt.
zzgl. 6,90 € Versand (brutto)
einmalig pro Bestellung

Lieferzeit: 5 Werktage

Pos.
40
BOSCH Sprengring | Ersatzteile für GTR 55-225 | 1619PB5971
Hersteller: BOSCH
Artikelnummer: EB-3601GD4030-1619PB5971
Netto: 3,63 € zzgl. MwSt.
zzgl. 6,90 € Versand (brutto)
einmalig pro Bestellung

Lieferzeit: 5 Werktage

Pos.
41
BOSCH Rillenkugellager 699 | Ersatzteile für GTR 55-225 | 1619PB5972
Hersteller: BOSCH
Artikelnummer: EB-3601GD4030-1619PB5972
Netto: 8,33 € zzgl. MwSt.
zzgl. 6,90 € Versand (brutto)
einmalig pro Bestellung

Lieferzeit: 5 Werktage

Pos.
42
BOSCH Lagerflansch | Ersatzteile für GTR 55-225 | 1619PB5973
Hersteller: BOSCH
Artikelnummer: EB-3601GD4030-1619PB5973
Netto: 4,82 € zzgl. MwSt.
zzgl. 6,90 € Versand (brutto)
einmalig pro Bestellung

Lieferzeit: 5 Werktage

Pos.
43
BOSCH Kreuzschlitzschraube M4X16 | Ersatzteile für GTR 55-225 | 1619PB5974
Hersteller: BOSCH
Artikelnummer: EB-3601GD4030-1619PB5974
Netto: 3,63 € zzgl. MwSt.
zzgl. 6,90 € Versand (brutto)
einmalig pro Bestellung

Lieferzeit: 5 Werktage

Pos.
44
BOSCH Scheibenfeder | Ersatzteile für GTR 55-225 | 1619PB5975
Hersteller: BOSCH
Artikelnummer: EB-3601GD4030-1619PB5975
Netto: 3,63 € zzgl. MwSt.
zzgl. 6,90 € Versand (brutto)
einmalig pro Bestellung

Lieferzeit: 5 Werktage

Pos.
45
BOSCH Sprengring Ø10 | Ersatzteile für GTR 55-225 | 1619PB5976
Hersteller: BOSCH
Artikelnummer: EB-3601GD4030-1619PB5976
Netto: 3,63 € zzgl. MwSt.
zzgl. 6,90 € Versand (brutto)
einmalig pro Bestellung

Lieferzeit: 5 Werktage

Pos.
46
BOSCH Stirnrad | Ersatzteile für GTR 55-225 | 1619PB5977
Hersteller: BOSCH
Artikelnummer: EB-3601GD4030-1619PB5977
Netto: 9,95 € zzgl. MwSt.
zzgl. 6,90 € Versand (brutto)
einmalig pro Bestellung

Lieferzeit: 5 Werktage

Pos.
47
BOSCH Abdichtscheibe | Ersatzteile für GTR 55-225 | 1619PB5978
Hersteller: BOSCH
Artikelnummer: EB-3601GD4030-1619PB5978
Netto: 3,63 € zzgl. MwSt.
zzgl. 6,90 € Versand (brutto)
einmalig pro Bestellung

Lieferzeit: 5 Werktage

Pos.
48
BOSCH Lagerflansch | Ersatzteile für GTR 55-225 | 1619PB5979
Hersteller: BOSCH
Artikelnummer: EB-3601GD4030-1619PB5979
Netto: 6,15 € zzgl. MwSt.
zzgl. 6,90 € Versand (brutto)
einmalig pro Bestellung

Lieferzeit: 5 Werktage

Pos.
49
BOSCH Dichtplatte | Ersatzteile für GTR 55-225 | 1619PB5980
Hersteller: BOSCH
Artikelnummer: EB-3601GD4030-1619PB5980
Netto: 3,94 € zzgl. MwSt.
zzgl. 6,90 € Versand (brutto)
einmalig pro Bestellung

Lieferzeit: 5 Werktage

Pos.
50
BOSCH Abtriebswelle | Ersatzteile für GTR 55-225 | 1619PB5981
Hersteller: BOSCH
Artikelnummer: EB-3601GD4030-1619PB5981
Netto: 5,67 € zzgl. MwSt.
zzgl. 6,90 € Versand (brutto)
einmalig pro Bestellung

Lieferzeit: 5 Werktage

Pos.
51
BOSCH Rillenkugellager NSK 6900-2RS | Ersatzteile für GTR 55-225 | 1619PB5982
Hersteller: BOSCH
Artikelnummer: EB-3601GD4030-1619PB5982
Netto: 9,18 € zzgl. MwSt.
zzgl. 6,90 € Versand (brutto)
einmalig pro Bestellung

Lieferzeit: 5 Werktage

Pos.
52
BOSCH Sprengring | Ersatzteile für GTR 55-225 | 1619PB5983
Hersteller: BOSCH
Artikelnummer: EB-3601GD4030-1619PB5983
Netto: 3,63 € zzgl. MwSt.
zzgl. 6,90 € Versand (brutto)
einmalig pro Bestellung

Lieferzeit: 5 Werktage

Pos.
53
BOSCH Staubdichtung | Ersatzteile für GTR 55-225 | 1619PB5984
Hersteller: BOSCH
Artikelnummer: EB-3601GD4030-1619PB5984
Netto: 3,94 € zzgl. MwSt.
zzgl. 6,90 € Versand (brutto)
einmalig pro Bestellung

Lieferzeit: 5 Werktage

Pos.
54
BOSCH Flachkeil | Ersatzteile für GTR 55-225 | 1619PB5985
Hersteller: BOSCH
Artikelnummer: EB-3601GD4030-1619PB5985
Netto: 3,63 € zzgl. MwSt.
zzgl. 6,90 € Versand (brutto)
einmalig pro Bestellung

Lieferzeit: 5 Werktage

Pos.
55
BOSCH Senkschraube | Ersatzteile für GTR 55-225 | 1619PB6017
Hersteller: BOSCH
Artikelnummer: EB-3601GD4030-1619PB6017
Netto: 3,63 € zzgl. MwSt.
zzgl. 6,90 € Versand (brutto)
einmalig pro Bestellung

Lieferzeit: 5 Werktage

Pos.
56
BOSCH Kreuzschlitzschraube M4X25 | Ersatzteile für GTR 55-225 | 1619PB6018
Hersteller: BOSCH
Artikelnummer: EB-3601GD4030-1619PB6018
Netto: 3,63 € zzgl. MwSt.
zzgl. 6,90 € Versand (brutto)
einmalig pro Bestellung

Lieferzeit: 5 Werktage

Pos.
57
BOSCH Drosselspule | Ersatzteile für GTR 55-225 | 1619PB6084
Hersteller: BOSCH
Artikelnummer: EB-3601GD4030-1619PB6084
Netto: 4,32 € zzgl. MwSt.
zzgl. 6,90 € Versand (brutto)
einmalig pro Bestellung

Lieferzeit: 5 Werktage

Pos.
58
BOSCH Feder | Ersatzteile für GTR 55-225 | 1607000E8V
Hersteller: BOSCH
Artikelnummer: EB-3601GD4030-1607000E8V
Netto: 3,63 € zzgl. MwSt.
zzgl. 6,90 € Versand (brutto)
einmalig pro Bestellung

Lieferzeit: 5 Werktage

Pos.
61
BOSCH Wellrohr | Ersatzteile für GTR 55-225 | 1619PB5986
Hersteller: BOSCH
Artikelnummer: EB-3601GD4030-1619PB5986
Netto: 9,95 € zzgl. MwSt.
zzgl. 6,90 € Versand (brutto)
einmalig pro Bestellung

Lieferzeit: 5 Werktage

Pos.
62
BOSCH Verschlussring | Ersatzteile für GTR 55-225 | 1619PB5987
Hersteller: BOSCH
Artikelnummer: EB-3601GD4030-1619PB5987
Netto: 3,94 € zzgl. MwSt.
zzgl. 6,90 € Versand (brutto)
einmalig pro Bestellung

Lieferzeit: 5 Werktage

Pos.
63
BOSCH Reglergehäuse | Ersatzteile für GTR 55-225 | 1619PB5988
Hersteller: BOSCH
Artikelnummer: EB-3601GD4030-1619PB5988
Netto: 4,53 € zzgl. MwSt.
zzgl. 6,90 € Versand (brutto)
einmalig pro Bestellung

Lieferzeit: 5 Werktage

Pos.
64
BOSCH Ventileinsatz | Ersatzteile für GTR 55-225 | 1619PB5989
Hersteller: BOSCH
Artikelnummer: EB-3601GD4030-1619PB5989
Netto: 3,94 € zzgl. MwSt.
zzgl. 6,90 € Versand (brutto)
einmalig pro Bestellung

Lieferzeit: 5 Werktage

Pos.
65
BOSCH Gehäusedeckel | Ersatzteile für GTR 55-225 | 1619PB5990
Hersteller: BOSCH
Artikelnummer: EB-3601GD4030-1619PB5990
Netto: 3,63 € zzgl. MwSt.
zzgl. 6,90 € Versand (brutto)
einmalig pro Bestellung

Lieferzeit: 5 Werktage

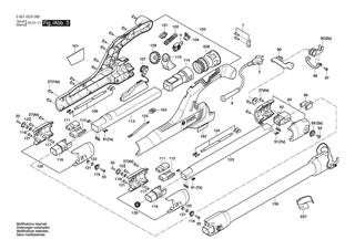
Pos.
69
BOSCH Wellrohr | Ersatzteile für GTR 55-225 | 1619PB5994
Hersteller: BOSCH
Artikelnummer: EB-3601GD4030-1619PB5994
Netto: 3,94 € zzgl. MwSt.
zzgl. 6,90 € Versand (brutto)
einmalig pro Bestellung

Lieferzeit: 5 Werktage

Pos.
70
BOSCH Kreuzschlitzschraube | Ersatzteile für GTR 55-225 | 1619PB5995
Hersteller: BOSCH
Artikelnummer: EB-3601GD4030-1619PB5995
Netto: 3,63 € zzgl. MwSt.
zzgl. 6,90 € Versand (brutto)
einmalig pro Bestellung

Lieferzeit: 5 Werktage

Pos.
71
BOSCH Feder | Ersatzteile für GTR 55-225 | 1619PB5996
Hersteller: BOSCH
Artikelnummer: EB-3601GD4030-1619PB5996
Netto: 3,63 € zzgl. MwSt.
zzgl. 6,90 € Versand (brutto)
einmalig pro Bestellung

Lieferzeit: 5 Werktage

Pos.
72
BOSCH Abdeckhaube | Ersatzteile für GTR 55-225 | 1619PB5997
Hersteller: BOSCH
Artikelnummer: EB-3601GD4030-1619PB5997
Netto: 9,18 € zzgl. MwSt.
zzgl. 6,90 € Versand (brutto)
einmalig pro Bestellung

Lieferzeit: 5 Werktage

Pos.
73
BOSCH Pressplatte | Ersatzteile für GTR 55-225 | 1619PB5998
Hersteller: BOSCH
Artikelnummer: EB-3601GD4030-1619PB5998
Netto: 3,63 € zzgl. MwSt.
zzgl. 6,90 € Versand (brutto)
einmalig pro Bestellung

Lieferzeit: 5 Werktage

Pos.
74
BOSCH Streifenbürste | Ersatzteile für GTR 55-225 | 1619PB5999
Hersteller: BOSCH
Artikelnummer: EB-3601GD4030-1619PB5999
Netto: 8,33 € zzgl. MwSt.
zzgl. 6,90 € Versand (brutto)
einmalig pro Bestellung

Lieferzeit: 5 Werktage

Pos.
75
BOSCH Streifenbürste | Ersatzteile für GTR 55-225 | 1619PB6000
Hersteller: BOSCH
Artikelnummer: EB-3601GD4030-1619PB6000
Netto: 10,92 € zzgl. MwSt.
zzgl. 6,90 € Versand (brutto)
einmalig pro Bestellung

Lieferzeit: 63 Werktage

Pos.
77
BOSCH Blechschraube ST4X14 | Ersatzteile für GTR 55-225 | 1619PB6087
Hersteller: BOSCH
Artikelnummer: EB-3601GD4030-1619PB6087
Netto: 3,63 € zzgl. MwSt.
zzgl. 6,90 € Versand (brutto)
einmalig pro Bestellung

Lieferzeit: 5 Werktage

Pos.
81
BOSCH Tragrahmen | Ersatzteile für GTR 55-225 | 1619PB6001
Hersteller: BOSCH
Artikelnummer: EB-3601GD4030-1619PB6001
Netto: 17,38 € zzgl. MwSt.
zzgl. 6,90 € Versand (brutto)
einmalig pro Bestellung

Lieferzeit: 5 Werktage

Pos.
82
BOSCH Verbindungkabel H05RN-F, 0.75MM^2 X2 | Ersatzteile für GTR 55-225 | 1619PB6002
Hersteller: BOSCH
Artikelnummer: EB-3601GD4030-1619PB6002
Netto: 4,53 € zzgl. MwSt.
zzgl. 6,90 € Versand (brutto)
einmalig pro Bestellung

Lieferzeit: 5 Werktage

Pos.
83
BOSCH Al-Rohr | Ersatzteile für GTR 55-225 | 1619PB6003
Hersteller: BOSCH
Artikelnummer: EB-3601GD4030-1619PB6003
Netto: 7,76 € zzgl. MwSt.
zzgl. 6,90 € Versand (brutto)
einmalig pro Bestellung

Lieferzeit: 5 Werktage

Pos.
84
BOSCH Kunststoffabdeckung | Ersatzteile für GTR 55-225 | 1619PB6004
Hersteller: BOSCH
Artikelnummer: EB-3601GD4030-1619PB6004
Netto: 5,67 € zzgl. MwSt.
zzgl. 6,90 € Versand (brutto)
einmalig pro Bestellung

Lieferzeit: 5 Werktage

Pos.
88
BOSCH Leitungsdose | Ersatzteile für GTR 55-225 | 1619PB6008
Hersteller: BOSCH
Artikelnummer: EB-3601GD4030-1619PB6008
Netto: 5,19 € zzgl. MwSt.
zzgl. 6,90 € Versand (brutto)
einmalig pro Bestellung

Lieferzeit: 15 Werktage

Pos.
89
BOSCH Kurvenscheibe | Ersatzteile für GTR 55-225 | 1619PB6009
Hersteller: BOSCH
Artikelnummer: EB-3601GD4030-1619PB6009
Netto: 5,19 € zzgl. MwSt.
zzgl. 6,90 € Versand (brutto)
einmalig pro Bestellung

Lieferzeit: 5 Werktage

Pos.
90
BOSCH Handhebel | Ersatzteile für GTR 55-225 | 1619PB6010
Hersteller: BOSCH
Artikelnummer: EB-3601GD4030-1619PB6010
Netto: 4,32 € zzgl. MwSt.
zzgl. 6,90 € Versand (brutto)
einmalig pro Bestellung

Lieferzeit: 5 Werktage

Pos.
91
BOSCH Kreuzschlitzschraube | Ersatzteile für GTR 55-225 | 1619PB6011
Hersteller: BOSCH
Artikelnummer: EB-3601GD4030-1619PB6011
Netto: 3,63 € zzgl. MwSt.
zzgl. 6,90 € Versand (brutto)
einmalig pro Bestellung

Lieferzeit: 5 Werktage

Pos.
92
BOSCH Befestigungswinkel | Ersatzteile für GTR 55-225 | 1619PB6012
Hersteller: BOSCH
Artikelnummer: EB-3601GD4030-1619PB6012
Netto: 5,19 € zzgl. MwSt.
zzgl. 6,90 € Versand (brutto)
einmalig pro Bestellung

Lieferzeit: 5 Werktage

Pos.
94
BOSCH Schraube | Ersatzteile für GTR 55-225 | 1619PB6083
Hersteller: BOSCH
Artikelnummer: EB-3601GD4030-1619PB6083
Netto: 3,63 € zzgl. MwSt.
zzgl. 6,90 € Versand (brutto)
einmalig pro Bestellung

Lieferzeit: 5 Werktage

Pos.
95
BOSCH Haken | Ersatzteile für GTR 55-225 | 1619PB6014
Hersteller: BOSCH
Artikelnummer: EB-3601GD4030-1619PB6014
Netto: 3,94 € zzgl. MwSt.
zzgl. 6,90 € Versand (brutto)
einmalig pro Bestellung

Lieferzeit: 5 Werktage

Pos.
96
BOSCH Verbindungsteil | Ersatzteile für GTR 55-225 | 1619PB6015
Hersteller: BOSCH
Artikelnummer: EB-3601GD4030-1619PB6015
Netto: 5,67 € zzgl. MwSt.
zzgl. 6,90 € Versand (brutto)
einmalig pro Bestellung

Lieferzeit: 5 Werktage

Pos.
97
BOSCH Senkschraube | Ersatzteile für GTR 55-225 | 1619PB6016
Hersteller: BOSCH
Artikelnummer: EB-3601GD4030-1619PB6016
Netto: 3,63 € zzgl. MwSt.
zzgl. 6,90 € Versand (brutto)
einmalig pro Bestellung

Lieferzeit: 5 Werktage

Pos.
101
BOSCH Schalterknopf | Ersatzteile für GTR 55-225 | 1619PB6019
Hersteller: BOSCH
Artikelnummer: EB-3601GD4030-1619PB6019
Netto: 3,63 € zzgl. MwSt.
zzgl. 6,90 € Versand (brutto)
einmalig pro Bestellung

Lieferzeit: 5 Werktage

Pos.
102
BOSCH Verstellschieber | Ersatzteile für GTR 55-225 | 1619PB6020
Hersteller: BOSCH
Artikelnummer: EB-3601GD4030-1619PB6020
Netto: 3,94 € zzgl. MwSt.
zzgl. 6,90 € Versand (brutto)
einmalig pro Bestellung

Lieferzeit: 5 Werktage

Pos.
104
BOSCH Ausleger | Ersatzteile für GTR 55-225 | 1619PB6022
Hersteller: BOSCH
Artikelnummer: EB-3601GD4030-1619PB6022
Netto: 3,94 € zzgl. MwSt.
zzgl. 6,90 € Versand (brutto)
einmalig pro Bestellung

Lieferzeit: 5 Werktage

Pos.
105
BOSCH Griffsteg | Ersatzteile für GTR 55-225 | 1619PB6023
Hersteller: BOSCH
Artikelnummer: EB-3601GD4030-1619PB6023
Netto: 9,18 € zzgl. MwSt.
zzgl. 6,90 € Versand (brutto)
einmalig pro Bestellung

Lieferzeit: 5 Werktage

Pos.
106
BOSCH Verbindungkabel H05RN-F, 0.75MM^2 X2 | Ersatzteile für GTR 55-225 | 1619PB6024
Hersteller: BOSCH
Artikelnummer: EB-3601GD4030-1619PB6024
Netto: 4,53 € zzgl. MwSt.
zzgl. 6,90 € Versand (brutto)
einmalig pro Bestellung

Lieferzeit: 5 Werktage

Pos.
107
BOSCH Drehzahlregler 220-240V | Ersatzteile für GTR 55-225 | 1619PB6025
Hersteller: BOSCH
Artikelnummer: EB-3601GD4030-1619PB6025
Netto: 42,86 € zzgl. MwSt.
zzgl. 6,90 € Versand (brutto)
einmalig pro Bestellung

Lieferzeit: 49 Werktage

Pos.
109
BOSCH Durchflussmengenregler | Ersatzteile für GTR 55-225 | 1619PB6027
Hersteller: BOSCH
Artikelnummer: EB-3601GD4030-1619PB6027
Netto: 3,94 € zzgl. MwSt.
zzgl. 6,90 € Versand (brutto)
einmalig pro Bestellung

Lieferzeit: 5 Werktage

Pos.
110
BOSCH Zwischengehäuse | Ersatzteile für GTR 55-225 | 1619PB6028
Hersteller: BOSCH
Artikelnummer: EB-3601GD4030-1619PB6028
Netto: 3,94 € zzgl. MwSt.
zzgl. 6,90 € Versand (brutto)
einmalig pro Bestellung

Lieferzeit: 5 Werktage

Pos.
111
BOSCH Steckdosengehäuse | Ersatzteile für GTR 55-225 | 1619PB6029
Hersteller: BOSCH
Artikelnummer: EB-3601GD4030-1619PB6029
Netto: 3,63 € zzgl. MwSt.
zzgl. 6,90 € Versand (brutto)
einmalig pro Bestellung

Lieferzeit: 5 Werktage

Pos.
112
BOSCH Kunststoffabdeckung | Ersatzteile für GTR 55-225 | 1619PB6030
Hersteller: BOSCH
Artikelnummer: EB-3601GD4030-1619PB6030
Netto: 3,63 € zzgl. MwSt.
zzgl. 6,90 € Versand (brutto)
einmalig pro Bestellung

Lieferzeit: 5 Werktage

Pos.
113
BOSCH Al-Rohr | Ersatzteile für GTR 55-225 | 1619PB6031
Hersteller: BOSCH
Artikelnummer: EB-3601GD4030-1619PB6031
Netto: 10,92 € zzgl. MwSt.
zzgl. 6,90 € Versand (brutto)
einmalig pro Bestellung

Lieferzeit: 5 Werktage

Pos.
114
BOSCH Schlauchanschluss | Ersatzteile für GTR 55-225 | 1619PB6032
Hersteller: BOSCH
Artikelnummer: EB-3601GD4030-1619PB6032
Netto: 4,53 € zzgl. MwSt.
zzgl. 6,90 € Versand (brutto)
einmalig pro Bestellung

Lieferzeit: 5 Werktage

Pos.
116
BOSCH Befestigungswinkel | Ersatzteile für GTR 55-225 | 1619PB6034
Hersteller: BOSCH
Artikelnummer: EB-3601GD4030-1619PB6034
Netto: 6,15 € zzgl. MwSt.
zzgl. 6,90 € Versand (brutto)
einmalig pro Bestellung

Lieferzeit: 5 Werktage

Pos.
117
BOSCH Stösselwelle | Ersatzteile für GTR 55-225 | 1619PB6035
Hersteller: BOSCH
Artikelnummer: EB-3601GD4030-1619PB6035
Netto: 7,30 € zzgl. MwSt.
zzgl. 6,90 € Versand (brutto)
einmalig pro Bestellung

Lieferzeit: 5 Werktage

Pos.
118
BOSCH Nocken | Ersatzteile für GTR 55-225 | 1619PB6036
Hersteller: BOSCH
Artikelnummer: EB-3601GD4030-1619PB6036
Netto: 6,15 € zzgl. MwSt.
zzgl. 6,90 € Versand (brutto)
einmalig pro Bestellung

Lieferzeit: 5 Werktage

Pos.
120
BOSCH Kunststoffabdeckung | Ersatzteile für GTR 55-225 | 1619PB6037
Hersteller: BOSCH
Artikelnummer: EB-3601GD4030-1619PB6037
Netto: 5,67 € zzgl. MwSt.
zzgl. 6,90 € Versand (brutto)
einmalig pro Bestellung

Lieferzeit: 5 Werktage

Pos.
121
BOSCH Passscheibe | Ersatzteile für GTR 55-225 | 1619PB6038
Hersteller: BOSCH
Artikelnummer: EB-3601GD4030-1619PB6038
Netto: 3,63 € zzgl. MwSt.
zzgl. 6,90 € Versand (brutto)
einmalig pro Bestellung

Lieferzeit: 5 Werktage

Pos.
122
BOSCH Filzgleiter | Ersatzteile für GTR 55-225 | 1619PB6039
Hersteller: BOSCH
Artikelnummer: EB-3601GD4030-1619PB6039
Netto: 3,63 € zzgl. MwSt.
zzgl. 6,90 € Versand (brutto)
einmalig pro Bestellung

Lieferzeit: 5 Werktage

Pos.
123
BOSCH Al-Rohr | Ersatzteile für GTR 55-225 | 1619PB6006
Hersteller: BOSCH
Artikelnummer: EB-3601GD4030-1619PB6006
Netto: 21,16 € zzgl. MwSt.
zzgl. 6,90 € Versand (brutto)
einmalig pro Bestellung

Lieferzeit: 5 Werktage

Pos.
124
BOSCH Verbindungkabel H05RN-F, 0.75MM^2 X2 | Ersatzteile für GTR 55-225 | 1619PB6007
Hersteller: BOSCH
Artikelnummer: EB-3601GD4030-1619PB6007
Netto: 4,82 € zzgl. MwSt.
zzgl. 6,90 € Versand (brutto)
einmalig pro Bestellung

Lieferzeit: 5 Werktage

Pos.
125
BOSCH Verbindungkabel PVC, 0.5MM^2, | Ersatzteile für GTR 55-225 | 1607000EH5
Hersteller: BOSCH
Artikelnummer: EB-3601GD4030-1607000EH5
Netto: 4,53 € zzgl. MwSt.
zzgl. 6,90 € Versand (brutto)
einmalig pro Bestellung

Lieferzeit: 5 Werktage

Pos.
131
BOSCH Gummipuffer | Ersatzteile für GTR 55-225 | 1619PB6040
Hersteller: BOSCH
Artikelnummer: EB-3601GD4030-1619PB6040
Netto: 3,63 € zzgl. MwSt.
zzgl. 6,90 € Versand (brutto)
einmalig pro Bestellung

Lieferzeit: 5 Werktage

Pos.
132
BOSCH Büchse | Ersatzteile für GTR 55-225 | 1619PB6041
Hersteller: BOSCH
Artikelnummer: EB-3601GD4030-1619PB6041
Netto: 3,63 € zzgl. MwSt.
zzgl. 6,90 € Versand (brutto)
einmalig pro Bestellung

Lieferzeit: 5 Werktage

Pos.
133
BOSCH Knopfhülse | Ersatzteile für GTR 55-225 | 1619PB6042
Hersteller: BOSCH
Artikelnummer: EB-3601GD4030-1619PB6042
Netto: 5,67 € zzgl. MwSt.
zzgl. 6,90 € Versand (brutto)
einmalig pro Bestellung

Lieferzeit: 65 Werktage

Pos.
134
BOSCH Zylinderstift | Ersatzteile für GTR 55-225 | 1619PB6043
Hersteller: BOSCH
Artikelnummer: EB-3601GD4030-1619PB6043
Netto: 3,94 € zzgl. MwSt.
zzgl. 6,90 € Versand (brutto)
einmalig pro Bestellung

Lieferzeit: 63 Werktage

Pos.
135
BOSCH Feder | Ersatzteile für GTR 55-225 | 1619PB6086
Hersteller: BOSCH
Artikelnummer: EB-3601GD4030-1619PB6086
Netto: 3,63 € zzgl. MwSt.
zzgl. 6,90 € Versand (brutto)
einmalig pro Bestellung

Lieferzeit: 5 Werktage

Pos.
141
BOSCH Schutzanzug | Ersatzteile für GTR 55-225 | 1619PB6044
Hersteller: BOSCH
Artikelnummer: EB-3601GD4030-1619PB6044
Netto: 6,70 € zzgl. MwSt.
zzgl. 6,90 € Versand (brutto)
einmalig pro Bestellung

Lieferzeit: 5 Werktage

Pos.
142
BOSCH Gewindebuchse | Ersatzteile für GTR 55-225 | 1619PB6045
Hersteller: BOSCH
Artikelnummer: EB-3601GD4030-1619PB6045
Netto: 5,19 € zzgl. MwSt.
zzgl. 6,90 € Versand (brutto)
einmalig pro Bestellung

Lieferzeit: 5 Werktage

Pos.
143
BOSCH Dichtring | Ersatzteile für GTR 55-225 | 1619PB6046
Hersteller: BOSCH
Artikelnummer: EB-3601GD4030-1619PB6046
Netto: 3,63 € zzgl. MwSt.
zzgl. 6,90 € Versand (brutto)
einmalig pro Bestellung

Lieferzeit: 5 Werktage

Pos.
144
BOSCH Feder | Ersatzteile für GTR 55-225 | 1619PB6047
Hersteller: BOSCH
Artikelnummer: EB-3601GD4030-1619PB6047
Netto: 3,94 € zzgl. MwSt.
zzgl. 6,90 € Versand (brutto)
einmalig pro Bestellung

Lieferzeit: 5 Werktage

Pos.
145
BOSCH Gleitbuchse | Ersatzteile für GTR 55-225 | 1619PB6048
Hersteller: BOSCH
Artikelnummer: EB-3601GD4030-1619PB6048
Netto: 3,94 € zzgl. MwSt.
zzgl. 6,90 € Versand (brutto)
einmalig pro Bestellung

Lieferzeit: 5 Werktage

Pos.
146
BOSCH Schlauchanschluss | Ersatzteile für GTR 55-225 | 1619PB6049
Hersteller: BOSCH
Artikelnummer: EB-3601GD4030-1619PB6049
Netto: 3,94 € zzgl. MwSt.
zzgl. 6,90 € Versand (brutto)
einmalig pro Bestellung

Lieferzeit: 5 Werktage

Pos.
147
BOSCH Wellrohr | Ersatzteile für GTR 55-225 | 1619PB6050
Hersteller: BOSCH
Artikelnummer: EB-3601GD4030-1619PB6050
Netto: 9,95 € zzgl. MwSt.
zzgl. 6,90 € Versand (brutto)
einmalig pro Bestellung

Lieferzeit: 5 Werktage

Pos.
148
BOSCH Schlauchanschluss | Ersatzteile für GTR 55-225 | 1619PB6051
Hersteller: BOSCH
Artikelnummer: EB-3601GD4030-1619PB6051
Netto: 3,94 € zzgl. MwSt.
zzgl. 6,90 € Versand (brutto)
einmalig pro Bestellung

Lieferzeit: 5 Werktage

Pos.
151
BOSCH Stützteller | Ersatzteile für GTR 55-225 | 1619PB6052
Hersteller: BOSCH
Artikelnummer: EB-3601GD4030-1619PB6052
Netto: 21,16 € zzgl. MwSt.
zzgl. 6,90 € Versand (brutto)
einmalig pro Bestellung

Lieferzeit: 5 Werktage

Pos.
152
BOSCH Zwischenlage | Ersatzteile für GTR 55-225 | 1619PB6053
Hersteller: BOSCH
Artikelnummer: EB-3601GD4030-1619PB6053
Netto: 21,16 € zzgl. MwSt.
zzgl. 6,90 € Versand (brutto)
einmalig pro Bestellung

Lieferzeit: 5 Werktage

Pos.
154
BOSCH Zylinderschraube M6X14 | Ersatzteile für GTR 55-225 | 1619PB6055
Hersteller: BOSCH
Artikelnummer: EB-3601GD4030-1619PB6055
Netto: 3,63 € zzgl. MwSt.
zzgl. 6,90 € Versand (brutto)
einmalig pro Bestellung

Lieferzeit: 5 Werktage

Pos.
156
BOSCH Griffstange | Ersatzteile für GTR 55-225 | 1607000E57
Hersteller: BOSCH
Artikelnummer: EB-3601GD4030-1607000E57
Netto: 39,11 € zzgl. MwSt.
zzgl. 6,90 € Versand (brutto)
einmalig pro Bestellung

Lieferzeit: 5 Werktage

Pos.
161
BOSCH Typschild RCH 230V | Ersatzteile für GTR 55-225 | 1619PB8633
Hersteller: BOSCH
Artikelnummer: EB-3601GD4030-1619PB8633
Netto: 4,53 € zzgl. MwSt.
zzgl. 6,90 € Versand (brutto)
einmalig pro Bestellung

Lieferzeit: 5 Werktage

Pos.
162
BOSCH Firmenschild GTR 55-225 | Ersatzteile für GTR 55-225 | 1619PB8639
Hersteller: BOSCH
Artikelnummer: EB-3601GD4030-1619PB8639
Netto: 4,53 € zzgl. MwSt.
zzgl. 6,90 € Versand (brutto)
einmalig pro Bestellung

Lieferzeit: 5 Werktage

Pos.
651
BOSCH Innensechskantschlüssel | Ersatzteile für GTR 55-225 | 1619PB6075
Hersteller: BOSCH
Artikelnummer: EB-3601GD4030-1619PB6075
Netto: 4,32 € zzgl. MwSt.
zzgl. 6,90 € Versand (brutto)
einmalig pro Bestellung

Lieferzeit: 5 Werktage

Pos.
655
BOSCH Gummischleifteller | Ersatzteile für GTR 55-225 | 1607000E5X
Hersteller: BOSCH
Artikelnummer: EB-3601GD4030-1607000E5X
Netto: 29,45 € zzgl. MwSt.
zzgl. 6,90 € Versand (brutto)
einmalig pro Bestellung

Lieferzeit: 5 Werktage

Pos.
656
BOSCH Stützteller | Ersatzteile für GTR 55-225 | 1619PB6056
Hersteller: BOSCH
Artikelnummer: EB-3601GD4030-1619PB6056
Netto: 17,38 € zzgl. MwSt.
zzgl. 6,90 € Versand (brutto)
einmalig pro Bestellung

Lieferzeit: 5 Werktage

Pos.
657
BOSCH Klammer | Ersatzteile für GTR 55-225 | 1619PB6088
Hersteller: BOSCH
Artikelnummer: EB-3601GD4030-1619PB6088
Netto: 3,94 € zzgl. MwSt.
zzgl. 6,90 € Versand (brutto)
einmalig pro Bestellung

Lieferzeit: 5 Werktage

Pos.
658
BOSCH Vakuumadapter | Ersatzteile für GTR 55-225 | 1607000F2K
Hersteller: BOSCH
Artikelnummer: EB-3601GD4030-1607000F2K
Netto: 7,30 € zzgl. MwSt.
zzgl. 6,90 € Versand (brutto)
einmalig pro Bestellung

Lieferzeit: 5 Werktage

Pos.
810
BOSCH Kohlebürstensatz FUJI GPA 418S2P | Ersatzteile für GTR 55-225 | 1607000E7H
Hersteller: BOSCH
Artikelnummer: EB-3601GD4030-1607000E7H
Netto: 11,92 € zzgl. MwSt.
zzgl. 6,90 € Versand (brutto)
einmalig pro Bestellung

Lieferzeit: 7 Werktage

Pos.
817
BOSCH Pressplatte | Ersatzteile für GTR 55-225 | 1619PB6081
Hersteller: BOSCH
Artikelnummer: EB-3601GD4030-1619PB6081
Netto: 3,63 € zzgl. MwSt.
zzgl. 6,90 € Versand (brutto)
einmalig pro Bestellung

Lieferzeit: 5 Werktage

Pos.
866
BOSCH Gangknopf | Ersatzteile für GTR 55-225 | 1619PB6085
Hersteller: BOSCH
Artikelnummer: EB-3601GD4030-1619PB6085
Netto: 3,94 € zzgl. MwSt.
zzgl. 6,90 € Versand (brutto)
einmalig pro Bestellung

Lieferzeit: 5 Werktage

Pos.
888
BOSCH Steckkupplung GTR550 | Ersatzteile für GTR 55-225 | 1607000E8U
Hersteller: BOSCH
Artikelnummer: EB-3601GD4030-1607000E8U
Netto: 12,98 € zzgl. MwSt.
zzgl. 6,90 € Versand (brutto)
einmalig pro Bestellung

Lieferzeit: 5 Werktage

Angaben zur Produktsicherheit

Hersteller:
Robert Bosch Power Tools GmbH
Postfach 30 02 20
70442 Stuttgart

E-Mail:
kontakt@bosch.de