BOSCH Et-Motorgruppe | Ersatzteile für GTS 10 J | 1609B07857

Artikelnummer: EB-3601M30500-1609B07857

Position: 802

Marke: BOSCH


Bitte Kompatibilität prüfen!

Bitte prüfen Sie unbedingt die 10-stellige Typennummer Ihrer Maschine / Ihres Gerätes. Das Ersatzteil ist nur kompatibel, wenn Sie die Typennummer Ihrer Maschine in der unten stehenden Produktbeschreibung finden.

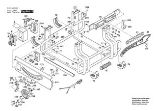
Bitte prüfen Sie ebenfalls detailliert die Explosionszeichnung mit Ihrem Artikelwunsch und der jeweiligen Pos-Nummer.

Alle Elemente, welche vom schwarzen Strich der Pos-Nummer ausgehend berührt / erfasst werden, gehören zu dieser Pos-Nummer und somit zu diesem Artikel. Jede Pos-Nummer ist ein eigenständiger Artikel, welchen Sie in der Auflistung finden.

Sie erhalten stets die aktuellste, neueste Produktversion zu der gewählten Pos-Nummer seitens des Herstellers. Es kann daher je nach Gerätealter vorkommen, dass Sie ggf. weitere, zugehörige Elemente, welche an diese Pos-Nummer grenzen, ebenfalls mittauschen müssen.

Nähere Informationen finden Sie unter dem Link
Hinweise zu Ihrer BOSCH Ersatzteilsuche

Preisübersicht

Einzelpreis: 86,83 €* (Brutto: 103,33 €)
Gesamtpreis: 86,83 €* 
Position:

Lieferzeit: 5 Werktage


Beschreibung

  • Et-Motorgruppe
  • Original Bosch Zubehör / BOSCH Ersatzteil (1609B07857)
  • im Gerät verbaut: 1
Dieses BOSCH Ersatzteil ist mit folgendem Gerät und Modell kompatibel:
  • BOSCH Gerätename: GTS 10 J
  • BOSCH Explosionszeichnung: Position 802
  • BOSCH Typennummer: 3601M30500
  • BOSCH Typennummer alternative Schreibweisen: 3 601 M30 500, 3601 M30 500, 3.601.M30.500, 3-601-M30-500
    Bitte prüfen Sie diese Typennummer auf Ihrem Gerät um die Kompatibilität des BOSCH Ersatzteils zu gewährleisten.
Weitere BOSCH Ersatzteile des Gerätes GTS 10 J (Tischkreissäge) mit der Typennummer 3601M30500 finden Sie in der nachfolgenden Darstellung und im Dropdown zu Ihrer Auswahl:

Pos.
1
BOSCH Motorgehäuse | Ersatzteile für GTS 10 J | 2610016996
Hersteller: BOSCH
Artikelnummer: EB-3601M30500-2610016996
Netto: 42,86 € zzgl. MwSt.
zzgl. 6,90 € Versand (brutto)
einmalig pro Bestellung

Lieferzeit: 5 Werktage

Pos.
2
BOSCH Polschuh 230V | Ersatzteile für GTS 10 J | 1609203K86
Hersteller: BOSCH
Artikelnummer: EB-3601M30500-1609203K86
Netto: 52,14 € zzgl. MwSt.
zzgl. 6,90 € Versand (brutto)
einmalig pro Bestellung

Lieferzeit: 5 Werktage

Pos.
3
BOSCH Anker 230V | Ersatzteile für GTS 10 J | 1619P03278
Hersteller: BOSCH
Artikelnummer: EB-3601M30500-1619P03278
Netto: 96,32 € zzgl. MwSt.
zzgl. 6,90 € Versand (brutto)
einmalig pro Bestellung

Lieferzeit: 65 Werktage

Pos.
4
BOSCH Schalter | Ersatzteile für GTS 10 J | 2610016997
Hersteller: BOSCH
Artikelnummer: EB-3601M30500-2610016997
Netto: 32,74 € zzgl. MwSt.
zzgl. 6,90 € Versand (brutto)
einmalig pro Bestellung

Lieferzeit: 5 Werktage

Pos.
5
BOSCH Netzanschlussleitung | Ersatzteile für GTS 10 J | 2610016998
Hersteller: BOSCH
Artikelnummer: EB-3601M30500-2610016998
nur Informationsartikel
Nie mehr lieferbar
keine Alternativen
Pos.
6
BOSCH Kabelklemme | Ersatzteile für GTS 10 J | 1609203K96
Hersteller: BOSCH
Artikelnummer: EB-3601M30500-1609203K96
Netto: 3,63 € zzgl. MwSt.
zzgl. 6,90 € Versand (brutto)
einmalig pro Bestellung

Lieferzeit: 5 Werktage

Pos.
7
BOSCH Kabelklemme | Ersatzteile für GTS 10 J | 2610014693
Hersteller: BOSCH
Artikelnummer: EB-3601M30500-2610014693
Netto: 3,63 € zzgl. MwSt.
zzgl. 6,90 € Versand (brutto)
einmalig pro Bestellung

Lieferzeit: 5 Werktage

Pos.
8
BOSCH Typschild | Ersatzteile für GTS 10 J | 2610016764
Hersteller: BOSCH
Artikelnummer: EB-3601M30500-2610016764
Netto: 4,27 € zzgl. MwSt.
zzgl. 6,90 € Versand (brutto)
einmalig pro Bestellung

Lieferzeit: 5 Werktage

Pos.
10
BOSCH Kohlebürstensatz | Ersatzteile für GTS 10 J | 2610018332
Hersteller: BOSCH
Artikelnummer: EB-3601M30500-2610018332
Netto: 19,18 € zzgl. MwSt.
zzgl. 6,90 € Versand (brutto)
einmalig pro Bestellung

Lieferzeit: 5 Werktage

Pos.
13
BOSCH Kugellager | Ersatzteile für GTS 10 J | 2610004595
Hersteller: BOSCH
Artikelnummer: EB-3601M30500-2610004595
Netto: 10,92 € zzgl. MwSt.
zzgl. 6,90 € Versand (brutto)
einmalig pro Bestellung

Lieferzeit: 5 Werktage

Pos.
14
BOSCH Kugellager | Ersatzteile für GTS 10 J | 2610911927
Hersteller: BOSCH
Artikelnummer: EB-3601M30500-2610911927
Netto: 21,16 € zzgl. MwSt.
zzgl. 6,90 € Versand (brutto)
einmalig pro Bestellung

Lieferzeit: 5 Werktage

Pos.
18
BOSCH Schraube | Ersatzteile für GTS 10 J | 2610015078
Hersteller: BOSCH
Artikelnummer: EB-3601M30500-2610015078
Netto: 3,63 € zzgl. MwSt.
zzgl. 6,90 € Versand (brutto)
einmalig pro Bestellung

Lieferzeit: 5 Werktage

Pos.
19
BOSCH Schraube | Ersatzteile für GTS 10 J | 2610017002
Hersteller: BOSCH
Artikelnummer: EB-3601M30500-2610017002
Netto: 3,63 € zzgl. MwSt.
zzgl. 6,90 € Versand (brutto)
einmalig pro Bestellung

Lieferzeit: 5 Werktage

Pos.
22
BOSCH Schraube | Ersatzteile für GTS 10 J | 2610014697
Hersteller: BOSCH
Artikelnummer: EB-3601M30500-2610014697
Netto: 3,63 € zzgl. MwSt.
zzgl. 6,90 € Versand (brutto)
einmalig pro Bestellung

Lieferzeit: 5 Werktage

Pos.
16
BOSCH Bürstenhalter | Ersatzteile für GTS 10 J | 2610911858
Hersteller: BOSCH
Artikelnummer: EB-3601M30500-2610013003
Netto: 14,36 € zzgl. MwSt.
zzgl. 6,90 € Versand (brutto)
einmalig pro Bestellung

Lieferzeit: 5 Werktage

Pos.
16
BOSCH Bürstenhalter | Ersatzteile für GTS 10 J | 2610013003
Hersteller: BOSCH
Artikelnummer: EB-3601M30500-2610013003
nur Informationsartikel
Nie mehr lieferbar
keine Alternativen
Pos.
25
BOSCH Mutter | Ersatzteile für GTS 10 J | 2610014698
Hersteller: BOSCH
Artikelnummer: EB-3601M30500-2610014698
Netto: 3,63 € zzgl. MwSt.
zzgl. 6,90 € Versand (brutto)
einmalig pro Bestellung

Lieferzeit: 5 Werktage

Pos.
26
BOSCH Verbindungsmutter | Ersatzteile für GTS 10 J | 2610996920
Hersteller: BOSCH
Artikelnummer: EB-3601M30500-2610996920
Netto: 6,70 € zzgl. MwSt.
zzgl. 6,90 € Versand (brutto)
einmalig pro Bestellung

Lieferzeit: 5 Werktage

Pos.
27
BOSCH Handgriff | Ersatzteile für GTS 10 J | 2610014699
Hersteller: BOSCH
Artikelnummer: EB-3601M30500-2610014699
Netto: 7,30 € zzgl. MwSt.
zzgl. 6,90 € Versand (brutto)
einmalig pro Bestellung

Lieferzeit: 5 Werktage

Pos.
28
BOSCH Kurvenscheibe | Ersatzteile für GTS 10 J | 2610015000
Hersteller: BOSCH
Artikelnummer: EB-3601M30500-2610015000
Netto: 9,95 € zzgl. MwSt.
zzgl. 6,90 € Versand (brutto)
einmalig pro Bestellung

Lieferzeit: 5 Werktage

Pos.
29
BOSCH Scheibe | Ersatzteile für GTS 10 J | 2610015001
Hersteller: BOSCH
Artikelnummer: EB-3601M30500-2610015001
Netto: 3,63 € zzgl. MwSt.
zzgl. 6,90 € Versand (brutto)
einmalig pro Bestellung

Lieferzeit: 5 Werktage

Pos.
30
BOSCH Sicherungsring | Ersatzteile für GTS 10 J | 2610015002
Hersteller: BOSCH
Artikelnummer: EB-3601M30500-2610015002
Netto: 3,63 € zzgl. MwSt.
zzgl. 6,90 € Versand (brutto)
einmalig pro Bestellung

Lieferzeit: 5 Werktage

Pos.
32
BOSCH Steckerstift | Ersatzteile für GTS 10 J | 2610017003
Hersteller: BOSCH
Artikelnummer: EB-3601M30500-2610017003
Netto: 3,63 € zzgl. MwSt.
zzgl. 6,90 € Versand (brutto)
einmalig pro Bestellung

Lieferzeit: 5 Werktage

Pos.
33
BOSCH Stange | Ersatzteile für GTS 10 J | 2610017004
Hersteller: BOSCH
Artikelnummer: EB-3601M30500-2610017004
Netto: 7,66 € zzgl. MwSt.
zzgl. 6,90 € Versand (brutto)
einmalig pro Bestellung

Lieferzeit: 5 Werktage

Pos.
34
BOSCH Ergänzungsgestell | Ersatzteile für GTS 10 J | 2610017005
Hersteller: BOSCH
Artikelnummer: EB-3601M30500-2610017005
Netto: 35,77 € zzgl. MwSt.
zzgl. 6,90 € Versand (brutto)
einmalig pro Bestellung

Lieferzeit: 5 Werktage

Pos.
35
BOSCH Rückhalteblech | Ersatzteile für GTS 10 J | 2610015006
Hersteller: BOSCH
Artikelnummer: EB-3601M30500-2610015006
Netto: 4,32 € zzgl. MwSt.
zzgl. 6,90 € Versand (brutto)
einmalig pro Bestellung

Lieferzeit: 5 Werktage

Pos.
36
BOSCH Rollen-Bundbolzen | Ersatzteile für GTS 10 J | 2610910015
Hersteller: BOSCH
Artikelnummer: EB-3601M30500-2610910015
Netto: 4,82 € zzgl. MwSt.
zzgl. 6,90 € Versand (brutto)
einmalig pro Bestellung

Lieferzeit: 5 Werktage

Pos.
37
BOSCH Federscheibe | Ersatzteile für GTS 10 J | 2610355325
Hersteller: BOSCH
Artikelnummer: EB-3601M30500-2610355325
Netto: 3,63 € zzgl. MwSt.
zzgl. 6,90 € Versand (brutto)
einmalig pro Bestellung

Lieferzeit: 5 Werktage

Pos.
38
BOSCH Scheibe | Ersatzteile für GTS 10 J | 2610910013
Hersteller: BOSCH
Artikelnummer: EB-3601M30500-2610910013
Netto: 4,32 € zzgl. MwSt.
zzgl. 6,90 € Versand (brutto)
einmalig pro Bestellung

Lieferzeit: 5 Werktage

Pos.
39
BOSCH Mutter | Ersatzteile für GTS 10 J | 2610015008
Hersteller: BOSCH
Artikelnummer: EB-3601M30500-2610015008
Netto: 3,63 € zzgl. MwSt.
zzgl. 6,90 € Versand (brutto)
einmalig pro Bestellung

Lieferzeit: 5 Werktage

Pos.
40
BOSCH Handgriff | Ersatzteile für GTS 10 J | 2610015009
Hersteller: BOSCH
Artikelnummer: EB-3601M30500-2610015009
nur Informationsartikel
Nie mehr lieferbar
keine Alternativen
Pos.
41
BOSCH Zeiger | Ersatzteile für GTS 10 J | 2610015010
Hersteller: BOSCH
Artikelnummer: EB-3601M30500-2610015010
Netto: 3,94 € zzgl. MwSt.
zzgl. 6,90 € Versand (brutto)
einmalig pro Bestellung

Lieferzeit: 5 Werktage

Pos.
42
BOSCH Schraube | Ersatzteile für GTS 10 J | 2610950077
Hersteller: BOSCH
Artikelnummer: EB-3601M30500-2610950077
Netto: 3,63 € zzgl. MwSt.
zzgl. 6,90 € Versand (brutto)
einmalig pro Bestellung

Lieferzeit: 5 Werktage

Pos.
44
BOSCH Gleitschuh | Ersatzteile für GTS 10 J | 2610023173
Hersteller: BOSCH
Artikelnummer: EB-3601M30500-2610023173
Netto: 4,32 € zzgl. MwSt.
zzgl. 6,90 € Versand (brutto)
einmalig pro Bestellung

Lieferzeit: 5 Werktage

Pos.
72
BOSCH Schraube | Ersatzteile für GTS 10 J | 2610950069
Hersteller: BOSCH
Artikelnummer: EB-3601M30500-2610950069
Netto: 3,63 € zzgl. MwSt.
zzgl. 6,90 € Versand (brutto)
einmalig pro Bestellung

Lieferzeit: 5 Werktage

Pos.
73
BOSCH Scheibe | Ersatzteile für GTS 10 J | 2610015011
Hersteller: BOSCH
Artikelnummer: EB-3601M30500-2610015011
Netto: 3,63 € zzgl. MwSt.
zzgl. 6,90 € Versand (brutto)
einmalig pro Bestellung

Lieferzeit: 5 Werktage

Pos.
74
BOSCH Bolzen | Ersatzteile für GTS 10 J | 2610015012
Hersteller: BOSCH
Artikelnummer: EB-3601M30500-2610015012
Netto: 3,63 € zzgl. MwSt.
zzgl. 6,90 € Versand (brutto)
einmalig pro Bestellung

Lieferzeit: 5 Werktage

Pos.
75
BOSCH Scheibe | Ersatzteile für GTS 10 J | 2610925438
Hersteller: BOSCH
Artikelnummer: EB-3601M30500-2610925438
Netto: 3,63 € zzgl. MwSt.
zzgl. 6,90 € Versand (brutto)
einmalig pro Bestellung

Lieferzeit: 5 Werktage

Pos.
76
BOSCH Gerätefuss | Ersatzteile für GTS 10 J | 2610015014
Hersteller: BOSCH
Artikelnummer: EB-3601M30500-2610015014
Netto: 6,15 € zzgl. MwSt.
zzgl. 6,90 € Versand (brutto)
einmalig pro Bestellung

Lieferzeit: 5 Werktage

Pos.
77
BOSCH Schraube | Ersatzteile für GTS 10 J | 2610015015
Hersteller: BOSCH
Artikelnummer: EB-3601M30500-2610015015
Netto: 3,63 € zzgl. MwSt.
zzgl. 6,90 € Versand (brutto)
einmalig pro Bestellung

Lieferzeit: 5 Werktage

Pos.
78
BOSCH Handgriff | Ersatzteile für GTS 10 J | 2610015016
Hersteller: BOSCH
Artikelnummer: EB-3601M30500-2610015016
Netto: 10,92 € zzgl. MwSt.
zzgl. 6,90 € Versand (brutto)
einmalig pro Bestellung

Lieferzeit: 5 Werktage

Pos.
79
BOSCH Halteplatte | Ersatzteile für GTS 10 J | 2610015017
Hersteller: BOSCH
Artikelnummer: EB-3601M30500-2610015017
Netto: 11,92 € zzgl. MwSt.
zzgl. 6,90 € Versand (brutto)
einmalig pro Bestellung

Lieferzeit: 5 Werktage

Pos.
80
BOSCH Schraube | Ersatzteile für GTS 10 J | 2610015018
Hersteller: BOSCH
Artikelnummer: EB-3601M30500-2610015018
Netto: 3,59 € zzgl. MwSt.
zzgl. 6,90 € Versand (brutto)
einmalig pro Bestellung

Lieferzeit: 5 Werktage

Pos.
81
BOSCH Schlüssel | Ersatzteile für GTS 10 J | 2610015019
Hersteller: BOSCH
Artikelnummer: EB-3601M30500-2610015019
Netto: 8,33 € zzgl. MwSt.
zzgl. 6,90 € Versand (brutto)
einmalig pro Bestellung

Lieferzeit: 5 Werktage

Pos.
82
BOSCH Lagerdeckel | Ersatzteile für GTS 10 J | 2610911566
Hersteller: BOSCH
Artikelnummer: EB-3601M30500-2610911566
Netto: 4,82 € zzgl. MwSt.
zzgl. 6,90 € Versand (brutto)
einmalig pro Bestellung

Lieferzeit: 5 Werktage

Pos.
83
BOSCH Mutter | Ersatzteile für GTS 10 J | 2610015021
Hersteller: BOSCH
Artikelnummer: EB-3601M30500-2610015021
Netto: 3,94 € zzgl. MwSt.
zzgl. 6,90 € Versand (brutto)
einmalig pro Bestellung

Lieferzeit: 5 Werktage

Pos.
84
BOSCH Werkstückschieber | Ersatzteile für GTS 10 J | 2610015022
Hersteller: BOSCH
Artikelnummer: EB-3601M30500-2610015022
Netto: 7,30 € zzgl. MwSt.
zzgl. 6,90 € Versand (brutto)
einmalig pro Bestellung

Lieferzeit: 5 Werktage

Pos.
86
BOSCH Stützwinkel | Ersatzteile für GTS 10 J | 2610017007
Hersteller: BOSCH
Artikelnummer: EB-3601M30500-2610017007
Netto: 4,53 € zzgl. MwSt.
zzgl. 6,90 € Versand (brutto)
einmalig pro Bestellung

Lieferzeit: 5 Werktage

Pos.
88
BOSCH Skale | Ersatzteile für GTS 10 J | 2610017009
Hersteller: BOSCH
Artikelnummer: EB-3601M30500-2610017009
Netto: 4,53 € zzgl. MwSt.
zzgl. 6,90 € Versand (brutto)
einmalig pro Bestellung

Lieferzeit: 5 Werktage

Pos.
102
BOSCH Schraube | Ersatzteile für GTS 10 J | 1609902670
Hersteller: BOSCH
Artikelnummer: EB-3601M30500-1609902670
Netto: 3,63 € zzgl. MwSt.
zzgl. 6,90 € Versand (brutto)
einmalig pro Bestellung

Lieferzeit: 5 Werktage

Pos.
103
BOSCH Mutter | Ersatzteile für GTS 10 J | 2610327868
Hersteller: BOSCH
Artikelnummer: EB-3601M30500-2610327868
Netto: 3,63 € zzgl. MwSt.
zzgl. 6,90 € Versand (brutto)
einmalig pro Bestellung

Lieferzeit: 5 Werktage

Pos.
109
BOSCH Schraube | Ersatzteile für GTS 10 J | 2610998587
Hersteller: BOSCH
Artikelnummer: EB-3601M30500-2610998587
Netto: 3,63 € zzgl. MwSt.
zzgl. 6,90 € Versand (brutto)
einmalig pro Bestellung

Lieferzeit: 5 Werktage

Pos.
112
BOSCH Endkappe | Ersatzteile für GTS 10 J | 2610017013
Hersteller: BOSCH
Artikelnummer: EB-3601M30500-2610017013
Netto: 8,33 € zzgl. MwSt.
zzgl. 6,90 € Versand (brutto)
einmalig pro Bestellung

Lieferzeit: 5 Werktage

Pos.
113
BOSCH Verbinder | Ersatzteile für GTS 10 J | 2610911933
Hersteller: BOSCH
Artikelnummer: EB-3601M30500-2610911933
Netto: 3,63 € zzgl. MwSt.
zzgl. 6,90 € Versand (brutto)
einmalig pro Bestellung

Lieferzeit: 5 Werktage

Pos.
118
BOSCH Federscheibe | Ersatzteile für GTS 10 J | 2610950042
Hersteller: BOSCH
Artikelnummer: EB-3601M30500-2610950042
Netto: 3,63 € zzgl. MwSt.
zzgl. 6,90 € Versand (brutto)
einmalig pro Bestellung

Lieferzeit: 5 Werktage

Pos.
120
BOSCH Schraube | Ersatzteile für GTS 10 J | 2610950044
Hersteller: BOSCH
Artikelnummer: EB-3601M30500-2610950044
Netto: 3,63 € zzgl. MwSt.
zzgl. 6,90 € Versand (brutto)
einmalig pro Bestellung

Lieferzeit: 5 Werktage

Pos.
121
BOSCH Kugellager | Ersatzteile für GTS 10 J | 2610996949
Hersteller: BOSCH
Artikelnummer: EB-3601M30500-2610996949
Netto: 12,98 € zzgl. MwSt.
zzgl. 6,90 € Versand (brutto)
einmalig pro Bestellung

Lieferzeit: 5 Werktage

Pos.
122
BOSCH Filter | Ersatzteile für GTS 10 J | 2610017015
Hersteller: BOSCH
Artikelnummer: EB-3601M30500-2610017015
Netto: 10,92 € zzgl. MwSt.
zzgl. 6,90 € Versand (brutto)
einmalig pro Bestellung

Lieferzeit: 5 Werktage

Pos.
123
BOSCH Sicherungsring | Ersatzteile für GTS 10 J | 2610997281
Hersteller: BOSCH
Artikelnummer: EB-3601M30500-2610997281
Netto: 3,63 € zzgl. MwSt.
zzgl. 6,90 € Versand (brutto)
einmalig pro Bestellung

Lieferzeit: 5 Werktage

Pos.
124
BOSCH Schraube | Ersatzteile für GTS 10 J | 2610998572
Hersteller: BOSCH
Artikelnummer: EB-3601M30500-2610998572
Netto: 3,63 € zzgl. MwSt.
zzgl. 6,90 € Versand (brutto)
einmalig pro Bestellung

Lieferzeit: 5 Werktage

Pos.
125
BOSCH Drehfeder | Ersatzteile für GTS 10 J | 2610996875
Hersteller: BOSCH
Artikelnummer: EB-3601M30500-2610996875
Netto: 3,94 € zzgl. MwSt.
zzgl. 6,90 € Versand (brutto)
einmalig pro Bestellung

Lieferzeit: 5 Werktage

Pos.
126
BOSCH Sperrhebel | Ersatzteile für GTS 10 J | 2610996874
Hersteller: BOSCH
Artikelnummer: EB-3601M30500-2610996874
Netto: 9,95 € zzgl. MwSt.
zzgl. 6,90 € Versand (brutto)
einmalig pro Bestellung

Lieferzeit: 5 Werktage

Pos.
127
BOSCH Ansatzschraube | Ersatzteile für GTS 10 J | 2610996876
Hersteller: BOSCH
Artikelnummer: EB-3601M30500-2610996876
Netto: 3,94 € zzgl. MwSt.
zzgl. 6,90 € Versand (brutto)
einmalig pro Bestellung

Lieferzeit: 5 Werktage

Pos.
128
BOSCH Schraube | Ersatzteile für GTS 10 J | 2610998588
Hersteller: BOSCH
Artikelnummer: EB-3601M30500-2610998588
Netto: 3,94 € zzgl. MwSt.
zzgl. 6,90 € Versand (brutto)
einmalig pro Bestellung

Lieferzeit: 5 Werktage

Pos.
130
BOSCH Getriebegehäuse | Ersatzteile für GTS 10 J | 2610017017
Hersteller: BOSCH
Artikelnummer: EB-3601M30500-2610017017
Netto: 52,14 € zzgl. MwSt.
zzgl. 6,90 € Versand (brutto)
einmalig pro Bestellung

Lieferzeit: 5 Werktage

Pos.
131
BOSCH Sprengring | Ersatzteile für GTS 10 J | 2610937293
Hersteller: BOSCH
Artikelnummer: EB-3601M30500-2610937293
Netto: 3,63 € zzgl. MwSt.
zzgl. 6,90 € Versand (brutto)
einmalig pro Bestellung

Lieferzeit: 5 Werktage

Pos.
132
BOSCH Schiebeblech | Ersatzteile für GTS 10 J | 2610015026
Hersteller: BOSCH
Artikelnummer: EB-3601M30500-2610015026
nur Informationsartikel
Nie mehr lieferbar
keine Alternativen
Pos.
134
BOSCH Stützplatte | Ersatzteile für GTS 10 J | 2610015027
Hersteller: BOSCH
Artikelnummer: EB-3601M30500-2610015027
Netto: 3,63 € zzgl. MwSt.
zzgl. 6,90 € Versand (brutto)
einmalig pro Bestellung

Lieferzeit: 5 Werktage

Pos.
136
BOSCH Sicherungsbügel | Ersatzteile für GTS 10 J | 2610017008
Hersteller: BOSCH
Artikelnummer: EB-3601M30500-2610017008
Netto: 5,17 € zzgl. MwSt.
zzgl. 6,90 € Versand (brutto)
einmalig pro Bestellung

Lieferzeit: 5 Werktage

Pos.
137
BOSCH Tisch | Ersatzteile für GTS 10 J | 2610017019
Hersteller: BOSCH
Artikelnummer: EB-3601M30500-2610017019
Netto: 270,89 € zzgl. MwSt.
zzgl. 6,90 € Versand (brutto)
einmalig pro Bestellung

Lieferzeit: 5 Werktage

Pos.
140
BOSCH Gewindestift | Ersatzteile für GTS 10 J | 1609902054
Hersteller: BOSCH
Artikelnummer: EB-3601M30500-1609902054
Netto: 3,63 € zzgl. MwSt.
zzgl. 6,90 € Versand (brutto)
einmalig pro Bestellung

Lieferzeit: 5 Werktage

Pos.
141
BOSCH Schraube | Ersatzteile für GTS 10 J | 2610911929
Hersteller: BOSCH
Artikelnummer: EB-3601M30500-2610911929
Netto: 3,63 € zzgl. MwSt.
zzgl. 6,90 € Versand (brutto)
einmalig pro Bestellung

Lieferzeit: 5 Werktage

Pos.
142
BOSCH Sicherungsmutter | Ersatzteile für GTS 10 J | 2610911901
Hersteller: BOSCH
Artikelnummer: EB-3601M30500-2610911901
Netto: 3,94 € zzgl. MwSt.
zzgl. 6,90 € Versand (brutto)
einmalig pro Bestellung

Lieferzeit: 5 Werktage

Pos.
143
BOSCH Einsatz | Ersatzteile für GTS 10 J | 2610911569
Hersteller: BOSCH
Artikelnummer: EB-3601M30500-2610911569
Netto: 4,53 € zzgl. MwSt.
zzgl. 6,90 € Versand (brutto)
einmalig pro Bestellung

Lieferzeit: 5 Werktage

Pos.
144
BOSCH Gummiring | Ersatzteile für GTS 10 J | 2610996948
Hersteller: BOSCH
Artikelnummer: EB-3601M30500-2610996948
Netto: 3,94 € zzgl. MwSt.
zzgl. 6,90 € Versand (brutto)
einmalig pro Bestellung

Lieferzeit: 5 Werktage

Pos.
145
BOSCH Schraube | Ersatzteile für GTS 10 J | 2610950071
Hersteller: BOSCH
Artikelnummer: EB-3601M30500-2610950071
Netto: 3,63 € zzgl. MwSt.
zzgl. 6,90 € Versand (brutto)
einmalig pro Bestellung

Lieferzeit: 5 Werktage

Pos.
146
BOSCH Endkappe | Ersatzteile für GTS 10 J | 2610015030
Hersteller: BOSCH
Artikelnummer: EB-3601M30500-2610015030
Netto: 3,94 € zzgl. MwSt.
zzgl. 6,90 € Versand (brutto)
einmalig pro Bestellung

Lieferzeit: 5 Werktage

Pos.
147
BOSCH Bürstendeckel | Ersatzteile für GTS 10 J | 2610916802
Hersteller: BOSCH
Artikelnummer: EB-3601M30500-2610916802
nur Informationsartikel
Nie mehr lieferbar
keine Alternativen
Pos.
147
BOSCH Bürstendeckel Ø 20mm | Ersatzteile für GTS 10 J | 2610911859
Hersteller: BOSCH
Artikelnummer: EB-3601M30500-2610911859
Netto: 4,32 € zzgl. MwSt.
zzgl. 6,90 € Versand (brutto)
einmalig pro Bestellung

Lieferzeit: 5 Werktage

Pos.
149
BOSCH Sicherungsring | Ersatzteile für GTS 10 J | 2610015031
Hersteller: BOSCH
Artikelnummer: EB-3601M30500-2610015031
Netto: 3,63 € zzgl. MwSt.
zzgl. 6,90 € Versand (brutto)
einmalig pro Bestellung

Lieferzeit: 5 Werktage

Pos.
150
BOSCH Lagerhülse | Ersatzteile für GTS 10 J | 2610996932
Hersteller: BOSCH
Artikelnummer: EB-3601M30500-2610996932
Netto: 4,53 € zzgl. MwSt.
zzgl. 6,90 € Versand (brutto)
einmalig pro Bestellung

Lieferzeit: 5 Werktage

Pos.
151
BOSCH Absauganschluss | Ersatzteile für GTS 10 J | 2610017001
Hersteller: BOSCH
Artikelnummer: EB-3601M30500-2610017001
Netto: 6,70 € zzgl. MwSt.
zzgl. 6,90 € Versand (brutto)
einmalig pro Bestellung

Lieferzeit: 5 Werktage

Pos.
152
BOSCH Kugellager | Ersatzteile für GTS 10 J | 2610997210
Hersteller: BOSCH
Artikelnummer: EB-3601M30500-2610997210
Netto: 12,98 € zzgl. MwSt.
zzgl. 6,90 € Versand (brutto)
einmalig pro Bestellung

Lieferzeit: 5 Werktage

Pos.
153
BOSCH Sicherungsring | Ersatzteile für GTS 10 J | 2610997282
Hersteller: BOSCH
Artikelnummer: EB-3601M30500-2610997282
Netto: 3,63 € zzgl. MwSt.
zzgl. 6,90 € Versand (brutto)
einmalig pro Bestellung

Lieferzeit: 5 Werktage

Pos.
154
BOSCH Spindel | Ersatzteile für GTS 10 J | 2610017021
Hersteller: BOSCH
Artikelnummer: EB-3601M30500-2610017021
Netto: 26,88 € zzgl. MwSt.
zzgl. 6,90 € Versand (brutto)
einmalig pro Bestellung

Lieferzeit: 5 Werktage

Pos.
155
BOSCH Scheibenfeder | Ersatzteile für GTS 10 J | 2610012984
Hersteller: BOSCH
Artikelnummer: EB-3601M30500-2610012984
Netto: 3,63 € zzgl. MwSt.
zzgl. 6,90 € Versand (brutto)
einmalig pro Bestellung

Lieferzeit: 5 Werktage

Pos.
156
BOSCH Zahnrad | Ersatzteile für GTS 10 J | 2610997208
Hersteller: BOSCH
Artikelnummer: EB-3601M30500-2610997208
Netto: 32,74 € zzgl. MwSt.
zzgl. 6,90 € Versand (brutto)
einmalig pro Bestellung

Lieferzeit: 5 Werktage

Pos.
157
BOSCH Buchse | Ersatzteile für GTS 10 J | 2610017018
Hersteller: BOSCH
Artikelnummer: EB-3601M30500-2610017018
Netto: 5,19 € zzgl. MwSt.
zzgl. 6,90 € Versand (brutto)
einmalig pro Bestellung

Lieferzeit: 5 Werktage

Pos.
158
BOSCH Sicherungsring | Ersatzteile für GTS 10 J | 2610998573
Hersteller: BOSCH
Artikelnummer: EB-3601M30500-2610998573
Netto: 3,63 € zzgl. MwSt.
zzgl. 6,90 € Versand (brutto)
einmalig pro Bestellung

Lieferzeit: 5 Werktage

Pos.
159
BOSCH Gewindestift | Ersatzteile für GTS 10 J | 2610950427
Hersteller: BOSCH
Artikelnummer: EB-3601M30500-2610950427
Netto: 3,63 € zzgl. MwSt.
zzgl. 6,90 € Versand (brutto)
einmalig pro Bestellung

Lieferzeit: 5 Werktage

Pos.
160
BOSCH Kette | Ersatzteile für GTS 10 J | 2610017022
Hersteller: BOSCH
Artikelnummer: EB-3601M30500-2610017022
Netto: 3,63 € zzgl. MwSt.
zzgl. 6,90 € Versand (brutto)
einmalig pro Bestellung

Lieferzeit: 5 Werktage

Pos.
161
BOSCH Befestigungswinkel | Ersatzteile für GTS 10 J | 2610950126
Hersteller: BOSCH
Artikelnummer: EB-3601M30500-2610950126
Netto: 8,33 € zzgl. MwSt.
zzgl. 6,90 € Versand (brutto)
einmalig pro Bestellung

Lieferzeit: 5 Werktage

Pos.
162
BOSCH Lagerbuchse | Ersatzteile für GTS 10 J | 2610950070
Hersteller: BOSCH
Artikelnummer: EB-3601M30500-2610950070
Netto: 3,63 € zzgl. MwSt.
zzgl. 6,90 € Versand (brutto)
einmalig pro Bestellung

Lieferzeit: 5 Werktage

Pos.
163
BOSCH Stützwinkel | Ersatzteile für GTS 10 J | 2610015035
Hersteller: BOSCH
Artikelnummer: EB-3601M30500-2610015035
Netto: 8,33 € zzgl. MwSt.
zzgl. 6,90 € Versand (brutto)
einmalig pro Bestellung

Lieferzeit: 5 Werktage

Pos.
164
BOSCH Befestigungssatz | Ersatzteile für GTS 10 J | 2610017023
Hersteller: BOSCH
Artikelnummer: EB-3601M30500-2610017023
Netto: 12,98 € zzgl. MwSt.
zzgl. 6,90 € Versand (brutto)
einmalig pro Bestellung

Lieferzeit: 5 Werktage

Pos.
165
BOSCH Halteplatte | Ersatzteile für GTS 10 J | 2610017024
Hersteller: BOSCH
Artikelnummer: EB-3601M30500-2610017024
Netto: 63,99 € zzgl. MwSt.
zzgl. 6,90 € Versand (brutto)
einmalig pro Bestellung

Lieferzeit: 5 Werktage

Pos.
166
BOSCH Stange | Ersatzteile für GTS 10 J | 2610017025
Hersteller: BOSCH
Artikelnummer: EB-3601M30500-2610017025
Netto: 11,92 € zzgl. MwSt.
zzgl. 6,90 € Versand (brutto)
einmalig pro Bestellung

Lieferzeit: 5 Werktage

Pos.
167
BOSCH Bolzen | Ersatzteile für GTS 10 J | 2610015038
Hersteller: BOSCH
Artikelnummer: EB-3601M30500-2610015038
Netto: 3,94 € zzgl. MwSt.
zzgl. 6,90 € Versand (brutto)
einmalig pro Bestellung

Lieferzeit: 5 Werktage

Pos.
168
BOSCH Scheibe | Ersatzteile für GTS 10 J | 2610015039
Hersteller: BOSCH
Artikelnummer: EB-3601M30500-2610015039
Netto: 3,63 € zzgl. MwSt.
zzgl. 6,90 € Versand (brutto)
einmalig pro Bestellung

Lieferzeit: 5 Werktage

Pos.
169
BOSCH Stützplatte | Ersatzteile für GTS 10 J | 2610015040
Hersteller: BOSCH
Artikelnummer: EB-3601M30500-2610015040
Netto: 5,67 € zzgl. MwSt.
zzgl. 6,90 € Versand (brutto)
einmalig pro Bestellung

Lieferzeit: 5 Werktage

Pos.
170
BOSCH Schraube | Ersatzteile für GTS 10 J | 2610950055
Hersteller: BOSCH
Artikelnummer: EB-3601M30500-2610950055
Netto: 3,60 € zzgl. MwSt.
zzgl. 6,90 € Versand (brutto)
einmalig pro Bestellung

Lieferzeit: 5 Werktage

Pos.
171
BOSCH Stange | Ersatzteile für GTS 10 J | 2610017026
Hersteller: BOSCH
Artikelnummer: EB-3601M30500-2610017026
Netto: 8,33 € zzgl. MwSt.
zzgl. 6,90 € Versand (brutto)
einmalig pro Bestellung

Lieferzeit: 5 Werktage

Pos.
172
BOSCH Kegelrad | Ersatzteile für GTS 10 J | 2610015042
Hersteller: BOSCH
Artikelnummer: EB-3601M30500-2610015042
Netto: 4,53 € zzgl. MwSt.
zzgl. 6,90 € Versand (brutto)
einmalig pro Bestellung

Lieferzeit: 5 Werktage

Pos.
173
BOSCH Scheibe | Ersatzteile für GTS 10 J | 2610013162
Hersteller: BOSCH
Artikelnummer: EB-3601M30500-2610013162
Netto: 3,63 € zzgl. MwSt.
zzgl. 6,90 € Versand (brutto)
einmalig pro Bestellung

Lieferzeit: 5 Werktage

Pos.
174
BOSCH Lagerbuchse | Ersatzteile für GTS 10 J | 2610015043
Hersteller: BOSCH
Artikelnummer: EB-3601M30500-2610015043
Netto: 3,63 € zzgl. MwSt.
zzgl. 6,90 € Versand (brutto)
einmalig pro Bestellung

Lieferzeit: 5 Werktage

Pos.
175
BOSCH Scheibe | Ersatzteile für GTS 10 J | 2610015044
Hersteller: BOSCH
Artikelnummer: EB-3601M30500-2610015044
Netto: 3,63 € zzgl. MwSt.
zzgl. 6,90 € Versand (brutto)
einmalig pro Bestellung

Lieferzeit: 5 Werktage

Pos.
176
BOSCH Befestigungssatz | Ersatzteile für GTS 10 J | 2610017020
Hersteller: BOSCH
Artikelnummer: EB-3601M30500-2610017020
Netto: 19,18 € zzgl. MwSt.
zzgl. 6,90 € Versand (brutto)
einmalig pro Bestellung

Lieferzeit: 5 Werktage

Pos.
177
BOSCH Schraube | Ersatzteile für GTS 10 J | 2610015045
Hersteller: BOSCH
Artikelnummer: EB-3601M30500-2610015045
Netto: 3,63 € zzgl. MwSt.
zzgl. 6,90 € Versand (brutto)
einmalig pro Bestellung

Lieferzeit: 5 Werktage

Pos.
178
BOSCH Fingerwelle | Ersatzteile für GTS 10 J | 2610017027
Hersteller: BOSCH
Artikelnummer: EB-3601M30500-2610017027
Netto: 8,33 € zzgl. MwSt.
zzgl. 6,90 € Versand (brutto)
einmalig pro Bestellung

Lieferzeit: 5 Werktage

Pos.
179
BOSCH Stützplatte | Ersatzteile für GTS 10 J | 2610015047
Hersteller: BOSCH
Artikelnummer: EB-3601M30500-2610015047
Netto: 6,15 € zzgl. MwSt.
zzgl. 6,90 € Versand (brutto)
einmalig pro Bestellung

Lieferzeit: 5 Werktage

Pos.
180
BOSCH Lagerbuchse | Ersatzteile für GTS 10 J | 2610015048
Hersteller: BOSCH
Artikelnummer: EB-3601M30500-2610015048
Netto: 3,63 € zzgl. MwSt.
zzgl. 6,90 € Versand (brutto)
einmalig pro Bestellung

Lieferzeit: 5 Werktage

Pos.
181
BOSCH Scheibe | Ersatzteile für GTS 10 J | 2610016557
Hersteller: BOSCH
Artikelnummer: EB-3601M30500-2610016557
Netto: 3,63 € zzgl. MwSt.
zzgl. 6,90 € Versand (brutto)
einmalig pro Bestellung

Lieferzeit: 5 Werktage

Pos.
182
BOSCH Mutter | Ersatzteile für GTS 10 J | 2610016558
Hersteller: BOSCH
Artikelnummer: EB-3601M30500-2610016558
Netto: 3,63 € zzgl. MwSt.
zzgl. 6,90 € Versand (brutto)
einmalig pro Bestellung

Lieferzeit: 5 Werktage

Pos.
117
BOSCH Schraube | Ersatzteile für GTS 10 J | 2610998571
Hersteller: BOSCH
Artikelnummer: EB-3601M30500-2610018983
Netto: 3,63 € zzgl. MwSt.
zzgl. 6,90 € Versand (brutto)
einmalig pro Bestellung

Lieferzeit: 5 Werktage

Pos.
117
BOSCH Schraube | Ersatzteile für GTS 10 J | 2610018983
Hersteller: BOSCH
Artikelnummer: EB-3601M30500-2610018983
Netto: 3,63 € zzgl. MwSt.
zzgl. 6,90 € Versand (brutto)
einmalig pro Bestellung

Lieferzeit: 5 Werktage

Pos.
183
BOSCH Lagerbuchse | Ersatzteile für GTS 10 J | 2610015049
Hersteller: BOSCH
Artikelnummer: EB-3601M30500-2610015049
Netto: 7,76 € zzgl. MwSt.
zzgl. 6,90 € Versand (brutto)
einmalig pro Bestellung

Lieferzeit: 5 Werktage

Pos.
184
BOSCH Gewindestift | Ersatzteile für GTS 10 J | 2610013053
Hersteller: BOSCH
Artikelnummer: EB-3601M30500-2610013053
Netto: 3,63 € zzgl. MwSt.
zzgl. 6,90 € Versand (brutto)
einmalig pro Bestellung

Lieferzeit: 5 Werktage

Pos.
119
BOSCH Abdeckung | Ersatzteile für GTS 10 J | 2610017014
Hersteller: BOSCH
Artikelnummer: EB-3601M30500-1600A01D91
Netto: 13,61 € zzgl. MwSt.
zzgl. 6,90 € Versand (brutto)
einmalig pro Bestellung

Lieferzeit: 5 Werktage

Pos.
185
BOSCH Schraube | Ersatzteile für GTS 10 J | 2610016559
Hersteller: BOSCH
Artikelnummer: EB-3601M30500-2610016559
Netto: 3,63 € zzgl. MwSt.
zzgl. 6,90 € Versand (brutto)
einmalig pro Bestellung

Lieferzeit: 5 Werktage

Pos.
186
BOSCH Abdeckung | Ersatzteile für GTS 10 J | 2610015050
Hersteller: BOSCH
Artikelnummer: EB-3601M30500-2610015050
Netto: 11,92 € zzgl. MwSt.
zzgl. 6,90 € Versand (brutto)
einmalig pro Bestellung

Lieferzeit: 5 Werktage

Pos.
188
BOSCH Elektronikmodul | Ersatzteile für GTS 10 J | 2610017037
Hersteller: BOSCH
Artikelnummer: EB-3601M30500-2610017037
nur Informationsartikel
Nie mehr lieferbar
keine Alternativen
Pos.
189
BOSCH Staubschutzfassung | Ersatzteile für GTS 10 J | 2610015051
Hersteller: BOSCH
Artikelnummer: EB-3601M30500-2610015051
Netto: 9,18 € zzgl. MwSt.
zzgl. 6,90 € Versand (brutto)
einmalig pro Bestellung

Lieferzeit: 5 Werktage

Pos.
190
BOSCH Schraube | Ersatzteile für GTS 10 J | 2610015052
Hersteller: BOSCH
Artikelnummer: EB-3601M30500-2610015052
Netto: 3,63 € zzgl. MwSt.
zzgl. 6,90 € Versand (brutto)
einmalig pro Bestellung

Lieferzeit: 5 Werktage

Pos.
191
BOSCH Sicherungsring | Ersatzteile für GTS 10 J | 2610015053
Hersteller: BOSCH
Artikelnummer: EB-3601M30500-2610015053
Netto: 3,63 € zzgl. MwSt.
zzgl. 6,90 € Versand (brutto)
einmalig pro Bestellung

Lieferzeit: 5 Werktage

Pos.
192
BOSCH Sicherungsbügel | Ersatzteile für GTS 10 J | 2610017028
Hersteller: BOSCH
Artikelnummer: EB-3601M30500-2610017028
Netto: 3,63 € zzgl. MwSt.
zzgl. 6,90 € Versand (brutto)
einmalig pro Bestellung

Lieferzeit: 5 Werktage

Pos.
193
BOSCH Gewindebolzen | Ersatzteile für GTS 10 J | 2610016560
Hersteller: BOSCH
Artikelnummer: EB-3601M30500-2610016560
Netto: 3,63 € zzgl. MwSt.
zzgl. 6,90 € Versand (brutto)
einmalig pro Bestellung

Lieferzeit: 5 Werktage

Pos.
194
BOSCH Schraube | Ersatzteile für GTS 10 J | 2610016561
Hersteller: BOSCH
Artikelnummer: EB-3601M30500-2610016561
Netto: 3,63 € zzgl. MwSt.
zzgl. 6,90 € Versand (brutto)
einmalig pro Bestellung

Lieferzeit: 5 Werktage

Pos.
195
BOSCH Mutter | Ersatzteile für GTS 10 J | 2610925187
Hersteller: BOSCH
Artikelnummer: EB-3601M30500-2610925187
Netto: 3,63 € zzgl. MwSt.
zzgl. 6,90 € Versand (brutto)
einmalig pro Bestellung

Lieferzeit: 5 Werktage

Pos.
129
BOSCH Einsatz | Ersatzteile für GTS 10 J | 2610017111
Hersteller: BOSCH
Artikelnummer: EB-3601M30500-1600A01D8R
Netto: 26,88 € zzgl. MwSt.
zzgl. 6,90 € Versand (brutto)
einmalig pro Bestellung

Lieferzeit: 5 Werktage

Pos.
196
BOSCH Schutzblech | Ersatzteile für GTS 10 J | 2610015055
Hersteller: BOSCH
Artikelnummer: EB-3601M30500-2610015055
Netto: 3,94 € zzgl. MwSt.
zzgl. 6,90 € Versand (brutto)
einmalig pro Bestellung

Lieferzeit: 5 Werktage

Pos.
197
BOSCH Schraube | Ersatzteile für GTS 10 J | 2610950132
Hersteller: BOSCH
Artikelnummer: EB-3601M30500-2610950132
Netto: 3,63 € zzgl. MwSt.
zzgl. 6,90 € Versand (brutto)
einmalig pro Bestellung

Lieferzeit: 5 Werktage

Pos.
198
BOSCH Platte | Ersatzteile für GTS 10 J | 2610015073
Hersteller: BOSCH
Artikelnummer: EB-3601M30500-2610015073
Netto: 8,33 € zzgl. MwSt.
zzgl. 6,90 € Versand (brutto)
einmalig pro Bestellung

Lieferzeit: 5 Werktage

Pos.
132
BOSCH Gleitplatte | Ersatzteile für GTS 10 J | 1600A00726
Hersteller: BOSCH
Artikelnummer: EB-3601M30500-1600A00726
Netto: 3,63 € zzgl. MwSt.
zzgl. 6,90 € Versand (brutto)
einmalig pro Bestellung

Lieferzeit: 5 Werktage

Pos.
200
BOSCH Schraube | Ersatzteile für GTS 10 J | 2610017029
Hersteller: BOSCH
Artikelnummer: EB-3601M30500-2610017029
Netto: 3,63 € zzgl. MwSt.
zzgl. 6,90 € Versand (brutto)
einmalig pro Bestellung

Lieferzeit: 5 Werktage

Pos.
201
BOSCH Federclip | Ersatzteile für GTS 10 J | 2610017030
Hersteller: BOSCH
Artikelnummer: EB-3601M30500-2610017030
Netto: 3,63 € zzgl. MwSt.
zzgl. 6,90 € Versand (brutto)
einmalig pro Bestellung

Lieferzeit: 5 Werktage

Pos.
202
BOSCH Berührungsschutz | Ersatzteile für GTS 10 J | 2610017033
Hersteller: BOSCH
Artikelnummer: EB-3601M30500-2610017033
Netto: 5,19 € zzgl. MwSt.
zzgl. 6,90 € Versand (brutto)
einmalig pro Bestellung

Lieferzeit: 5 Werktage

Pos.
203
BOSCH Schraube | Ersatzteile für GTS 10 J | 2610950439
Hersteller: BOSCH
Artikelnummer: EB-3601M30500-2610950439
Netto: 3,63 € zzgl. MwSt.
zzgl. 6,90 € Versand (brutto)
einmalig pro Bestellung

Lieferzeit: 5 Werktage

Pos.
204
BOSCH Schutzblech | Ersatzteile für GTS 10 J | 2610015054
Hersteller: BOSCH
Artikelnummer: EB-3601M30500-2610015054
Netto: 8,33 € zzgl. MwSt.
zzgl. 6,90 € Versand (brutto)
einmalig pro Bestellung

Lieferzeit: 5 Werktage

Pos.
205
BOSCH Stange | Ersatzteile für GTS 10 J | 2610016562
Hersteller: BOSCH
Artikelnummer: EB-3601M30500-2610016562
Netto: 3,63 € zzgl. MwSt.
zzgl. 6,90 € Versand (brutto)
einmalig pro Bestellung

Lieferzeit: 5 Werktage

Pos.
138
BOSCH Halteschiene | Ersatzteile für GTS 10 J | 1600A00724
Hersteller: BOSCH
Artikelnummer: EB-3601M30500-2610950076
Netto: 4,32 € zzgl. MwSt.
zzgl. 6,90 € Versand (brutto)
einmalig pro Bestellung

Lieferzeit: 5 Werktage

Pos.
206
BOSCH Kontaktlasche | Ersatzteile für GTS 10 J | 2610016563
Hersteller: BOSCH
Artikelnummer: EB-3601M30500-2610016563
Netto: 3,63 € zzgl. MwSt.
zzgl. 6,90 € Versand (brutto)
einmalig pro Bestellung

Lieferzeit: 5 Werktage

Pos.
207
BOSCH Platte | Ersatzteile für GTS 10 J | 2610923830
Hersteller: BOSCH
Artikelnummer: EB-3601M30500-2610923830
Netto: 3,63 € zzgl. MwSt.
zzgl. 6,90 € Versand (brutto)
einmalig pro Bestellung

Lieferzeit: 5 Werktage

Pos.
208
BOSCH Schraube | Ersatzteile für GTS 10 J | 2610010404
Hersteller: BOSCH
Artikelnummer: EB-3601M30500-2610010404
Netto: 3,63 € zzgl. MwSt.
zzgl. 6,90 € Versand (brutto)
einmalig pro Bestellung

Lieferzeit: 5 Werktage

Pos.
209
BOSCH Schraube | Ersatzteile für GTS 10 J | 2610017031
Hersteller: BOSCH
Artikelnummer: EB-3601M30500-2610017031
Netto: 3,63 € zzgl. MwSt.
zzgl. 6,90 € Versand (brutto)
einmalig pro Bestellung

Lieferzeit: 5 Werktage

Pos.
210
BOSCH Scheibe | Ersatzteile für GTS 10 J | 2610015058
Hersteller: BOSCH
Artikelnummer: EB-3601M30500-2610015058
Netto: 3,63 € zzgl. MwSt.
zzgl. 6,90 € Versand (brutto)
einmalig pro Bestellung

Lieferzeit: 5 Werktage

Pos.
211
BOSCH Gummibuchse | Ersatzteile für GTS 10 J | 2610911920
Hersteller: BOSCH
Artikelnummer: EB-3601M30500-2610911920
Netto: 3,63 € zzgl. MwSt.
zzgl. 6,90 € Versand (brutto)
einmalig pro Bestellung

Lieferzeit: 5 Werktage

Pos.
212
BOSCH Steckschlüsseleinsatz | Ersatzteile für GTS 10 J | 2610015059
Hersteller: BOSCH
Artikelnummer: EB-3601M30500-2610015059
Netto: 3,94 € zzgl. MwSt.
zzgl. 6,90 € Versand (brutto)
einmalig pro Bestellung

Lieferzeit: 5 Werktage

Pos.
213
BOSCH Halteplatte | Ersatzteile für GTS 10 J | 2610017032
Hersteller: BOSCH
Artikelnummer: EB-3601M30500-2610017032
Netto: 35,77 € zzgl. MwSt.
zzgl. 6,90 € Versand (brutto)
einmalig pro Bestellung

Lieferzeit: 5 Werktage

Pos.
214
BOSCH Scheibe | Ersatzteile für GTS 10 J | 2610017110
Hersteller: BOSCH
Artikelnummer: EB-3601M30500-2610017110
Netto: 4,32 € zzgl. MwSt.
zzgl. 6,90 € Versand (brutto)
einmalig pro Bestellung

Lieferzeit: 5 Werktage

Pos.
215
BOSCH Unterlegscheibe | Ersatzteile für GTS 10 J | 2610347092
Hersteller: BOSCH
Artikelnummer: EB-3601M30500-2610347092
Netto: 3,63 € zzgl. MwSt.
zzgl. 6,90 € Versand (brutto)
einmalig pro Bestellung

Lieferzeit: 5 Werktage

Pos.
216
BOSCH Isolator | Ersatzteile für GTS 10 J | 2610017046
Hersteller: BOSCH
Artikelnummer: EB-3601M30500-2610017046
Netto: 5,19 € zzgl. MwSt.
zzgl. 6,90 € Versand (brutto)
einmalig pro Bestellung

Lieferzeit: 5 Werktage

Pos.
217
BOSCH Lagerbuchse | Ersatzteile für GTS 10 J | 2610015061
Hersteller: BOSCH
Artikelnummer: EB-3601M30500-2610015061
Netto: 4,53 € zzgl. MwSt.
zzgl. 6,90 € Versand (brutto)
einmalig pro Bestellung

Lieferzeit: 5 Werktage

Pos.
218
BOSCH Handgriff | Ersatzteile für GTS 10 J | 2610015062
Hersteller: BOSCH
Artikelnummer: EB-3601M30500-2610015062
Netto: 7,76 € zzgl. MwSt.
zzgl. 6,90 € Versand (brutto)
einmalig pro Bestellung

Lieferzeit: 5 Werktage

Pos.
219
BOSCH Mutter | Ersatzteile für GTS 10 J | 2610924961
Hersteller: BOSCH
Artikelnummer: EB-3601M30500-2610924961
Netto: 3,63 € zzgl. MwSt.
zzgl. 6,90 € Versand (brutto)
einmalig pro Bestellung

Lieferzeit: 5 Werktage

Pos.
220
BOSCH Schraube | Ersatzteile für GTS 10 J | 2610015359
Hersteller: BOSCH
Artikelnummer: EB-3601M30500-2610015359
Netto: 3,63 € zzgl. MwSt.
zzgl. 6,90 € Versand (brutto)
einmalig pro Bestellung

Lieferzeit: 5 Werktage

Pos.
221
BOSCH Kurvenscheibe | Ersatzteile für GTS 10 J | 2610015063
Hersteller: BOSCH
Artikelnummer: EB-3601M30500-2610015063
Netto: 6,70 € zzgl. MwSt.
zzgl. 6,90 € Versand (brutto)
einmalig pro Bestellung

Lieferzeit: 5 Werktage

Pos.
223
BOSCH Schraube | Ersatzteile für GTS 10 J | 2610950049
Hersteller: BOSCH
Artikelnummer: EB-3601M30500-2610950049
Netto: 3,63 € zzgl. MwSt.
zzgl. 6,90 € Versand (brutto)
einmalig pro Bestellung

Lieferzeit: 5 Werktage

Pos.
225
BOSCH Zeiger | Ersatzteile für GTS 10 J | 2610015064
Hersteller: BOSCH
Artikelnummer: EB-3601M30500-2610015064
Netto: 4,32 € zzgl. MwSt.
zzgl. 6,90 € Versand (brutto)
einmalig pro Bestellung

Lieferzeit: 5 Werktage

Pos.
227
BOSCH Kontaktlasche | Ersatzteile für GTS 10 J | 2610013054
Hersteller: BOSCH
Artikelnummer: EB-3601M30500-2610013054
Netto: 3,63 € zzgl. MwSt.
zzgl. 6,90 € Versand (brutto)
einmalig pro Bestellung

Lieferzeit: 5 Werktage

Pos.
228
BOSCH Schaltergehäuse | Ersatzteile für GTS 10 J | 2610015066
Hersteller: BOSCH
Artikelnummer: EB-3601M30500-2610015066
nur Informationsartikel
Nie mehr lieferbar
keine Alternativen
Pos.
229
BOSCH Feder | Ersatzteile für GTS 10 J | 2610015067
Hersteller: BOSCH
Artikelnummer: EB-3601M30500-2610015067
Netto: 3,60 € zzgl. MwSt.
zzgl. 6,90 € Versand (brutto)
einmalig pro Bestellung

Lieferzeit: 5 Werktage

Pos.
230
BOSCH Befestigungsblech | Ersatzteile für GTS 10 J | 2610996912
Hersteller: BOSCH
Artikelnummer: EB-3601M30500-2610996912
Netto: 6,70 € zzgl. MwSt.
zzgl. 6,90 € Versand (brutto)
einmalig pro Bestellung

Lieferzeit: 5 Werktage

Pos.
231
BOSCH Gleitleiste | Ersatzteile für GTS 10 J | 2610015091
Hersteller: BOSCH
Artikelnummer: EB-3601M30500-2610015091
Netto: 39,11 € zzgl. MwSt.
zzgl. 6,90 € Versand (brutto)
einmalig pro Bestellung

Lieferzeit: 5 Werktage

Pos.
234
BOSCH Schraube | Ersatzteile für GTS 10 J | 2610951945
Hersteller: BOSCH
Artikelnummer: EB-3601M30500-2610951945
Netto: 3,63 € zzgl. MwSt.
zzgl. 6,90 € Versand (brutto)
einmalig pro Bestellung

Lieferzeit: 5 Werktage

Pos.
235
BOSCH Aufspannflansch | Ersatzteile für GTS 10 J | 1609203K93
Hersteller: BOSCH
Artikelnummer: EB-3601M30500-1609203K93
Netto: 10,92 € zzgl. MwSt.
zzgl. 6,90 € Versand (brutto)
einmalig pro Bestellung

Lieferzeit: 5 Werktage

Pos.
237
BOSCH Scheibe | Ersatzteile für GTS 10 J | 2610950046
Hersteller: BOSCH
Artikelnummer: EB-3601M30500-2610950046
Netto: 10,92 € zzgl. MwSt.
zzgl. 6,90 € Versand (brutto)
einmalig pro Bestellung

Lieferzeit: 5 Werktage

Pos.
238
BOSCH Mutter | Ersatzteile für GTS 10 J | 2610358858
Hersteller: BOSCH
Artikelnummer: EB-3601M30500-2610358858
Netto: 4,53 € zzgl. MwSt.
zzgl. 6,90 € Versand (brutto)
einmalig pro Bestellung

Lieferzeit: 5 Werktage

Pos.
239
BOSCH Handrad | Ersatzteile für GTS 10 J | 2610015069
Hersteller: BOSCH
Artikelnummer: EB-3601M30500-2610015069
Netto: 9,18 € zzgl. MwSt.
zzgl. 6,90 € Versand (brutto)
einmalig pro Bestellung

Lieferzeit: 5 Werktage

Pos.
242
BOSCH Abstandshülse | Ersatzteile für GTS 10 J | 2610950059
Hersteller: BOSCH
Artikelnummer: EB-3601M30500-2610950059
Netto: 3,63 € zzgl. MwSt.
zzgl. 6,90 € Versand (brutto)
einmalig pro Bestellung

Lieferzeit: 5 Werktage

Pos.
243
BOSCH Schraube | Ersatzteile für GTS 10 J | 2610950060
Hersteller: BOSCH
Artikelnummer: EB-3601M30500-2610950060
Netto: 3,63 € zzgl. MwSt.
zzgl. 6,90 € Versand (brutto)
einmalig pro Bestellung

Lieferzeit: 5 Werktage

Pos.
244
BOSCH Scheibe | Ersatzteile für GTS 10 J | 2610950389
Hersteller: BOSCH
Artikelnummer: EB-3601M30500-2610950389
Netto: 3,63 € zzgl. MwSt.
zzgl. 6,90 € Versand (brutto)
einmalig pro Bestellung

Lieferzeit: 5 Werktage

Pos.
248
BOSCH Schutzabdeckung | Ersatzteile für GTS 10 J | 2610017034
Hersteller: BOSCH
Artikelnummer: EB-3601M30500-2610017034
Netto: 5,19 € zzgl. MwSt.
zzgl. 6,90 € Versand (brutto)
einmalig pro Bestellung

Lieferzeit: 5 Werktage

Pos.
252
BOSCH Gehrungslineal | Ersatzteile für GTS 10 J | 2610017035
Hersteller: BOSCH
Artikelnummer: EB-3601M30500-2610017035
Netto: 21,16 € zzgl. MwSt.
zzgl. 6,90 € Versand (brutto)
einmalig pro Bestellung

Lieferzeit: 5 Werktage

Pos.
253
BOSCH Stange | Ersatzteile für GTS 10 J | 2610017036
Hersteller: BOSCH
Artikelnummer: EB-3601M30500-2610017036
Netto: 3,94 € zzgl. MwSt.
zzgl. 6,90 € Versand (brutto)
einmalig pro Bestellung

Lieferzeit: 5 Werktage

Pos.
254
BOSCH Schraube | Ersatzteile für GTS 10 J | 2610017052
Hersteller: BOSCH
Artikelnummer: EB-3601M30500-2610017052
Netto: 3,63 € zzgl. MwSt.
zzgl. 6,90 € Versand (brutto)
einmalig pro Bestellung

Lieferzeit: 5 Werktage

Pos.
256
BOSCH Schraube | Ersatzteile für GTS 10 J | 2610998580
Hersteller: BOSCH
Artikelnummer: EB-3601M30500-2610998580
Netto: 3,63 € zzgl. MwSt.
zzgl. 6,90 € Versand (brutto)
einmalig pro Bestellung

Lieferzeit: 5 Werktage

Pos.
257
BOSCH Mutter | Ersatzteile für GTS 10 J | 2610017038
Hersteller: BOSCH
Artikelnummer: EB-3601M30500-2610017038
Netto: 3,63 € zzgl. MwSt.
zzgl. 6,90 € Versand (brutto)
einmalig pro Bestellung

Lieferzeit: 5 Werktage

Pos.
258
BOSCH Schraube | Ersatzteile für GTS 10 J | 2610015070
Hersteller: BOSCH
Artikelnummer: EB-3601M30500-2610015070
Netto: 3,60 € zzgl. MwSt.
zzgl. 6,90 € Versand (brutto)
einmalig pro Bestellung

Lieferzeit: 5 Werktage

Pos.
259
BOSCH Kontaktlasche | Ersatzteile für GTS 10 J | 2610016565
Hersteller: BOSCH
Artikelnummer: EB-3601M30500-2610016565
Netto: 3,63 € zzgl. MwSt.
zzgl. 6,90 € Versand (brutto)
einmalig pro Bestellung

Lieferzeit: 5 Werktage

Pos.
260
BOSCH Schutzabdeckung | Ersatzteile für GTS 10 J | 2610017039
Hersteller: BOSCH
Artikelnummer: EB-3601M30500-2610017039
Netto: 9,75 € zzgl. MwSt.
zzgl. 6,90 € Versand (brutto)
einmalig pro Bestellung

Lieferzeit: 5 Werktage

Pos.
261
BOSCH Schaltergehäuse | Ersatzteile für GTS 10 J | 2610015071
Hersteller: BOSCH
Artikelnummer: EB-3601M30500-2610015071
Netto: 4,53 € zzgl. MwSt.
zzgl. 6,90 € Versand (brutto)
einmalig pro Bestellung

Lieferzeit: 5 Werktage

Pos.
262
BOSCH Verbindungskabel | Ersatzteile für GTS 10 J | 2610017040
Hersteller: BOSCH
Artikelnummer: EB-3601M30500-2610017040
Netto: 7,30 € zzgl. MwSt.
zzgl. 6,90 € Versand (brutto)
einmalig pro Bestellung

Lieferzeit: 5 Werktage

Pos.
263
BOSCH Gehrungslineal | Ersatzteile für GTS 10 J | 2610017041
Hersteller: BOSCH
Artikelnummer: EB-3601M30500-2610017041
Netto: 24,13 € zzgl. MwSt.
zzgl. 6,90 € Versand (brutto)
einmalig pro Bestellung

Lieferzeit: 5 Werktage

Pos.
264
BOSCH Schiene | Ersatzteile für GTS 10 J | 2610015074
Hersteller: BOSCH
Artikelnummer: EB-3601M30500-2610015074
Netto: 35,77 € zzgl. MwSt.
zzgl. 6,90 € Versand (brutto)
einmalig pro Bestellung

Lieferzeit: 5 Werktage

Pos.
265
BOSCH Scheibe | Ersatzteile für GTS 10 J | 2610015075
Hersteller: BOSCH
Artikelnummer: EB-3601M30500-2610015075
Netto: 3,63 € zzgl. MwSt.
zzgl. 6,90 € Versand (brutto)
einmalig pro Bestellung

Lieferzeit: 5 Werktage

Pos.
266
BOSCH Gerätekappe | Ersatzteile für GTS 10 J | 2610015076
Hersteller: BOSCH
Artikelnummer: EB-3601M30500-2610015076
Netto: 3,63 € zzgl. MwSt.
zzgl. 6,90 € Versand (brutto)
einmalig pro Bestellung

Lieferzeit: 5 Werktage

Pos.
267
BOSCH Bolzen | Ersatzteile für GTS 10 J | 2610950134
Hersteller: BOSCH
Artikelnummer: EB-3601M30500-2610950134
Netto: 3,63 € zzgl. MwSt.
zzgl. 6,90 € Versand (brutto)
einmalig pro Bestellung

Lieferzeit: 5 Werktage

Pos.
269
BOSCH Platte | Ersatzteile für GTS 10 J | 2610015077
Hersteller: BOSCH
Artikelnummer: EB-3601M30500-2610015077
Netto: 5,19 € zzgl. MwSt.
zzgl. 6,90 € Versand (brutto)
einmalig pro Bestellung

Lieferzeit: 5 Werktage

Pos.
270
BOSCH Schraube | Ersatzteile für GTS 10 J | 2610950117
Hersteller: BOSCH
Artikelnummer: EB-3601M30500-2610950117
Netto: 3,63 € zzgl. MwSt.
zzgl. 6,90 € Versand (brutto)
einmalig pro Bestellung

Lieferzeit: 5 Werktage

Pos.
271
BOSCH Federscheibe | Ersatzteile für GTS 10 J | 2610013365
Hersteller: BOSCH
Artikelnummer: EB-3601M30500-2610013365
Netto: 3,63 € zzgl. MwSt.
zzgl. 6,90 € Versand (brutto)
einmalig pro Bestellung

Lieferzeit: 5 Werktage

Pos.
273
BOSCH Schraube | Ersatzteile für GTS 10 J | 2610015080
Hersteller: BOSCH
Artikelnummer: EB-3601M30500-2610015080
Netto: 3,63 € zzgl. MwSt.
zzgl. 6,90 € Versand (brutto)
einmalig pro Bestellung

Lieferzeit: 5 Werktage

Pos.
274
BOSCH Scheibe | Ersatzteile für GTS 10 J | 2610950135
Hersteller: BOSCH
Artikelnummer: EB-3601M30500-2610950135
Netto: 3,63 € zzgl. MwSt.
zzgl. 6,90 € Versand (brutto)
einmalig pro Bestellung

Lieferzeit: 5 Werktage

Pos.
275
BOSCH Scheibe | Ersatzteile für GTS 10 J | 2610016566
Hersteller: BOSCH
Artikelnummer: EB-3601M30500-2610016566
Netto: 3,63 € zzgl. MwSt.
zzgl. 6,90 € Versand (brutto)
einmalig pro Bestellung

Lieferzeit: 5 Werktage

Pos.
279
BOSCH Schutzhaube | Ersatzteile für GTS 10 J | 2610018328
Hersteller: BOSCH
Artikelnummer: EB-3601M30500-2610018328
Netto: 21,16 € zzgl. MwSt.
zzgl. 6,90 € Versand (brutto)
einmalig pro Bestellung

Lieferzeit: 5 Werktage

Pos.
280
BOSCH Gehrungslineal | Ersatzteile für GTS 10 J | 2610017047
Hersteller: BOSCH
Artikelnummer: EB-3601M30500-2610017047
Netto: 96,32 € zzgl. MwSt.
zzgl. 6,90 € Versand (brutto)
einmalig pro Bestellung

Lieferzeit: 5 Werktage

Pos.
281
BOSCH Gehrungsanschlag | Ersatzteile für GTS 10 J | 2610015507
Hersteller: BOSCH
Artikelnummer: EB-3601M30500-2610015507
Netto: 24,13 € zzgl. MwSt.
zzgl. 6,90 € Versand (brutto)
einmalig pro Bestellung

Lieferzeit: 5 Werktage

Pos.
283
BOSCH Sechskantsteckschlüssel | Ersatzteile für GTS 10 J | 2610016567
Hersteller: BOSCH
Artikelnummer: EB-3601M30500-2610016567
Netto: 3,94 € zzgl. MwSt.
zzgl. 6,90 € Versand (brutto)
einmalig pro Bestellung

Lieferzeit: 5 Werktage

Pos.
285
BOSCH Fächerscheibe | Ersatzteile für GTS 10 J | 2610023174
Hersteller: BOSCH
Artikelnummer: EB-3601M30500-2610023174
Netto: 3,63 € zzgl. MwSt.
zzgl. 6,90 € Versand (brutto)
einmalig pro Bestellung

Lieferzeit: 5 Werktage

Pos.
286
BOSCH Schloss | Ersatzteile für GTS 10 J | 2610015093
Hersteller: BOSCH
Artikelnummer: EB-3601M30500-2610015093
Netto: 29,45 € zzgl. MwSt.
zzgl. 6,90 € Versand (brutto)
einmalig pro Bestellung

Lieferzeit: 5 Werktage

Pos.
287
BOSCH Sockel | Ersatzteile für GTS 10 J | 2610017048
Hersteller: BOSCH
Artikelnummer: EB-3601M30500-2610017048
Netto: 153,18 € zzgl. MwSt.
zzgl. 6,90 € Versand (brutto)
einmalig pro Bestellung

Lieferzeit: 5 Werktage

Pos.
288
BOSCH Spaltkeil | Ersatzteile für GTS 10 J | 2610017049
Hersteller: BOSCH
Artikelnummer: EB-3601M30500-2610017049
nur Informationsartikel
Nie mehr lieferbar
keine Alternativen
Pos.
289
BOSCH Stange | Ersatzteile für GTS 10 J | 2610017050
Hersteller: BOSCH
Artikelnummer: EB-3601M30500-2610017050
Netto: 3,63 € zzgl. MwSt.
zzgl. 6,90 € Versand (brutto)
einmalig pro Bestellung

Lieferzeit: 5 Werktage

Pos.
291
BOSCH Scheibe | Ersatzteile für GTS 10 J | 2610017051
Hersteller: BOSCH
Artikelnummer: EB-3601M30500-2610017051
Netto: 3,63 € zzgl. MwSt.
zzgl. 6,90 € Versand (brutto)
einmalig pro Bestellung

Lieferzeit: 5 Werktage

Pos.
292
BOSCH Scheibe | Ersatzteile für GTS 10 J | 2610950109
Hersteller: BOSCH
Artikelnummer: EB-3601M30500-2610950109
Netto: 3,63 € zzgl. MwSt.
zzgl. 6,90 € Versand (brutto)
einmalig pro Bestellung

Lieferzeit: 5 Werktage

Pos.
293
BOSCH Schraube | Ersatzteile für GTS 10 J | 2610950108
Hersteller: BOSCH
Artikelnummer: EB-3601M30500-2610950108
Netto: 3,63 € zzgl. MwSt.
zzgl. 6,90 € Versand (brutto)
einmalig pro Bestellung

Lieferzeit: 5 Werktage

Pos.
294
BOSCH Halterung | Ersatzteile für GTS 10 J | 2610017053
Hersteller: BOSCH
Artikelnummer: EB-3601M30500-2610017053
Netto: 9,18 € zzgl. MwSt.
zzgl. 6,90 € Versand (brutto)
einmalig pro Bestellung

Lieferzeit: 5 Werktage

Pos.
295
BOSCH Halterung | Ersatzteile für GTS 10 J | 2610017054
Hersteller: BOSCH
Artikelnummer: EB-3601M30500-2610017054
Netto: 9,18 € zzgl. MwSt.
zzgl. 6,90 € Versand (brutto)
einmalig pro Bestellung

Lieferzeit: 5 Werktage

Pos.
296
BOSCH Stange | Ersatzteile für GTS 10 J | 2610017056
Hersteller: BOSCH
Artikelnummer: EB-3601M30500-2610017056
Netto: 3,94 € zzgl. MwSt.
zzgl. 6,90 € Versand (brutto)
einmalig pro Bestellung

Lieferzeit: 5 Werktage

Pos.
299
BOSCH Schraube | Ersatzteile für GTS 10 J | 2610017057
Hersteller: BOSCH
Artikelnummer: EB-3601M30500-2610017057
Netto: 3,63 € zzgl. MwSt.
zzgl. 6,90 € Versand (brutto)
einmalig pro Bestellung

Lieferzeit: 5 Werktage

Pos.
300
BOSCH Torsionsfeder | Ersatzteile für GTS 10 J | 2610017058
Hersteller: BOSCH
Artikelnummer: EB-3601M30500-2610017058
Netto: 3,63 € zzgl. MwSt.
zzgl. 6,90 € Versand (brutto)
einmalig pro Bestellung

Lieferzeit: 5 Werktage

Pos.
301
BOSCH Schraube | Ersatzteile für GTS 10 J | 2610015065
Hersteller: BOSCH
Artikelnummer: EB-3601M30500-2610015065
Netto: 3,63 € zzgl. MwSt.
zzgl. 6,90 € Versand (brutto)
einmalig pro Bestellung

Lieferzeit: 5 Werktage

Pos.
302
BOSCH Berührungsschutz | Ersatzteile für GTS 10 J | 2610017060
Hersteller: BOSCH
Artikelnummer: EB-3601M30500-2610017060
Netto: 4,53 € zzgl. MwSt.
zzgl. 6,90 € Versand (brutto)
einmalig pro Bestellung

Lieferzeit: 5 Werktage

Pos.
305
BOSCH Prallschutz | Ersatzteile für GTS 10 J | 2610020858
Hersteller: BOSCH
Artikelnummer: EB-3601M30500-2610020858
Netto: 4,53 € zzgl. MwSt.
zzgl. 6,90 € Versand (brutto)
einmalig pro Bestellung

Lieferzeit: 5 Werktage

Pos.
343
BOSCH Kabelklemme | Ersatzteile für GTS 10 J | 2610020856
Hersteller: BOSCH
Artikelnummer: EB-3601M30500-2610020856
Netto: 3,63 € zzgl. MwSt.
zzgl. 6,90 € Versand (brutto)
einmalig pro Bestellung

Lieferzeit: 5 Werktage

Pos.
344
BOSCH Kabelklemme | Ersatzteile für GTS 10 J | 2610020859
Hersteller: BOSCH
Artikelnummer: EB-3601M30500-2610020859
Netto: 3,63 € zzgl. MwSt.
zzgl. 6,90 € Versand (brutto)
einmalig pro Bestellung

Lieferzeit: 5 Werktage

Pos.
801
BOSCH Motorgehäuse | Ersatzteile für GTS 10 J | 1619PB2531
Hersteller: BOSCH
Artikelnummer: EB-3601M30500-1619PB2531
Netto: 26,88 € zzgl. MwSt.
zzgl. 6,90 € Versand (brutto)
einmalig pro Bestellung

Lieferzeit: 5 Werktage

Pos.
802
BOSCH Et-Motorgruppe | Ersatzteile für GTS 10 J | 1609B07857
Hersteller: BOSCH
Artikelnummer: EB-3601M30500-1609B07857
Netto: 86,83 € zzgl. MwSt.
zzgl. 6,90 € Versand (brutto)
einmalig pro Bestellung

Lieferzeit: 5 Werktage

Pos.
816
BOSCH Bürstenhalter Zusammenbau | Ersatzteile für GTS 10 J | 1609B07134
Hersteller: BOSCH
Artikelnummer: EB-3601M30500-1609B07134
Netto: 9,18 € zzgl. MwSt.
zzgl. 6,90 € Versand (brutto)
einmalig pro Bestellung

Lieferzeit: 5 Werktage

Angaben zur Produktsicherheit

Hersteller:
Robert Bosch Power Tools GmbH
Postfach 30 02 20
70442 Stuttgart

E-Mail:
kontakt@bosch.de