BOSCH Frontschild | Ersatzteile für GTS 18V-216 | 1609B03979

Artikelnummer: EB-3601M44000-1609B03979

Position: 207

Marke: BOSCH


Bitte Kompatibilität prüfen!

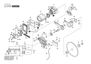
Bitte prüfen Sie unbedingt die 10-stellige Typennummer Ihrer Maschine / Ihres Gerätes. Das Ersatzteil ist nur kompatibel, wenn Sie die Typennummer Ihrer Maschine in der unten stehenden Produktbeschreibung finden.

Bitte prüfen Sie ebenfalls detailliert die Explosionszeichnung mit Ihrem Artikelwunsch und der jeweiligen Pos-Nummer.

Alle Elemente, welche vom schwarzen Strich der Pos-Nummer ausgehend berührt / erfasst werden, gehören zu dieser Pos-Nummer und somit zu diesem Artikel. Jede Pos-Nummer ist ein eigenständiger Artikel, welchen Sie in der Auflistung finden.

Sie erhalten stets die aktuellste, neueste Produktversion zu der gewählten Pos-Nummer seitens des Herstellers. Es kann daher je nach Gerätealter vorkommen, dass Sie ggf. weitere, zugehörige Elemente, welche an diese Pos-Nummer grenzen, ebenfalls mittauschen müssen.

Nähere Informationen finden Sie unter dem Link
Hinweise zu Ihrer BOSCH Ersatzteilsuche

Preisübersicht

Einzelpreis: 12,98 €* (Brutto: 15,45 €)
Gesamtpreis: 12,98 €* 
Position:

Lieferzeit: 5 Werktage


Beschreibung

  • Frontschild
  • Original Bosch Zubehör / BOSCH Ersatzteil (1609B03979)
  • im Gerät verbaut: 1
Dieses BOSCH Ersatzteil ist mit folgendem Gerät und Modell kompatibel:
  • BOSCH Gerätename: GTS 18V-216
  • BOSCH Explosionszeichnung: Position 207
  • BOSCH Typennummer: 3601M44000
  • BOSCH Typennummer alternative Schreibweisen: 3 601 M44 000, 3601 M44 000, 3.601.M44.000, 3-601-M44-000
    Bitte prüfen Sie diese Typennummer auf Ihrem Gerät um die Kompatibilität des BOSCH Ersatzteils zu gewährleisten.
Weitere BOSCH Ersatzteile des Gerätes GTS 18V-216 (Tischkreissäge) mit der Typennummer 3601M44000 finden Sie in der nachfolgenden Darstellung und im Dropdown zu Ihrer Auswahl:

Pos.
2
BOSCH Bürstenloser DC-Motor | Ersatzteile für GTS 18V-216 | 160702267K
Hersteller: BOSCH
Artikelnummer: EB-3601M44000-160702267K
Netto: 135,20 € zzgl. MwSt.
zzgl. 6,90 € Versand (brutto)
einmalig pro Bestellung

Lieferzeit: 5 Werktage

Pos.
4
BOSCH Schalter | Ersatzteile für GTS 18V-216 | 2607202394
Hersteller: BOSCH
Artikelnummer: EB-3601M44000-2607202394
Netto: 15,75 € zzgl. MwSt.
zzgl. 6,90 € Versand (brutto)
einmalig pro Bestellung

Lieferzeit: 5 Werktage

Pos.
8
BOSCH Typschild | Ersatzteile für GTS 18V-216 | 1609BN0407
Hersteller: BOSCH
Artikelnummer: EB-3601M44000-1609BN0407
Netto: 4,53 € zzgl. MwSt.
zzgl. 6,90 € Versand (brutto)
einmalig pro Bestellung

Lieferzeit: 5 Werktage

Pos.
18
BOSCH Schraube | Ersatzteile für GTS 18V-216 | 1609B06380
Hersteller: BOSCH
Artikelnummer: EB-3601M44000-1609B06380
Netto: 3,63 € zzgl. MwSt.
zzgl. 6,90 € Versand (brutto)
einmalig pro Bestellung

Lieferzeit: 5 Werktage

Pos.
19
BOSCH Schraube | Ersatzteile für GTS 18V-216 | 1609B00655
Hersteller: BOSCH
Artikelnummer: EB-3601M44000-1609B00655
Netto: 3,63 € zzgl. MwSt.
zzgl. 6,90 € Versand (brutto)
einmalig pro Bestellung

Lieferzeit: 5 Werktage

Pos.
21
BOSCH Motormantel | Ersatzteile für GTS 18V-216 | 1609B06685
Hersteller: BOSCH
Artikelnummer: EB-3601M44000-1609B06685
Netto: 4,53 € zzgl. MwSt.
zzgl. 6,90 € Versand (brutto)
einmalig pro Bestellung

Lieferzeit: 5 Werktage

Pos.
23
BOSCH Schalterdeckel | Ersatzteile für GTS 18V-216 | 1609B06340
Hersteller: BOSCH
Artikelnummer: EB-3601M44000-1609B06340
Netto: 3,94 € zzgl. MwSt.
zzgl. 6,90 € Versand (brutto)
einmalig pro Bestellung

Lieferzeit: 5 Werktage

Pos.
24
BOSCH Schalterdeckel | Ersatzteile für GTS 18V-216 | 1609B06341
Hersteller: BOSCH
Artikelnummer: EB-3601M44000-1609B06341
Netto: 3,94 € zzgl. MwSt.
zzgl. 6,90 € Versand (brutto)
einmalig pro Bestellung

Lieferzeit: 5 Werktage

Pos.
25
BOSCH Schaltkasten | Ersatzteile für GTS 18V-216 | 1609B06333
Hersteller: BOSCH
Artikelnummer: EB-3601M44000-1609B06333
Netto: 3,94 € zzgl. MwSt.
zzgl. 6,90 € Versand (brutto)
einmalig pro Bestellung

Lieferzeit: 5 Werktage

Pos.
26
BOSCH Flachbandkabel | Ersatzteile für GTS 18V-216 | 1609B06265
Hersteller: BOSCH
Artikelnummer: EB-3601M44000-1609B06265
Netto: 4,32 € zzgl. MwSt.
zzgl. 6,90 € Versand (brutto)
einmalig pro Bestellung

Lieferzeit: 5 Werktage

Pos.
27
BOSCH Schraube | Ersatzteile für GTS 18V-216 | 1609B01281
Hersteller: BOSCH
Artikelnummer: EB-3601M44000-1609B01281
Netto: 3,63 € zzgl. MwSt.
zzgl. 6,90 € Versand (brutto)
einmalig pro Bestellung

Lieferzeit: 5 Werktage

Pos.
28
BOSCH Elektronik-Modul | Ersatzteile für GTS 18V-216 | 16072335GB
Hersteller: BOSCH
Artikelnummer: EB-3601M44000-16072335GB
Netto: 135,20 € zzgl. MwSt.
zzgl. 6,90 € Versand (brutto)
einmalig pro Bestellung

Lieferzeit: 5 Werktage

Pos.
29
BOSCH Platte | Ersatzteile für GTS 18V-216 | 1609B06697
Hersteller: BOSCH
Artikelnummer: EB-3601M44000-1609B06697
Netto: 5,67 € zzgl. MwSt.
zzgl. 6,90 € Versand (brutto)
einmalig pro Bestellung

Lieferzeit: 5 Werktage

Pos.
30
BOSCH Schraube | Ersatzteile für GTS 18V-216 | 1609B03361
Hersteller: BOSCH
Artikelnummer: EB-3601M44000-1609B03361
Netto: 3,63 € zzgl. MwSt.
zzgl. 6,90 € Versand (brutto)
einmalig pro Bestellung

Lieferzeit: 5 Werktage

Pos.
31
BOSCH Abdeckung | Ersatzteile für GTS 18V-216 | 1609B06223
Hersteller: BOSCH
Artikelnummer: EB-3601M44000-1609B06223
Netto: 4,32 € zzgl. MwSt.
zzgl. 6,90 € Versand (brutto)
einmalig pro Bestellung

Lieferzeit: 5 Werktage

Pos.
32
BOSCH Abdeckung | Ersatzteile für GTS 18V-216 | 1609B06686
Hersteller: BOSCH
Artikelnummer: EB-3601M44000-1609B06686
Netto: 3,63 € zzgl. MwSt.
zzgl. 6,90 € Versand (brutto)
einmalig pro Bestellung

Lieferzeit: 5 Werktage

Pos.
33
BOSCH Abdeckung | Ersatzteile für GTS 18V-216 | 1609B06698
Hersteller: BOSCH
Artikelnummer: EB-3601M44000-1609B06698
Netto: 3,63 € zzgl. MwSt.
zzgl. 6,90 € Versand (brutto)
einmalig pro Bestellung

Lieferzeit: 5 Werktage

Pos.
34
BOSCH Gummispannkörper | Ersatzteile für GTS 18V-216 | 1609B06352
Hersteller: BOSCH
Artikelnummer: EB-3601M44000-1609B06352
Netto: 3,63 € zzgl. MwSt.
zzgl. 6,90 € Versand (brutto)
einmalig pro Bestellung

Lieferzeit: 5 Werktage

Pos.
38
BOSCH Abtriebswelle | Ersatzteile für GTS 18V-216 | 1609B03947
Hersteller: BOSCH
Artikelnummer: EB-3601M44000-1609B03947
Netto: 8,33 € zzgl. MwSt.
zzgl. 6,90 € Versand (brutto)
einmalig pro Bestellung

Lieferzeit: 5 Werktage

Pos.
39
BOSCH Schrägzahnrad | Ersatzteile für GTS 18V-216 | 1609B06362
Hersteller: BOSCH
Artikelnummer: EB-3601M44000-1609B06362
Netto: 11,92 € zzgl. MwSt.
zzgl. 6,90 € Versand (brutto)
einmalig pro Bestellung

Lieferzeit: 5 Werktage

Pos.
40
BOSCH Getriebedeckel | Ersatzteile für GTS 18V-216 | 1609B03944
Hersteller: BOSCH
Artikelnummer: EB-3601M44000-1609B03944
Netto: 9,95 € zzgl. MwSt.
zzgl. 6,90 € Versand (brutto)
einmalig pro Bestellung

Lieferzeit: 5 Werktage

Pos.
41
BOSCH Schraube | Ersatzteile für GTS 18V-216 | 1609B01050
Hersteller: BOSCH
Artikelnummer: EB-3601M44000-1609B01050
Netto: 3,63 € zzgl. MwSt.
zzgl. 6,90 € Versand (brutto)
einmalig pro Bestellung

Lieferzeit: 5 Werktage

Pos.
42
BOSCH Lager | Ersatzteile für GTS 18V-216 | 1609B06547
Hersteller: BOSCH
Artikelnummer: EB-3601M44000-1609B06547
Netto: 5,67 € zzgl. MwSt.
zzgl. 6,90 € Versand (brutto)
einmalig pro Bestellung

Lieferzeit: 5 Werktage

Pos.
43
BOSCH Lagerdeckel | Ersatzteile für GTS 18V-216 | 1609B03948
Hersteller: BOSCH
Artikelnummer: EB-3601M44000-1609B03948
Netto: 3,94 € zzgl. MwSt.
zzgl. 6,90 € Versand (brutto)
einmalig pro Bestellung

Lieferzeit: 5 Werktage

Pos.
44
BOSCH Sperrhebel | Ersatzteile für GTS 18V-216 | 1609B06785
Hersteller: BOSCH
Artikelnummer: EB-3601M44000-1609B06785
Netto: 6,15 € zzgl. MwSt.
zzgl. 6,90 € Versand (brutto)
einmalig pro Bestellung

Lieferzeit: 5 Werktage

Pos.
45
BOSCH Drehfeder | Ersatzteile für GTS 18V-216 | 1609B03937
Hersteller: BOSCH
Artikelnummer: EB-3601M44000-1609B03937
Netto: 3,63 € zzgl. MwSt.
zzgl. 6,90 € Versand (brutto)
einmalig pro Bestellung

Lieferzeit: 5 Werktage

Pos.
46
BOSCH Ansatzschraube | Ersatzteile für GTS 18V-216 | 1609B03923
Hersteller: BOSCH
Artikelnummer: EB-3601M44000-1609B03923
Netto: 3,63 € zzgl. MwSt.
zzgl. 6,90 € Versand (brutto)
einmalig pro Bestellung

Lieferzeit: 5 Werktage

Pos.
47
BOSCH Einstellschraube | Ersatzteile für GTS 18V-216 | 1609B03929
Hersteller: BOSCH
Artikelnummer: EB-3601M44000-1609B03929
Netto: 3,63 € zzgl. MwSt.
zzgl. 6,90 € Versand (brutto)
einmalig pro Bestellung

Lieferzeit: 5 Werktage

Pos.
48
BOSCH Mutter | Ersatzteile für GTS 18V-216 | 1609BT4033
Hersteller: BOSCH
Artikelnummer: EB-3601M44000-1609BT4033
Netto: 3,63 € zzgl. MwSt.
zzgl. 6,90 € Versand (brutto)
einmalig pro Bestellung

Lieferzeit: 5 Werktage

Pos.
49
BOSCH Innenscheibe | Ersatzteile für GTS 18V-216 | 1609B03913
Hersteller: BOSCH
Artikelnummer: EB-3601M44000-1609B03913
Netto: 6,15 € zzgl. MwSt.
zzgl. 6,90 € Versand (brutto)
einmalig pro Bestellung

Lieferzeit: 5 Werktage

Pos.
50
BOSCH Elektr Leitung | Ersatzteile für GTS 18V-216 | 1609B06217
Hersteller: BOSCH
Artikelnummer: EB-3601M44000-1609B06217
Netto: 5,67 € zzgl. MwSt.
zzgl. 6,90 € Versand (brutto)
einmalig pro Bestellung

Lieferzeit: 5 Werktage

Pos.
51
BOSCH Flansch | Ersatzteile für GTS 18V-216 | 1609B03915
Hersteller: BOSCH
Artikelnummer: EB-3601M44000-1609B03915
Netto: 5,67 € zzgl. MwSt.
zzgl. 6,90 € Versand (brutto)
einmalig pro Bestellung

Lieferzeit: 5 Werktage

Pos.
52
BOSCH Mutter | Ersatzteile für GTS 18V-216 | 1609B03916
Hersteller: BOSCH
Artikelnummer: EB-3601M44000-1609B03916
Netto: 3,63 € zzgl. MwSt.
zzgl. 6,90 € Versand (brutto)
einmalig pro Bestellung

Lieferzeit: 5 Werktage

Pos.
53
BOSCH Schutzblech | Ersatzteile für GTS 18V-216 | 1609B05720
Hersteller: BOSCH
Artikelnummer: EB-3601M44000-1609B05720
Netto: 3,63 € zzgl. MwSt.
zzgl. 6,90 € Versand (brutto)
einmalig pro Bestellung

Lieferzeit: 5 Werktage

Pos.
54
BOSCH Schraube | Ersatzteile für GTS 18V-216 | 1609B01690
Hersteller: BOSCH
Artikelnummer: EB-3601M44000-1609B01690
Netto: 3,63 € zzgl. MwSt.
zzgl. 6,90 € Versand (brutto)
einmalig pro Bestellung

Lieferzeit: 5 Werktage

Pos.
55
BOSCH Bremshalterauflage | Ersatzteile für GTS 18V-216 | 1609B06687
Hersteller: BOSCH
Artikelnummer: EB-3601M44000-1609B06687
Netto: 3,94 € zzgl. MwSt.
zzgl. 6,90 € Versand (brutto)
einmalig pro Bestellung

Lieferzeit: 5 Werktage

Pos.
56
BOSCH Blasebalg | Ersatzteile für GTS 18V-216 | 1609B06694
Hersteller: BOSCH
Artikelnummer: EB-3601M44000-1609B06694
Netto: 3,63 € zzgl. MwSt.
zzgl. 6,90 € Versand (brutto)
einmalig pro Bestellung

Lieferzeit: 5 Werktage

Pos.
57
BOSCH Abdeckung | Ersatzteile für GTS 18V-216 | 1609B06688
Hersteller: BOSCH
Artikelnummer: EB-3601M44000-1609B06688
Netto: 3,94 € zzgl. MwSt.
zzgl. 6,90 € Versand (brutto)
einmalig pro Bestellung

Lieferzeit: 5 Werktage

Pos.
58
BOSCH Abdeckung | Ersatzteile für GTS 18V-216 | 1609B06707
Hersteller: BOSCH
Artikelnummer: EB-3601M44000-1609B06707
Netto: 3,63 € zzgl. MwSt.
zzgl. 6,90 € Versand (brutto)
einmalig pro Bestellung

Lieferzeit: 5 Werktage

Pos.
59
BOSCH Blechschraube | Ersatzteile für GTS 18V-216 | 1609B00637
Hersteller: BOSCH
Artikelnummer: EB-3601M44000-1609B00637
Netto: 3,63 € zzgl. MwSt.
zzgl. 6,90 € Versand (brutto)
einmalig pro Bestellung

Lieferzeit: 5 Werktage

Pos.
60
BOSCH Batteriehalter | Ersatzteile für GTS 18V-216 | 1609B06706
Hersteller: BOSCH
Artikelnummer: EB-3601M44000-1609B06706
Netto: 5,19 € zzgl. MwSt.
zzgl. 6,90 € Versand (brutto)
einmalig pro Bestellung

Lieferzeit: 5 Werktage

Pos.
61
BOSCH Antriebswelle | Ersatzteile für GTS 18V-216 | 1609B04525
Hersteller: BOSCH
Artikelnummer: EB-3601M44000-1609B04525
Netto: 4,53 € zzgl. MwSt.
zzgl. 6,90 € Versand (brutto)
einmalig pro Bestellung

Lieferzeit: 5 Werktage

Pos.
62
BOSCH Scheibe | Ersatzteile für GTS 18V-216 | 1609B00675
Hersteller: BOSCH
Artikelnummer: EB-3601M44000-1609B00675
Netto: 3,63 € zzgl. MwSt.
zzgl. 6,90 € Versand (brutto)
einmalig pro Bestellung

Lieferzeit: 5 Werktage

Pos.
63
BOSCH Innensechskantschraube | Ersatzteile für GTS 18V-216 | 1609B05390
Hersteller: BOSCH
Artikelnummer: EB-3601M44000-1609B05390
Netto: 3,63 € zzgl. MwSt.
zzgl. 6,90 € Versand (brutto)
einmalig pro Bestellung

Lieferzeit: 5 Werktage

Pos.
64
BOSCH Schraubleiste | Ersatzteile für GTS 18V-216 | 1609B06704
Hersteller: BOSCH
Artikelnummer: EB-3601M44000-1609B06704
Netto: 7,30 € zzgl. MwSt.
zzgl. 6,90 € Versand (brutto)
einmalig pro Bestellung

Lieferzeit: 5 Werktage

Pos.
65
BOSCH Stützplatte | Ersatzteile für GTS 18V-216 | 1609B04522
Hersteller: BOSCH
Artikelnummer: EB-3601M44000-1609B04522
Netto: 4,82 € zzgl. MwSt.
zzgl. 6,90 € Versand (brutto)
einmalig pro Bestellung

Lieferzeit: 5 Werktage

Pos.
66
BOSCH Zeiger | Ersatzteile für GTS 18V-216 | 1609B06220
Hersteller: BOSCH
Artikelnummer: EB-3601M44000-1609B06220
Netto: 3,63 € zzgl. MwSt.
zzgl. 6,90 € Versand (brutto)
einmalig pro Bestellung

Lieferzeit: 5 Werktage

Pos.
67
BOSCH Kontakthalter | Ersatzteile für GTS 18V-216 | 1609B06200
Hersteller: BOSCH
Artikelnummer: EB-3601M44000-1609B06200
Netto: 24,13 € zzgl. MwSt.
zzgl. 6,90 € Versand (brutto)
einmalig pro Bestellung

Lieferzeit: 5 Werktage

Pos.
68
BOSCH Schraube | Ersatzteile für GTS 18V-216 | 1609B00650
Hersteller: BOSCH
Artikelnummer: EB-3601M44000-1609B00650
Netto: 3,63 € zzgl. MwSt.
zzgl. 6,90 € Versand (brutto)
einmalig pro Bestellung

Lieferzeit: 5 Werktage

Pos.
69
BOSCH Gurt | Ersatzteile für GTS 18V-216 | 1609B04253
Hersteller: BOSCH
Artikelnummer: EB-3601M44000-1609B04253
Netto: 17,38 € zzgl. MwSt.
zzgl. 6,90 € Versand (brutto)
einmalig pro Bestellung

Lieferzeit: 5 Werktage

Pos.
70
BOSCH Sicherungsbügel | Ersatzteile für GTS 18V-216 | 1609B01287
Hersteller: BOSCH
Artikelnummer: EB-3601M44000-1609B01287
Netto: 3,63 € zzgl. MwSt.
zzgl. 6,90 € Versand (brutto)
einmalig pro Bestellung

Lieferzeit: 5 Werktage

Pos.
71
BOSCH Lagerbuchse | Ersatzteile für GTS 18V-216 | 1609B04524
Hersteller: BOSCH
Artikelnummer: EB-3601M44000-1609B04524
Netto: 4,32 € zzgl. MwSt.
zzgl. 6,90 € Versand (brutto)
einmalig pro Bestellung

Lieferzeit: 5 Werktage

Pos.
72
BOSCH Getriebe | Ersatzteile für GTS 18V-216 | 1609B04520
Hersteller: BOSCH
Artikelnummer: EB-3601M44000-1609B04520
Netto: 3,63 € zzgl. MwSt.
zzgl. 6,90 € Versand (brutto)
einmalig pro Bestellung

Lieferzeit: 5 Werktage

Pos.
73
BOSCH Schraube | Ersatzteile für GTS 18V-216 | 1609B00624
Hersteller: BOSCH
Artikelnummer: EB-3601M44000-1609B00624
Netto: 3,63 € zzgl. MwSt.
zzgl. 6,90 € Versand (brutto)
einmalig pro Bestellung

Lieferzeit: 5 Werktage

Pos.
74
BOSCH Führungsprofil | Ersatzteile für GTS 18V-216 | 1609B04519
Hersteller: BOSCH
Artikelnummer: EB-3601M44000-1609B04519
Netto: 4,82 € zzgl. MwSt.
zzgl. 6,90 € Versand (brutto)
einmalig pro Bestellung

Lieferzeit: 5 Werktage

Pos.
75
BOSCH Torx-Linsenschraube | Ersatzteile für GTS 18V-216 | 2609110353
Hersteller: BOSCH
Artikelnummer: EB-3601M44000-2609110353
Netto: 4,32 € zzgl. MwSt.
zzgl. 6,90 € Versand (brutto)
einmalig pro Bestellung

Lieferzeit: 5 Werktage

Pos.
77
BOSCH Druckfeder | Ersatzteile für GTS 18V-216 | 1609280477
Hersteller: BOSCH
Artikelnummer: EB-3601M44000-1609280477
Netto: 3,94 € zzgl. MwSt.
zzgl. 6,90 € Versand (brutto)
einmalig pro Bestellung

Lieferzeit: 5 Werktage

Pos.
78
BOSCH Scheibe | Ersatzteile für GTS 18V-216 | 1609B06808
Hersteller: BOSCH
Artikelnummer: EB-3601M44000-1609B06808
Netto: 3,63 € zzgl. MwSt.
zzgl. 6,90 € Versand (brutto)
einmalig pro Bestellung

Lieferzeit: 5 Werktage

Pos.
79
BOSCH Scheibenhandrad | Ersatzteile für GTS 18V-216 | 1609B04528
Hersteller: BOSCH
Artikelnummer: EB-3601M44000-1609B04528
Netto: 5,19 € zzgl. MwSt.
zzgl. 6,90 € Versand (brutto)
einmalig pro Bestellung

Lieferzeit: 5 Werktage

Pos.
80
BOSCH Kombi-Schraube M5X16 | Ersatzteile für GTS 18V-216 | 1619P03825
Hersteller: BOSCH
Artikelnummer: EB-3601M44000-1619P03825
Netto: 3,63 € zzgl. MwSt.
zzgl. 6,90 € Versand (brutto)
einmalig pro Bestellung

Lieferzeit: 5 Werktage

Pos.
81
BOSCH Unterlegscheibe | Ersatzteile für GTS 18V-216 | 1609B00757
Hersteller: BOSCH
Artikelnummer: EB-3601M44000-1609B00757
Netto: 3,63 € zzgl. MwSt.
zzgl. 6,90 € Versand (brutto)
einmalig pro Bestellung

Lieferzeit: 5 Werktage

Pos.
82
BOSCH Kurbel | Ersatzteile für GTS 18V-216 | 1609B04529
Hersteller: BOSCH
Artikelnummer: EB-3601M44000-1609B04529
Netto: 3,63 € zzgl. MwSt.
zzgl. 6,90 € Versand (brutto)
einmalig pro Bestellung

Lieferzeit: 5 Werktage

Pos.
83
BOSCH Schraube | Ersatzteile für GTS 18V-216 | 1609B00689
Hersteller: BOSCH
Artikelnummer: EB-3601M44000-1609B00689
Netto: 3,94 € zzgl. MwSt.
zzgl. 6,90 € Versand (brutto)
einmalig pro Bestellung

Lieferzeit: 5 Werktage

Pos.
84
BOSCH Schraube | Ersatzteile für GTS 18V-216 | 1609B06368
Hersteller: BOSCH
Artikelnummer: EB-3601M44000-1609B06368
Netto: 3,63 € zzgl. MwSt.
zzgl. 6,90 € Versand (brutto)
einmalig pro Bestellung

Lieferzeit: 5 Werktage

Pos.
85
BOSCH Sicherungsmutter | Ersatzteile für GTS 18V-216 | 1609BP7039
Hersteller: BOSCH
Artikelnummer: EB-3601M44000-1609BP7039
Netto: 3,63 € zzgl. MwSt.
zzgl. 6,90 € Versand (brutto)
einmalig pro Bestellung

Lieferzeit: 5 Werktage

Pos.
86
BOSCH Staubreiniger | Ersatzteile für GTS 18V-216 | 1609B03863
Hersteller: BOSCH
Artikelnummer: EB-3601M44000-1609B03863
Netto: 3,94 € zzgl. MwSt.
zzgl. 6,90 € Versand (brutto)
einmalig pro Bestellung

Lieferzeit: 5 Werktage

Pos.
87
BOSCH Schutzunterteil | Ersatzteile für GTS 18V-216 | 1609B06718
Hersteller: BOSCH
Artikelnummer: EB-3601M44000-1609B06718
Netto: 8,33 € zzgl. MwSt.
zzgl. 6,90 € Versand (brutto)
einmalig pro Bestellung

Lieferzeit: 5 Werktage

Pos.
88
BOSCH Stützhülse | Ersatzteile für GTS 18V-216 | 1609B04530
Hersteller: BOSCH
Artikelnummer: EB-3601M44000-1609B04530
Netto: 3,63 € zzgl. MwSt.
zzgl. 6,90 € Versand (brutto)
einmalig pro Bestellung

Lieferzeit: 5 Werktage

Pos.
91
BOSCH Druckfeder | Ersatzteile für GTS 18V-216 | 1609B04531
Hersteller: BOSCH
Artikelnummer: EB-3601M44000-1609B04531
Netto: 3,63 € zzgl. MwSt.
zzgl. 6,90 € Versand (brutto)
einmalig pro Bestellung

Lieferzeit: 5 Werktage

Pos.
92
BOSCH Wagen | Ersatzteile für GTS 18V-216 | 1609B04517
Hersteller: BOSCH
Artikelnummer: EB-3601M44000-1609B04517
Netto: 39,11 € zzgl. MwSt.
zzgl. 6,90 € Versand (brutto)
einmalig pro Bestellung

Lieferzeit: 5 Werktage

Pos.
93
BOSCH Schraube | Ersatzteile für GTS 18V-216 | 1609B04560
Hersteller: BOSCH
Artikelnummer: EB-3601M44000-1609B04560
Netto: 3,63 € zzgl. MwSt.
zzgl. 6,90 € Versand (brutto)
einmalig pro Bestellung

Lieferzeit: 5 Werktage

Pos.
94
BOSCH Formscheibe | Ersatzteile für GTS 18V-216 | 1609B03829
Hersteller: BOSCH
Artikelnummer: EB-3601M44000-1609B03829
Netto: 3,63 € zzgl. MwSt.
zzgl. 6,90 € Versand (brutto)
einmalig pro Bestellung

Lieferzeit: 5 Werktage

Pos.
95
BOSCH Pfropfen | Ersatzteile für GTS 18V-216 | 1609B04551
Hersteller: BOSCH
Artikelnummer: EB-3601M44000-1609B04551
Netto: 3,94 € zzgl. MwSt.
zzgl. 6,90 € Versand (brutto)
einmalig pro Bestellung

Lieferzeit: 5 Werktage

Pos.
96
BOSCH Schraube | Ersatzteile für GTS 18V-216 | 1609B06561
Hersteller: BOSCH
Artikelnummer: EB-3601M44000-1609B06561
Netto: 3,63 € zzgl. MwSt.
zzgl. 6,90 € Versand (brutto)
einmalig pro Bestellung

Lieferzeit: 5 Werktage

Pos.
97
BOSCH Befestigungswinkel | Ersatzteile für GTS 18V-216 | 1609B06705
Hersteller: BOSCH
Artikelnummer: EB-3601M44000-1609B06705
Netto: 9,95 € zzgl. MwSt.
zzgl. 6,90 € Versand (brutto)
einmalig pro Bestellung

Lieferzeit: 5 Werktage

Pos.
98
BOSCH Schraube | Ersatzteile für GTS 18V-216 | 1609B04541
Hersteller: BOSCH
Artikelnummer: EB-3601M44000-1609B04541
Netto: 3,63 € zzgl. MwSt.
zzgl. 6,90 € Versand (brutto)
einmalig pro Bestellung

Lieferzeit: 5 Werktage

Pos.
99
BOSCH Laufbuchse | Ersatzteile für GTS 18V-216 | 1609B01186
Hersteller: BOSCH
Artikelnummer: EB-3601M44000-1609B01186
Netto: 8,33 € zzgl. MwSt.
zzgl. 6,90 € Versand (brutto)
einmalig pro Bestellung

Lieferzeit: 5 Werktage

Pos.
100
BOSCH Zylinderschraube | Ersatzteile für GTS 18V-216 | 1609B01196
Hersteller: BOSCH
Artikelnummer: EB-3601M44000-1609B01196
Netto: 3,63 € zzgl. MwSt.
zzgl. 6,90 € Versand (brutto)
einmalig pro Bestellung

Lieferzeit: 5 Werktage

Pos.
101
BOSCH Staubabsaugung | Ersatzteile für GTS 18V-216 | 1609B06363
Hersteller: BOSCH
Artikelnummer: EB-3601M44000-1609B06363
Netto: 3,63 € zzgl. MwSt.
zzgl. 6,90 € Versand (brutto)
einmalig pro Bestellung

Lieferzeit: 5 Werktage

Pos.
103
BOSCH Abdeckung | Ersatzteile für GTS 18V-216 | 1609B06708
Hersteller: BOSCH
Artikelnummer: EB-3601M44000-1609B06708
Netto: 3,63 € zzgl. MwSt.
zzgl. 6,90 € Versand (brutto)
einmalig pro Bestellung

Lieferzeit: 5 Werktage

Pos.
105
BOSCH Kunststoffschneidschraube | Ersatzteile für GTS 18V-216 | 1609B01046
Hersteller: BOSCH
Artikelnummer: EB-3601M44000-1609B01046
Netto: 3,63 € zzgl. MwSt.
zzgl. 6,90 € Versand (brutto)
einmalig pro Bestellung

Lieferzeit: 5 Werktage

Pos.
109
BOSCH Aufspannplatte | Ersatzteile für GTS 18V-216 | 1609B06689
Hersteller: BOSCH
Artikelnummer: EB-3601M44000-1609B06689
Netto: 4,82 € zzgl. MwSt.
zzgl. 6,90 € Versand (brutto)
einmalig pro Bestellung

Lieferzeit: 5 Werktage

Pos.
112
BOSCH Scheibe | Ersatzteile für GTS 18V-216 | 1609B06809
Hersteller: BOSCH
Artikelnummer: EB-3601M44000-1609B06809
Netto: 3,63 € zzgl. MwSt.
zzgl. 6,90 € Versand (brutto)
einmalig pro Bestellung

Lieferzeit: 5 Werktage

Pos.
113
BOSCH Aufspannplatte | Ersatzteile für GTS 18V-216 | 1609B06690
Hersteller: BOSCH
Artikelnummer: EB-3601M44000-1609B06690
Netto: 4,32 € zzgl. MwSt.
zzgl. 6,90 € Versand (brutto)
einmalig pro Bestellung

Lieferzeit: 5 Werktage

Pos.
114
BOSCH Staubschutzfassung | Ersatzteile für GTS 18V-216 | 1609B06691
Hersteller: BOSCH
Artikelnummer: EB-3601M44000-1609B06691
Netto: 6,15 € zzgl. MwSt.
zzgl. 6,90 € Versand (brutto)
einmalig pro Bestellung

Lieferzeit: 5 Werktage

Pos.
128
BOSCH Gewindestift | Ersatzteile für GTS 18V-216 | 1609B04562
Hersteller: BOSCH
Artikelnummer: EB-3601M44000-1609B04562
Netto: 3,63 € zzgl. MwSt.
zzgl. 6,90 € Versand (brutto)
einmalig pro Bestellung

Lieferzeit: 5 Werktage

Pos.
141
BOSCH Einklebeblatt | Ersatzteile für GTS 18V-216 | 1609B06711
Hersteller: BOSCH
Artikelnummer: EB-3601M44000-1609B06711
Netto: 3,63 € zzgl. MwSt.
zzgl. 6,90 € Versand (brutto)
einmalig pro Bestellung

Lieferzeit: 5 Werktage

Pos.
158
BOSCH Schraube | Ersatzteile für GTS 18V-216 | 1609B01282
Hersteller: BOSCH
Artikelnummer: EB-3601M44000-1609B01282
Netto: 3,63 € zzgl. MwSt.
zzgl. 6,90 € Versand (brutto)
einmalig pro Bestellung

Lieferzeit: 5 Werktage

Pos.
163
BOSCH Körper | Ersatzteile für GTS 18V-216 | 1609B03874
Hersteller: BOSCH
Artikelnummer: EB-3601M44000-1609B03874
Netto: 14,36 € zzgl. MwSt.
zzgl. 6,90 € Versand (brutto)
einmalig pro Bestellung

Lieferzeit: 5 Werktage

Pos.
167
BOSCH Tischplatte | Ersatzteile für GTS 18V-216 | 1609B06699
Hersteller: BOSCH
Artikelnummer: EB-3601M44000-1609B06699
Netto: 121,18 € zzgl. MwSt.
zzgl. 6,90 € Versand (brutto)
einmalig pro Bestellung

Lieferzeit: 5 Werktage

Pos.
169
BOSCH Federblech | Ersatzteile für GTS 18V-216 | 1609B06422
Hersteller: BOSCH
Artikelnummer: EB-3601M44000-1609B06422
Netto: 3,63 € zzgl. MwSt.
zzgl. 6,90 € Versand (brutto)
einmalig pro Bestellung

Lieferzeit: 5 Werktage

Pos.
171
BOSCH Zeiger | Ersatzteile für GTS 18V-216 | 1609B06218
Hersteller: BOSCH
Artikelnummer: EB-3601M44000-1609B06218
Netto: 3,63 € zzgl. MwSt.
zzgl. 6,90 € Versand (brutto)
einmalig pro Bestellung

Lieferzeit: 5 Werktage

Pos.
172
BOSCH Verlängerungseinheit | Ersatzteile für GTS 18V-216 | 1609B03959
Hersteller: BOSCH
Artikelnummer: EB-3601M44000-1609B03959
Netto: 17,38 € zzgl. MwSt.
zzgl. 6,90 € Versand (brutto)
einmalig pro Bestellung

Lieferzeit: 5 Werktage

Pos.
173
BOSCH Schiene | Ersatzteile für GTS 18V-216 | 1609B03960
Hersteller: BOSCH
Artikelnummer: EB-3601M44000-1609B03960
Netto: 17,38 € zzgl. MwSt.
zzgl. 6,90 € Versand (brutto)
einmalig pro Bestellung

Lieferzeit: 5 Werktage

Pos.
174
BOSCH Schiene | Ersatzteile für GTS 18V-216 | 1609B03961
Hersteller: BOSCH
Artikelnummer: EB-3601M44000-1609B03961
Netto: 9,18 € zzgl. MwSt.
zzgl. 6,90 € Versand (brutto)
einmalig pro Bestellung

Lieferzeit: 5 Werktage

Pos.
175
BOSCH Platte | Ersatzteile für GTS 18V-216 | 1609B03963
Hersteller: BOSCH
Artikelnummer: EB-3601M44000-1609B03963
Netto: 3,94 € zzgl. MwSt.
zzgl. 6,90 € Versand (brutto)
einmalig pro Bestellung

Lieferzeit: 5 Werktage

Pos.
176
BOSCH Schiene | Ersatzteile für GTS 18V-216 | 1609B06801
Hersteller: BOSCH
Artikelnummer: EB-3601M44000-1609B06801
Netto: 4,32 € zzgl. MwSt.
zzgl. 6,90 € Versand (brutto)
einmalig pro Bestellung

Lieferzeit: 5 Werktage

Pos.
177
BOSCH Schiene | Ersatzteile für GTS 18V-216 | 1609B06802
Hersteller: BOSCH
Artikelnummer: EB-3601M44000-1609B06802
Netto: 3,63 € zzgl. MwSt.
zzgl. 6,90 € Versand (brutto)
einmalig pro Bestellung

Lieferzeit: 5 Werktage

Pos.
178
BOSCH Schraube | Ersatzteile für GTS 18V-216 | 1609B02751
Hersteller: BOSCH
Artikelnummer: EB-3601M44000-1609B02751
Netto: 3,63 € zzgl. MwSt.
zzgl. 6,90 € Versand (brutto)
einmalig pro Bestellung

Lieferzeit: 5 Werktage

Pos.
179
BOSCH Abdeckung | Ersatzteile für GTS 18V-216 | 1609B06382
Hersteller: BOSCH
Artikelnummer: EB-3601M44000-1609B06382
Netto: 3,63 € zzgl. MwSt.
zzgl. 6,90 € Versand (brutto)
einmalig pro Bestellung

Lieferzeit: 5 Werktage

Pos.
180
BOSCH Schraube | Ersatzteile für GTS 18V-216 | 1609B00627
Hersteller: BOSCH
Artikelnummer: EB-3601M44000-1609B00627
Netto: 4,32 € zzgl. MwSt.
zzgl. 6,90 € Versand (brutto)
einmalig pro Bestellung

Lieferzeit: 5 Werktage

Pos.
181
BOSCH Scheibe | Ersatzteile für GTS 18V-216 | 1609B02181
Hersteller: BOSCH
Artikelnummer: EB-3601M44000-1609B02181
Netto: 3,63 € zzgl. MwSt.
zzgl. 6,90 € Versand (brutto)
einmalig pro Bestellung

Lieferzeit: 5 Werktage

Pos.
182
BOSCH Abdeckung | Ersatzteile für GTS 18V-216 | 1609B06400
Hersteller: BOSCH
Artikelnummer: EB-3601M44000-1609B06400
Netto: 3,63 € zzgl. MwSt.
zzgl. 6,90 € Versand (brutto)
einmalig pro Bestellung

Lieferzeit: 5 Werktage

Pos.
183
BOSCH Ansatzschraube | Ersatzteile für GTS 18V-216 | 1609B03990
Hersteller: BOSCH
Artikelnummer: EB-3601M44000-1609B03990
Netto: 3,63 € zzgl. MwSt.
zzgl. 6,90 € Versand (brutto)
einmalig pro Bestellung

Lieferzeit: 5 Werktage

Pos.
184
BOSCH Flanschbolzen | Ersatzteile für GTS 18V-216 | 1609B01322
Hersteller: BOSCH
Artikelnummer: EB-3601M44000-1609B01322
Netto: 3,63 € zzgl. MwSt.
zzgl. 6,90 € Versand (brutto)
einmalig pro Bestellung

Lieferzeit: 5 Werktage

Pos.
185
BOSCH Skale | Ersatzteile für GTS 18V-216 | 1609B03886
Hersteller: BOSCH
Artikelnummer: EB-3601M44000-1609B03886
Netto: 4,53 € zzgl. MwSt.
zzgl. 6,90 € Versand (brutto)
einmalig pro Bestellung

Lieferzeit: 5 Werktage

Pos.
186
BOSCH Schulterschraube | Ersatzteile für GTS 18V-216 | 1609B06589
Hersteller: BOSCH
Artikelnummer: EB-3601M44000-1609B06589
Netto: 3,63 € zzgl. MwSt.
zzgl. 6,90 € Versand (brutto)
einmalig pro Bestellung

Lieferzeit: 5 Werktage

Pos.
187
BOSCH Befestigungswinkel | Ersatzteile für GTS 18V-216 | 1609B03964
Hersteller: BOSCH
Artikelnummer: EB-3601M44000-1609B03964
Netto: 4,53 € zzgl. MwSt.
zzgl. 6,90 € Versand (brutto)
einmalig pro Bestellung

Lieferzeit: 5 Werktage

Pos.
188
BOSCH Griffleiste | Ersatzteile für GTS 18V-216 | 1609B03965
Hersteller: BOSCH
Artikelnummer: EB-3601M44000-1609B03965
Netto: 4,32 € zzgl. MwSt.
zzgl. 6,90 € Versand (brutto)
einmalig pro Bestellung

Lieferzeit: 5 Werktage

Pos.
189
BOSCH Kurvenscheibe | Ersatzteile für GTS 18V-216 | 1609B03966
Hersteller: BOSCH
Artikelnummer: EB-3601M44000-1609B03966
Netto: 5,19 € zzgl. MwSt.
zzgl. 6,90 € Versand (brutto)
einmalig pro Bestellung

Lieferzeit: 5 Werktage

Pos.
190
BOSCH Gelenkhälfte | Ersatzteile für GTS 18V-216 | 1609B03967
Hersteller: BOSCH
Artikelnummer: EB-3601M44000-1609B03967
Netto: 3,94 € zzgl. MwSt.
zzgl. 6,90 € Versand (brutto)
einmalig pro Bestellung

Lieferzeit: 5 Werktage

Pos.
191
BOSCH Gelenkhälfte | Ersatzteile für GTS 18V-216 | 1609B03968
Hersteller: BOSCH
Artikelnummer: EB-3601M44000-1609B03968
Netto: 4,32 € zzgl. MwSt.
zzgl. 6,90 € Versand (brutto)
einmalig pro Bestellung

Lieferzeit: 5 Werktage

Pos.
192
BOSCH Mutter | Ersatzteile für GTS 18V-216 | 1609B03969
Hersteller: BOSCH
Artikelnummer: EB-3601M44000-1609B03969
Netto: 4,32 € zzgl. MwSt.
zzgl. 6,90 € Versand (brutto)
einmalig pro Bestellung

Lieferzeit: 5 Werktage

Pos.
193
BOSCH Steckerstift | Ersatzteile für GTS 18V-216 | 1609B03970
Hersteller: BOSCH
Artikelnummer: EB-3601M44000-1609B03970
Netto: 3,63 € zzgl. MwSt.
zzgl. 6,90 € Versand (brutto)
einmalig pro Bestellung

Lieferzeit: 5 Werktage

Pos.
194
BOSCH Stab | Ersatzteile für GTS 18V-216 | 1609B03971
Hersteller: BOSCH
Artikelnummer: EB-3601M44000-1609B03971
Netto: 5,67 € zzgl. MwSt.
zzgl. 6,90 € Versand (brutto)
einmalig pro Bestellung

Lieferzeit: 5 Werktage

Pos.
195
BOSCH Federblech | Ersatzteile für GTS 18V-216 | 1609B03972
Hersteller: BOSCH
Artikelnummer: EB-3601M44000-1609B03972
Netto: 3,94 € zzgl. MwSt.
zzgl. 6,90 € Versand (brutto)
einmalig pro Bestellung

Lieferzeit: 5 Werktage

Pos.
196
BOSCH Klemmhebel | Ersatzteile für GTS 18V-216 | 1609B03973
Hersteller: BOSCH
Artikelnummer: EB-3601M44000-1609B03973
Netto: 4,32 € zzgl. MwSt.
zzgl. 6,90 € Versand (brutto)
einmalig pro Bestellung

Lieferzeit: 5 Werktage

Pos.
197
BOSCH Rastniet | Ersatzteile für GTS 18V-216 | 1609B03974
Hersteller: BOSCH
Artikelnummer: EB-3601M44000-1609B03974
Netto: 3,63 € zzgl. MwSt.
zzgl. 6,90 € Versand (brutto)
einmalig pro Bestellung

Lieferzeit: 5 Werktage

Pos.
199
BOSCH Endklipp | Ersatzteile für GTS 18V-216 | 1609B01992
Hersteller: BOSCH
Artikelnummer: EB-3601M44000-1609B01992
Netto: 3,63 € zzgl. MwSt.
zzgl. 6,90 € Versand (brutto)
einmalig pro Bestellung

Lieferzeit: 5 Werktage

Pos.
200
BOSCH Schraube | Ersatzteile für GTS 18V-216 | 1609B00647
Hersteller: BOSCH
Artikelnummer: EB-3601M44000-1609B00647
Netto: 3,94 € zzgl. MwSt.
zzgl. 6,90 € Versand (brutto)
einmalig pro Bestellung

Lieferzeit: 5 Werktage

Pos.
201
BOSCH Druckfeder | Ersatzteile für GTS 18V-216 | 1609B03976
Hersteller: BOSCH
Artikelnummer: EB-3601M44000-1609B03976
Netto: 3,63 € zzgl. MwSt.
zzgl. 6,90 € Versand (brutto)
einmalig pro Bestellung

Lieferzeit: 5 Werktage

Pos.
202
BOSCH Flanschmutter | Ersatzteile für GTS 18V-216 | 1609B03975
Hersteller: BOSCH
Artikelnummer: EB-3601M44000-1609B03975
Netto: 3,63 € zzgl. MwSt.
zzgl. 6,90 € Versand (brutto)
einmalig pro Bestellung

Lieferzeit: 5 Werktage

Pos.
203
BOSCH Flanschmutter | Ersatzteile für GTS 18V-216 | 1609B06406
Hersteller: BOSCH
Artikelnummer: EB-3601M44000-1609B06406
Netto: 3,63 € zzgl. MwSt.
zzgl. 6,90 € Versand (brutto)
einmalig pro Bestellung

Lieferzeit: 5 Werktage

Pos.
204
BOSCH Haltearm | Ersatzteile für GTS 18V-216 | 1609B03993
Hersteller: BOSCH
Artikelnummer: EB-3601M44000-1609B03993
Netto: 3,63 € zzgl. MwSt.
zzgl. 6,90 € Versand (brutto)
einmalig pro Bestellung

Lieferzeit: 5 Werktage

Pos.
205
BOSCH Scheibe | Ersatzteile für GTS 18V-216 | 1609B00670
Hersteller: BOSCH
Artikelnummer: EB-3601M44000-1609B00670
Netto: 3,94 € zzgl. MwSt.
zzgl. 6,90 € Versand (brutto)
einmalig pro Bestellung

Lieferzeit: 5 Werktage

Pos.
206
BOSCH Sockel | Ersatzteile für GTS 18V-216 | 1609B03983
Hersteller: BOSCH
Artikelnummer: EB-3601M44000-1609B03983
Netto: 57,47 € zzgl. MwSt.
zzgl. 6,90 € Versand (brutto)
einmalig pro Bestellung

Lieferzeit: 5 Werktage

Pos.
207
BOSCH Frontschild | Ersatzteile für GTS 18V-216 | 1609B03979
Hersteller: BOSCH
Artikelnummer: EB-3601M44000-1609B03979
Netto: 12,98 € zzgl. MwSt.
zzgl. 6,90 € Versand (brutto)
einmalig pro Bestellung

Lieferzeit: 5 Werktage

Pos.
208
BOSCH Tube | Ersatzteile für GTS 18V-216 | 1609B03984
Hersteller: BOSCH
Artikelnummer: EB-3601M44000-1609B03984
Netto: 26,88 € zzgl. MwSt.
zzgl. 6,90 € Versand (brutto)
einmalig pro Bestellung

Lieferzeit: 5 Werktage

Pos.
209
BOSCH Unterplatte | Ersatzteile für GTS 18V-216 | 1609B03985
Hersteller: BOSCH
Artikelnummer: EB-3601M44000-1609B03985
Netto: 12,98 € zzgl. MwSt.
zzgl. 6,90 € Versand (brutto)
einmalig pro Bestellung

Lieferzeit: 5 Werktage

Pos.
210
BOSCH Fussdeckel | Ersatzteile für GTS 18V-216 | 1609B03986
Hersteller: BOSCH
Artikelnummer: EB-3601M44000-1609B03986
Netto: 3,63 € zzgl. MwSt.
zzgl. 6,90 € Versand (brutto)
einmalig pro Bestellung

Lieferzeit: 5 Werktage

Pos.
211
BOSCH Abdeckung | Ersatzteile für GTS 18V-216 | 1609B03988
Hersteller: BOSCH
Artikelnummer: EB-3601M44000-1609B03988
Netto: 6,15 € zzgl. MwSt.
zzgl. 6,90 € Versand (brutto)
einmalig pro Bestellung

Lieferzeit: 5 Werktage

Pos.
212
BOSCH Federblech | Ersatzteile für GTS 18V-216 | 1609B03995
Hersteller: BOSCH
Artikelnummer: EB-3601M44000-1609B03995
Netto: 3,63 € zzgl. MwSt.
zzgl. 6,90 € Versand (brutto)
einmalig pro Bestellung

Lieferzeit: 5 Werktage

Pos.
213
BOSCH Handgriff | Ersatzteile für GTS 18V-216 | 1609B06702
Hersteller: BOSCH
Artikelnummer: EB-3601M44000-1609B06702
Netto: 5,19 € zzgl. MwSt.
zzgl. 6,90 € Versand (brutto)
einmalig pro Bestellung

Lieferzeit: 5 Werktage

Pos.
214
BOSCH Schraube | Ersatzteile für GTS 18V-216 | 1609B01243
Hersteller: BOSCH
Artikelnummer: EB-3601M44000-1609B01243
Netto: 3,63 € zzgl. MwSt.
zzgl. 6,90 € Versand (brutto)
einmalig pro Bestellung

Lieferzeit: 5 Werktage

Pos.
215
BOSCH Haltearm | Ersatzteile für GTS 18V-216 | 1609B03981
Hersteller: BOSCH
Artikelnummer: EB-3601M44000-1609B03981
Netto: 3,94 € zzgl. MwSt.
zzgl. 6,90 € Versand (brutto)
einmalig pro Bestellung

Lieferzeit: 5 Werktage

Pos.
216
BOSCH Gummiring | Ersatzteile für GTS 18V-216 | 1609BP7098
Hersteller: BOSCH
Artikelnummer: EB-3601M44000-1609BP7098
Netto: 3,63 € zzgl. MwSt.
zzgl. 6,90 € Versand (brutto)
einmalig pro Bestellung

Lieferzeit: 5 Werktage

Pos.
217
BOSCH Platte | Ersatzteile für GTS 18V-216 | 1609B06378
Hersteller: BOSCH
Artikelnummer: EB-3601M44000-1609B06378
Netto: 3,63 € zzgl. MwSt.
zzgl. 6,90 € Versand (brutto)
einmalig pro Bestellung

Lieferzeit: 5 Werktage

Pos.
218
BOSCH Schraube | Ersatzteile für GTS 18V-216 | 1609B06405
Hersteller: BOSCH
Artikelnummer: EB-3601M44000-1609B06405
Netto: 3,63 € zzgl. MwSt.
zzgl. 6,90 € Versand (brutto)
einmalig pro Bestellung

Lieferzeit: 5 Werktage

Pos.
220
BOSCH Haltearm | Ersatzteile für GTS 18V-216 | 1609B03994
Hersteller: BOSCH
Artikelnummer: EB-3601M44000-1609B03994
Netto: 4,32 € zzgl. MwSt.
zzgl. 6,90 € Versand (brutto)
einmalig pro Bestellung

Lieferzeit: 5 Werktage

Pos.
221
BOSCH Haltearm | Ersatzteile für GTS 18V-216 | 1609B06413
Hersteller: BOSCH
Artikelnummer: EB-3601M44000-1609B06413
Netto: 3,63 € zzgl. MwSt.
zzgl. 6,90 € Versand (brutto)
einmalig pro Bestellung

Lieferzeit: 5 Werktage

Pos.
222
BOSCH Kombi-Schraube | Ersatzteile für GTS 18V-216 | 1609B00969
Hersteller: BOSCH
Artikelnummer: EB-3601M44000-1609B00969
Netto: 3,63 € zzgl. MwSt.
zzgl. 6,90 € Versand (brutto)
einmalig pro Bestellung

Lieferzeit: 5 Werktage

Pos.
223
BOSCH Rastniet | Ersatzteile für GTS 18V-216 | 1609B04082
Hersteller: BOSCH
Artikelnummer: EB-3601M44000-1609B04082
Netto: 3,63 € zzgl. MwSt.
zzgl. 6,90 € Versand (brutto)
einmalig pro Bestellung

Lieferzeit: 5 Werktage

Pos.
224
BOSCH Unterlegscheibe | Ersatzteile für GTS 18V-216 | 1609B01253
Hersteller: BOSCH
Artikelnummer: EB-3601M44000-1609B01253
Netto: 3,63 € zzgl. MwSt.
zzgl. 6,90 € Versand (brutto)
einmalig pro Bestellung

Lieferzeit: 5 Werktage

Pos.
225
BOSCH Blechschraube | Ersatzteile für GTS 18V-216 | 1609BP7138
Hersteller: BOSCH
Artikelnummer: EB-3601M44000-1609BP7138
Netto: 3,63 € zzgl. MwSt.
zzgl. 6,90 € Versand (brutto)
einmalig pro Bestellung

Lieferzeit: 5 Werktage

Pos.
229
BOSCH Blechschraube | Ersatzteile für GTS 18V-216 | 1609B00636
Hersteller: BOSCH
Artikelnummer: EB-3601M44000-1609B00636
Netto: 3,94 € zzgl. MwSt.
zzgl. 6,90 € Versand (brutto)
einmalig pro Bestellung

Lieferzeit: 5 Werktage

Pos.
231
BOSCH Lagerbuchse | Ersatzteile für GTS 18V-216 | 1609B06383
Hersteller: BOSCH
Artikelnummer: EB-3601M44000-1609B06383
Netto: 3,63 € zzgl. MwSt.
zzgl. 6,90 € Versand (brutto)
einmalig pro Bestellung

Lieferzeit: 5 Werktage

Pos.
232
BOSCH Schraube | Ersatzteile für GTS 18V-216 | 1609B06385
Hersteller: BOSCH
Artikelnummer: EB-3601M44000-1609B06385
Netto: 3,63 € zzgl. MwSt.
zzgl. 6,90 € Versand (brutto)
einmalig pro Bestellung

Lieferzeit: 5 Werktage

Pos.
234
BOSCH Werkstückschieber | Ersatzteile für GTS 18V-216 | 1609B06410
Hersteller: BOSCH
Artikelnummer: EB-3601M44000-1609B06410
Netto: 5,19 € zzgl. MwSt.
zzgl. 6,90 € Versand (brutto)
einmalig pro Bestellung

Lieferzeit: 5 Werktage

Pos.
235
BOSCH Vorsatz-Schrauber | Ersatzteile für GTS 18V-216 | 1609B06384
Hersteller: BOSCH
Artikelnummer: EB-3601M44000-1609B06384
Netto: 3,94 € zzgl. MwSt.
zzgl. 6,90 € Versand (brutto)
einmalig pro Bestellung

Lieferzeit: 5 Werktage

Pos.
236
BOSCH Vorsatz-Schrauber | Ersatzteile für GTS 18V-216 | 1609B03891
Hersteller: BOSCH
Artikelnummer: EB-3601M44000-1609B03891
Netto: 5,67 € zzgl. MwSt.
zzgl. 6,90 € Versand (brutto)
einmalig pro Bestellung

Lieferzeit: 5 Werktage

Pos.
237
BOSCH Knopf | Ersatzteile für GTS 18V-216 | 1609B06421
Hersteller: BOSCH
Artikelnummer: EB-3601M44000-1609B06421
Netto: 3,63 € zzgl. MwSt.
zzgl. 6,90 € Versand (brutto)
einmalig pro Bestellung

Lieferzeit: 5 Werktage

Pos.
238
BOSCH Geräteclip | Ersatzteile für GTS 18V-216 | 1609B05286
Hersteller: BOSCH
Artikelnummer: EB-3601M44000-1609B05286
Netto: 3,63 € zzgl. MwSt.
zzgl. 6,90 € Versand (brutto)
einmalig pro Bestellung

Lieferzeit: 5 Werktage

Pos.
241
BOSCH Einklebeblatt | Ersatzteile für GTS 18V-216 | 1609B06715
Hersteller: BOSCH
Artikelnummer: EB-3601M44000-1609B06715
Netto: 3,63 € zzgl. MwSt.
zzgl. 6,90 € Versand (brutto)
einmalig pro Bestellung

Lieferzeit: 5 Werktage

Pos.
242
BOSCH Sprengring | Ersatzteile für GTS 18V-216 | 1609B04626
Hersteller: BOSCH
Artikelnummer: EB-3601M44000-1609B04626
Netto: 3,63 € zzgl. MwSt.
zzgl. 6,90 € Versand (brutto)
einmalig pro Bestellung

Lieferzeit: 5 Werktage

Pos.
243
BOSCH Sprengring | Ersatzteile für GTS 18V-216 | 1609B00644
Hersteller: BOSCH
Artikelnummer: EB-3601M44000-1609B00644
Netto: 4,32 € zzgl. MwSt.
zzgl. 6,90 € Versand (brutto)
einmalig pro Bestellung

Lieferzeit: 5 Werktage

Pos.
246
BOSCH Schraube | Ersatzteile für GTS 18V-216 | 1609B06560
Hersteller: BOSCH
Artikelnummer: EB-3601M44000-1609B06560
Netto: 3,63 € zzgl. MwSt.
zzgl. 6,90 € Versand (brutto)
einmalig pro Bestellung

Lieferzeit: 5 Werktage

Pos.
247
BOSCH Schraube | Ersatzteile für GTS 18V-216 | 1609B00631
Hersteller: BOSCH
Artikelnummer: EB-3601M44000-1609B00631
Netto: 3,94 € zzgl. MwSt.
zzgl. 6,90 € Versand (brutto)
einmalig pro Bestellung

Lieferzeit: 5 Werktage

Pos.
261
BOSCH Schraube | Ersatzteile für GTS 18V-216 | 1609B06807
Hersteller: BOSCH
Artikelnummer: EB-3601M44000-1609B06807
Netto: 4,82 € zzgl. MwSt.
zzgl. 6,90 € Versand (brutto)
einmalig pro Bestellung

Lieferzeit: 5 Werktage

Pos.
651
BOSCH Staubbeutel | Ersatzteile für GTS 18V-216 | 1609B06703
Hersteller: BOSCH
Artikelnummer: EB-3601M44000-1609B06703
Netto: 12,98 € zzgl. MwSt.
zzgl. 6,90 € Versand (brutto)
einmalig pro Bestellung

Lieferzeit: 5 Werktage

Pos.
822
BOSCH Führungsleiste | Ersatzteile für GTS 18V-216 | 1609B04590
Hersteller: BOSCH
Artikelnummer: EB-3601M44000-1609B04590
Netto: 42,86 € zzgl. MwSt.
zzgl. 6,90 € Versand (brutto)
einmalig pro Bestellung

Lieferzeit: 5 Werktage

Pos.
823
BOSCH Schutzoberteil | Ersatzteile für GTS 18V-216 | 1609B06781
Hersteller: BOSCH
Artikelnummer: EB-3601M44000-1609B06781
Netto: 21,16 € zzgl. MwSt.
zzgl. 6,90 € Versand (brutto)
einmalig pro Bestellung

Lieferzeit: 5 Werktage

Pos.
825
BOSCH Gehrungslineal | Ersatzteile für GTS 18V-216 | 1609B06423
Hersteller: BOSCH
Artikelnummer: EB-3601M44000-1609B06423
Netto: 10,92 € zzgl. MwSt.
zzgl. 6,90 € Versand (brutto)
einmalig pro Bestellung

Lieferzeit: 5 Werktage

Pos.
828
BOSCH Spaltkeil | Ersatzteile für GTS 18V-216 | 1609B06782
Hersteller: BOSCH
Artikelnummer: EB-3601M44000-1609B06782
Netto: 21,16 € zzgl. MwSt.
zzgl. 6,90 € Versand (brutto)
einmalig pro Bestellung

Lieferzeit: 5 Werktage

Pos.
835
BOSCH Getriebekasten | Ersatzteile für GTS 18V-216 | 1609B06214
Hersteller: BOSCH
Artikelnummer: EB-3601M44000-1609B06214
Netto: 29,45 € zzgl. MwSt.
zzgl. 6,90 € Versand (brutto)
einmalig pro Bestellung

Lieferzeit: 5 Werktage

Pos.
864
BOSCH Befestigungssatz | Ersatzteile für GTS 18V-216 | 1609B06424
Hersteller: BOSCH
Artikelnummer: EB-3601M44000-1609B06424
Netto: 3,63 € zzgl. MwSt.
zzgl. 6,90 € Versand (brutto)
einmalig pro Bestellung

Lieferzeit: 5 Werktage

Pos.
868
BOSCH Befestigungsblech | Ersatzteile für GTS 18V-216 | 1609B06415
Hersteller: BOSCH
Artikelnummer: EB-3601M44000-1609B06415
Netto: 15,75 € zzgl. MwSt.
zzgl. 6,90 € Versand (brutto)
einmalig pro Bestellung

Lieferzeit: 5 Werktage

Pos.
876
BOSCH Sperrhebel | Ersatzteile für GTS 18V-216 | 1609B05713
Hersteller: BOSCH
Artikelnummer: EB-3601M44000-1609B05713
Netto: 5,67 € zzgl. MwSt.
zzgl. 6,90 € Versand (brutto)
einmalig pro Bestellung

Lieferzeit: 5 Werktage

Pos.
887
BOSCH Gleitschuh | Ersatzteile für GTS 18V-216 | 1609B05715
Hersteller: BOSCH
Artikelnummer: EB-3601M44000-1609B05715
Netto: 4,32 € zzgl. MwSt.
zzgl. 6,90 € Versand (brutto)
einmalig pro Bestellung

Lieferzeit: 5 Werktage

Pos.
888
BOSCH Klemmeinheit | Ersatzteile für GTS 18V-216 | 1609B05657
Hersteller: BOSCH
Artikelnummer: EB-3601M44000-1609B05657
Netto: 6,15 € zzgl. MwSt.
zzgl. 6,90 € Versand (brutto)
einmalig pro Bestellung

Lieferzeit: 5 Werktage

Angaben zur Produktsicherheit

Hersteller:
Robert Bosch Power Tools GmbH
Postfach 30 02 20
70442 Stuttgart

E-Mail:
kontakt@bosch.de