BOSCH Torx-Linsenschraube | Ersatzteile für GUF 4-22 A | 2914201508

Artikelnummer: EB-0601607103-2914201508

Position: 255

Marke: BOSCH


Bitte Kompatibilität prüfen!

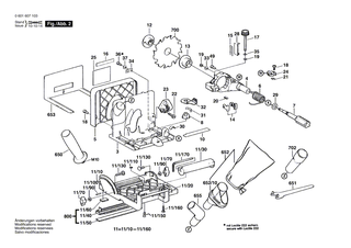
Bitte prüfen Sie unbedingt die 10-stellige Typennummer Ihrer Maschine / Ihres Gerätes. Das Ersatzteil ist nur kompatibel, wenn Sie die Typennummer Ihrer Maschine in der unten stehenden Produktbeschreibung finden.

Bitte prüfen Sie ebenfalls detailliert die Explosionszeichnung mit Ihrem Artikelwunsch und der jeweiligen Pos-Nummer.

Alle Elemente, welche vom schwarzen Strich der Pos-Nummer ausgehend berührt / erfasst werden, gehören zu dieser Pos-Nummer und somit zu diesem Artikel. Jede Pos-Nummer ist ein eigenständiger Artikel, welchen Sie in der Auflistung finden.

Sie erhalten stets die aktuellste, neueste Produktversion zu der gewählten Pos-Nummer seitens des Herstellers. Es kann daher je nach Gerätealter vorkommen, dass Sie ggf. weitere, zugehörige Elemente, welche an diese Pos-Nummer grenzen, ebenfalls mittauschen müssen.

Nähere Informationen finden Sie unter dem Link
Hinweise zu Ihrer BOSCH Ersatzteilsuche

Preisübersicht

Einzelpreis: 3,63 €* (Brutto: 4,32 €)
Gesamtpreis: 3,63 €* 
Position:

Lieferzeit: 5 Werktage


Beschreibung

  • Torx-Linsenschraube
  • Original Bosch Zubehör / BOSCH Ersatzteil (2914201508)
  • im Gerät verbaut: 1
Dieses BOSCH Ersatzteil ist mit folgendem Gerät und Modell kompatibel:
  • BOSCH Gerätename: GUF 4-22 A
  • BOSCH Explosionszeichnung: Position 255
  • BOSCH Typennummer: 0601607103
  • BOSCH Typennummer alternative Schreibweisen: 0 601 607 103, 0601 607 103, 0.601.607.103, 0-601-607-103
    Bitte prüfen Sie diese Typennummer auf Ihrem Gerät um die Kompatibilität des BOSCH Ersatzteils zu gewährleisten.
Weitere BOSCH Ersatzteile des Gerätes GUF 4-22 A (Universalfräse) mit der Typennummer 0601607103 finden Sie in der nachfolgenden Darstellung und im Dropdown zu Ihrer Auswahl:

Pos.
3
BOSCH Grundplatte | Ersatzteile für GUF 4-22 A | 3601329011
Hersteller: BOSCH
Artikelnummer: EB-0601607103-3601329011
nur Informationsartikel
Nie mehr lieferbar
keine Alternativen
Pos.
4
BOSCH Schwenkhebel | Ersatzteile für GUF 4-22 A | 3602013006
Hersteller: BOSCH
Artikelnummer: EB-0601607103-3602013006
nur Informationsartikel
Nie mehr lieferbar
keine Alternativen
Pos.
5
BOSCH Abdeckhaube | Ersatzteile für GUF 4-22 A | 3605500101
Hersteller: BOSCH
Artikelnummer: EB-0601607103-3605500101
nur Informationsartikel
Nie mehr lieferbar
keine Alternativen
Pos.
6
BOSCH Drehfeder | Ersatzteile für GUF 4-22 A | 3604651003
Hersteller: BOSCH
Artikelnummer: EB-0601607103-3604651003
Netto: 5,65 € zzgl. MwSt.
zzgl. 6,90 € Versand (brutto)
einmalig pro Bestellung

Lieferzeit: 5 Werktage

Pos.
7
BOSCH Schwenkachse | Ersatzteile für GUF 4-22 A | 3603490012
Hersteller: BOSCH
Artikelnummer: EB-0601607103-3603490012
nur Informationsartikel
Nie mehr lieferbar
keine Alternativen
Pos.
8
BOSCH Exzenterscheibe | Ersatzteile für GUF 4-22 A | 3602200001
Hersteller: BOSCH
Artikelnummer: EB-0601607103-3602200001
Netto: 6,15 € zzgl. MwSt.
zzgl. 6,90 € Versand (brutto)
einmalig pro Bestellung

Lieferzeit: 5 Werktage

Pos.
10
BOSCH Druckstück | Ersatzteile für GUF 4-22 A | 3601000002
Hersteller: BOSCH
Artikelnummer: EB-0601607103-3601000002
Netto: 3,60 € zzgl. MwSt.
zzgl. 6,90 € Versand (brutto)
einmalig pro Bestellung

Lieferzeit: 5 Werktage

Pos.
11
BOSCH Parallelanschlag | Ersatzteile für GUF 4-22 A | 3601329013
Hersteller: BOSCH
Artikelnummer: EB-0601607103-3601329013
Netto: 81,35 € zzgl. MwSt.
zzgl. 6,90 € Versand (brutto)
einmalig pro Bestellung

Lieferzeit: 5 Werktage

Pos.
11/10
BOSCH Anschlussträger | Ersatzteile für GUF 4-22 A | 3601328004
Hersteller: BOSCH
Artikelnummer: EB-0601607103-3601328004
nur Informationsartikel
Nie mehr lieferbar
keine Alternativen
Pos.
11/100
BOSCH Zylinderstift DIN 7-5h8x10-ST | Ersatzteile für GUF 4-22 A | 2917571036
Hersteller: BOSCH
Artikelnummer: EB-0601607103-2917571036
nur Informationsartikel
Nie mehr lieferbar
keine Alternativen
Pos.
11/110
BOSCH O-Ring 5x2 MM | Ersatzteile für GUF 4-22 A | 1900210301
Hersteller: BOSCH
Artikelnummer: EB-0601607103-1900210301
nur Informationsartikel
Nie mehr lieferbar
keine Alternativen
Pos.
11/130
BOSCH Flachrundschraube DIN 603-M6x20 | Ersatzteile für GUF 4-22 A | 2910281201
Hersteller: BOSCH
Artikelnummer: EB-0601607103-2910281201
Netto: 3,63 € zzgl. MwSt.
zzgl. 6,90 € Versand (brutto)
einmalig pro Bestellung

Lieferzeit: 5 Werktage

Pos.
11/150
BOSCH Senkschraube DIN 7991-M6x12-8.8 | Ersatzteile für GUF 4-22 A | 2910545193
Hersteller: BOSCH
Artikelnummer: EB-0601607103-2910545193
Netto: 3,93 € zzgl. MwSt.
zzgl. 6,90 € Versand (brutto)
einmalig pro Bestellung

Lieferzeit: 5 Werktage

Pos.
11/160
BOSCH Blechschraube DIN 7971-BZ3,9x19 | Ersatzteile für GUF 4-22 A | 2910211020
Hersteller: BOSCH
Artikelnummer: EB-0601607103-2910211020
Netto: 4,32 € zzgl. MwSt.
zzgl. 6,90 € Versand (brutto)
einmalig pro Bestellung

Lieferzeit: 5 Werktage

Pos.
11/170
BOSCH Winkelschraubendreher DIN 911-4 | Ersatzteile für GUF 4-22 A | 2607950004
Hersteller: BOSCH
Artikelnummer: EB-0601607103-2607950004
Netto: 3,94 € zzgl. MwSt.
zzgl. 6,90 € Versand (brutto)
einmalig pro Bestellung

Lieferzeit: 5 Werktage

Pos.
11/20
BOSCH Anschlagplatte | Ersatzteile für GUF 4-22 A | 3601328005
Hersteller: BOSCH
Artikelnummer: EB-0601607103-3601328005
Netto: 26,88 € zzgl. MwSt.
zzgl. 6,90 € Versand (brutto)
einmalig pro Bestellung

Lieferzeit: 5 Werktage

Pos.
11/30
BOSCH Handgriff | Ersatzteile für GUF 4-22 A | 3601328006
Hersteller: BOSCH
Artikelnummer: EB-0601607103-3601328006
nur Informationsartikel
Nie mehr lieferbar
keine Alternativen
Pos.
11/40
BOSCH Kunststoffleiste | Ersatzteile für GUF 4-22 A | 3601328007
Hersteller: BOSCH
Artikelnummer: EB-0601607103-3601328007
Netto: 4,45 € zzgl. MwSt.
zzgl. 6,90 € Versand (brutto)
einmalig pro Bestellung

Lieferzeit: 5 Werktage

Pos.
11/50
BOSCH Gummileiste | Ersatzteile für GUF 4-22 A | 3601006001
Hersteller: BOSCH
Artikelnummer: EB-0601607103-3601006001
nur Informationsartikel
Nie mehr lieferbar
keine Alternativen
Pos.
11/60
BOSCH Gummiplatte | Ersatzteile für GUF 4-22 A | 3601006002
Hersteller: BOSCH
Artikelnummer: EB-0601607103-3601006002
Netto: 4,45 € zzgl. MwSt.
zzgl. 6,90 € Versand (brutto)
einmalig pro Bestellung

Lieferzeit: 5 Werktage

Pos.
11/70
BOSCH Flügelmutter M6 | Ersatzteile für GUF 4-22 A | 1603339006
Hersteller: BOSCH
Artikelnummer: EB-0601607103-1603339006
nur Informationsartikel
Nie mehr lieferbar
keine Alternativen
Pos.
11/90
BOSCH Unterlegscheibe DIN 125-A 6,4-ST | Ersatzteile für GUF 4-22 A | 2916011014
Hersteller: BOSCH
Artikelnummer: EB-0601607103-2916011014
Netto: 3,63 € zzgl. MwSt.
zzgl. 6,90 € Versand (brutto)
einmalig pro Bestellung

Lieferzeit: 5 Werktage

Pos.
12
BOSCH Rundmutter M14 | Ersatzteile für GUF 4-22 A | 3603340009
Hersteller: BOSCH
Artikelnummer: EB-0601607103-3603340009
nur Informationsartikel
Nie mehr lieferbar
keine Alternativen
Pos.
13
BOSCH Aufnahmeflansch | Ersatzteile für GUF 4-22 A | 3600328032
Hersteller: BOSCH
Artikelnummer: EB-0601607103-3600328032
Netto: 7,76 € zzgl. MwSt.
zzgl. 6,90 € Versand (brutto)
einmalig pro Bestellung

Lieferzeit: 5 Werktage

Pos.
14
BOSCH Rastbolzen | Ersatzteile für GUF 4-22 A | 2602305045
Hersteller: BOSCH
Artikelnummer: EB-0601607103-2602305045
nur Informationsartikel
Nie mehr lieferbar
keine Alternativen
Pos.
15
BOSCH Hinweisschild | Ersatzteile für GUF 4-22 A | 3601119071
Hersteller: BOSCH
Artikelnummer: EB-0601607103-3601119071
Netto: 4,76 € zzgl. MwSt.
zzgl. 6,90 € Versand (brutto)
einmalig pro Bestellung

Lieferzeit: 5 Werktage

Pos.
16
BOSCH Firmenschild SCHATTENSEITE | Ersatzteile für GUF 4-22 A | 1601110481
Hersteller: BOSCH
Artikelnummer: EB-0601607103-1601110481
Netto: 4,32 € zzgl. MwSt.
zzgl. 6,90 € Versand (brutto)
einmalig pro Bestellung

Lieferzeit: 5 Werktage

Pos.
17
BOSCH Rändelschraube | Ersatzteile für GUF 4-22 A | 3603490014
Hersteller: BOSCH
Artikelnummer: EB-0601607103-3603490014
nur Informationsartikel
Nie mehr lieferbar
keine Alternativen
Pos.
18
BOSCH Innensechskantschraube DIN 912-M5x10-8.8 | Ersatzteile für GUF 4-22 A | 2910141152
Hersteller: BOSCH
Artikelnummer: EB-0601607103-2910141152
nur Informationsartikel
Nie mehr lieferbar
keine Alternativen
Pos.
19
BOSCH Sicherungsscheibe DIN 6799-4-FSt | Ersatzteile für GUF 4-22 A | 2916080007
Hersteller: BOSCH
Artikelnummer: EB-0601607103-2916080007
Netto: 4,53 € zzgl. MwSt.
zzgl. 6,90 € Versand (brutto)
einmalig pro Bestellung

Lieferzeit: 5 Werktage

Pos.
20
BOSCH Druckfeder | Ersatzteile für GUF 4-22 A | 3604611018
Hersteller: BOSCH
Artikelnummer: EB-0601607103-3604611018
nur Informationsartikel
Nie mehr lieferbar
keine Alternativen
Pos.
21
BOSCH Vierkantmutter DIN 562-M5-04 | Ersatzteile für GUF 4-22 A | 2915121005
Hersteller: BOSCH
Artikelnummer: EB-0601607103-2915121005
Netto: 3,63 € zzgl. MwSt.
zzgl. 6,90 € Versand (brutto)
einmalig pro Bestellung

Lieferzeit: 5 Werktage

Pos.
22
BOSCH Flachkopfschraube DIN 85-M6x20-4.8 | Ersatzteile für GUF 4-22 A | 2910095201
Hersteller: BOSCH
Artikelnummer: EB-0601607103-2910095201
nur Informationsartikel
Nie mehr lieferbar
keine Alternativen
Pos.
23
BOSCH Haltestück | Ersatzteile für GUF 4-22 A | 3602380000
Hersteller: BOSCH
Artikelnummer: EB-0601607103-3602380000
Netto: 6,21 € zzgl. MwSt.
zzgl. 6,90 € Versand (brutto)
einmalig pro Bestellung

Lieferzeit: 5 Werktage

Pos.
24
BOSCH Sicherungsmutter | Ersatzteile für GUF 4-22 A | 3603349000
Hersteller: BOSCH
Artikelnummer: EB-0601607103-3603349000
nur Informationsartikel
Nie mehr lieferbar
keine Alternativen
Pos.
25
BOSCH Hinweisschild | Ersatzteile für GUF 4-22 A | 3601119073
Hersteller: BOSCH
Artikelnummer: EB-0601607103-3601119073
nur Informationsartikel
Nie mehr lieferbar
keine Alternativen
Pos.
28
BOSCH Skalenblech | Ersatzteile für GUF 4-22 A | 3601329012
Hersteller: BOSCH
Artikelnummer: EB-0601607103-3601329012
Netto: 4,76 € zzgl. MwSt.
zzgl. 6,90 € Versand (brutto)
einmalig pro Bestellung

Lieferzeit: 5 Werktage

Pos.
29
BOSCH Ausgleichscheibe 0,3 MM | Ersatzteile für GUF 4-22 A | 2600100576
Hersteller: BOSCH
Artikelnummer: EB-0601607103-2600100576
Netto: 4,32 € zzgl. MwSt.
zzgl. 6,90 € Versand (brutto)
einmalig pro Bestellung

Lieferzeit: 5 Werktage

Pos.
30
BOSCH Klebeschild | Ersatzteile für GUF 4-22 A | 3601119074
Hersteller: BOSCH
Artikelnummer: EB-0601607103-3601119074
nur Informationsartikel
Nie mehr lieferbar
keine Alternativen
Pos.
31
BOSCH Federschiene | Ersatzteile für GUF 4-22 A | 3601251001
Hersteller: BOSCH
Artikelnummer: EB-0601607103-3601251001
nur Informationsartikel
Nie mehr lieferbar
keine Alternativen
Pos.
32
BOSCH Spannhebel | Ersatzteile für GUF 4-22 A | 3601923000
Hersteller: BOSCH
Artikelnummer: EB-0601607103-3601923000
Netto: 3,94 € zzgl. MwSt.
zzgl. 6,90 € Versand (brutto)
einmalig pro Bestellung

Lieferzeit: 5 Werktage

Pos.
33
BOSCH Ausgleichscheibe 1,0 MM | Ersatzteile für GUF 4-22 A | 2600100569
Hersteller: BOSCH
Artikelnummer: EB-0601607103-2600100569
Netto: 3,94 € zzgl. MwSt.
zzgl. 6,90 € Versand (brutto)
einmalig pro Bestellung

Lieferzeit: 5 Werktage

Pos.
34
BOSCH Justierplatte | Ersatzteile für GUF 4-22 A | 3601032001
Hersteller: BOSCH
Artikelnummer: EB-0601607103-3601032001
Netto: 3,60 € zzgl. MwSt.
zzgl. 6,90 € Versand (brutto)
einmalig pro Bestellung

Lieferzeit: 5 Werktage

Pos.
35
BOSCH Federscheibe DIN 137-A6-X12CrNi17 7 | Ersatzteile für GUF 4-22 A | 2918750129
Hersteller: BOSCH
Artikelnummer: EB-0601607103-2918750129
nur Informationsartikel
Nie mehr lieferbar
keine Alternativen
Pos.
36
BOSCH Gewindefurchschraube DIN 7500-TM4x12 | Ersatzteile für GUF 4-22 A | 2914471401
Hersteller: BOSCH
Artikelnummer: EB-0601607103-2914471401
Netto: 3,94 € zzgl. MwSt.
zzgl. 6,90 € Versand (brutto)
einmalig pro Bestellung

Lieferzeit: 5 Werktage

Pos.
37
BOSCH Sicherungsscheibe | Ersatzteile für GUF 4-22 A | 3600190018
Hersteller: BOSCH
Artikelnummer: EB-0601607103-3600190018
nur Informationsartikel
Nie mehr lieferbar
keine Alternativen
Pos.
49
BOSCH Zylinderschraube DIN 84-AM4x28-8.8 | Ersatzteile für GUF 4-22 A | 2910021133
Hersteller: BOSCH
Artikelnummer: EB-0601607103-2910021133
nur Informationsartikel
Nie mehr lieferbar
keine Alternativen
Pos.
201
BOSCH Motorgehäuse | Ersatzteile für GUF 4-22 A | 16051082CC
Hersteller: BOSCH
Artikelnummer: EB-0601607103-16051082CC
Netto: 11,92 € zzgl. MwSt.
zzgl. 6,90 € Versand (brutto)
einmalig pro Bestellung

Lieferzeit: 5 Werktage

Pos.
202
BOSCH Polschuh 230-240V | Ersatzteile für GUF 4-22 A | 1604220224
Hersteller: BOSCH
Artikelnummer: EB-0601607103-1604220224
nur Informationsartikel
Nie mehr lieferbar
keine Alternativen
Pos.
204
BOSCH Ein/Aus-Schalter | Ersatzteile für GUF 4-22 A | 1607200086
Hersteller: BOSCH
Artikelnummer: EB-0601607103-1607200086
Netto: 9,95 € zzgl. MwSt.
zzgl. 6,90 € Versand (brutto)
einmalig pro Bestellung

Lieferzeit: 5 Werktage

Pos.
204/10
BOSCH Flachkopfschraube DIN 85-AM3x6-CUZN | Ersatzteile für GUF 4-22 A | 2910110048
Hersteller: BOSCH
Artikelnummer: EB-0601607103-2910110048
Netto: 3,63 € zzgl. MwSt.
zzgl. 6,90 € Versand (brutto)
einmalig pro Bestellung

Lieferzeit: 5 Werktage

Pos.
206
BOSCH Tülle Ø6,5-Ø6,9x95 MM | Ersatzteile für GUF 4-22 A | 2600703012
Hersteller: BOSCH
Artikelnummer: EB-0601607103-2600703012
Netto: 4,82 € zzgl. MwSt.
zzgl. 6,90 € Versand (brutto)
einmalig pro Bestellung

Lieferzeit: 5 Werktage

Pos.
206
BOSCH Tülle Ø7,6-Ø8,2x95 MM | Ersatzteile für GUF 4-22 A | 2600703013
Hersteller: BOSCH
Artikelnummer: EB-0601607103-2600703013
Netto: 4,53 € zzgl. MwSt.
zzgl. 6,90 € Versand (brutto)
einmalig pro Bestellung

Lieferzeit: 5 Werktage

Pos.
207
BOSCH Befestigungsschelle | Ersatzteile für GUF 4-22 A | 1601302017
Hersteller: BOSCH
Artikelnummer: EB-0601607103-1601302017
Netto: 3,63 € zzgl. MwSt.
zzgl. 6,90 € Versand (brutto)
einmalig pro Bestellung

Lieferzeit: 5 Werktage

Pos.
209
BOSCH Firmenschild | Ersatzteile für GUF 4-22 A | 1601118914
Hersteller: BOSCH
Artikelnummer: EB-0601607103-1601118914
nur Informationsartikel
Nie mehr lieferbar
keine Alternativen
Pos.
212
BOSCH Entstörfilter | Ersatzteile für GUF 4-22 A | 2607329124
Hersteller: BOSCH
Artikelnummer: EB-0601607103-2607329124
Netto: 9,18 € zzgl. MwSt.
zzgl. 6,90 € Versand (brutto)
einmalig pro Bestellung

Lieferzeit: 5 Werktage

Pos.
213
BOSCH Kugellager 7x19x6 | Ersatzteile für GUF 4-22 A | 2600905032
Hersteller: BOSCH
Artikelnummer: EB-0601607103-2600905032
Netto: 6,15 € zzgl. MwSt.
zzgl. 6,90 € Versand (brutto)
einmalig pro Bestellung

Lieferzeit: 28 Werktage

Pos.
214
BOSCH Rillenkugellager 8x22x7 | Ersatzteile für GUF 4-22 A | 1600905011
Hersteller: BOSCH
Artikelnummer: EB-0601607103-1600905011
Netto: 6,70 € zzgl. MwSt.
zzgl. 6,90 € Versand (brutto)
einmalig pro Bestellung

Lieferzeit: 5 Werktage

Pos.
215
BOSCH Lüfter | Ersatzteile für GUF 4-22 A | 1606610121
Hersteller: BOSCH
Artikelnummer: EB-0601607103-1606610121
Netto: 3,94 € zzgl. MwSt.
zzgl. 6,90 € Versand (brutto)
einmalig pro Bestellung

Lieferzeit: 5 Werktage

Pos.
216
BOSCH Bürstenhalter | Ersatzteile für GUF 4-22 A | 1600A003G4
Hersteller: BOSCH
Artikelnummer: EB-0601607103-1600A003G4
Netto: 5,19 € zzgl. MwSt.
zzgl. 6,90 € Versand (brutto)
einmalig pro Bestellung

Lieferzeit: 5 Werktage

Pos.
217
BOSCH Firmenschild | Ersatzteile für GUF 4-22 A | 1601118915
Hersteller: BOSCH
Artikelnummer: EB-0601607103-1601118915
nur Informationsartikel
Nie mehr lieferbar
keine Alternativen
Pos.
218
BOSCH Druckfeder | Ersatzteile für GUF 4-22 A | 1604611026
Hersteller: BOSCH
Artikelnummer: EB-0601607103-1604611026
Netto: 3,63 € zzgl. MwSt.
zzgl. 6,90 € Versand (brutto)
einmalig pro Bestellung

Lieferzeit: 28 Werktage

Pos.
222
BOSCH Verstellschieber | Ersatzteile für GUF 4-22 A | 1602319002
Hersteller: BOSCH
Artikelnummer: EB-0601607103-1602319002
Netto: 4,53 € zzgl. MwSt.
zzgl. 6,90 € Versand (brutto)
einmalig pro Bestellung

Lieferzeit: 5 Werktage

Pos.
223
BOSCH Schaltergriff SCHWARZ | Ersatzteile für GUF 4-22 A | 1602026057
Hersteller: BOSCH
Artikelnummer: EB-0601607103-1602026057
Netto: 3,94 € zzgl. MwSt.
zzgl. 6,90 € Versand (brutto)
einmalig pro Bestellung

Lieferzeit: 5 Werktage

Pos.
225
BOSCH Gehäusedeckel BLAU | Ersatzteile für GUF 4-22 A | 1600508010
Hersteller: BOSCH
Artikelnummer: EB-0601607103-1600508010
Netto: 7,76 € zzgl. MwSt.
zzgl. 6,90 € Versand (brutto)
einmalig pro Bestellung

Lieferzeit: 5 Werktage

Pos.
226
BOSCH Gummibuchse | Ersatzteile für GUF 4-22 A | 1600502020
Hersteller: BOSCH
Artikelnummer: EB-0601607103-1600502020
Netto: 4,53 € zzgl. MwSt.
zzgl. 6,90 € Versand (brutto)
einmalig pro Bestellung

Lieferzeit: 5 Werktage

Pos.
227
BOSCH Gummiring | Ersatzteile für GUF 4-22 A | 1600206025
Hersteller: BOSCH
Artikelnummer: EB-0601607103-1600206025
Netto: 4,32 € zzgl. MwSt.
zzgl. 6,90 € Versand (brutto)
einmalig pro Bestellung

Lieferzeit: 5 Werktage

Pos.
229
BOSCH Luftleitring | Ersatzteile für GUF 4-22 A | 1601328005
Hersteller: BOSCH
Artikelnummer: EB-0601607103-1601328005
Netto: 4,53 € zzgl. MwSt.
zzgl. 6,90 € Versand (brutto)
einmalig pro Bestellung

Lieferzeit: 5 Werktage

Pos.
231
BOSCH Sicherungsbügel DIN 472-32x1,2 MM | Ersatzteile für GUF 4-22 A | 2916660013
Hersteller: BOSCH
Artikelnummer: EB-0601607103-2916660013
Netto: 4,32 € zzgl. MwSt.
zzgl. 6,90 € Versand (brutto)
einmalig pro Bestellung

Lieferzeit: 5 Werktage

Pos.
232
BOSCH Schleifspindel M14, SW17 | Ersatzteile für GUF 4-22 A | 1603523101
Hersteller: BOSCH
Artikelnummer: EB-0601607103-1603523101
Netto: 15,75 € zzgl. MwSt.
zzgl. 6,90 € Versand (brutto)
einmalig pro Bestellung

Lieferzeit: 5 Werktage

Pos.
233
BOSCH O-Ring 46,0x1,1 MM ROT | Ersatzteile für GUF 4-22 A | 3600210124
Hersteller: BOSCH
Artikelnummer: EB-0601607103-3600210124
Netto: 4,82 € zzgl. MwSt.
zzgl. 6,90 € Versand (brutto)
einmalig pro Bestellung

Lieferzeit: 5 Werktage

Pos.
235
BOSCH Ausgleichscheibe 0,1 MM DICK | Ersatzteile für GUF 4-22 A | 1600136012
Hersteller: BOSCH
Artikelnummer: EB-0601607103-1600136012
Netto: 3,63 € zzgl. MwSt.
zzgl. 6,90 € Versand (brutto)
einmalig pro Bestellung

Lieferzeit: 5 Werktage

Pos.
235
BOSCH Ausgleichscheibe 0,2 MM DICK | Ersatzteile für GUF 4-22 A | 1600136010
Hersteller: BOSCH
Artikelnummer: EB-0601607103-1600136010
Netto: 4,53 € zzgl. MwSt.
zzgl. 6,90 € Versand (brutto)
einmalig pro Bestellung

Lieferzeit: 5 Werktage

Pos.
235
BOSCH Ausgleichscheibe 0,3 MM DICK | Ersatzteile für GUF 4-22 A | 1600136011
Hersteller: BOSCH
Artikelnummer: EB-0601607103-1600136011
Netto: 4,32 € zzgl. MwSt.
zzgl. 6,90 € Versand (brutto)
einmalig pro Bestellung

Lieferzeit: 5 Werktage

Pos.
236
BOSCH Federscheibe | Ersatzteile für GUF 4-22 A | 1600150011
Hersteller: BOSCH
Artikelnummer: EB-0601607103-1600150011
Netto: 3,63 € zzgl. MwSt.
zzgl. 6,90 € Versand (brutto)
einmalig pro Bestellung

Lieferzeit: 5 Werktage

Pos.
237
BOSCH Radial-Wellendichtring | Ersatzteile für GUF 4-22 A | 1600290016
Hersteller: BOSCH
Artikelnummer: EB-0601607103-1600290016
Netto: 4,53 € zzgl. MwSt.
zzgl. 6,90 € Versand (brutto)
einmalig pro Bestellung

Lieferzeit: 5 Werktage

Pos.
238
BOSCH Tellerrad Z=36 | Ersatzteile für GUF 4-22 A | 1606333601
Hersteller: BOSCH
Artikelnummer: EB-0601607103-1606333601
Netto: 7,76 € zzgl. MwSt.
zzgl. 6,90 € Versand (brutto)
einmalig pro Bestellung

Lieferzeit: 5 Werktage

Pos.
239
BOSCH Spiralfeder | Ersatzteile für GUF 4-22 A | 1604652013
Hersteller: BOSCH
Artikelnummer: EB-0601607103-1604652013
Netto: 3,94 € zzgl. MwSt.
zzgl. 6,90 € Versand (brutto)
einmalig pro Bestellung

Lieferzeit: 5 Werktage

Pos.
240
BOSCH Sicherungsring DIN 472-25x1,2MM | Ersatzteile für GUF 4-22 A | 2916660009
Hersteller: BOSCH
Artikelnummer: EB-0601607103-2916660009
Netto: 4,32 € zzgl. MwSt.
zzgl. 6,90 € Versand (brutto)
einmalig pro Bestellung

Lieferzeit: 5 Werktage

Pos.
241
BOSCH Nadelhülse Ø8xØ12x8 MM | Ersatzteile für GUF 4-22 A | 1600910018
Hersteller: BOSCH
Artikelnummer: EB-0601607103-1600910018
Netto: 6,15 € zzgl. MwSt.
zzgl. 6,90 € Versand (brutto)
einmalig pro Bestellung

Lieferzeit: 5 Werktage

Pos.
242
BOSCH Rillenkugellager 12x32x10 | Ersatzteile für GUF 4-22 A | 1600905006
Hersteller: BOSCH
Artikelnummer: EB-0601607103-1600905006
Netto: 10,92 € zzgl. MwSt.
zzgl. 6,90 € Versand (brutto)
einmalig pro Bestellung

Lieferzeit: 5 Werktage

Pos.
243
BOSCH Kegelrad Z=11 | Ersatzteile für GUF 4-22 A | 1606333242
Hersteller: BOSCH
Artikelnummer: EB-0601607103-1606333242
Netto: 42,86 € zzgl. MwSt.
zzgl. 6,90 € Versand (brutto)
einmalig pro Bestellung

Lieferzeit: 5 Werktage

Pos.
245
BOSCH Sechskantmutter M7, SW10 | Ersatzteile für GUF 4-22 A | 1603300016
Hersteller: BOSCH
Artikelnummer: EB-0601607103-1603300016
Netto: 3,94 € zzgl. MwSt.
zzgl. 6,90 € Versand (brutto)
einmalig pro Bestellung

Lieferzeit: 5 Werktage

Pos.
247
BOSCH Blechschraube DIN 7971-ST3,9x13-F | Ersatzteile für GUF 4-22 A | 2910211018
Hersteller: BOSCH
Artikelnummer: EB-0601607103-2910211018
Netto: 3,63 € zzgl. MwSt.
zzgl. 6,90 € Versand (brutto)
einmalig pro Bestellung

Lieferzeit: 5 Werktage

Pos.
248
BOSCH Linsenkopfschraube 3x10 ST | Ersatzteile für GUF 4-22 A | 1613435034
Hersteller: BOSCH
Artikelnummer: EB-0601607103-1613435034
Netto: 3,63 € zzgl. MwSt.
zzgl. 6,90 € Versand (brutto)
einmalig pro Bestellung

Lieferzeit: 5 Werktage

Pos.
249
BOSCH Gewindefurchschraube | Ersatzteile für GUF 4-22 A | 1603435026
Hersteller: BOSCH
Artikelnummer: EB-0601607103-1603435026
Netto: 3,94 € zzgl. MwSt.
zzgl. 6,90 € Versand (brutto)
einmalig pro Bestellung

Lieferzeit: 5 Werktage

Pos.
250
BOSCH Blechschraube DIN 7971-ST3,9x22-F | Ersatzteile für GUF 4-22 A | 2910211021
Hersteller: BOSCH
Artikelnummer: EB-0601607103-2910211021
Netto: 3,94 € zzgl. MwSt.
zzgl. 6,90 € Versand (brutto)
einmalig pro Bestellung

Lieferzeit: 5 Werktage

Pos.
252
BOSCH Entstörglied | Ersatzteile für GUF 4-22 A | 1604465104
Hersteller: BOSCH
Artikelnummer: EB-0601607103-1604465104
nur Informationsartikel
Nie mehr lieferbar
keine Alternativen
Pos.
253
BOSCH Verbindungsleitung L=95 MM WEISS | Ersatzteile für GUF 4-22 A | 1604448005
Hersteller: BOSCH
Artikelnummer: EB-0601607103-1604448005
Netto: 4,82 € zzgl. MwSt.
zzgl. 6,90 € Versand (brutto)
einmalig pro Bestellung

Lieferzeit: 5 Werktage

Pos.
254
BOSCH Verbindungsleitung L=40 MM WEISS | Ersatzteile für GUF 4-22 A | 1604448006
Hersteller: BOSCH
Artikelnummer: EB-0601607103-1604448006
Netto: 4,53 € zzgl. MwSt.
zzgl. 6,90 € Versand (brutto)
einmalig pro Bestellung

Lieferzeit: 5 Werktage

Pos.
255
BOSCH Torx-Linsenschraube | Ersatzteile für GUF 4-22 A | 2914201508
Hersteller: BOSCH
Artikelnummer: EB-0601607103-2914201508
Netto: 3,63 € zzgl. MwSt.
zzgl. 6,90 € Versand (brutto)
einmalig pro Bestellung

Lieferzeit: 5 Werktage

Pos.
305
BOSCH Hinweisschild | Ersatzteile für GUF 4-22 A | 1601110470
Hersteller: BOSCH
Artikelnummer: EB-0601607103-1601110470
Netto: 3,63 € zzgl. MwSt.
zzgl. 6,90 € Versand (brutto)
einmalig pro Bestellung

Lieferzeit: 5 Werktage

Pos.
307
BOSCH O-Ring 4,5x1,0 MM BLAU | Ersatzteile für GUF 4-22 A | 1600210044
Hersteller: BOSCH
Artikelnummer: EB-0601607103-1600210044
Netto: 3,63 € zzgl. MwSt.
zzgl. 6,90 € Versand (brutto)
einmalig pro Bestellung

Lieferzeit: 5 Werktage

Pos.
650
BOSCH Zusatzhandgriff M10, Ø32,5x105 MM | Ersatzteile für GUF 4-22 A | 2602025067
Hersteller: BOSCH
Artikelnummer: EB-0601607103-2602025067
nur Informationsartikel
Nie mehr lieferbar
keine Alternativen
Pos.
651
BOSCH Zweilochmutterndreher | Ersatzteile für GUF 4-22 A | 1607950052
Hersteller: BOSCH
Artikelnummer: EB-0601607103-1607950052
Netto: 5,19 € zzgl. MwSt.
zzgl. 6,90 € Versand (brutto)
einmalig pro Bestellung

Lieferzeit: 5 Werktage

Pos.
652
BOSCH Staubbeutel | Ersatzteile für GUF 4-22 A | 1605411028
Hersteller: BOSCH
Artikelnummer: EB-0601607103-1605411028
Netto: 29,68 € zzgl. MwSt.
zzgl. 6,90 € Versand (brutto)
einmalig pro Bestellung

Lieferzeit: 5 Werktage

Pos.
652/10
BOSCH Anschlussstutzen | Ersatzteile für GUF 4-22 A | 2605702009
Hersteller: BOSCH
Artikelnummer: EB-0601607103-2605702009
Netto: 4,82 € zzgl. MwSt.
zzgl. 6,90 € Versand (brutto)
einmalig pro Bestellung

Lieferzeit: 5 Werktage

Pos.
653
BOSCH Parallelanschlag | Ersatzteile für GUF 4-22 A | 3601329004
Hersteller: BOSCH
Artikelnummer: EB-0601607103-3601329004
nur Informationsartikel
Nie mehr lieferbar
keine Alternativen
Pos.
655
BOSCH Winkelstutzen | Ersatzteile für GUF 4-22 A | 2605702019
Hersteller: BOSCH
Artikelnummer: EB-0601607103-2605702019
nur Informationsartikel
Nie mehr lieferbar
keine Alternativen
Pos.
700
BOSCH Scheibenfräser Z=10, 2,8 MM | Ersatzteile für GUF 4-22 A | 3608641009
Hersteller: BOSCH
Artikelnummer: EB-0601607103-3608641009
nur Informationsartikel
Nie mehr lieferbar
keine Alternativen
Pos.
700
BOSCH Scheibenfräser Z=8 | Ersatzteile für GUF 4-22 A | 3608641008
Hersteller: BOSCH
Artikelnummer: EB-0601607103-3608641008
Netto: 81,52 € zzgl. MwSt.
zzgl. 6,90 € Versand (brutto)
einmalig pro Bestellung

Lieferzeit: 5 Werktage

Pos.
702
BOSCH Anschlussstutzen Ø 25x35 MM | Ersatzteile für GUF 4-22 A | 1600499005
Hersteller: BOSCH
Artikelnummer: EB-0601607103-1600499005
Netto: 6,75 € zzgl. MwSt.
zzgl. 6,90 € Versand (brutto)
einmalig pro Bestellung

Lieferzeit: 5 Werktage

Pos.
800
BOSCH Ersatzteilgruppe | Ersatzteile für GUF 4-22 A | 3607031215
Hersteller: BOSCH
Artikelnummer: EB-0601607103-3607031215
nur Informationsartikel
Nie mehr lieferbar
keine Alternativen
Pos.
810
BOSCH Kohlebürstensatz | Ersatzteile für GUF 4-22 A | 1607014116
Hersteller: BOSCH
Artikelnummer: EB-0601607103-1607014116
Netto: 9,95 € zzgl. MwSt.
zzgl. 6,90 € Versand (brutto)
einmalig pro Bestellung

Lieferzeit: 5 Werktage

Pos.
813
BOSCH Druckknopf SCHWARZ | Ersatzteile für GUF 4-22 A | 1607000253
Hersteller: BOSCH
Artikelnummer: EB-0601607103-1607000253
Netto: 4,32 € zzgl. MwSt.
zzgl. 6,90 € Versand (brutto)
einmalig pro Bestellung

Lieferzeit: 5 Werktage

Pos.
816
BOSCH Teilesatz | Ersatzteile für GUF 4-22 A | 1607000244
Hersteller: BOSCH
Artikelnummer: EB-0601607103-1607000244
nur Informationsartikel
Nie mehr lieferbar
keine Alternativen
Pos.
821
BOSCH Getriebegehäuse | Ersatzteile für GUF 4-22 A | 1605806480
Hersteller: BOSCH
Artikelnummer: EB-0601607103-1605806480
Netto: 42,86 € zzgl. MwSt.
zzgl. 6,90 € Versand (brutto)
einmalig pro Bestellung

Lieferzeit: 5 Werktage

Pos.
828
BOSCH Lagerflansch | Ersatzteile für GUF 4-22 A | 1607000936
Hersteller: BOSCH
Artikelnummer: EB-0601607103-1607000936
Netto: 24,13 € zzgl. MwSt.
zzgl. 6,90 € Versand (brutto)
einmalig pro Bestellung

Lieferzeit: 5 Werktage

Pos.
830
BOSCH Anker Mit Lüfter 230-240V | Ersatzteile für GUF 4-22 A | 1604010259
Hersteller: BOSCH
Artikelnummer: EB-0601607103-1604010259
nur Informationsartikel
Nie mehr lieferbar
keine Alternativen
Pos.
835
BOSCH Netzanschlussleitung EU 230V 4,15m 2 x 1,0mm H05 RN-F | Ersatzteile für GUF 4-22 A | 1607000386
Hersteller: BOSCH
Artikelnummer: EB-0601607103-1607000386
Netto: 17,38 € zzgl. MwSt.
zzgl. 6,90 € Versand (brutto)
einmalig pro Bestellung

Lieferzeit: 5 Werktage

Pos.
888
BOSCH Typschild | Ersatzteile für GUF 4-22 A | 160111A3H3
Hersteller: BOSCH
Artikelnummer: EB-0601607103-160111A3H3
Netto: 4,53 € zzgl. MwSt.
zzgl. 6,90 € Versand (brutto)
einmalig pro Bestellung

Lieferzeit: 5 Werktage

Pos.
888
BOSCH Typschild 26x52 MM | Ersatzteile für GUF 4-22 A | 1601106032
Hersteller: BOSCH
Artikelnummer: EB-0601607103-1601106032
nur Informationsartikel
Nie mehr lieferbar
keine Alternativen
Pos.
650
BOSCH Zusatzhandgriff | Ersatzteile für GUF 4-22 A | 1619P16111
Hersteller: BOSCH
Artikelnummer: EB-0601607103-1619P16111
Netto: 4,82 € zzgl. MwSt.
zzgl. 6,90 € Versand (brutto)
einmalig pro Bestellung

Lieferzeit: 49 Werktage

Pos.
700
BOSCH Scheibenfräser Ø 105x20x2,2 MM, Z=12 | Ersatzteile für GUF 4-22 A | 3608641001
Hersteller: BOSCH
Artikelnummer: EB-0601607103-3608641009
Netto: 60,37 € zzgl. MwSt.
zzgl. 6,90 € Versand (brutto)
einmalig pro Bestellung

Lieferzeit: 5 Werktage

Angaben zur Produktsicherheit

Hersteller:
Robert Bosch Power Tools GmbH
Postfach 30 02 20
70442 Stuttgart

E-Mail:
kontakt@bosch.de