BOSCH Verbindungsleitung L=375 MM | Ersatzteile für Gw-1G-Bohrmaschine-Elktrn | 3604438027

Artikelnummer: EB-0601119633-3604438027

Position: 56

Marke: BOSCH


Bitte Kompatibilität prüfen!

Bitte prüfen Sie unbedingt die 10-stellige Typennummer Ihrer Maschine / Ihres Gerätes. Das Ersatzteil ist nur kompatibel, wenn Sie die Typennummer Ihrer Maschine in der unten stehenden Produktbeschreibung finden.

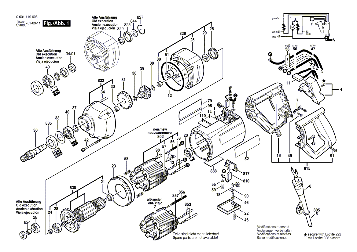
Bitte prüfen Sie ebenfalls detailliert die Explosionszeichnung mit Ihrem Artikelwunsch und der jeweiligen Pos-Nummer.

Alle Elemente, welche vom schwarzen Strich der Pos-Nummer ausgehend berührt / erfasst werden, gehören zu dieser Pos-Nummer und somit zu diesem Artikel. Jede Pos-Nummer ist ein eigenständiger Artikel, welchen Sie in der Auflistung finden.

Sie erhalten stets die aktuellste, neueste Produktversion zu der gewählten Pos-Nummer seitens des Herstellers. Es kann daher je nach Gerätealter vorkommen, dass Sie ggf. weitere, zugehörige Elemente, welche an diese Pos-Nummer grenzen, ebenfalls mittauschen müssen.

Nähere Informationen finden Sie unter dem Link
Hinweise zu Ihrer BOSCH Ersatzteilsuche

Preisübersicht

Einzelpreis: 9,05 €* (Brutto: 10,77 €)
Gesamtpreis: 9,05 €* 
Position:

Lieferzeit: 5 Werktage


Beschreibung

  • Verbindungsleitung L=375 MM
  • Original Bosch Zubehör / BOSCH Ersatzteil (3604438027)
  • im Gerät verbaut: 1
Dieses BOSCH Ersatzteil ist mit folgendem Gerät und Modell kompatibel:
  • BOSCH Gerätename: Gw-1G-Bohrmaschine-Elktrn
  • BOSCH Explosionszeichnung: Position 56
  • BOSCH Typennummer: 0601119633
  • BOSCH Typennummer alternative Schreibweisen: 0 601 119 633, 0601 119 633, 0.601.119.633, 0-601-119-633
    Bitte prüfen Sie diese Typennummer auf Ihrem Gerät um die Kompatibilität des BOSCH Ersatzteils zu gewährleisten.
Weitere BOSCH Ersatzteile des Gerätes Gw-1G-Bohrmaschine-Elktrn mit der Typennummer 0601119633 finden Sie in der nachfolgenden Darstellung und im Dropdown zu Ihrer Auswahl:

Pos.
1
BOSCH Motorgehäuse BLAU | Ersatzteile für Gw-1G-Bohrmaschine-Elktrn | 3605108145
Hersteller: BOSCH
Artikelnummer: EB-0601119633-3605108145
Netto: 23,72 € zzgl. MwSt.
zzgl. 6,90 € Versand (brutto)
einmalig pro Bestellung

Lieferzeit: 5 Werktage

Pos.
650/1
BOSCH Zusatzhandgriff | Ersatzteile für 1119.6 | 160202509Z
Hersteller: BOSCH
Artikelnummer: EB-0601119633-16020250A1
Netto: 13,81 € zzgl. MwSt.
zzgl. 6,90 € Versand (brutto)
einmalig pro Bestellung

Lieferzeit: 5 Werktage

Pos.
650/1
BOSCH Zusatzhandgriff M14 SCHWARZ | Ersatzteile für Gw-1G-Bohrmaschine-Elktrn | 1602025022
Hersteller: BOSCH
Artikelnummer: EB-0601119633-1602025022
nur Informationsartikel
Nie mehr lieferbar
keine Alternativen
Pos.
650/1
BOSCH Zusatzhandgriff M14, Ø37x115 MM SCHWARZ | Ersatzteile für Gw-1G-Bohrmaschine-Elktrn | 1602025030
Hersteller: BOSCH
Artikelnummer: EB-0601119633-1602025030
nur Informationsartikel
Nie mehr lieferbar
keine Alternativen
Pos.
650/2
BOSCH Klemmhalter | Ersatzteile für Gw-1G-Bohrmaschine-Elktrn | 1618040077
Hersteller: BOSCH
Artikelnummer: EB-0601119633-1618040077
nur Informationsartikel
Nie mehr lieferbar
keine Alternativen
Pos.
650/3
BOSCH Gewindebolzen M8 | Ersatzteile für Gw-1G-Bohrmaschine-Elktrn | 1613521001
Hersteller: BOSCH
Artikelnummer: EB-0601119633-1613521001
Netto: 6,75 € zzgl. MwSt.
zzgl. 6,90 € Versand (brutto)
einmalig pro Bestellung

Lieferzeit: 5 Werktage

Pos.
650/4
BOSCH Spannband Ø43 MM | Ersatzteile für Gw-1G-Bohrmaschine-Elktrn | 3601038048
Hersteller: BOSCH
Artikelnummer: EB-0601119633-3601038048
Netto: 15,15 € zzgl. MwSt.
zzgl. 6,90 € Versand (brutto)
einmalig pro Bestellung

Lieferzeit: 5 Werktage

Pos.
650/5
BOSCH Zylinderstift | Ersatzteile für Gw-1G-Bohrmaschine-Elktrn | 1613100012
Hersteller: BOSCH
Artikelnummer: EB-0601119633-1613100012
Netto: 4,56 € zzgl. MwSt.
zzgl. 6,90 € Versand (brutto)
einmalig pro Bestellung

Lieferzeit: 5 Werktage

Pos.
650/8
BOSCH Griffstange | Ersatzteile für Gw-1G-Bohrmaschine-Elktrn | 3602025022
Hersteller: BOSCH
Artikelnummer: EB-0601119633-3602025022
Netto: 15,15 € zzgl. MwSt.
zzgl. 6,90 € Versand (brutto)
einmalig pro Bestellung

Lieferzeit: 5 Werktage

Pos.
651/8
BOSCH Bohrfutterschlüssel SG2 | Ersatzteile für Gw-1G-Bohrmaschine-Elktrn | 2607950007
Hersteller: BOSCH
Artikelnummer: EB-0601119633-2607950007
Netto: 7,26 € zzgl. MwSt.
zzgl. 6,90 € Versand (brutto)
einmalig pro Bestellung

Lieferzeit: 5 Werktage

Pos.
4
BOSCH Schalter | Ersatzteile für Gw-1G-Bohrmaschine-Elktrn | 1607200075
Hersteller: BOSCH
Artikelnummer: EB-0601119633-1607200075
nur Informationsartikel
Nie mehr lieferbar
keine Alternativen
Pos.
6
BOSCH Tülle Ø7,9-Ø12,0x120 MM | Ersatzteile für Gw-1G-Bohrmaschine-Elktrn | 1600703022
Hersteller: BOSCH
Artikelnummer: EB-0601119633-1600703022
Netto: 4,80 € zzgl. MwSt.
zzgl. 6,90 € Versand (brutto)
einmalig pro Bestellung

Lieferzeit: 5 Werktage

Pos.
11
BOSCH Entstörfilter | Ersatzteile für Gw-1G-Bohrmaschine-Elktrn | 1607328028
Hersteller: BOSCH
Artikelnummer: EB-0601119633-1607328028
Netto: 6,27 € zzgl. MwSt.
zzgl. 6,90 € Versand (brutto)
einmalig pro Bestellung

Lieferzeit: 5 Werktage

Pos.
12
BOSCH O-Ring 66,0x3,0 MM | Ersatzteile für Gw-1G-Bohrmaschine-Elktrn | 1600210005
Hersteller: BOSCH
Artikelnummer: EB-0601119633-1600210005
Netto: 4,80 € zzgl. MwSt.
zzgl. 6,90 € Versand (brutto)
einmalig pro Bestellung

Lieferzeit: 5 Werktage

Pos.
13
BOSCH Flachstecker | Ersatzteile für Gw-1G-Bohrmaschine-Elktrn | 1604477001
Hersteller: BOSCH
Artikelnummer: EB-0601119633-1604477001
Netto: 3,94 € zzgl. MwSt.
zzgl. 6,90 € Versand (brutto)
einmalig pro Bestellung

Lieferzeit: 5 Werktage

Pos.
15
BOSCH Handgriff SCHWARZ | Ersatzteile für 1119.6 | 3605133019
Hersteller: BOSCH
Artikelnummer: EB-0601119633-3605133019
nur Informationsartikel
Nie mehr lieferbar
keine Alternativen
Pos.
18
BOSCH Spiralfeder | Ersatzteile für Gw-1G-Bohrmaschine-Elktrn | 1604652006
Hersteller: BOSCH
Artikelnummer: EB-0601119633-1604652006
Netto: 3,94 € zzgl. MwSt.
zzgl. 6,90 € Versand (brutto)
einmalig pro Bestellung

Lieferzeit: 5 Werktage

Pos.
20
BOSCH Zwischenring | Ersatzteile für Gw-1G-Bohrmaschine-Elktrn | 1600502011
Hersteller: BOSCH
Artikelnummer: EB-0601119633-1600502011
Netto: 4,56 € zzgl. MwSt.
zzgl. 6,90 € Versand (brutto)
einmalig pro Bestellung

Lieferzeit: 5 Werktage

Pos.
21
BOSCH Kugellager 7x19x6 | Ersatzteile für Gw-1G-Bohrmaschine-Elktrn | 2600905032
Hersteller: BOSCH
Artikelnummer: EB-0601119633-2600905032
Netto: 6,27 € zzgl. MwSt.
zzgl. 6,90 € Versand (brutto)
einmalig pro Bestellung

Lieferzeit: 5 Werktage

Pos.
22
BOSCH Verschlussdeckel BLAU | Ersatzteile für Gw-1G-Bohrmaschine-Elktrn | 3605500063
Hersteller: BOSCH
Artikelnummer: EB-0601119633-3605500063
Netto: 5,65 € zzgl. MwSt.
zzgl. 6,90 € Versand (brutto)
einmalig pro Bestellung

Lieferzeit: 5 Werktage

Pos.
24
BOSCH Zwischenring | Ersatzteile für Gw-1G-Bohrmaschine-Elktrn | 1600300090
Hersteller: BOSCH
Artikelnummer: EB-0601119633-1600300090
Netto: 5,17 € zzgl. MwSt.
zzgl. 6,90 € Versand (brutto)
einmalig pro Bestellung

Lieferzeit: 5 Werktage

Pos.
25
BOSCH Zwischenring | Ersatzteile für Gw-1G-Bohrmaschine-Elktrn | 1600221003
Hersteller: BOSCH
Artikelnummer: EB-0601119633-1600221003
Netto: 4,56 € zzgl. MwSt.
zzgl. 6,90 € Versand (brutto)
einmalig pro Bestellung

Lieferzeit: 5 Werktage

Pos.
26
BOSCH Zwischengehäuse | Ersatzteile für Gw-1G-Bohrmaschine-Elktrn | 3607031162
Hersteller: BOSCH
Artikelnummer: EB-0601119633-3607031162
Netto: 74,05 € zzgl. MwSt.
zzgl. 6,90 € Versand (brutto)
einmalig pro Bestellung

Lieferzeit: 5 Werktage

Pos.
28
BOSCH Rillenkugellager 9x26x8 | Ersatzteile für Gw-1G-Bohrmaschine-Elktrn | 3600905131
Hersteller: BOSCH
Artikelnummer: EB-0601119633-3600905131
Netto: 9,75 € zzgl. MwSt.
zzgl. 6,90 € Versand (brutto)
einmalig pro Bestellung

Lieferzeit: 5 Werktage

Pos.
29
BOSCH Radial-Wellendichtring | Ersatzteile für Gw-1G-Bohrmaschine-Elktrn | 1600290016
Hersteller: BOSCH
Artikelnummer: EB-0601119633-1600290016
Netto: 4,56 € zzgl. MwSt.
zzgl. 6,90 € Versand (brutto)
einmalig pro Bestellung

Lieferzeit: 5 Werktage

Pos.
31
BOSCH Stirnrad Z=50 | Ersatzteile für Gw-1G-Bohrmaschine-Elktrn | 1606317078
Hersteller: BOSCH
Artikelnummer: EB-0601119633-1606317078
Netto: 26,41 € zzgl. MwSt.
zzgl. 6,90 € Versand (brutto)
einmalig pro Bestellung

Lieferzeit: 5 Werktage

Pos.
34
BOSCH Zylinderstift 5 H 8x18 DIN 7 | Ersatzteile für Gw-1G-Bohrmaschine-Elktrn | 2917500121
Hersteller: BOSCH
Artikelnummer: EB-0601119633-2917500121
Netto: 3,60 € zzgl. MwSt.
zzgl. 6,90 € Versand (brutto)
einmalig pro Bestellung

Lieferzeit: 5 Werktage

Pos.
36
BOSCH Bohrspindel | Ersatzteile für Gw-1G-Bohrmaschine-Elktrn | 3603523053
Hersteller: BOSCH
Artikelnummer: EB-0601119633-3603523053
Netto: 35,13 € zzgl. MwSt.
zzgl. 6,90 € Versand (brutto)
einmalig pro Bestellung

Lieferzeit: 5 Werktage

Pos.
37
BOSCH Sicherungsbügel DIN 471-15x1-FSt | Ersatzteile für Gw-1G-Bohrmaschine-Elktrn | 2916650006
Hersteller: BOSCH
Artikelnummer: EB-0601119633-2916650006
Netto: 3,94 € zzgl. MwSt.
zzgl. 6,90 € Versand (brutto)
einmalig pro Bestellung

Lieferzeit: 5 Werktage

Pos.
39
BOSCH Welle Mit Zahnrad Z=9/33 | Ersatzteile für Gw-1G-Bohrmaschine-Elktrn | 1606328103
Hersteller: BOSCH
Artikelnummer: EB-0601119633-1606328103
Netto: 42,08 € zzgl. MwSt.
zzgl. 6,90 € Versand (brutto)
einmalig pro Bestellung

Lieferzeit: 5 Werktage

Pos.
40
BOSCH Rillenkugellager 15x32x9 | Ersatzteile für Gw-1G-Bohrmaschine-Elktrn | 1900905162
Hersteller: BOSCH
Artikelnummer: EB-0601119633-1900905162
nur Informationsartikel
Nie mehr lieferbar
keine Alternativen
Pos.
42
BOSCH Blechschraube ST-4,8x57,5-TORX,T20 | Ersatzteile für Gw-1G-Bohrmaschine-Elktrn | 1613435009
Hersteller: BOSCH
Artikelnummer: EB-0601119633-1613435009
Netto: 3,94 € zzgl. MwSt.
zzgl. 6,90 € Versand (brutto)
einmalig pro Bestellung

Lieferzeit: 5 Werktage

Pos.
43
BOSCH Torx-Linsenschraube | Ersatzteile für Gw-1G-Bohrmaschine-Elktrn | 2914201527
Hersteller: BOSCH
Artikelnummer: EB-0601119633-2914201527
Netto: 4,36 € zzgl. MwSt.
zzgl. 6,90 € Versand (brutto)
einmalig pro Bestellung

Lieferzeit: 5 Werktage

Pos.
46
BOSCH Blechschraube DIN 7971-ST3,9x16-F | Ersatzteile für Gw-1G-Bohrmaschine-Elktrn | 2910211019
Hersteller: BOSCH
Artikelnummer: EB-0601119633-2910211019
Netto: 3,60 € zzgl. MwSt.
zzgl. 6,90 € Versand (brutto)
einmalig pro Bestellung

Lieferzeit: 5 Werktage

Pos.
47
BOSCH Verbindungsleitung L=290 MM GRAU | Ersatzteile für Gw-1G-Bohrmaschine-Elktrn | 1604445006
Hersteller: BOSCH
Artikelnummer: EB-0601119633-1604445006
Netto: 6,75 € zzgl. MwSt.
zzgl. 6,90 € Versand (brutto)
einmalig pro Bestellung

Lieferzeit: 5 Werktage

Pos.
49
BOSCH Blechschraube DIN 7971-ST3,9x13-F | Ersatzteile für Gw-1G-Bohrmaschine-Elktrn | 2910211018
Hersteller: BOSCH
Artikelnummer: EB-0601119633-2910211018
Netto: 3,60 € zzgl. MwSt.
zzgl. 6,90 € Versand (brutto)
einmalig pro Bestellung

Lieferzeit: 5 Werktage

Pos.
53
BOSCH Verbindungsleitung L=360 MM WEISS | Ersatzteile für Gw-1G-Bohrmaschine-Elktrn | 3604460027
Hersteller: BOSCH
Artikelnummer: EB-0601119633-3604460027
Netto: 7,26 € zzgl. MwSt.
zzgl. 6,90 € Versand (brutto)
einmalig pro Bestellung

Lieferzeit: 5 Werktage

Pos.
56
BOSCH Verbindungsleitung L=375 MM | Ersatzteile für Gw-1G-Bohrmaschine-Elktrn | 3604438027
Hersteller: BOSCH
Artikelnummer: EB-0601119633-3604438027
Netto: 9,05 € zzgl. MwSt.
zzgl. 6,90 € Versand (brutto)
einmalig pro Bestellung

Lieferzeit: 5 Werktage

Pos.
57
BOSCH Leitungsführung | Ersatzteile für Gw-1G-Bohrmaschine-Elktrn | 3601025003
Hersteller: BOSCH
Artikelnummer: EB-0601119633-3601025003
Netto: 3,94 € zzgl. MwSt.
zzgl. 6,90 € Versand (brutto)
einmalig pro Bestellung

Lieferzeit: 5 Werktage

Pos.
58
BOSCH Druckfeder | Ersatzteile für Gw-1G-Bohrmaschine-Elktrn | 1604613006
Hersteller: BOSCH
Artikelnummer: EB-0601119633-1604613006
Netto: 3,94 € zzgl. MwSt.
zzgl. 6,90 € Versand (brutto)
einmalig pro Bestellung

Lieferzeit: 5 Werktage

Pos.
59
BOSCH Zylinderschraube DIN 84-AM4x8-8.8 | Ersatzteile für Gw-1G-Bohrmaschine-Elktrn | 2910021118
Hersteller: BOSCH
Artikelnummer: EB-0601119633-2910021118
nur Informationsartikel
Nie mehr lieferbar
keine Alternativen
Pos.
79
BOSCH Klebeschild | Ersatzteile für Gw-1G-Bohrmaschine-Elktrn | 3601110359
Hersteller: BOSCH
Artikelnummer: EB-0601119633-3601110359
Netto: 4,80 € zzgl. MwSt.
zzgl. 6,90 € Versand (brutto)
einmalig pro Bestellung

Lieferzeit: 5 Werktage

Pos.
91
BOSCH Torx-Linsenschraube | Ersatzteile für Gw-1G-Bohrmaschine-Elktrn | 2914201507
Hersteller: BOSCH
Artikelnummer: EB-0601119633-2914201507
Netto: 3,60 € zzgl. MwSt.
zzgl. 6,90 € Versand (brutto)
einmalig pro Bestellung

Lieferzeit: 5 Werktage

Pos.
95
BOSCH Klebeschild | Ersatzteile für Gw-1G-Bohrmaschine-Elktrn | 3601110072
Hersteller: BOSCH
Artikelnummer: EB-0601119633-3601110072
nur Informationsartikel
Nie mehr lieferbar
keine Alternativen
Pos.
650
BOSCH Zusatzhandgriff Ø43 MM | Ersatzteile für Gw-1G-Bohrmaschine-Elktrn | 3602025021
Hersteller: BOSCH
Artikelnummer: EB-0601119633-3602025021
Netto: 35,13 € zzgl. MwSt.
zzgl. 6,90 € Versand (brutto)
einmalig pro Bestellung

Lieferzeit: 5 Werktage

Pos.
651
BOSCH Zahnkranzbohrfutter Ø1,5-13 MM, 1/2" | Ersatzteile für Gw-1G-Bohrmaschine-Elktrn | 1608571022
Hersteller: BOSCH
Artikelnummer: EB-0601119633-1608571022
Netto: 52,31 € zzgl. MwSt.
zzgl. 6,90 € Versand (brutto)
einmalig pro Bestellung

Lieferzeit: 5 Werktage

Pos.
652
BOSCH Tiefenanschlag SW 6x330 MM | Ersatzteile für Gw-1G-Bohrmaschine-Elktrn | 1613001008
Hersteller: BOSCH
Artikelnummer: EB-0601119633-1613001008
Netto: 8,23 € zzgl. MwSt.
zzgl. 6,90 € Versand (brutto)
einmalig pro Bestellung

Lieferzeit: 5 Werktage

Pos.
802
BOSCH Polschuh 230V | Ersatzteile für Gw-1G-Bohrmaschine-Elktrn | 3604220122
Hersteller: BOSCH
Artikelnummer: EB-0601119633-3604220122
Netto: 46,22 € zzgl. MwSt.
zzgl. 6,90 € Versand (brutto)
einmalig pro Bestellung

Lieferzeit: 5 Werktage

Pos.
805
BOSCH Netzanschlussleitung | Ersatzteile für Gw-1G-Bohrmaschine-Elktrn | 3607030489
Hersteller: BOSCH
Artikelnummer: EB-0601119633-3607030489
Netto: 26,41 € zzgl. MwSt.
zzgl. 6,90 € Versand (brutto)
einmalig pro Bestellung

Lieferzeit: 5 Werktage

Pos.
810
BOSCH Kohlebürstensatz | Ersatzteile für Gw-1G-Bohrmaschine-Elktrn | 1607014126
Hersteller: BOSCH
Artikelnummer: EB-0601119633-1607014126
Netto: 13,81 € zzgl. MwSt.
zzgl. 6,90 € Versand (brutto)
einmalig pro Bestellung

Lieferzeit: 5 Werktage

Pos.
815
BOSCH Handgriff DUNKELBLAU | Ersatzteile für Gw-1G-Bohrmaschine-Elktrn | 3605133012
Hersteller: BOSCH
Artikelnummer: EB-0601119633-3605133012
nur Informationsartikel
Nie mehr lieferbar
keine Alternativen
Pos.
824
BOSCH Zwischenring | Ersatzteile für Gw-1G-Bohrmaschine-Elktrn | 1600300089
Hersteller: BOSCH
Artikelnummer: EB-0601119633-1600300089
Netto: 6,21 € zzgl. MwSt.
zzgl. 6,90 € Versand (brutto)
einmalig pro Bestellung

Lieferzeit: 5 Werktage

Pos.
825
BOSCH Zwischenring | Ersatzteile für Gw-1G-Bohrmaschine-Elktrn | 1600206026
Hersteller: BOSCH
Artikelnummer: EB-0601119633-1600206026
Netto: 3,94 € zzgl. MwSt.
zzgl. 6,90 € Versand (brutto)
einmalig pro Bestellung

Lieferzeit: 5 Werktage

Pos.
827
BOSCH Sprengring DIN 9045 - Ø 30MM | Ersatzteile für Gw-1G-Bohrmaschine-Elktrn | 2916600016
Hersteller: BOSCH
Artikelnummer: EB-0601119633-2916600016
Netto: 3,94 € zzgl. MwSt.
zzgl. 6,90 € Versand (brutto)
einmalig pro Bestellung

Lieferzeit: 5 Werktage

Pos.
832
BOSCH Spindelgehaeuse | Ersatzteile für Gw-1G-Bohrmaschine-Elktrn | 3605806146
Hersteller: BOSCH
Artikelnummer: EB-0601119633-3605806146
Netto: 55,88 € zzgl. MwSt.
zzgl. 6,90 € Versand (brutto)
einmalig pro Bestellung

Lieferzeit: 5 Werktage

Pos.
835
BOSCH Haltering | Ersatzteile für Gw-1G-Bohrmaschine-Elktrn | 3607030355
Hersteller: BOSCH
Artikelnummer: EB-0601119633-3607030355
Netto: 15,15 € zzgl. MwSt.
zzgl. 6,90 € Versand (brutto)
einmalig pro Bestellung

Lieferzeit: 5 Werktage

Pos.
856
BOSCH Verbindungsleitung L=345 MM GRAU | Ersatzteile für Gw-1G-Bohrmaschine-Elktrn | 1604438013
Hersteller: BOSCH
Artikelnummer: EB-0601119633-1604438013
Netto: 7,58 € zzgl. MwSt.
zzgl. 6,90 € Versand (brutto)
einmalig pro Bestellung

Lieferzeit: 5 Werktage

Pos.
888
BOSCH Typschild | Ersatzteile für Gw-1G-Bohrmaschine-Elktrn | 160111A3H3
Hersteller: BOSCH
Artikelnummer: EB-0601119633-160111A3H3
Netto: 4,56 € zzgl. MwSt.
zzgl. 6,90 € Versand (brutto)
einmalig pro Bestellung

Lieferzeit: 5 Werktage

Angaben zur Produktsicherheit

Hersteller:
Robert Bosch Power Tools GmbH
Postfach 30 02 20
70442 Stuttgart

E-Mail:
kontakt@bosch.de