BOSCH Bohrfutterschlüssel SG2 | Ersatzteile für Gw-1G-Bohrmaschine-Elktrn | 2607950007

Artikelnummer: EB-0601119636-2607950007

Position: 651/8

Marke: BOSCH


Bitte Kompatibilität prüfen!

Bitte prüfen Sie unbedingt die 10-stellige Typennummer Ihrer Maschine / Ihres Gerätes. Das Ersatzteil ist nur kompatibel, wenn Sie die Typennummer Ihrer Maschine in der unten stehenden Produktbeschreibung finden.

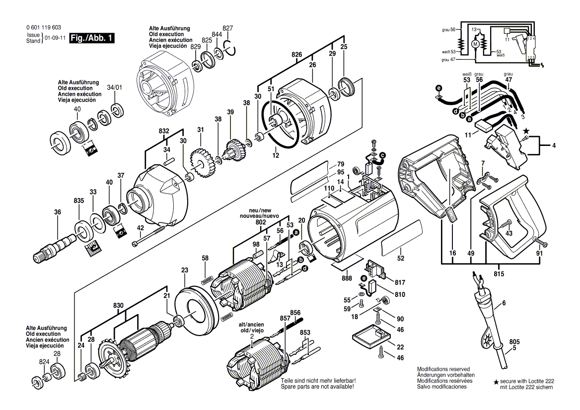
Bitte prüfen Sie ebenfalls detailliert die Explosionszeichnung mit Ihrem Artikelwunsch und der jeweiligen Pos-Nummer.

Alle Elemente, welche vom schwarzen Strich der Pos-Nummer ausgehend berührt / erfasst werden, gehören zu dieser Pos-Nummer und somit zu diesem Artikel. Jede Pos-Nummer ist ein eigenständiger Artikel, welchen Sie in der Auflistung finden.

Sie erhalten stets die aktuellste, neueste Produktversion zu der gewählten Pos-Nummer seitens des Herstellers. Es kann daher je nach Gerätealter vorkommen, dass Sie ggf. weitere, zugehörige Elemente, welche an diese Pos-Nummer grenzen, ebenfalls mittauschen müssen.

Nähere Informationen finden Sie unter dem Link
Hinweise zu Ihrer BOSCH Ersatzteilsuche

Preisübersicht

Einzelpreis: 7,26 €* (Brutto: 8,64 €)
Gesamtpreis: 7,26 €* 
Position:

Lieferzeit: 5 Werktage


Beschreibung

  • Bohrfutterschlüssel SG2
  • Original Bosch Zubehör / BOSCH Ersatzteil (2607950007)
  • im Gerät verbaut: 1
Dieses BOSCH Ersatzteil ist mit folgendem Gerät und Modell kompatibel:
  • BOSCH Gerätename: Gw-1G-Bohrmaschine-Elktrn
  • BOSCH Explosionszeichnung: Position 651/8
  • BOSCH Typennummer: 0601119636
  • BOSCH Typennummer alternative Schreibweisen: 0 601 119 636, 0601 119 636, 0.601.119.636, 0-601-119-636
    Bitte prüfen Sie diese Typennummer auf Ihrem Gerät um die Kompatibilität des BOSCH Ersatzteils zu gewährleisten.
Weitere BOSCH Ersatzteile des Gerätes Gw-1G-Bohrmaschine-Elktrn mit der Typennummer 0601119636 finden Sie in der nachfolgenden Darstellung und im Dropdown zu Ihrer Auswahl:

Pos.
650/1
BOSCH Zusatzhandgriff | Ersatzteile für 1119.6 | 160202509Z
Hersteller: BOSCH
Artikelnummer: EB-0601119636-16020250A1
Netto: 13,81 € zzgl. MwSt.
zzgl. 6,90 € Versand (brutto)
einmalig pro Bestellung

Lieferzeit: 5 Werktage

Pos.
650/1
BOSCH Zusatzhandgriff M14 SCHWARZ | Ersatzteile für Gw-1G-Bohrmaschine-Elktrn | 1602025022
Hersteller: BOSCH
Artikelnummer: EB-0601119636-1602025022
nur Informationsartikel
Nie mehr lieferbar
keine Alternativen
Pos.
651/8
BOSCH Bohrfutterschlüssel SG2 | Ersatzteile für Gw-1G-Bohrmaschine-Elktrn | 2607950007
Hersteller: BOSCH
Artikelnummer: EB-0601119636-2607950007
Netto: 7,26 € zzgl. MwSt.
zzgl. 6,90 € Versand (brutto)
einmalig pro Bestellung

Lieferzeit: 5 Werktage

Pos.
4
BOSCH Schalter | Ersatzteile für Gw-1G-Bohrmaschine-Elktrn | 1607200075
Hersteller: BOSCH
Artikelnummer: EB-0601119636-1607200075
nur Informationsartikel
Nie mehr lieferbar
keine Alternativen
Pos.
6
BOSCH Tülle Ø7,9-Ø12,0x120 MM | Ersatzteile für Gw-1G-Bohrmaschine-Elktrn | 1600703022
Hersteller: BOSCH
Artikelnummer: EB-0601119636-1600703022
Netto: 4,80 € zzgl. MwSt.
zzgl. 6,90 € Versand (brutto)
einmalig pro Bestellung

Lieferzeit: 5 Werktage

Pos.
11
BOSCH Entstörfilter | Ersatzteile für Gw-1G-Bohrmaschine-Elktrn | 1607328028
Hersteller: BOSCH
Artikelnummer: EB-0601119636-1607328028
Netto: 6,27 € zzgl. MwSt.
zzgl. 6,90 € Versand (brutto)
einmalig pro Bestellung

Lieferzeit: 5 Werktage

Pos.
12
BOSCH O-Ring 66,0x3,0 MM | Ersatzteile für Gw-1G-Bohrmaschine-Elktrn | 1600210005
Hersteller: BOSCH
Artikelnummer: EB-0601119636-1600210005
Netto: 4,80 € zzgl. MwSt.
zzgl. 6,90 € Versand (brutto)
einmalig pro Bestellung

Lieferzeit: 5 Werktage

Pos.
15
BOSCH Handgriff SCHWARZ | Ersatzteile für 1119.6 | 3605133019
Hersteller: BOSCH
Artikelnummer: EB-0601119636-3605133019
nur Informationsartikel
Nie mehr lieferbar
keine Alternativen
Pos.
18
BOSCH Spiralfeder | Ersatzteile für Gw-1G-Bohrmaschine-Elktrn | 1604652006
Hersteller: BOSCH
Artikelnummer: EB-0601119636-1604652006
Netto: 3,94 € zzgl. MwSt.
zzgl. 6,90 € Versand (brutto)
einmalig pro Bestellung

Lieferzeit: 5 Werktage

Pos.
20
BOSCH Zwischenring | Ersatzteile für Gw-1G-Bohrmaschine-Elktrn | 1600502011
Hersteller: BOSCH
Artikelnummer: EB-0601119636-1600502011
Netto: 4,56 € zzgl. MwSt.
zzgl. 6,90 € Versand (brutto)
einmalig pro Bestellung

Lieferzeit: 5 Werktage

Pos.
21
BOSCH Kugellager 7x19x6 | Ersatzteile für Gw-1G-Bohrmaschine-Elktrn | 2600905032
Hersteller: BOSCH
Artikelnummer: EB-0601119636-2600905032
Netto: 6,27 € zzgl. MwSt.
zzgl. 6,90 € Versand (brutto)
einmalig pro Bestellung

Lieferzeit: 5 Werktage

Pos.
24
BOSCH Zwischenring | Ersatzteile für Gw-1G-Bohrmaschine-Elktrn | 1600300090
Hersteller: BOSCH
Artikelnummer: EB-0601119636-1600300090
Netto: 5,17 € zzgl. MwSt.
zzgl. 6,90 € Versand (brutto)
einmalig pro Bestellung

Lieferzeit: 5 Werktage

Pos.
25
BOSCH Zwischenring | Ersatzteile für Gw-1G-Bohrmaschine-Elktrn | 1600221003
Hersteller: BOSCH
Artikelnummer: EB-0601119636-1600221003
Netto: 4,56 € zzgl. MwSt.
zzgl. 6,90 € Versand (brutto)
einmalig pro Bestellung

Lieferzeit: 5 Werktage

Pos.
28
BOSCH Rillenkugellager 9x26x8 | Ersatzteile für Gw-1G-Bohrmaschine-Elktrn | 3600905131
Hersteller: BOSCH
Artikelnummer: EB-0601119636-3600905131
Netto: 9,75 € zzgl. MwSt.
zzgl. 6,90 € Versand (brutto)
einmalig pro Bestellung

Lieferzeit: 5 Werktage

Pos.
29
BOSCH Radial-Wellendichtring | Ersatzteile für Gw-1G-Bohrmaschine-Elktrn | 1600290016
Hersteller: BOSCH
Artikelnummer: EB-0601119636-1600290016
Netto: 4,56 € zzgl. MwSt.
zzgl. 6,90 € Versand (brutto)
einmalig pro Bestellung

Lieferzeit: 5 Werktage

Pos.
650
BOSCH Zusatzhandgriff Ø43 MM | Ersatzteile für Gw-1G-Bohrmaschine-Elktrn | 3602025021
Hersteller: BOSCH
Artikelnummer: EB-0601119636-3602025021
Netto: 35,13 € zzgl. MwSt.
zzgl. 6,90 € Versand (brutto)
einmalig pro Bestellung

Lieferzeit: 5 Werktage

Pos.
810
BOSCH Kohlebürstensatz | Ersatzteile für Gw-1G-Bohrmaschine-Elktrn | 1607014126
Hersteller: BOSCH
Artikelnummer: EB-0601119636-1607014126
Netto: 13,81 € zzgl. MwSt.
zzgl. 6,90 € Versand (brutto)
einmalig pro Bestellung

Lieferzeit: 5 Werktage

Pos.
815
BOSCH Handgriff DUNKELBLAU | Ersatzteile für Gw-1G-Bohrmaschine-Elktrn | 3605133012
Hersteller: BOSCH
Artikelnummer: EB-0601119636-3605133012
nur Informationsartikel
Nie mehr lieferbar
keine Alternativen
Pos.
824
BOSCH Zwischenring | Ersatzteile für Gw-1G-Bohrmaschine-Elktrn | 1600300089
Hersteller: BOSCH
Artikelnummer: EB-0601119636-1600300089
Netto: 6,21 € zzgl. MwSt.
zzgl. 6,90 € Versand (brutto)
einmalig pro Bestellung

Lieferzeit: 5 Werktage

Pos.
825
BOSCH Zwischenring | Ersatzteile für Gw-1G-Bohrmaschine-Elktrn | 1600206026
Hersteller: BOSCH
Artikelnummer: EB-0601119636-1600206026
Netto: 3,94 € zzgl. MwSt.
zzgl. 6,90 € Versand (brutto)
einmalig pro Bestellung

Lieferzeit: 5 Werktage

Pos.
888
BOSCH Typschild | Ersatzteile für Gw-1G-Bohrmaschine-Elktrn | 160111A3H3
Hersteller: BOSCH
Artikelnummer: EB-0601119636-160111A3H3
Netto: 4,56 € zzgl. MwSt.
zzgl. 6,90 € Versand (brutto)
einmalig pro Bestellung

Lieferzeit: 5 Werktage

Angaben zur Produktsicherheit

Hersteller:
Robert Bosch Power Tools GmbH
Postfach 30 02 20
70442 Stuttgart

E-Mail:
kontakt@bosch.de