BOSCH Schalter | Ersatzteile für Gw-4G-Bohrmaschine | 1607200037

Artikelnummer: EB-0601130037-1607200037

Position: 27

Marke: BOSCH


Bitte Kompatibilität prüfen!

Bitte prüfen Sie unbedingt die 10-stellige Typennummer Ihrer Maschine / Ihres Gerätes. Das Ersatzteil ist nur kompatibel, wenn Sie die Typennummer Ihrer Maschine in der unten stehenden Produktbeschreibung finden.

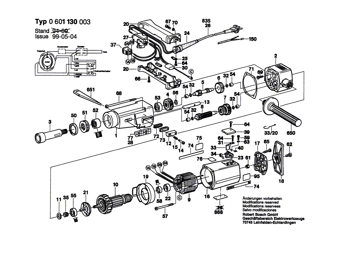
Bitte prüfen Sie ebenfalls detailliert die Explosionszeichnung mit Ihrem Artikelwunsch und der jeweiligen Pos-Nummer.

Alle Elemente, welche vom schwarzen Strich der Pos-Nummer ausgehend berührt / erfasst werden, gehören zu dieser Pos-Nummer und somit zu diesem Artikel. Jede Pos-Nummer ist ein eigenständiger Artikel, welchen Sie in der Auflistung finden.

Sie erhalten stets die aktuellste, neueste Produktversion zu der gewählten Pos-Nummer seitens des Herstellers. Es kann daher je nach Gerätealter vorkommen, dass Sie ggf. weitere, zugehörige Elemente, welche an diese Pos-Nummer grenzen, ebenfalls mittauschen müssen.

Nähere Informationen finden Sie unter dem Link
Hinweise zu Ihrer BOSCH Ersatzteilsuche

Preisübersicht

Einzelpreis: 39,11 €* (Brutto: 46,54 €)
Gesamtpreis: 39,11 €* 
Position:

Lieferzeit: 5 Werktage


Beschreibung

  • Schalter
  • Original Bosch Zubehör / BOSCH Ersatzteil (1607200037)
  • im Gerät verbaut: 1
Dieses BOSCH Ersatzteil ist mit folgendem Gerät und Modell kompatibel:
  • BOSCH Gerätename: Gw-4G-Bohrmaschine
  • BOSCH Explosionszeichnung: Position 27
  • BOSCH Typennummer: 0601130037
  • BOSCH Typennummer alternative Schreibweisen: 0 601 130 037, 0601 130 037, 0.601.130.037, 0-601-130-037
    Bitte prüfen Sie diese Typennummer auf Ihrem Gerät um die Kompatibilität des BOSCH Ersatzteils zu gewährleisten.
Weitere BOSCH Ersatzteile des Gerätes Gw-4G-Bohrmaschine mit der Typennummer 0601130037 finden Sie in der nachfolgenden Darstellung und im Dropdown zu Ihrer Auswahl:

Pos.
1
BOSCH Spindellager | Ersatzteile für Gw-4G-Bohrmaschine | 1609330066
Hersteller: BOSCH
Artikelnummer: EB-0601130037-1609330066
nur Informationsartikel
Nie mehr lieferbar
keine Alternativen
Pos.
2
BOSCH Zwischenlager | Ersatzteile für Gw-4G-Bohrmaschine | 1609330067
Hersteller: BOSCH
Artikelnummer: EB-0601130037-1609330067
nur Informationsartikel
Nie mehr lieferbar
keine Alternativen
Pos.
3
BOSCH Bohrspindel | Ersatzteile für Gw-4G-Bohrmaschine | 1609330068
Hersteller: BOSCH
Artikelnummer: EB-0601130037-1609330068
nur Informationsartikel
Nie mehr lieferbar
keine Alternativen
Pos.
4
BOSCH Stirnrad Z=32 | Ersatzteile für Gw-4G-Bohrmaschine | 1609330069
Hersteller: BOSCH
Artikelnummer: EB-0601130037-1609330069
nur Informationsartikel
Nie mehr lieferbar
keine Alternativen
Pos.
5
BOSCH Welle Mit Zahnrad Z=16 | Ersatzteile für Gw-4G-Bohrmaschine | 1609330070
Hersteller: BOSCH
Artikelnummer: EB-0601130037-1609330070
nur Informationsartikel
Nie mehr lieferbar
keine Alternativen
Pos.
6
BOSCH Stirnrad Z=38 | Ersatzteile für Gw-4G-Bohrmaschine | 1609330071
Hersteller: BOSCH
Artikelnummer: EB-0601130037-1609330071
nur Informationsartikel
Nie mehr lieferbar
keine Alternativen
Pos.
7
BOSCH Stirnrad Z=27/33 | Ersatzteile für Gw-4G-Bohrmaschine | 1609330072
Hersteller: BOSCH
Artikelnummer: EB-0601130037-1609330072
nur Informationsartikel
Nie mehr lieferbar
keine Alternativen
Pos.
8
BOSCH Welle Mit Zahnrad Z=10/16 | Ersatzteile für Gw-4G-Bohrmaschine | 1609330073
Hersteller: BOSCH
Artikelnummer: EB-0601130037-1609330073
nur Informationsartikel
Nie mehr lieferbar
keine Alternativen
Pos.
9
BOSCH Polschuh 220-240V | Ersatzteile für Gw-4G-Bohrmaschine | 1609330074
Hersteller: BOSCH
Artikelnummer: EB-0601130037-1609330074
nur Informationsartikel
Nie mehr lieferbar
keine Alternativen
Pos.
10
BOSCH Anker 220-240V | Ersatzteile für Gw-4G-Bohrmaschine | 1609330075
Hersteller: BOSCH
Artikelnummer: EB-0601130037-1609330075
nur Informationsartikel
Nie mehr lieferbar
keine Alternativen
Pos.
11
BOSCH Dichtring | Ersatzteile für Gw-4G-Bohrmaschine | 1609330076
Hersteller: BOSCH
Artikelnummer: EB-0601130037-1609330076
nur Informationsartikel
Nie mehr lieferbar
keine Alternativen
Pos.
12
BOSCH Schalthebel | Ersatzteile für Gw-4G-Bohrmaschine | 1609330077
Hersteller: BOSCH
Artikelnummer: EB-0601130037-1609330077
nur Informationsartikel
Nie mehr lieferbar
keine Alternativen
Pos.
13
BOSCH Schaltachse | Ersatzteile für Gw-4G-Bohrmaschine | 1609330078
Hersteller: BOSCH
Artikelnummer: EB-0601130037-1609330078
nur Informationsartikel
Nie mehr lieferbar
keine Alternativen
Pos.
14
BOSCH Zylinderschraube | Ersatzteile für Gw-4G-Bohrmaschine | 1609330079
Hersteller: BOSCH
Artikelnummer: EB-0601130037-1609330079
nur Informationsartikel
Nie mehr lieferbar
keine Alternativen
Pos.
15
BOSCH Druckfeder | Ersatzteile für Gw-4G-Bohrmaschine | 1609330080
Hersteller: BOSCH
Artikelnummer: EB-0601130037-1609330080
nur Informationsartikel
Nie mehr lieferbar
keine Alternativen
Pos.
16
BOSCH Motorgehäuse | Ersatzteile für Gw-4G-Bohrmaschine | 1609330081
Hersteller: BOSCH
Artikelnummer: EB-0601130037-1609330081
nur Informationsartikel
Nie mehr lieferbar
keine Alternativen
Pos.
17
BOSCH Gehäusedeckel | Ersatzteile für Gw-4G-Bohrmaschine | 1609330082
Hersteller: BOSCH
Artikelnummer: EB-0601130037-1609330082
nur Informationsartikel
Nie mehr lieferbar
keine Alternativen
Pos.
18
BOSCH Druckplatte | Ersatzteile für Gw-4G-Bohrmaschine | 1609330083
Hersteller: BOSCH
Artikelnummer: EB-0601130037-1609330083
nur Informationsartikel
Nie mehr lieferbar
keine Alternativen
Pos.
19
BOSCH Luftleitring | Ersatzteile für Gw-4G-Bohrmaschine | 1609330084
Hersteller: BOSCH
Artikelnummer: EB-0601130037-1609330084
nur Informationsartikel
Nie mehr lieferbar
keine Alternativen
Pos.
20
BOSCH Handgriff | Ersatzteile für Gw-4G-Bohrmaschine | 1609330085
Hersteller: BOSCH
Artikelnummer: EB-0601130037-1609330085
nur Informationsartikel
Nie mehr lieferbar
keine Alternativen
Pos.
21
BOSCH Lagerdeckel | Ersatzteile für Gw-4G-Bohrmaschine | 1609330086
Hersteller: BOSCH
Artikelnummer: EB-0601130037-1609330086
nur Informationsartikel
Nie mehr lieferbar
keine Alternativen
Pos.
22
BOSCH Gummiring | Ersatzteile für Gw-4G-Bohrmaschine | 1609330087
Hersteller: BOSCH
Artikelnummer: EB-0601130037-1609330087
nur Informationsartikel
Nie mehr lieferbar
keine Alternativen
Pos.
23
BOSCH Bürstenhalter | Ersatzteile für Gw-4G-Bohrmaschine | 1604336008
Hersteller: BOSCH
Artikelnummer: EB-0601130037-1604336008
Netto: 17,38 € zzgl. MwSt.
zzgl. 6,90 € Versand (brutto)
einmalig pro Bestellung

Lieferzeit: 5 Werktage

Pos.
24
BOSCH Tülle Ø9,2-Ø12x120 MM | Ersatzteile für Gw-4G-Bohrmaschine | 3600703011
Hersteller: BOSCH
Artikelnummer: EB-0601130037-3600703011
Netto: 4,82 € zzgl. MwSt.
zzgl. 6,90 € Versand (brutto)
einmalig pro Bestellung

Lieferzeit: 5 Werktage

Pos.
26
BOSCH Netzanschlussleitung AUS 2,65m 2 x 1,0mm PVC | Ersatzteile für Gw-4G-Bohrmaschine | 1604460034
Hersteller: BOSCH
Artikelnummer: EB-0601130037-1604460034
Netto: 14,36 € zzgl. MwSt.
zzgl. 6,90 € Versand (brutto)
einmalig pro Bestellung

Lieferzeit: 5 Werktage

Pos.
27
BOSCH Schalter | Ersatzteile für Gw-4G-Bohrmaschine | 1607200037
Hersteller: BOSCH
Artikelnummer: EB-0601130037-1607200037
Netto: 39,11 € zzgl. MwSt.
zzgl. 6,90 € Versand (brutto)
einmalig pro Bestellung

Lieferzeit: 5 Werktage

Pos.
30
BOSCH Entstörfilter | Ersatzteile für Gw-4G-Bohrmaschine | 1607328028
Hersteller: BOSCH
Artikelnummer: EB-0601130037-1607328028
Netto: 6,15 € zzgl. MwSt.
zzgl. 6,90 € Versand (brutto)
einmalig pro Bestellung

Lieferzeit: 5 Werktage

Pos.
31
BOSCH Sicherungsblech | Ersatzteile für Gw-4G-Bohrmaschine | 1601030022
Hersteller: BOSCH
Artikelnummer: EB-0601130037-1601030022
Netto: 3,94 € zzgl. MwSt.
zzgl. 6,90 € Versand (brutto)
einmalig pro Bestellung

Lieferzeit: 5 Werktage

Pos.
32
BOSCH Ausgleichscheibe | Ersatzteile für Gw-4G-Bohrmaschine | 1609330089
Hersteller: BOSCH
Artikelnummer: EB-0601130037-1609330089
nur Informationsartikel
Nie mehr lieferbar
keine Alternativen
Pos.
33
BOSCH Kohlebürstensatz | Ersatzteile für Gw-4G-Bohrmaschine | 1607014103
Hersteller: BOSCH
Artikelnummer: EB-0601130037-1607014103
nur Informationsartikel
Nie mehr lieferbar
keine Alternativen
Pos.
34
BOSCH Spiralfeder | Ersatzteile für Gw-4G-Bohrmaschine | 1604652015
Hersteller: BOSCH
Artikelnummer: EB-0601130037-1604652015
Netto: 4,82 € zzgl. MwSt.
zzgl. 6,90 € Versand (brutto)
einmalig pro Bestellung

Lieferzeit: 5 Werktage

Pos.
35
BOSCH Distanzbuchse | Ersatzteile für Gw-4G-Bohrmaschine | 1609330092
Hersteller: BOSCH
Artikelnummer: EB-0601130037-1609330092
nur Informationsartikel
Nie mehr lieferbar
keine Alternativen
Pos.
36
BOSCH Netzanschlussleitung | Ersatzteile für 1130 | 1604431001
Hersteller: BOSCH
Artikelnummer: EB-0601130037-1604431001
Netto: 7,57 € zzgl. MwSt.
zzgl. 6,90 € Versand (brutto)
einmalig pro Bestellung

Lieferzeit: 5 Werktage

Pos.
37
BOSCH Umkehrschalter | Ersatzteile für Gw-4G-Bohrmaschine | 1609330093
Hersteller: BOSCH
Artikelnummer: EB-0601130037-1609330093
nur Informationsartikel
Nie mehr lieferbar
keine Alternativen
Pos.
38
BOSCH Isolierstreifen 33x10x6 MM | Ersatzteile für Gw-4G-Bohrmaschine | 1602381001
Hersteller: BOSCH
Artikelnummer: EB-0601130037-1602381001
nur Informationsartikel
Nie mehr lieferbar
keine Alternativen
Pos.
39
BOSCH Verschlussdeckel BLAU | Ersatzteile für Gw-4G-Bohrmaschine | 1605500089
Hersteller: BOSCH
Artikelnummer: EB-0601130037-1605500089
nur Informationsartikel
Nie mehr lieferbar
keine Alternativen
Pos.
50
BOSCH Dichtring | Ersatzteile für Gw-4G-Bohrmaschine | 1609330102
Hersteller: BOSCH
Artikelnummer: EB-0601130037-1609330102
nur Informationsartikel
Nie mehr lieferbar
keine Alternativen
Pos.
51
BOSCH Axialrillenkugellager 30x47x11 | Ersatzteile für Gw-4G-Bohrmaschine | 1900920003
Hersteller: BOSCH
Artikelnummer: EB-0601130037-1900920003
nur Informationsartikel
Nie mehr lieferbar
keine Alternativen
Pos.
52
BOSCH Nadelhülse | Ersatzteile für Gw-4G-Bohrmaschine | 1609330094
Hersteller: BOSCH
Artikelnummer: EB-0601130037-1609330094
nur Informationsartikel
Nie mehr lieferbar
keine Alternativen
Pos.
53
BOSCH Rillenkugellager | Ersatzteile für Gw-4G-Bohrmaschine | 1609330103
Hersteller: BOSCH
Artikelnummer: EB-0601130037-1609330103
nur Informationsartikel
Nie mehr lieferbar
keine Alternativen
Pos.
54
BOSCH Nadellager Ø14 MM | Ersatzteile für Gw-4G-Bohrmaschine | 2600910001
Hersteller: BOSCH
Artikelnummer: EB-0601130037-2600910001
Netto: 5,67 € zzgl. MwSt.
zzgl. 6,90 € Versand (brutto)
einmalig pro Bestellung

Lieferzeit: 5 Werktage

Pos.
55
BOSCH Rillenkugellager 15x35x11 | Ersatzteile für Gw-4G-Bohrmaschine | 1900905226
Hersteller: BOSCH
Artikelnummer: EB-0601130037-1900905226
Netto: 24,13 € zzgl. MwSt.
zzgl. 6,90 € Versand (brutto)
einmalig pro Bestellung

Lieferzeit: 5 Werktage

Pos.
56
BOSCH Sicherungsring 19x1,2 DIN 471 | Ersatzteile für Gw-4G-Bohrmaschine | 2916650010
Hersteller: BOSCH
Artikelnummer: EB-0601130037-2916650010
nur Informationsartikel
Nie mehr lieferbar
keine Alternativen
Pos.
57
BOSCH Blechschraube BZ4,8x63 MM | Ersatzteile für Gw-4G-Bohrmaschine | 1603435008
Hersteller: BOSCH
Artikelnummer: EB-0601130037-1603435008
Netto: 3,95 € zzgl. MwSt.
zzgl. 6,90 € Versand (brutto)
einmalig pro Bestellung

Lieferzeit: 5 Werktage

Pos.
58
BOSCH Rillenkugellager 10x26x8 | Ersatzteile für Gw-4G-Bohrmaschine | 1900905127
Hersteller: BOSCH
Artikelnummer: EB-0601130037-1900905127
Netto: 24,13 € zzgl. MwSt.
zzgl. 6,90 € Versand (brutto)
einmalig pro Bestellung

Lieferzeit: 5 Werktage

Pos.
59
BOSCH Zylinderschraube DIN 84-AM4x8-8.8 | Ersatzteile für Gw-4G-Bohrmaschine | 2910021118
Hersteller: BOSCH
Artikelnummer: EB-0601130037-2910021118
Netto: 3,63 € zzgl. MwSt.
zzgl. 6,90 € Versand (brutto)
einmalig pro Bestellung

Lieferzeit: 5 Werktage

Pos.
61
BOSCH Sechskantmutter DIN 985-M8-8 | Ersatzteile für Gw-4G-Bohrmaschine | 2915061005
Hersteller: BOSCH
Artikelnummer: EB-0601130037-2915061005
Netto: 4,53 € zzgl. MwSt.
zzgl. 6,90 € Versand (brutto)
einmalig pro Bestellung

Lieferzeit: 5 Werktage

Pos.
62
BOSCH Innensechskantschraube DIN 912-M8x18-8.8 | Ersatzteile für Gw-4G-Bohrmaschine | 2910141240
Hersteller: BOSCH
Artikelnummer: EB-0601130037-2910141240
nur Informationsartikel
Nie mehr lieferbar
keine Alternativen
Pos.
63
BOSCH Federscheibe DIN 137-A 4-ST | Ersatzteile für Gw-4G-Bohrmaschine | 2916060005
Hersteller: BOSCH
Artikelnummer: EB-0601130037-2916060005
Netto: 3,63 € zzgl. MwSt.
zzgl. 6,90 € Versand (brutto)
einmalig pro Bestellung

Lieferzeit: 5 Werktage

Pos.
64
BOSCH Blechschraube DIN 7971-BZ3,5x13 | Ersatzteile für Gw-4G-Bohrmaschine | 2910211011
Hersteller: BOSCH
Artikelnummer: EB-0601130037-2910211011
Netto: 3,63 € zzgl. MwSt.
zzgl. 6,90 € Versand (brutto)
einmalig pro Bestellung

Lieferzeit: 5 Werktage

Pos.
65
BOSCH Blechschraube DIN 7971-ST4,8x25-F | Ersatzteile für Gw-4G-Bohrmaschine | 2910211036
Hersteller: BOSCH
Artikelnummer: EB-0601130037-2910211036
Netto: 3,63 € zzgl. MwSt.
zzgl. 6,90 € Versand (brutto)
einmalig pro Bestellung

Lieferzeit: 5 Werktage

Pos.
66
BOSCH Blechschraube DIN 7971-B 3,9x19 | Ersatzteile für Gw-4G-Bohrmaschine | 2910211220
Hersteller: BOSCH
Artikelnummer: EB-0601130037-2910211220
nur Informationsartikel
Nie mehr lieferbar
keine Alternativen
Pos.
67
BOSCH Zylinderschraube DIN 84-AM5x20-5.8 | Ersatzteile für Gw-4G-Bohrmaschine | 2910011162
Hersteller: BOSCH
Artikelnummer: EB-0601130037-2910011162
Netto: 3,63 € zzgl. MwSt.
zzgl. 6,90 € Versand (brutto)
einmalig pro Bestellung

Lieferzeit: 5 Werktage

Pos.
68
BOSCH Blechschraube B4,8x115 MM | Ersatzteile für Gw-4G-Bohrmaschine | 1603435015
Hersteller: BOSCH
Artikelnummer: EB-0601130037-1603435015
nur Informationsartikel
Nie mehr lieferbar
keine Alternativen
Pos.
69
BOSCH Zylinderschraube DIN 84-AM5x15-5.8 | Ersatzteile für Gw-4G-Bohrmaschine | 2910011157
Hersteller: BOSCH
Artikelnummer: EB-0601130037-2910011157
nur Informationsartikel
Nie mehr lieferbar
keine Alternativen
Pos.
70
BOSCH Federscheibe DIN 137-A5-FST | Ersatzteile für Gw-4G-Bohrmaschine | 2916060006
Hersteller: BOSCH
Artikelnummer: EB-0601130037-2916060006
nur Informationsartikel
Nie mehr lieferbar
keine Alternativen
Pos.
71
BOSCH Flachdichtring | Ersatzteile für Gw-4G-Bohrmaschine | 1609330095
Hersteller: BOSCH
Artikelnummer: EB-0601130037-1609330095
nur Informationsartikel
Nie mehr lieferbar
keine Alternativen
Pos.
72
BOSCH Dichtung | Ersatzteile für Gw-4G-Bohrmaschine | 1609330096
Hersteller: BOSCH
Artikelnummer: EB-0601130037-1609330096
nur Informationsartikel
Nie mehr lieferbar
keine Alternativen
Pos.
73
BOSCH Halterahmen | Ersatzteile für Gw-4G-Bohrmaschine | 1609330097
Hersteller: BOSCH
Artikelnummer: EB-0601130037-1609330097
nur Informationsartikel
Nie mehr lieferbar
keine Alternativen
Pos.
650
BOSCH Zusatzhandgriff | Ersatzteile für Gw-4G-Bohrmaschine | 1609330045
Hersteller: BOSCH
Artikelnummer: EB-0601130037-1609330045
nur Informationsartikel
Nie mehr lieferbar
keine Alternativen
Pos.
651
BOSCH Austreiber | Ersatzteile für Gw-4G-Bohrmaschine | 1609330046
Hersteller: BOSCH
Artikelnummer: EB-0601130037-1609330046
nur Informationsartikel
Nie mehr lieferbar
keine Alternativen
Pos.
888
BOSCH Typschild | Ersatzteile für Gw-4G-Bohrmaschine | 160111A3H3
Hersteller: BOSCH
Artikelnummer: EB-0601130037-160111A3H3
Netto: 4,53 € zzgl. MwSt.
zzgl. 6,90 € Versand (brutto)
einmalig pro Bestellung

Lieferzeit: 5 Werktage

Angaben zur Produktsicherheit

Hersteller:
Robert Bosch Power Tools GmbH
Postfach 30 02 20
70442 Stuttgart

E-Mail:
kontakt@bosch.de