BOSCH Sicherungsring DIN 472 52x2MM | Ersatzteile für Gw-Aufbruchhammer | 2916660023

Artikelnummer: EB-0612309001-2916660023

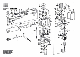
Position: 67

Marke: BOSCH


Bitte Kompatibilität prüfen!

Bitte prüfen Sie unbedingt die 10-stellige Typennummer Ihrer Maschine / Ihres Gerätes. Das Ersatzteil ist nur kompatibel, wenn Sie die Typennummer Ihrer Maschine in der unten stehenden Produktbeschreibung finden.

Bitte prüfen Sie ebenfalls detailliert die Explosionszeichnung mit Ihrem Artikelwunsch und der jeweiligen Pos-Nummer.

Alle Elemente, welche vom schwarzen Strich der Pos-Nummer ausgehend berührt / erfasst werden, gehören zu dieser Pos-Nummer und somit zu diesem Artikel. Jede Pos-Nummer ist ein eigenständiger Artikel, welchen Sie in der Auflistung finden.

Sie erhalten stets die aktuellste, neueste Produktversion zu der gewählten Pos-Nummer seitens des Herstellers. Es kann daher je nach Gerätealter vorkommen, dass Sie ggf. weitere, zugehörige Elemente, welche an diese Pos-Nummer grenzen, ebenfalls mittauschen müssen.

Nähere Informationen finden Sie unter dem Link
Hinweise zu Ihrer BOSCH Ersatzteilsuche

Preisübersicht

Einzelpreis: 6,27 €* (Brutto: 7,46 €)
Gesamtpreis: 6,27 €* 
Position:

Lieferzeit: 5 Werktage


Beschreibung

  • Sicherungsring DIN 472 52x2MM
  • Original Bosch Zubehör / BOSCH Ersatzteil (2916660023)
  • im Gerät verbaut: 1
Dieses BOSCH Ersatzteil ist mit folgendem Gerät und Modell kompatibel:
  • BOSCH Gerätename: Gw-Aufbruchhammer
  • BOSCH Explosionszeichnung: Position 67
  • BOSCH Typennummer: 0612309001
  • BOSCH Typennummer alternative Schreibweisen: 0 612 309 001, 0612 309 001, 0.612.309.001, 0-612-309-001
    Bitte prüfen Sie diese Typennummer auf Ihrem Gerät um die Kompatibilität des BOSCH Ersatzteils zu gewährleisten.
Weitere BOSCH Ersatzteile des Gerätes Gw-Aufbruchhammer mit der Typennummer 0612309001 finden Sie in der nachfolgenden Darstellung und im Dropdown zu Ihrer Auswahl:

Pos.
1
BOSCH Motorgehäuse | Ersatzteile für Gw-Aufbruchhammer | 1615106025
Hersteller: BOSCH
Artikelnummer: EB-0612309001-1615106025
nur Informationsartikel
Nie mehr lieferbar
keine Alternativen
Pos.
2
BOSCH Ständer 250V/200HZ-230V/180HZ | Ersatzteile für Gw-Aufbruchhammer | 1614229097
Hersteller: BOSCH
Artikelnummer: EB-0612309001-1614229097
nur Informationsartikel
Nie mehr lieferbar
keine Alternativen
Pos.
5
BOSCH Rillenkugellager 15x35x11 | Ersatzteile für Gw-Aufbruchhammer | 1900905279
Hersteller: BOSCH
Artikelnummer: EB-0612309001-1900905279
Netto: 9,75 € zzgl. MwSt.
zzgl. 6,90 € Versand (brutto)
einmalig pro Bestellung

Lieferzeit: 5 Werktage

Pos.
3
BOSCH Läufer Ohne Wicklung | Ersatzteile für Gw-Aufbruchhammer | 1614081030
Hersteller: BOSCH
Artikelnummer: EB-0612309001-1614081030
nur Informationsartikel
Nie mehr lieferbar
keine Alternativen
Pos.
4
BOSCH Lagerflansch | Ersatzteile für Gw-Aufbruchhammer | 1615808028
Hersteller: BOSCH
Artikelnummer: EB-0612309001-1615808028
nur Informationsartikel
Nie mehr lieferbar
keine Alternativen
Pos.
9
BOSCH Sechskantmutter DIN 985-M12X1 | Ersatzteile für Gw-Aufbruchhammer | 1613313000
Hersteller: BOSCH
Artikelnummer: EB-0612309001-1613313000
Netto: 4,80 € zzgl. MwSt.
zzgl. 6,90 € Versand (brutto)
einmalig pro Bestellung

Lieferzeit: 5 Werktage

Pos.
6
BOSCH Stützscheibe DIN 988-S25x35x2 | Ersatzteile für Gw-Aufbruchhammer | 2916280021
Hersteller: BOSCH
Artikelnummer: EB-0612309001-2916280021
nur Informationsartikel
Nie mehr lieferbar
keine Alternativen
Pos.
7
BOSCH Sicherungsring | Ersatzteile für Gw-Aufbruchhammer | 1610119005
Hersteller: BOSCH
Artikelnummer: EB-0612309001-1610119005
nur Informationsartikel
Nie mehr lieferbar
keine Alternativen
Pos.
15
BOSCH Zylinderrollenlager DIN 5412-62x30x16 | Ersatzteile für Gw-Aufbruchhammer | 1610910012
Hersteller: BOSCH
Artikelnummer: EB-0612309001-1610910012
Netto: 83,08 € zzgl. MwSt.
zzgl. 6,90 € Versand (brutto)
einmalig pro Bestellung

Lieferzeit: 5 Werktage

Pos.
8
BOSCH Lüfter | Ersatzteile für Gw-Aufbruchhammer | 1616610028
Hersteller: BOSCH
Artikelnummer: EB-0612309001-1616610028
Netto: 38,40 € zzgl. MwSt.
zzgl. 6,90 € Versand (brutto)
einmalig pro Bestellung

Lieferzeit: 5 Werktage

Pos.
16
BOSCH Ausgleichscheibe 2,5 MM DICK | Ersatzteile für Gw-Aufbruchhammer | 1610102010
Hersteller: BOSCH
Artikelnummer: EB-0612309001-1610102010
Netto: 4,80 € zzgl. MwSt.
zzgl. 6,90 € Versand (brutto)
einmalig pro Bestellung

Lieferzeit: 5 Werktage

Pos.
18
BOSCH Distanzbuchse | Ersatzteile für Gw-Aufbruchhammer | 1610300034
Hersteller: BOSCH
Artikelnummer: EB-0612309001-1610300034
Netto: 28,93 € zzgl. MwSt.
zzgl. 6,90 € Versand (brutto)
einmalig pro Bestellung

Lieferzeit: 5 Werktage

Pos.
11
BOSCH Filzring | Ersatzteile für Gw-Aufbruchhammer | 1610108009
Hersteller: BOSCH
Artikelnummer: EB-0612309001-1610108009
nur Informationsartikel
Nie mehr lieferbar
keine Alternativen
Pos.
26
BOSCH Nadellager D20xD37x17 | Ersatzteile für Gw-Aufbruchhammer | 1610910035
Hersteller: BOSCH
Artikelnummer: EB-0612309001-1610910035
Netto: 20,80 € zzgl. MwSt.
zzgl. 6,90 € Versand (brutto)
einmalig pro Bestellung

Lieferzeit: 5 Werktage

Pos.
12
BOSCH Stützscheibe 2,5 MM DICK | Ersatzteile für Gw-Aufbruchhammer | 1610103004
Hersteller: BOSCH
Artikelnummer: EB-0612309001-1610103004
nur Informationsartikel
Nie mehr lieferbar
keine Alternativen
Pos.
36
BOSCH O-Ring 80x3 MM | Ersatzteile für Gw-Aufbruchhammer | 1900210166
Hersteller: BOSCH
Artikelnummer: EB-0612309001-1900210166
Netto: 6,27 € zzgl. MwSt.
zzgl. 6,90 € Versand (brutto)
einmalig pro Bestellung

Lieferzeit: 5 Werktage

Pos.
13
BOSCH Nadellager | Ersatzteile für Gw-Aufbruchhammer | 1610910034
Hersteller: BOSCH
Artikelnummer: EB-0612309001-1610910034
nur Informationsartikel
Nie mehr lieferbar
keine Alternativen
Pos.
41
BOSCH O-Ring 17,3x17,7 MM | Ersatzteile für Gw-Aufbruchhammer | 1610210008
Hersteller: BOSCH
Artikelnummer: EB-0612309001-1610210008
Netto: 6,75 € zzgl. MwSt.
zzgl. 6,90 € Versand (brutto)
einmalig pro Bestellung

Lieferzeit: 5 Werktage

Pos.
14
BOSCH Flanschlager | Ersatzteile für Gw-Aufbruchhammer | 1615805043
Hersteller: BOSCH
Artikelnummer: EB-0612309001-1615805043
nur Informationsartikel
Nie mehr lieferbar
keine Alternativen
Pos.
44
BOSCH Haltebügel | Ersatzteile für Gw-Aufbruchhammer | 1618045026
Hersteller: BOSCH
Artikelnummer: EB-0612309001-1618045026
Netto: 150,24 € zzgl. MwSt.
zzgl. 6,90 € Versand (brutto)
einmalig pro Bestellung

Lieferzeit: 5 Werktage

Pos.
45
BOSCH Sperrbolzen | Ersatzteile für Gw-Aufbruchhammer | 1613103004
Hersteller: BOSCH
Artikelnummer: EB-0612309001-1613103004
Netto: 46,22 € zzgl. MwSt.
zzgl. 6,90 € Versand (brutto)
einmalig pro Bestellung

Lieferzeit: 5 Werktage

Pos.
46
BOSCH Spannstift 8x55 DIN 1481 | Ersatzteile für Gw-Aufbruchhammer | 2917760187
Hersteller: BOSCH
Artikelnummer: EB-0612309001-2917760187
Netto: 4,80 € zzgl. MwSt.
zzgl. 6,90 € Versand (brutto)
einmalig pro Bestellung

Lieferzeit: 5 Werktage

Pos.
47
BOSCH O-Ring 100x3 MM | Ersatzteile für Gw-Aufbruchhammer | 1900210172
Hersteller: BOSCH
Artikelnummer: EB-0612309001-1900210172
Netto: 9,05 € zzgl. MwSt.
zzgl. 6,90 € Versand (brutto)
einmalig pro Bestellung

Lieferzeit: 5 Werktage

Pos.
48
BOSCH Verschlussdeckel | Ersatzteile für Gw-Aufbruchhammer | 1610516007
Hersteller: BOSCH
Artikelnummer: EB-0612309001-1610516007
Netto: 11,04 € zzgl. MwSt.
zzgl. 6,90 € Versand (brutto)
einmalig pro Bestellung

Lieferzeit: 5 Werktage

Pos.
19
BOSCH Exzenterwelle | Ersatzteile für Gw-Aufbruchhammer | 1616110011
Hersteller: BOSCH
Artikelnummer: EB-0612309001-1616110011
nur Informationsartikel
Nie mehr lieferbar
keine Alternativen
Pos.
50
BOSCH Schutzhülse | Ersatzteile für Gw-Aufbruchhammer | 3600421500
Hersteller: BOSCH
Artikelnummer: EB-0612309001-3600421500
Netto: 4,56 € zzgl. MwSt.
zzgl. 6,90 € Versand (brutto)
einmalig pro Bestellung

Lieferzeit: 5 Werktage

Pos.
20
BOSCH Scheibenfeder | Ersatzteile für Gw-Aufbruchhammer | 1610023002
Hersteller: BOSCH
Artikelnummer: EB-0612309001-1610023002
nur Informationsartikel
Nie mehr lieferbar
keine Alternativen
Pos.
51
BOSCH Kabeltülle | Ersatzteile für Gw-Aufbruchhammer | 1610703019
Hersteller: BOSCH
Artikelnummer: EB-0612309001-1610703019
nur Informationsartikel
Nie mehr lieferbar
keine Alternativen
Pos.
21
BOSCH Stirnrad Z=45 | Ersatzteile für Gw-Aufbruchhammer | 1616318007
Hersteller: BOSCH
Artikelnummer: EB-0612309001-1616318007
nur Informationsartikel
Nie mehr lieferbar
keine Alternativen
Pos.
22
BOSCH Stirnrad Z=59/19 | Ersatzteile für Gw-Aufbruchhammer | 1616328020
Hersteller: BOSCH
Artikelnummer: EB-0612309001-1616328020
nur Informationsartikel
Nie mehr lieferbar
keine Alternativen
Pos.
54
BOSCH Schaltergehäuse | Ersatzteile für Gw-Aufbruchhammer | 1617000858
Hersteller: BOSCH
Artikelnummer: EB-0612309001-1617000858
Netto: 28,93 € zzgl. MwSt.
zzgl. 6,90 € Versand (brutto)
einmalig pro Bestellung

Lieferzeit: 5 Werktage

Pos.
23
BOSCH Nadellager | Ersatzteile für Gw-Aufbruchhammer | 1610910002
Hersteller: BOSCH
Artikelnummer: EB-0612309001-1610910002
nur Informationsartikel
Nie mehr lieferbar
keine Alternativen
Pos.
56
BOSCH Tülle | Ersatzteile für Gw-Aufbruchhammer | 1610703011
Hersteller: BOSCH
Artikelnummer: EB-0612309001-1610703011
Netto: 12,50 € zzgl. MwSt.
zzgl. 6,90 € Versand (brutto)
einmalig pro Bestellung

Lieferzeit: 5 Werktage

Pos.
24
BOSCH Getriebedeckel | Ersatzteile für Gw-Aufbruchhammer | 1615500099
Hersteller: BOSCH
Artikelnummer: EB-0612309001-1615500099
nur Informationsartikel
Nie mehr lieferbar
keine Alternativen
Pos.
58
BOSCH Schalter | Ersatzteile für Gw-Aufbruchhammer | 1617200108
Hersteller: BOSCH
Artikelnummer: EB-0612309001-1617200108
Netto: 51,18 € zzgl. MwSt.
zzgl. 6,90 € Versand (brutto)
einmalig pro Bestellung

Lieferzeit: 5 Werktage

Pos.
59
BOSCH Zwischenplatte | Ersatzteile für Gw-Aufbruchhammer | 1615700041
Hersteller: BOSCH
Artikelnummer: EB-0612309001-1615700041
Netto: 82,83 € zzgl. MwSt.
zzgl. 6,90 € Versand (brutto)
einmalig pro Bestellung

Lieferzeit: 5 Werktage

Pos.
62
BOSCH Schaltklinke | Ersatzteile für Gw-Aufbruchhammer | 1612026011
Hersteller: BOSCH
Artikelnummer: EB-0612309001-1612026011
Netto: 7,26 € zzgl. MwSt.
zzgl. 6,90 € Versand (brutto)
einmalig pro Bestellung

Lieferzeit: 5 Werktage

Pos.
27
BOSCH O-Ring 30x3 MM | Ersatzteile für Gw-Aufbruchhammer | 1900210132
Hersteller: BOSCH
Artikelnummer: EB-0612309001-1900210132
nur Informationsartikel
Nie mehr lieferbar
keine Alternativen
Pos.
63
BOSCH Handgriff | Ersatzteile für Gw-Aufbruchhammer | 1615132010
Hersteller: BOSCH
Artikelnummer: EB-0612309001-1615132010
Netto: 32,16 € zzgl. MwSt.
zzgl. 6,90 € Versand (brutto)
einmalig pro Bestellung

Lieferzeit: 5 Werktage

Pos.
64
BOSCH Gummidrehfeder | Ersatzteile für Gw-Aufbruchhammer | 1616334000
Hersteller: BOSCH
Artikelnummer: EB-0612309001-1616334000
Netto: 23,72 € zzgl. MwSt.
zzgl. 6,90 € Versand (brutto)
einmalig pro Bestellung

Lieferzeit: 5 Werktage

Pos.
65
BOSCH Zahnwelle | Ersatzteile für Gw-Aufbruchhammer | 1613060005
Hersteller: BOSCH
Artikelnummer: EB-0612309001-1613060005
Netto: 46,22 € zzgl. MwSt.
zzgl. 6,90 € Versand (brutto)
einmalig pro Bestellung

Lieferzeit: 5 Werktage

Pos.
67
BOSCH Sicherungsring DIN 472 52x2MM | Ersatzteile für Gw-Aufbruchhammer | 2916660023
Hersteller: BOSCH
Artikelnummer: EB-0612309001-2916660023
Netto: 6,27 € zzgl. MwSt.
zzgl. 6,90 € Versand (brutto)
einmalig pro Bestellung

Lieferzeit: 5 Werktage

Pos.
68
BOSCH Gummipuffer | Ersatzteile für Gw-Aufbruchhammer | 1613465001
Hersteller: BOSCH
Artikelnummer: EB-0612309001-1613465001
Netto: 6,75 € zzgl. MwSt.
zzgl. 6,90 € Versand (brutto)
einmalig pro Bestellung

Lieferzeit: 5 Werktage

Pos.
69
BOSCH Zwischenplatte | Ersatzteile für Gw-Aufbruchhammer | 1615700042
Hersteller: BOSCH
Artikelnummer: EB-0612309001-1615700042
Netto: 91,88 € zzgl. MwSt.
zzgl. 6,90 € Versand (brutto)
einmalig pro Bestellung

Lieferzeit: 5 Werktage

Pos.
70
BOSCH Handgriff | Ersatzteile für Gw-Aufbruchhammer | 1615132011
Hersteller: BOSCH
Artikelnummer: EB-0612309001-1615132011
Netto: 32,16 € zzgl. MwSt.
zzgl. 6,90 € Versand (brutto)
einmalig pro Bestellung

Lieferzeit: 5 Werktage

Pos.
74
BOSCH Tellerfeder DIN 2093-A25X12,2X1,5 | Ersatzteile für Gw-Aufbruchhammer | 2916160009
Hersteller: BOSCH
Artikelnummer: EB-0612309001-2916160009
Netto: 5,17 € zzgl. MwSt.
zzgl. 6,90 € Versand (brutto)
einmalig pro Bestellung

Lieferzeit: 5 Werktage

Pos.
86
BOSCH Lagerbolzen | Ersatzteile für Gw-Aufbruchhammer | 1610300033
Hersteller: BOSCH
Artikelnummer: EB-0612309001-1610300033
Netto: 16,70 € zzgl. MwSt.
zzgl. 6,90 € Versand (brutto)
einmalig pro Bestellung

Lieferzeit: 5 Werktage

Pos.
37
BOSCH Führungsrohr | Ersatzteile für Gw-Aufbruchhammer | 1615806013
Hersteller: BOSCH
Artikelnummer: EB-0612309001-1615806013
nur Informationsartikel
Nie mehr lieferbar
keine Alternativen
Pos.
87
BOSCH Rillenkugellager 6205 DIN 625 | Ersatzteile für Gw-Aufbruchhammer | 1900900307
Hersteller: BOSCH
Artikelnummer: EB-0612309001-1900900307
Netto: 21,98 € zzgl. MwSt.
zzgl. 6,90 € Versand (brutto)
einmalig pro Bestellung

Lieferzeit: 5 Werktage

Pos.
38
BOSCH Hammerrohr | Ersatzteile für Gw-Aufbruchhammer | 1615806015
Hersteller: BOSCH
Artikelnummer: EB-0612309001-1615806015
nur Informationsartikel
Nie mehr lieferbar
keine Alternativen
Pos.
90
BOSCH Federring DIN 128-A4-FST | Ersatzteile für Gw-Aufbruchhammer | 2916690003
Hersteller: BOSCH
Artikelnummer: EB-0612309001-2916690003
Netto: 3,60 € zzgl. MwSt.
zzgl. 6,90 € Versand (brutto)
einmalig pro Bestellung

Lieferzeit: 5 Werktage

Pos.
39
BOSCH Druckfeder | Ersatzteile für Gw-Aufbruchhammer | 1614623000
Hersteller: BOSCH
Artikelnummer: EB-0612309001-1614623000
nur Informationsartikel
Nie mehr lieferbar
keine Alternativen
Pos.
94
BOSCH Dichtplatte | Ersatzteile für Gw-Aufbruchhammer | 1611015021
Hersteller: BOSCH
Artikelnummer: EB-0612309001-1611015021
Netto: 4,80 € zzgl. MwSt.
zzgl. 6,90 € Versand (brutto)
einmalig pro Bestellung

Lieferzeit: 5 Werktage

Pos.
40
BOSCH Zwischenscheibe | Ersatzteile für Gw-Aufbruchhammer | 1610114009
Hersteller: BOSCH
Artikelnummer: EB-0612309001-1610114009
nur Informationsartikel
Nie mehr lieferbar
keine Alternativen
Pos.
97
BOSCH Sechskantmutter DIN 934-M6-8-A | Ersatzteile für Gw-Aufbruchhammer | 2915011007
Hersteller: BOSCH
Artikelnummer: EB-0612309001-2915011007
Netto: 3,60 € zzgl. MwSt.
zzgl. 6,90 € Versand (brutto)
einmalig pro Bestellung

Lieferzeit: 5 Werktage

Pos.
99
BOSCH Sechskantmutter DIN 985-10-M10x1 | Ersatzteile für Gw-Aufbruchhammer | 3613313500
Hersteller: BOSCH
Artikelnummer: EB-0612309001-3613313500
Netto: 4,80 € zzgl. MwSt.
zzgl. 6,90 € Versand (brutto)
einmalig pro Bestellung

Lieferzeit: 5 Werktage

Pos.
100
BOSCH Gewindestift DIN 417-M8x15-5.8 | Ersatzteile für Gw-Aufbruchhammer | 2912051237
Hersteller: BOSCH
Artikelnummer: EB-0612309001-2912051237
Netto: 3,75 € zzgl. MwSt.
zzgl. 6,90 € Versand (brutto)
einmalig pro Bestellung

Lieferzeit: 5 Werktage

Pos.
42
BOSCH Schlagbolzen | Ersatzteile für Gw-Aufbruchhammer | 1613200002
Hersteller: BOSCH
Artikelnummer: EB-0612309001-1613200002
nur Informationsartikel
Nie mehr lieferbar
keine Alternativen
Pos.
101
BOSCH Flachkopfschraube DIN 85-AM4x8-MS | Ersatzteile für Gw-Aufbruchhammer | 2910110118
Hersteller: BOSCH
Artikelnummer: EB-0612309001-2910110118
Netto: 3,94 € zzgl. MwSt.
zzgl. 6,90 € Versand (brutto)
einmalig pro Bestellung

Lieferzeit: 5 Werktage

Pos.
43
BOSCH Werkzeughalter | Ersatzteile für Gw-Aufbruchhammer | 1618597012
Hersteller: BOSCH
Artikelnummer: EB-0612309001-1618597012
nur Informationsartikel
Nie mehr lieferbar
keine Alternativen
Pos.
102
BOSCH Blechschraube DIN 7971-BZ4,2x13 | Ersatzteile für Gw-Aufbruchhammer | 2910211025
Hersteller: BOSCH
Artikelnummer: EB-0612309001-2910211025
Netto: 3,94 € zzgl. MwSt.
zzgl. 6,90 € Versand (brutto)
einmalig pro Bestellung

Lieferzeit: 5 Werktage

Pos.
103
BOSCH Zylinderschraube DIN 84-AM4x25-5.8 | Ersatzteile für Gw-Aufbruchhammer | 2910011132
Hersteller: BOSCH
Artikelnummer: EB-0612309001-2910011132
Netto: 3,49 € zzgl. MwSt.
zzgl. 6,90 € Versand (brutto)
einmalig pro Bestellung

Lieferzeit: 5 Werktage

Pos.
104
BOSCH Innensechskantschraube DIN 912-M6x20-8.8 | Ersatzteile für Gw-Aufbruchhammer | 2910141201
Hersteller: BOSCH
Artikelnummer: EB-0612309001-2910141201
Netto: 4,56 € zzgl. MwSt.
zzgl. 6,90 € Versand (brutto)
einmalig pro Bestellung

Lieferzeit: 5 Werktage

Pos.
106
BOSCH Innensechskantschraube DIN 912-M6x55-8.8 | Ersatzteile für Gw-Aufbruchhammer | 2910141215
Hersteller: BOSCH
Artikelnummer: EB-0612309001-2910141215
Netto: 5,17 € zzgl. MwSt.
zzgl. 6,90 € Versand (brutto)
einmalig pro Bestellung

Lieferzeit: 5 Werktage

Pos.
107
BOSCH Innensechskantschraube DIN 912-M8x20-8.8 | Ersatzteile für Gw-Aufbruchhammer | 2910141242
Hersteller: BOSCH
Artikelnummer: EB-0612309001-2910141242
Netto: 3,94 € zzgl. MwSt.
zzgl. 6,90 € Versand (brutto)
einmalig pro Bestellung

Lieferzeit: 5 Werktage

Pos.
108
BOSCH Zylinderschraube DIN 84-AM4x15-8.8 | Ersatzteile für Gw-Aufbruchhammer | 2910021125
Hersteller: BOSCH
Artikelnummer: EB-0612309001-2910021125
Netto: 3,60 € zzgl. MwSt.
zzgl. 6,90 € Versand (brutto)
einmalig pro Bestellung

Lieferzeit: 5 Werktage

Pos.
49
BOSCH Verbindungsleitung | Ersatzteile für Gw-Aufbruchhammer | 1614441000
Hersteller: BOSCH
Artikelnummer: EB-0612309001-1614441000
nur Informationsartikel
Nie mehr lieferbar
keine Alternativen
Pos.
109
BOSCH Innensechskantschraube DIN 912-M8x35-8.8 | Ersatzteile für Gw-Aufbruchhammer | 2910141248
Hersteller: BOSCH
Artikelnummer: EB-0612309001-2910141248
Netto: 3,94 € zzgl. MwSt.
zzgl. 6,90 € Versand (brutto)
einmalig pro Bestellung

Lieferzeit: 5 Werktage

Pos.
112
BOSCH Zylinderschraube DIN 84-AM5x12-5.8 | Ersatzteile für Gw-Aufbruchhammer | 2910011154
Hersteller: BOSCH
Artikelnummer: EB-0612309001-2910011154
Netto: 3,60 € zzgl. MwSt.
zzgl. 6,90 € Versand (brutto)
einmalig pro Bestellung

Lieferzeit: 5 Werktage

Pos.
114
BOSCH Halbrundkerbnagel 2x6 DIN 1476-ST | Ersatzteile für Gw-Aufbruchhammer | 2917721034
Hersteller: BOSCH
Artikelnummer: EB-0612309001-2917721034
Netto: 3,60 € zzgl. MwSt.
zzgl. 6,90 € Versand (brutto)
einmalig pro Bestellung

Lieferzeit: 5 Werktage

Pos.
52
BOSCH Lüfterdeckel | Ersatzteile für Gw-Aufbruchhammer | 1615500097
Hersteller: BOSCH
Artikelnummer: EB-0612309001-1615500097
nur Informationsartikel
Nie mehr lieferbar
keine Alternativen
Pos.
118
BOSCH Unterlegscheibe DIN 433-A13-ST 50 | Ersatzteile für Gw-Aufbruchhammer | 2916011019
Hersteller: BOSCH
Artikelnummer: EB-0612309001-2916011019
Netto: 4,33 € zzgl. MwSt.
zzgl. 6,90 € Versand (brutto)
einmalig pro Bestellung

Lieferzeit: 5 Werktage

Pos.
53
BOSCH Abdeckhaube | Ersatzteile für Gw-Aufbruchhammer | 1615500313
Hersteller: BOSCH
Artikelnummer: EB-0612309001-1600A00C0N
Netto: 55,10 € zzgl. MwSt.
zzgl. 6,90 € Versand (brutto)
einmalig pro Bestellung

Lieferzeit: 5 Werktage

Pos.
121
BOSCH Innensechskantschraube DIN 912-M8x25-8.8 | Ersatzteile für Gw-Aufbruchhammer | 2910141244
Hersteller: BOSCH
Artikelnummer: EB-0612309001-2910141244
Netto: 3,94 € zzgl. MwSt.
zzgl. 6,90 € Versand (brutto)
einmalig pro Bestellung

Lieferzeit: 5 Werktage

Pos.
55
BOSCH Netzanschlussleitung | Ersatzteile für Gw-Aufbruchhammer | 1614462043
Hersteller: BOSCH
Artikelnummer: EB-0612309001-1614462043
nur Informationsartikel
Nie mehr lieferbar
keine Alternativen
Pos.
653
BOSCH Winkelschraubendreher DIN 911-SW5 SCHWARZ | Ersatzteile für Gw-Aufbruchhammer | 1907950006
Hersteller: BOSCH
Artikelnummer: EB-0612309001-1907950006
Netto: 5,65 € zzgl. MwSt.
zzgl. 6,90 € Versand (brutto)
einmalig pro Bestellung

Lieferzeit: 5 Werktage

Pos.
57
BOSCH Schalterdeckel | Ersatzteile für Gw-Aufbruchhammer | 1615500095
Hersteller: BOSCH
Artikelnummer: EB-0612309001-1615500095
nur Informationsartikel
Nie mehr lieferbar
keine Alternativen
Pos.
888
BOSCH Typschild 26x52 MM | Ersatzteile für Gw-Aufbruchhammer | 1601106032
Hersteller: BOSCH
Artikelnummer: EB-0612309001-1601106032
nur Informationsartikel
Nie mehr lieferbar
keine Alternativen
Pos.
60
BOSCH Dichtplatte | Ersatzteile für Gw-Aufbruchhammer | 1611031001
Hersteller: BOSCH
Artikelnummer: EB-0612309001-1611031001
nur Informationsartikel
Nie mehr lieferbar
keine Alternativen
Pos.
61
BOSCH Befestigungsplatte | Ersatzteile für Gw-Aufbruchhammer | 1610147008
Hersteller: BOSCH
Artikelnummer: EB-0612309001-1610147008
nur Informationsartikel
Nie mehr lieferbar
keine Alternativen
Pos.
75
BOSCH Druckfeder | Ersatzteile für Gw-Aufbruchhammer | 1614640000
Hersteller: BOSCH
Artikelnummer: EB-0612309001-1614640000
nur Informationsartikel
Nie mehr lieferbar
keine Alternativen
Pos.
76
BOSCH Befestigungsplatte | Ersatzteile für Gw-Aufbruchhammer | 1611034013
Hersteller: BOSCH
Artikelnummer: EB-0612309001-1611034013
nur Informationsartikel
Nie mehr lieferbar
keine Alternativen
Pos.
77
BOSCH Firmenschild | Ersatzteile für Gw-Aufbruchhammer | 1610032000
Hersteller: BOSCH
Artikelnummer: EB-0612309001-1610032000
nur Informationsartikel
Nie mehr lieferbar
keine Alternativen
Pos.
78
BOSCH Schmierkopf | Ersatzteile für Gw-Aufbruchhammer | 1617401000
Hersteller: BOSCH
Artikelnummer: EB-0612309001-1617401000
nur Informationsartikel
Nie mehr lieferbar
keine Alternativen
Pos.
88
BOSCH Radial-Wellendichtring | Ersatzteile für ROAD BREAKER | 1610283004
Hersteller: BOSCH
Artikelnummer: EB-0612309001-1610283004
Netto: 4,69 € zzgl. MwSt.
zzgl. 6,90 € Versand (brutto)
einmalig pro Bestellung

Lieferzeit: 5 Werktage

Pos.
89
BOSCH Unterlegscheibe DIN 46 255-DPG 9 | Ersatzteile für Gw-Aufbruchhammer | 2916010409
Hersteller: BOSCH
Artikelnummer: EB-0612309001-2916010409
nur Informationsartikel
Nie mehr lieferbar
keine Alternativen
Pos.
91
BOSCH Federring M6 | Ersatzteile für Gw-Aufbruchhammer | 2916690005
Hersteller: BOSCH
Artikelnummer: EB-0612309001-2916690005
nur Informationsartikel
Nie mehr lieferbar
keine Alternativen
Pos.
95
BOSCH Federring | Ersatzteile für Gw-Aufbruchhammer | 2916680015
Hersteller: BOSCH
Artikelnummer: EB-0612309001-2916680015
nur Informationsartikel
Nie mehr lieferbar
keine Alternativen
Pos.
96
BOSCH Sechskantmutter | Ersatzteile für Gw-Aufbruchhammer | 1613302000
Hersteller: BOSCH
Artikelnummer: EB-0612309001-1613302000
nur Informationsartikel
Nie mehr lieferbar
keine Alternativen
Pos.
98
BOSCH Sechskantmutter | Ersatzteile für Gw-Aufbruchhammer | 1613300005
Hersteller: BOSCH
Artikelnummer: EB-0612309001-1613300005
nur Informationsartikel
Nie mehr lieferbar
keine Alternativen
Pos.
105
BOSCH Innensechskantschraube DIN 912-M 6x30-8.8 | Ersatzteile für Gw-Aufbruchhammer | 2910142205
Hersteller: BOSCH
Artikelnummer: EB-0612309001-2910142205
nur Informationsartikel
Nie mehr lieferbar
keine Alternativen
Pos.
110
BOSCH Innensechskantschraube DIN 912-M 12x40-8.8 | Ersatzteile für Gw-Aufbruchhammer | 2910141346
Hersteller: BOSCH
Artikelnummer: EB-0612309001-2910141346
nur Informationsartikel
Nie mehr lieferbar
keine Alternativen
Pos.
111
BOSCH Stiftschraube | Ersatzteile für Gw-Aufbruchhammer | 2613502002
Hersteller: BOSCH
Artikelnummer: EB-0612309001-2613502002
nur Informationsartikel
Nie mehr lieferbar
keine Alternativen
Pos.
116
BOSCH Zylinderstift | Ersatzteile für Gw-Aufbruchhammer | 1613100005
Hersteller: BOSCH
Artikelnummer: EB-0612309001-1613100005
nur Informationsartikel
Nie mehr lieferbar
keine Alternativen
Pos.
651
BOSCH Winkelschraubendreher DIN 911 SW10 | Ersatzteile für Gw-Aufbruchhammer | 1907950009
Hersteller: BOSCH
Artikelnummer: EB-0612309001-1907950009
Netto: 18,86 € zzgl. MwSt.
zzgl. 6,90 € Versand (brutto)
einmalig pro Bestellung

Lieferzeit: 5 Werktage

Pos.
652
BOSCH Fettpresse | Ersatzteile für ROAD BREAKER | 1615437500
Hersteller: BOSCH
Artikelnummer: EB-0612309001-1615437500
Nie mehr lieferbar
keine Alternativen
Pos.
653
BOSCH Innensechskantschlüssel 5 MM | Ersatzteile für ROAD BREAKER | 2610364015
Hersteller: BOSCH
Artikelnummer: EB-0612309001-2610364015
Netto: 5,17 € zzgl. MwSt.
zzgl. 6,90 € Versand (brutto)
einmalig pro Bestellung

Lieferzeit: 5 Werktage

Pos.
700
BOSCH Spitzmeissel 400 MM | Ersatzteile für ROAD BREAKER | 1618660000
Hersteller: BOSCH
Artikelnummer: EB-0612309001-1618660000
Netto: 58,10 € zzgl. MwSt.
zzgl. 6,90 € Versand (brutto)
einmalig pro Bestellung

Lieferzeit: 5 Werktage

Pos.
701
BOSCH Breitmeissel 400 MM X 80 MM | Ersatzteile für ROAD BREAKER | 1618661000
Hersteller: BOSCH
Artikelnummer: EB-0612309001-1618661000
Netto: 129,38 € zzgl. MwSt.
zzgl. 6,90 € Versand (brutto)
einmalig pro Bestellung

Lieferzeit: 5 Werktage

Pos.
801
BOSCH Kolbengruppe | Ersatzteile für Gw-Aufbruchhammer | 1617031006
Hersteller: BOSCH
Artikelnummer: EB-0612309001-1617031006
nur Informationsartikel
Nie mehr lieferbar
keine Alternativen
Pos.
888
BOSCH Typschild | Ersatzteile für ROAD BREAKER | 160111A3H3
Hersteller: BOSCH
Artikelnummer: EB-0612309001-160111A3H3
Netto: 4,56 € zzgl. MwSt.
zzgl. 6,90 € Versand (brutto)
einmalig pro Bestellung

Lieferzeit: 5 Werktage

Angaben zur Produktsicherheit

Hersteller:
Robert Bosch Power Tools GmbH
Postfach 30 02 20
70442 Stuttgart

E-Mail:
kontakt@bosch.de