BOSCH Innensechskantschraube DIN 912-M 4x12-8.8 | Ersatzteile für Gw-Handhobel | 2910141122

Artikelnummer: EB-0601590032-2910141122

Position: 130

Marke: BOSCH


Bitte Kompatibilität prüfen!

Bitte prüfen Sie unbedingt die 10-stellige Typennummer Ihrer Maschine / Ihres Gerätes. Das Ersatzteil ist nur kompatibel, wenn Sie die Typennummer Ihrer Maschine in der unten stehenden Produktbeschreibung finden.

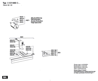
Bitte prüfen Sie ebenfalls detailliert die Explosionszeichnung mit Ihrem Artikelwunsch und der jeweiligen Pos-Nummer.

Alle Elemente, welche vom schwarzen Strich der Pos-Nummer ausgehend berührt / erfasst werden, gehören zu dieser Pos-Nummer und somit zu diesem Artikel. Jede Pos-Nummer ist ein eigenständiger Artikel, welchen Sie in der Auflistung finden.

Sie erhalten stets die aktuellste, neueste Produktversion zu der gewählten Pos-Nummer seitens des Herstellers. Es kann daher je nach Gerätealter vorkommen, dass Sie ggf. weitere, zugehörige Elemente, welche an diese Pos-Nummer grenzen, ebenfalls mittauschen müssen.

Nähere Informationen finden Sie unter dem Link
Hinweise zu Ihrer BOSCH Ersatzteilsuche

Preisübersicht

Einzelpreis: 4,32 €* (Brutto: 5,14 €)
Gesamtpreis: 4,32 €* 
Position:

Lieferzeit: 5 Werktage


Beschreibung

  • Innensechskantschraube DIN 912-M 4x12-8.8
  • Original Bosch Zubehör / BOSCH Ersatzteil (2910141122)
  • im Gerät verbaut: 1
Dieses BOSCH Ersatzteil ist mit folgendem Gerät und Modell kompatibel:
  • BOSCH Gerätename: Gw-Handhobel
  • BOSCH Explosionszeichnung: Position 130
  • BOSCH Typennummer: 0601590032
  • BOSCH Typennummer alternative Schreibweisen: 0 601 590 032, 0601 590 032, 0.601.590.032, 0-601-590-032
    Bitte prüfen Sie diese Typennummer auf Ihrem Gerät um die Kompatibilität des BOSCH Ersatzteils zu gewährleisten.
Weitere BOSCH Ersatzteile des Gerätes Gw-Handhobel mit der Typennummer 0601590032 finden Sie in der nachfolgenden Darstellung und im Dropdown zu Ihrer Auswahl:

Pos.
1
BOSCH Motorgehäuse | Ersatzteile für Gw-Handhobel | 1609251023
Hersteller: BOSCH
Artikelnummer: EB-0601590032-1609251023
nur Informationsartikel
Nie mehr lieferbar
keine Alternativen
Pos.
3/20
BOSCH Rillenkugellager 7x22x7 | Ersatzteile für Gw-Handhobel | 1610900025
Hersteller: BOSCH
Artikelnummer: EB-0601590032-1610900025
Netto: 11,92 € zzgl. MwSt.
zzgl. 6,90 € Versand (brutto)
einmalig pro Bestellung

Lieferzeit: 5 Werktage

Pos.
38/1
BOSCH Zylinderschraube DIN 84-BM6x40-8.8 | Ersatzteile für Gw-Handhobel | 2910021209
Hersteller: BOSCH
Artikelnummer: EB-0601590032-2910021209
nur Informationsartikel
Nie mehr lieferbar
keine Alternativen
Pos.
38/2
BOSCH Federscheibe DIN 137-A 6-ST | Ersatzteile für Gw-Handhobel | 2916060007
Hersteller: BOSCH
Artikelnummer: EB-0601590032-2916060007
nur Informationsartikel
Nie mehr lieferbar
keine Alternativen
Pos.
38/3
BOSCH Gummiring G 9x13x3 MM | Ersatzteile für Gw-Handhobel | 1609200056
Hersteller: BOSCH
Artikelnummer: EB-0601590032-1609200056
nur Informationsartikel
Nie mehr lieferbar
keine Alternativen
Pos.
45/1
BOSCH Nadelhülse | Ersatzteile für Gw-Handhobel | 1609209006
Hersteller: BOSCH
Artikelnummer: EB-0601590032-1609209006
nur Informationsartikel
Nie mehr lieferbar
keine Alternativen
Pos.
45/2
BOSCH Dichtring | Ersatzteile für Gw-Handhobel | 1609202009
Hersteller: BOSCH
Artikelnummer: EB-0601590032-1609202009
nur Informationsartikel
Nie mehr lieferbar
keine Alternativen
Pos.
49/1
BOSCH Innensechskantschraube | Ersatzteile für Gw-Handhobel | 1609201086
Hersteller: BOSCH
Artikelnummer: EB-0601590032-1609201086
nur Informationsartikel
Nie mehr lieferbar
keine Alternativen
Pos.
49/2
BOSCH Unterlegscheibe DIN 126-9-A2 | Ersatzteile für Gw-Handhobel | 2918660004
Hersteller: BOSCH
Artikelnummer: EB-0601590032-2918660004
nur Informationsartikel
Nie mehr lieferbar
keine Alternativen
Pos.
49/3
BOSCH Hobelmesser | Ersatzteile für Gw-Handhobel | 1609200978
Hersteller: BOSCH
Artikelnummer: EB-0601590032-1609200978
nur Informationsartikel
Nie mehr lieferbar
keine Alternativen
Pos.
49/4
BOSCH Aufnahmeleiste | Ersatzteile für Gw-Handhobel | 1609201129
Hersteller: BOSCH
Artikelnummer: EB-0601590032-1609201129
nur Informationsartikel
Nie mehr lieferbar
keine Alternativen
Pos.
650/34
BOSCH Unterlegscheibe DIN 125-A 6,4-ST | Ersatzteile für Gw-Handhobel | 2916011014
Hersteller: BOSCH
Artikelnummer: EB-0601590032-2916011014
Netto: 3,63 € zzgl. MwSt.
zzgl. 6,90 € Versand (brutto)
einmalig pro Bestellung

Lieferzeit: 5 Werktage

Pos.
650/5
BOSCH Zwischenstück | Ersatzteile für Gw-Handhobel | 1609280032
Hersteller: BOSCH
Artikelnummer: EB-0601590032-1609280032
nur Informationsartikel
Nie mehr lieferbar
keine Alternativen
Pos.
650/6
BOSCH Anschlagträger | Ersatzteile für Gw-Handhobel | 1609280036
Hersteller: BOSCH
Artikelnummer: EB-0601590032-1609280036
nur Informationsartikel
Nie mehr lieferbar
keine Alternativen
Pos.
650/8
BOSCH Flügelmutter M6 | Ersatzteile für Gw-Handhobel | 1609233000
Hersteller: BOSCH
Artikelnummer: EB-0601590032-1609233000
nur Informationsartikel
Nie mehr lieferbar
keine Alternativen
Pos.
650/9
BOSCH Stiftschraube BM 6x25 DIN 835-5.8 | Ersatzteile für Gw-Handhobel | 2912111203
Hersteller: BOSCH
Artikelnummer: EB-0601590032-2912111203
nur Informationsartikel
Nie mehr lieferbar
keine Alternativen
Pos.
651/10
BOSCH Tiefenanschlag | Ersatzteile für Gw-Handhobel | 1609280030
Hersteller: BOSCH
Artikelnummer: EB-0601590032-1609280030
nur Informationsartikel
Nie mehr lieferbar
keine Alternativen
Pos.
651/11
BOSCH Flügelschraube | Ersatzteile für Gw-Handhobel | 1609234017
Hersteller: BOSCH
Artikelnummer: EB-0601590032-1609234017
nur Informationsartikel
Nie mehr lieferbar
keine Alternativen
Pos.
2
BOSCH Polschuh 220V | Ersatzteile für Gw-Handhobel | 1609242028
Hersteller: BOSCH
Artikelnummer: EB-0601590032-1609242028
nur Informationsartikel
Nie mehr lieferbar
keine Alternativen
Pos.
3
BOSCH Anker 220V | Ersatzteile für Gw-Handhobel | 1609240028
Hersteller: BOSCH
Artikelnummer: EB-0601590032-1609240028
nur Informationsartikel
Nie mehr lieferbar
keine Alternativen
Pos.
4
BOSCH Flanschlager | Ersatzteile für Gw-Handhobel | 1609258007
Hersteller: BOSCH
Artikelnummer: EB-0601590032-1609258007
nur Informationsartikel
Nie mehr lieferbar
keine Alternativen
Pos.
5
BOSCH Schutzhaube | Ersatzteile für Gw-Handhobel | 1609255024
Hersteller: BOSCH
Artikelnummer: EB-0601590032-1609255024
nur Informationsartikel
Nie mehr lieferbar
keine Alternativen
Pos.
6
BOSCH Kohlebürste | Ersatzteile für DUMMY | 1609243000
Hersteller: BOSCH
Artikelnummer: EB-0601590032-1609243000
Netto: 15,18 € zzgl. MwSt.
zzgl. 6,90 € Versand (brutto)
einmalig pro Bestellung

Lieferzeit: 5 Werktage

Pos.
7
BOSCH Tülle Ø9x90 MM | Ersatzteile für Gw-Handhobel | 1609207001
Hersteller: BOSCH
Artikelnummer: EB-0601590032-1609207001
nur Informationsartikel
Nie mehr lieferbar
keine Alternativen
Pos.
8
BOSCH Ein/Aus-Schalter | Ersatzteile für Gw-Handhobel | 1609272003
Hersteller: BOSCH
Artikelnummer: EB-0601590032-1609272003
nur Informationsartikel
Nie mehr lieferbar
keine Alternativen
Pos.
9
BOSCH Befestigungsschelle | Ersatzteile für Gw-Handhobel | 1609213000
Hersteller: BOSCH
Artikelnummer: EB-0601590032-1609213000
nur Informationsartikel
Nie mehr lieferbar
keine Alternativen
Pos.
10
BOSCH Entstörkondensator | Ersatzteile für Gw-Handhobel | 1609200750
Hersteller: BOSCH
Artikelnummer: EB-0601590032-1609200750
nur Informationsartikel
Nie mehr lieferbar
keine Alternativen
Pos.
13
BOSCH Netzanschlussleitung CH 230V 4,15m 2 x 1,0mm H05 RN-F | Ersatzteile für Gw-Handhobel | 1604460403
Hersteller: BOSCH
Artikelnummer: EB-0601590032-1604460403
Netto: 14,36 € zzgl. MwSt.
zzgl. 6,90 € Versand (brutto)
einmalig pro Bestellung

Lieferzeit: 5 Werktage

Pos.
15
BOSCH Griffschale | Ersatzteile für Gw-Handhobel | 1609251024
Hersteller: BOSCH
Artikelnummer: EB-0601590032-1609251024
nur Informationsartikel
Nie mehr lieferbar
keine Alternativen
Pos.
16
BOSCH Schutzhaube | Ersatzteile für Gw-Handhobel | 1609255025
Hersteller: BOSCH
Artikelnummer: EB-0601590032-1609255025
nur Informationsartikel
Nie mehr lieferbar
keine Alternativen
Pos.
17
BOSCH Grundplatte | Ersatzteile für Gw-Handhobel | 1609280034
Hersteller: BOSCH
Artikelnummer: EB-0601590032-1609280034
nur Informationsartikel
Nie mehr lieferbar
keine Alternativen
Pos.
18
BOSCH Teilesatz | Ersatzteile für Gw-Handhobel | 1609202401
Hersteller: BOSCH
Artikelnummer: EB-0601590032-1609202401
nur Informationsartikel
Nie mehr lieferbar
keine Alternativen
Pos.
19
BOSCH Blattfeder | Ersatzteile für Gw-Handhobel | 1609213008
Hersteller: BOSCH
Artikelnummer: EB-0601590032-1609213008
nur Informationsartikel
Nie mehr lieferbar
keine Alternativen
Pos.
20
BOSCH Gleitblech | Ersatzteile für Gw-Handhobel | 1609210010
Hersteller: BOSCH
Artikelnummer: EB-0601590032-1609210010
nur Informationsartikel
Nie mehr lieferbar
keine Alternativen
Pos.
21
BOSCH Gleitstein | Ersatzteile für Gw-Handhobel | 1609223009
Hersteller: BOSCH
Artikelnummer: EB-0601590032-1609223009
nur Informationsartikel
Nie mehr lieferbar
keine Alternativen
Pos.
22
BOSCH Skalenplatte | Ersatzteile für Gw-Handhobel | 1609255019
Hersteller: BOSCH
Artikelnummer: EB-0601590032-1609255019
nur Informationsartikel
Nie mehr lieferbar
keine Alternativen
Pos.
23
BOSCH Rastenscheibe | Ersatzteile für Gw-Handhobel | 1609264000
Hersteller: BOSCH
Artikelnummer: EB-0601590032-1609264000
nur Informationsartikel
Nie mehr lieferbar
keine Alternativen
Pos.
24
BOSCH Rastenfeder | Ersatzteile für Gw-Handhobel | 1609201013
Hersteller: BOSCH
Artikelnummer: EB-0601590032-1609201013
nur Informationsartikel
Nie mehr lieferbar
keine Alternativen
Pos.
25
BOSCH Zeigerscheibe | Ersatzteile für Gw-Handhobel | 1609255022
Hersteller: BOSCH
Artikelnummer: EB-0601590032-1609255022
nur Informationsartikel
Nie mehr lieferbar
keine Alternativen
Pos.
26
BOSCH Handgriff | Ersatzteile für Gw-Handhobel | 1609232003
Hersteller: BOSCH
Artikelnummer: EB-0601590032-1609232003
nur Informationsartikel
Nie mehr lieferbar
keine Alternativen
Pos.
27
BOSCH Verschlusskappe | Ersatzteile für Gw-Handhobel | 1609255021
Hersteller: BOSCH
Artikelnummer: EB-0601590032-1609255021
nur Informationsartikel
Nie mehr lieferbar
keine Alternativen
Pos.
29
BOSCH Führungsleiste | Ersatzteile für Gw-Handhobel | 1609223011
Hersteller: BOSCH
Artikelnummer: EB-0601590032-1609223011
nur Informationsartikel
Nie mehr lieferbar
keine Alternativen
Pos.
30
BOSCH Unterlegscheibe Ø6,4xØ16x2 MM | Ersatzteile für Gw-Handhobel | 1609201082
Hersteller: BOSCH
Artikelnummer: EB-0601590032-1609201082
nur Informationsartikel
Nie mehr lieferbar
keine Alternativen
Pos.
31
BOSCH Sicherungsbügel DIN 472-32x1,2 MM | Ersatzteile für Gw-Handhobel | 2916660013
Hersteller: BOSCH
Artikelnummer: EB-0601590032-2916660013
Netto: 4,32 € zzgl. MwSt.
zzgl. 6,90 € Versand (brutto)
einmalig pro Bestellung

Lieferzeit: 5 Werktage

Pos.
32
BOSCH Rillenkugellager 12x32x10 | Ersatzteile für Gw-Handhobel | 1900905231
Hersteller: BOSCH
Artikelnummer: EB-0601590032-1900905231
nur Informationsartikel
Nie mehr lieferbar
keine Alternativen
Pos.
33
BOSCH Distanzscheibe DIN 988-25x35x1 | Ersatzteile für Gw-Handhobel | 2916190173
Hersteller: BOSCH
Artikelnummer: EB-0601590032-2916190173
nur Informationsartikel
Nie mehr lieferbar
keine Alternativen
Pos.
34
BOSCH Sicherungsring DIN 471 25x1,2 | Ersatzteile für Gw-Handhobel | 2916650014
Hersteller: BOSCH
Artikelnummer: EB-0601590032-2916650014
Netto: 3,94 € zzgl. MwSt.
zzgl. 6,90 € Versand (brutto)
einmalig pro Bestellung

Lieferzeit: 5 Werktage

Pos.
35
BOSCH Passscheibe DIN 988-17x24x1,5 | Ersatzteile für Gw-Handhobel | 2916190116
Hersteller: BOSCH
Artikelnummer: EB-0601590032-2916190116
nur Informationsartikel
Nie mehr lieferbar
keine Alternativen
Pos.
36
BOSCH Verstellschieber | Ersatzteile für Gw-Handhobel | 1609280035
Hersteller: BOSCH
Artikelnummer: EB-0601590032-1609280035
nur Informationsartikel
Nie mehr lieferbar
keine Alternativen
Pos.
37
BOSCH Spanabweiser | Ersatzteile für Gw-Handhobel | 1609223008
Hersteller: BOSCH
Artikelnummer: EB-0601590032-1609223008
nur Informationsartikel
Nie mehr lieferbar
keine Alternativen
Pos.
38
BOSCH Getriebedeckel | Ersatzteile für Gw-Handhobel | 1609255020
Hersteller: BOSCH
Artikelnummer: EB-0601590032-1609255020
nur Informationsartikel
Nie mehr lieferbar
keine Alternativen
Pos.
39
BOSCH Zahnriemen Z=65 | Ersatzteile für Gw-Handhobel | 1609247005
Hersteller: BOSCH
Artikelnummer: EB-0601590032-1609247005
nur Informationsartikel
Nie mehr lieferbar
keine Alternativen
Pos.
40
BOSCH Passscheibe DIN 988-17x24x0,5 | Ersatzteile für Gw-Handhobel | 2916190114
Hersteller: BOSCH
Artikelnummer: EB-0601590032-2916190114
nur Informationsartikel
Nie mehr lieferbar
keine Alternativen
Pos.
41
BOSCH Leitscheibe | Ersatzteile für Gw-Handhobel | 1609205007
Hersteller: BOSCH
Artikelnummer: EB-0601590032-1609205007
nur Informationsartikel
Nie mehr lieferbar
keine Alternativen
Pos.
42
BOSCH Riemenscheibe Z=16 | Ersatzteile für Gw-Handhobel | 1609266005
Hersteller: BOSCH
Artikelnummer: EB-0601590032-1609266005
nur Informationsartikel
Nie mehr lieferbar
keine Alternativen
Pos.
44
BOSCH Riemenscheibe Z=31 | Ersatzteile für Gw-Handhobel | 1609266006
Hersteller: BOSCH
Artikelnummer: EB-0601590032-1609266006
nur Informationsartikel
Nie mehr lieferbar
keine Alternativen
Pos.
45
BOSCH Lagerdeckel | Ersatzteile für Gw-Handhobel | 1609258006
Hersteller: BOSCH
Artikelnummer: EB-0601590032-1609258006
nur Informationsartikel
Nie mehr lieferbar
keine Alternativen
Pos.
46
BOSCH Schutzkappe | Ersatzteile für Gw-Handhobel | 1609213009
Hersteller: BOSCH
Artikelnummer: EB-0601590032-1609213009
nur Informationsartikel
Nie mehr lieferbar
keine Alternativen
Pos.
47
BOSCH Zylinderstift | Ersatzteile für Gw-Handhobel | 1609231006
Hersteller: BOSCH
Artikelnummer: EB-0601590032-1609231006
nur Informationsartikel
Nie mehr lieferbar
keine Alternativen
Pos.
49
BOSCH Messerkopf | Ersatzteile für Gw-Handhobel | 1609201120
Hersteller: BOSCH
Artikelnummer: EB-0601590032-1609201120
nur Informationsartikel
Nie mehr lieferbar
keine Alternativen
Pos.
50
BOSCH Firmenschild SCHATTENSEITE | Ersatzteile für Gw-Handhobel | 1601110481
Hersteller: BOSCH
Artikelnummer: EB-0601590032-1601110481
Netto: 4,32 € zzgl. MwSt.
zzgl. 6,90 € Versand (brutto)
einmalig pro Bestellung

Lieferzeit: 5 Werktage

Pos.
62
BOSCH Hinweisschild DOPPELT ISOLIERT | Ersatzteile für Gw-Handhobel | 1601110058
Hersteller: BOSCH
Artikelnummer: EB-0601590032-1601110058
Netto: 3,94 € zzgl. MwSt.
zzgl. 6,90 € Versand (brutto)
einmalig pro Bestellung

Lieferzeit: 5 Werktage

Pos.
113
BOSCH Zylinderschraube DIN 84-B 4x60-5.8 | Ersatzteile für Gw-Handhobel | 2910011146
Hersteller: BOSCH
Artikelnummer: EB-0601590032-2910011146
nur Informationsartikel
Nie mehr lieferbar
keine Alternativen
Pos.
114
BOSCH Federscheibe | Ersatzteile für Gw-Handhobel | 2916006000
Hersteller: BOSCH
Artikelnummer: EB-0601590032-2916006000
nur Informationsartikel
Nie mehr lieferbar
keine Alternativen
Pos.
115
BOSCH Sechskantmutter DIN 934 -M4-m-8 | Ersatzteile für Gw-Handhobel | 2915011005
Hersteller: BOSCH
Artikelnummer: EB-0601590032-2915011005
Netto: 3,63 € zzgl. MwSt.
zzgl. 6,90 € Versand (brutto)
einmalig pro Bestellung

Lieferzeit: 5 Werktage

Pos.
116
BOSCH Zylinderschraube | Ersatzteile für Gw-Handhobel | 1609234001
Hersteller: BOSCH
Artikelnummer: EB-0601590032-1609234001
nur Informationsartikel
Nie mehr lieferbar
keine Alternativen
Pos.
117
BOSCH Sechskantmutter DIN 934-M 5-m-8 | Ersatzteile für Gw-Handhobel | 2915011006
Hersteller: BOSCH
Artikelnummer: EB-0601590032-2915011006
nur Informationsartikel
Nie mehr lieferbar
keine Alternativen
Pos.
118
BOSCH Federscheibe DIN 137-A5-FST | Ersatzteile für Gw-Handhobel | 2916060006
Hersteller: BOSCH
Artikelnummer: EB-0601590032-2916060006
nur Informationsartikel
Nie mehr lieferbar
keine Alternativen
Pos.
119
BOSCH Innensechskantschraube DIN 912-M 5x35-8.8 | Ersatzteile für Gw-Handhobel | 2910141168
Hersteller: BOSCH
Artikelnummer: EB-0601590032-2910141168
Netto: 4,80 € zzgl. MwSt.
zzgl. 6,90 € Versand (brutto)
einmalig pro Bestellung

Lieferzeit: 5 Werktage

Pos.
120
BOSCH Blechschraube DIN 7971-B 3,9x19 | Ersatzteile für Gw-Handhobel | 2910211220
Hersteller: BOSCH
Artikelnummer: EB-0601590032-2910211220
nur Informationsartikel
Nie mehr lieferbar
keine Alternativen
Pos.
121
BOSCH Blechschraube DIN 7971-ST3,9x13-F | Ersatzteile für Gw-Handhobel | 2910211018
Hersteller: BOSCH
Artikelnummer: EB-0601590032-2910211018
Netto: 3,63 € zzgl. MwSt.
zzgl. 6,90 € Versand (brutto)
einmalig pro Bestellung

Lieferzeit: 5 Werktage

Pos.
122
BOSCH Unterlegscheibe DIN 125-A4,3-ST | Ersatzteile für Gw-Handhobel | 2916011010
Hersteller: BOSCH
Artikelnummer: EB-0601590032-2916011010
nur Informationsartikel
Nie mehr lieferbar
keine Alternativen
Pos.
123
BOSCH Senkschraube DIN 63-BM4x30-5.8 | Ersatzteile für Gw-Handhobel | 2910501134
Hersteller: BOSCH
Artikelnummer: EB-0601590032-2910501134
nur Informationsartikel
Nie mehr lieferbar
keine Alternativen
Pos.
124
BOSCH Zylinderschraube DIN 84-AM4x10-8.8 | Ersatzteile für Gw-Handhobel | 2910021120
Hersteller: BOSCH
Artikelnummer: EB-0601590032-2910021120
Netto: 3,63 € zzgl. MwSt.
zzgl. 6,90 € Versand (brutto)
einmalig pro Bestellung

Lieferzeit: 5 Werktage

Pos.
125
BOSCH Senkschraube DIN 63-AM 4x15-5.8 | Ersatzteile für Gw-Handhobel | 2910501125
Hersteller: BOSCH
Artikelnummer: EB-0601590032-2910501125
nur Informationsartikel
Nie mehr lieferbar
keine Alternativen
Pos.
126
BOSCH Zylinderschraube DIN 84-AM6x15-8.8 | Ersatzteile für Gw-Handhobel | 2910021196
Hersteller: BOSCH
Artikelnummer: EB-0601590032-2910021196
nur Informationsartikel
Nie mehr lieferbar
keine Alternativen
Pos.
127
BOSCH Blechschraube B 4,8x45 DIN 7981 | Ersatzteile für Gw-Handhobel | 2910611039
Hersteller: BOSCH
Artikelnummer: EB-0601590032-2910611039
nur Informationsartikel
Nie mehr lieferbar
keine Alternativen
Pos.
129
BOSCH Innensechskantschraube M 5x16 MM LINKSGEWINDE | Ersatzteile für Gw-Handhobel | 1609234023
Hersteller: BOSCH
Artikelnummer: EB-0601590032-1609234023
nur Informationsartikel
Nie mehr lieferbar
keine Alternativen
Pos.
130
BOSCH Innensechskantschraube DIN 912-M 4x12-8.8 | Ersatzteile für Gw-Handhobel | 2910141122
Hersteller: BOSCH
Artikelnummer: EB-0601590032-2910141122
Netto: 4,32 € zzgl. MwSt.
zzgl. 6,90 € Versand (brutto)
einmalig pro Bestellung

Lieferzeit: 5 Werktage

Pos.
137
BOSCH Senkschraube BM 4x40 DIN 63-5.8 | Ersatzteile für Gw-Handhobel | 2910501138
Hersteller: BOSCH
Artikelnummer: EB-0601590032-2910501138
nur Informationsartikel
Nie mehr lieferbar
keine Alternativen
Pos.
138
BOSCH Schraube DIN 7982-ST4,8x19 | Ersatzteile für Gw-Handhobel | 2910611034
Hersteller: BOSCH
Artikelnummer: EB-0601590032-2910611034
nur Informationsartikel
Nie mehr lieferbar
keine Alternativen
Pos.
141
BOSCH Schenkelfeder | Ersatzteile für Gw-Handhobel | 1609246015
Hersteller: BOSCH
Artikelnummer: EB-0601590032-1609246015
nur Informationsartikel
Nie mehr lieferbar
keine Alternativen
Pos.
142
BOSCH Innensechskantschraube DIN 912-M5X16-8.8 | Ersatzteile für Gw-Handhobel | 2910141158
Hersteller: BOSCH
Artikelnummer: EB-0601590032-2910141158
Netto: 3,63 € zzgl. MwSt.
zzgl. 6,90 € Versand (brutto)
einmalig pro Bestellung

Lieferzeit: 5 Werktage

Pos.
650
BOSCH Breitenanschlag | Ersatzteile für Gw-Handhobel | 1609280038
Hersteller: BOSCH
Artikelnummer: EB-0601590032-1609280038
nur Informationsartikel
Nie mehr lieferbar
keine Alternativen
Pos.
651
BOSCH Anschlag | Ersatzteile für Gw-Handhobel | 1609280039
Hersteller: BOSCH
Artikelnummer: EB-0601590032-1609280039
nur Informationsartikel
Nie mehr lieferbar
keine Alternativen
Pos.
652
BOSCH Schraubendreher SW5 | Ersatzteile für Gw-Handhobel | 1609201069
Hersteller: BOSCH
Artikelnummer: EB-0601590032-1609201069
nur Informationsartikel
Nie mehr lieferbar
keine Alternativen
Pos.
888
BOSCH Typschild | Ersatzteile für DUMMY | 160111A3H3
Hersteller: BOSCH
Artikelnummer: EB-0601590032-160111A3H3
Netto: 4,53 € zzgl. MwSt.
zzgl. 6,90 € Versand (brutto)
einmalig pro Bestellung

Lieferzeit: 5 Werktage

Angaben zur Produktsicherheit

Hersteller:
Robert Bosch Power Tools GmbH
Postfach 30 02 20
70442 Stuttgart

E-Mail:
kontakt@bosch.de