BOSCH Zylinderschraube DIN 84-BM6x70-5.8 | Ersatzteile für Gw-Oberfräse | 2910011219

Artikelnummer: EB-0601606034-2910011219

Position: 40

Marke: BOSCH


Bitte Kompatibilität prüfen!

Bitte prüfen Sie unbedingt die 10-stellige Typennummer Ihrer Maschine / Ihres Gerätes. Das Ersatzteil ist nur kompatibel, wenn Sie die Typennummer Ihrer Maschine in der unten stehenden Produktbeschreibung finden.

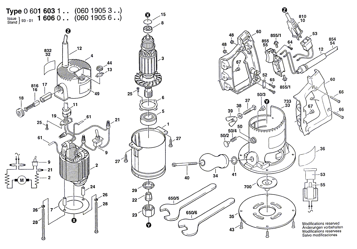
Bitte prüfen Sie ebenfalls detailliert die Explosionszeichnung mit Ihrem Artikelwunsch und der jeweiligen Pos-Nummer.

Alle Elemente, welche vom schwarzen Strich der Pos-Nummer ausgehend berührt / erfasst werden, gehören zu dieser Pos-Nummer und somit zu diesem Artikel. Jede Pos-Nummer ist ein eigenständiger Artikel, welchen Sie in der Auflistung finden.

Sie erhalten stets die aktuellste, neueste Produktversion zu der gewählten Pos-Nummer seitens des Herstellers. Es kann daher je nach Gerätealter vorkommen, dass Sie ggf. weitere, zugehörige Elemente, welche an diese Pos-Nummer grenzen, ebenfalls mittauschen müssen.

Nähere Informationen finden Sie unter dem Link
Hinweise zu Ihrer BOSCH Ersatzteilsuche

Preisübersicht

Einzelpreis: 3,94 €* (Brutto: 4,69 €)
Gesamtpreis: 3,94 €* 
Position:

Lieferzeit: 5 Werktage


Beschreibung

  • Zylinderschraube DIN 84-BM6x70-5.8
  • Original Bosch Zubehör / BOSCH Ersatzteil (2910011219)
  • im Gerät verbaut: 1
Dieses BOSCH Ersatzteil ist mit folgendem Gerät und Modell kompatibel:
  • BOSCH Gerätename: Gw-Oberfräse
  • BOSCH Explosionszeichnung: Position 40
  • BOSCH Typennummer: 0601606034
  • BOSCH Typennummer alternative Schreibweisen: 0 601 606 034, 0601 606 034, 0.601.606.034, 0-601-606-034
    Bitte prüfen Sie diese Typennummer auf Ihrem Gerät um die Kompatibilität des BOSCH Ersatzteils zu gewährleisten.
Weitere BOSCH Ersatzteile des Gerätes Gw-Oberfräse mit der Typennummer 0601606034 finden Sie in der nachfolgenden Darstellung und im Dropdown zu Ihrer Auswahl:

Pos.
1
BOSCH Motorgehäuse BLAU | Ersatzteile für Gw-Oberfräse | 3605108554
Hersteller: BOSCH
Artikelnummer: EB-0601606034-3605108554
nur Informationsartikel
Nie mehr lieferbar
keine Alternativen
Pos.
50/2
BOSCH Klinke | Ersatzteile für Gw-Oberfräse | 3603231509
Hersteller: BOSCH
Artikelnummer: EB-0601606034-3603231509
nur Informationsartikel
Nie mehr lieferbar
keine Alternativen
Pos.
50/3
BOSCH Zylinderschraube | Ersatzteile für Gw-Oberfräse | 3603410500
Hersteller: BOSCH
Artikelnummer: EB-0601606034-3603410500
nur Informationsartikel
Nie mehr lieferbar
keine Alternativen
Pos.
50/4
BOSCH Druckfeder | Ersatzteile für Gw-Oberfräse | 3604612500
Hersteller: BOSCH
Artikelnummer: EB-0601606034-3604612500
nur Informationsartikel
Nie mehr lieferbar
keine Alternativen
Pos.
650/5
BOSCH Einmaulschlüssel | Ersatzteile für Gw-Oberfräse | 2610992417
Hersteller: BOSCH
Artikelnummer: EB-0601606034-2610992417
nur Informationsartikel
Nie mehr lieferbar
keine Alternativen
Pos.
650/6
BOSCH Einmaulschlüssel SW 6 | Ersatzteile für Gw-Oberfräse | 9601497905
Hersteller: BOSCH
Artikelnummer: EB-0601606034-9601497905
nur Informationsartikel
Nie mehr lieferbar
keine Alternativen
Pos.
2
BOSCH Polschuh 115V | Ersatzteile für Gw-Oberfräse | 3604220528
Hersteller: BOSCH
Artikelnummer: EB-0601606034-3604220528
nur Informationsartikel
Nie mehr lieferbar
keine Alternativen
Pos.
3
BOSCH Anker 115V | Ersatzteile für Gw-Oberfräse | 3604011513
Hersteller: BOSCH
Artikelnummer: EB-0601606034-3604011513
nur Informationsartikel
Nie mehr lieferbar
keine Alternativen
Pos.
4
BOSCH Verschlussdeckel | Ersatzteile für Gw-Oberfräse | 3605500583
Hersteller: BOSCH
Artikelnummer: EB-0601606034-3605500583
nur Informationsartikel
Nie mehr lieferbar
keine Alternativen
Pos.
5
BOSCH Rillenkugellager | Ersatzteile für Gw-Oberfräse | 3600900517
Hersteller: BOSCH
Artikelnummer: EB-0601606034-3600900517
nur Informationsartikel
Nie mehr lieferbar
keine Alternativen
Pos.
6
BOSCH Frontplatte | Ersatzteile für Gw-Oberfräse | 3600034502
Hersteller: BOSCH
Artikelnummer: EB-0601606034-3600034502
nur Informationsartikel
Nie mehr lieferbar
keine Alternativen
Pos.
7
BOSCH Schutzscheibe | Ersatzteile für Gw-Oberfräse | 3600133500
Hersteller: BOSCH
Artikelnummer: EB-0601606034-3600133500
nur Informationsartikel
Nie mehr lieferbar
keine Alternativen
Pos.
8
BOSCH Rillenkugellager | Ersatzteile für Gw-Oberfräse | 3600900515
Hersteller: BOSCH
Artikelnummer: EB-0601606034-3600900515
Netto: 14,92 € zzgl. MwSt.
zzgl. 6,90 € Versand (brutto)
einmalig pro Bestellung

Lieferzeit: 5 Werktage

Pos.
9
BOSCH Kippschalter | Ersatzteile für Gw-Oberfräse | 3607200505
Hersteller: BOSCH
Artikelnummer: EB-0601606034-3607200505
Netto: 14,92 € zzgl. MwSt.
zzgl. 6,90 € Versand (brutto)
einmalig pro Bestellung

Lieferzeit: 5 Werktage

Pos.
11
BOSCH Stopfbuchsenverschraubung | Ersatzteile für Gw-Oberfräse | 3600390501
Hersteller: BOSCH
Artikelnummer: EB-0601606034-3600390501
nur Informationsartikel
Nie mehr lieferbar
keine Alternativen
Pos.
12
BOSCH Tülle | Ersatzteile für Gw-Oberfräse | 3600703500
Hersteller: BOSCH
Artikelnummer: EB-0601606034-3600703500
Netto: 5,59 € zzgl. MwSt.
zzgl. 6,90 € Versand (brutto)
einmalig pro Bestellung

Lieferzeit: 5 Werktage

Pos.
13
BOSCH Schalterplatte | Ersatzteile für Gw-Oberfräse | 3601023500
Hersteller: BOSCH
Artikelnummer: EB-0601606034-3601023500
nur Informationsartikel
Nie mehr lieferbar
keine Alternativen
Pos.
15
BOSCH O-Ring | Ersatzteile für Gw-Oberfräse | 3600210502
Hersteller: BOSCH
Artikelnummer: EB-0601606034-3600210502
nur Informationsartikel
Nie mehr lieferbar
keine Alternativen
Pos.
17
BOSCH Bürstenhalter | Ersatzteile für Gw-Oberfräse | 3600492500
Hersteller: BOSCH
Artikelnummer: EB-0601606034-3600492500
nur Informationsartikel
Nie mehr lieferbar
keine Alternativen
Pos.
18
BOSCH Gerätekappe | Ersatzteile für Gw-Oberfräse | 1619X01268
Hersteller: BOSCH
Artikelnummer: EB-0601606034-1619X01268
nur Informationsartikel
Nie mehr lieferbar
keine Alternativen
Pos.
19
BOSCH Befestigungsplatte | Ersatzteile für Gw-Oberfräse | 3601023501
Hersteller: BOSCH
Artikelnummer: EB-0601606034-3601023501
nur Informationsartikel
Nie mehr lieferbar
keine Alternativen
Pos.
21
BOSCH Stiftkabelschuh | Ersatzteile für Gw-Oberfräse | 3608098501
Hersteller: BOSCH
Artikelnummer: EB-0601606034-3608098501
Netto: 4,61 € zzgl. MwSt.
zzgl. 6,90 € Versand (brutto)
einmalig pro Bestellung

Lieferzeit: 5 Werktage

Pos.
22
BOSCH Spannzange 1/4" | Ersatzteile für Gw-Oberfräse | 3600499503
Hersteller: BOSCH
Artikelnummer: EB-0601606034-3600499503
nur Informationsartikel
Nie mehr lieferbar
keine Alternativen
Pos.
22
BOSCH Spannzange 3/8" | Ersatzteile für Gw-Oberfräse | 3600499502
Hersteller: BOSCH
Artikelnummer: EB-0601606034-3600499502
nur Informationsartikel
Nie mehr lieferbar
keine Alternativen
Pos.
22
BOSCH Spannzange Ø 1/2" | Ersatzteile für Gw-Oberfräse | 3600499520
Hersteller: BOSCH
Artikelnummer: EB-0601606034-3600499520
nur Informationsartikel
Nie mehr lieferbar
keine Alternativen
Pos.
23
BOSCH Überwurfmutter | Ersatzteile für Gw-Oberfräse | 3603313501
Hersteller: BOSCH
Artikelnummer: EB-0601606034-3603313501
nur Informationsartikel
Nie mehr lieferbar
keine Alternativen
Pos.
24
BOSCH Distanzstück | Ersatzteile für Gw-Oberfräse | 3600410502
Hersteller: BOSCH
Artikelnummer: EB-0601606034-3600410502
nur Informationsartikel
Nie mehr lieferbar
keine Alternativen
Pos.
25
BOSCH Zylinderblechschraube | Ersatzteile für Gw-Oberfräse | 3603429508
Hersteller: BOSCH
Artikelnummer: EB-0601606034-3603429508
nur Informationsartikel
Nie mehr lieferbar
keine Alternativen
Pos.
26
BOSCH Federring DIN 127-B 5 | Ersatzteile für Gw-Oberfräse | 2916680006
Hersteller: BOSCH
Artikelnummer: EB-0601606034-2916680006
nur Informationsartikel
Nie mehr lieferbar
keine Alternativen
Pos.
27
BOSCH Zylinderschraube | Ersatzteile für Gw-Oberfräse | 3603410501
Hersteller: BOSCH
Artikelnummer: EB-0601606034-3603410501
nur Informationsartikel
Nie mehr lieferbar
keine Alternativen
Pos.
28
BOSCH Zylinderschraube | Ersatzteile für Gw-Oberfräse | 3603415537
Hersteller: BOSCH
Artikelnummer: EB-0601606034-3603415537
nur Informationsartikel
Nie mehr lieferbar
keine Alternativen
Pos.
29
BOSCH Sechskantmutter | Ersatzteile für Gw-Oberfräse | 3603301515
Hersteller: BOSCH
Artikelnummer: EB-0601606034-3603301515
nur Informationsartikel
Nie mehr lieferbar
keine Alternativen
Pos.
31
BOSCH Hinweisschild ACHTUNG | Ersatzteile für Gw-Oberfräse | 3601119635
Hersteller: BOSCH
Artikelnummer: EB-0601606034-3601119635
nur Informationsartikel
Nie mehr lieferbar
keine Alternativen
Pos.
33
BOSCH Fussplatte | Ersatzteile für Gw-Oberfräse | 3605702571
Hersteller: BOSCH
Artikelnummer: EB-0601606034-3605702571
nur Informationsartikel
Nie mehr lieferbar
keine Alternativen
Pos.
34
BOSCH Handgriff | Ersatzteile für Gw-Oberfräse | 3603231500
Hersteller: BOSCH
Artikelnummer: EB-0601606034-3603231500
nur Informationsartikel
Nie mehr lieferbar
keine Alternativen
Pos.
35
BOSCH Grundplatte | Ersatzteile für Gw-Oberfräse | 3600190500
Hersteller: BOSCH
Artikelnummer: EB-0601606034-3600190500
nur Informationsartikel
Nie mehr lieferbar
keine Alternativen
Pos.
36
BOSCH Typschild | Ersatzteile für Gw-Oberfräse | 3601119696
Hersteller: BOSCH
Artikelnummer: EB-0601606034-3601119696
Netto: 5,21 € zzgl. MwSt.
zzgl. 6,90 € Versand (brutto)
einmalig pro Bestellung

Lieferzeit: 5 Werktage

Pos.
37
BOSCH Schaftschraube | Ersatzteile für Gw-Oberfräse | 3603440500
Hersteller: BOSCH
Artikelnummer: EB-0601606034-3603440500
nur Informationsartikel
Nie mehr lieferbar
keine Alternativen
Pos.
38
BOSCH Unterlegscheibe | Ersatzteile für Gw-Oberfräse | 3600100500
Hersteller: BOSCH
Artikelnummer: EB-0601606034-3600100500
nur Informationsartikel
Nie mehr lieferbar
keine Alternativen
Pos.
39
BOSCH Flügelmutter | Ersatzteile für Gw-Oberfräse | 3603339500
Hersteller: BOSCH
Artikelnummer: EB-0601606034-3603339500
nur Informationsartikel
Nie mehr lieferbar
keine Alternativen
Pos.
40
BOSCH Zylinderschraube DIN 84-BM6x70-5.8 | Ersatzteile für Gw-Oberfräse | 2910011219
Hersteller: BOSCH
Artikelnummer: EB-0601606034-2910011219
Netto: 3,93 € zzgl. MwSt.
zzgl. 6,90 € Versand (brutto)
einmalig pro Bestellung

Lieferzeit: 5 Werktage

Pos.
41
BOSCH Zahnscheibe DIN 6797-A16,5-FST | Ersatzteile für Gw-Oberfräse | 2916030013
Hersteller: BOSCH
Artikelnummer: EB-0601606034-2916030013
nur Informationsartikel
Nie mehr lieferbar
keine Alternativen
Pos.
43
BOSCH Schraube | Ersatzteile für Gw-Oberfräse | 2610915162
Hersteller: BOSCH
Artikelnummer: EB-0601606034-2610915162
Netto: 3,60 € zzgl. MwSt.
zzgl. 6,90 € Versand (brutto)
einmalig pro Bestellung

Lieferzeit: 5 Werktage

Pos.
44
BOSCH Gewindering | Ersatzteile für Gw-Oberfräse | 3603340500
Hersteller: BOSCH
Artikelnummer: EB-0601606034-3603340500
nur Informationsartikel
Nie mehr lieferbar
keine Alternativen
Pos.
48
BOSCH Sechskantmutter DIN 985-M4-8 | Ersatzteile für Gw-Oberfräse | 2915061002
Hersteller: BOSCH
Artikelnummer: EB-0601606034-2915061002
nur Informationsartikel
Nie mehr lieferbar
keine Alternativen
Pos.
49
BOSCH Typschild ACHTUNG | Ersatzteile für Gw-Oberfräse | 1601110449
Hersteller: BOSCH
Artikelnummer: EB-0601606034-1601110449
nur Informationsartikel
Nie mehr lieferbar
keine Alternativen
Pos.
50
BOSCH Handgriff | Ersatzteile für Gw-Oberfräse | 3603344504
Hersteller: BOSCH
Artikelnummer: EB-0601606034-3603344504
nur Informationsartikel
Nie mehr lieferbar
keine Alternativen
Pos.
52
BOSCH Befestigungsschelle | Ersatzteile für Gw-Oberfräse | 3601032500
Hersteller: BOSCH
Artikelnummer: EB-0601606034-3601032500
Netto: 7,58 € zzgl. MwSt.
zzgl. 6,90 € Versand (brutto)
einmalig pro Bestellung

Lieferzeit: 5 Werktage

Pos.
53
BOSCH Steckdose | Ersatzteile für Gw-Oberfräse | 3604484501
Hersteller: BOSCH
Artikelnummer: EB-0601606034-3604484501
nur Informationsartikel
Nie mehr lieferbar
keine Alternativen
Pos.
60
BOSCH Handgriff BLAU | Ersatzteile für Gw-Oberfräse | 3605133523
Hersteller: BOSCH
Artikelnummer: EB-0601606034-3605133523
nur Informationsartikel
Nie mehr lieferbar
keine Alternativen
Pos.
61
BOSCH Anschlussklemme | Ersatzteile für Gw-Oberfräse | 3601355500
Hersteller: BOSCH
Artikelnummer: EB-0601606034-3601355500
nur Informationsartikel
Nie mehr lieferbar
keine Alternativen
Pos.
64
BOSCH Blechschraube DIN 7981-ST4,2x9,5-F-H | Ersatzteile für Gw-Oberfräse | 2910611424
Hersteller: BOSCH
Artikelnummer: EB-0601606034-2910611424
nur Informationsartikel
Nie mehr lieferbar
keine Alternativen
Pos.
65
BOSCH Blechschraube DIN 7981-ST3,5x13-C-H | Ersatzteile für Gw-Oberfräse | 2910611011
Hersteller: BOSCH
Artikelnummer: EB-0601606034-2910611011
nur Informationsartikel
Nie mehr lieferbar
keine Alternativen
Pos.
66
BOSCH Linsenschraube DIN 7985-M4x30-4.8H | Ersatzteile für Gw-Oberfräse | 2910641134
Hersteller: BOSCH
Artikelnummer: EB-0601606034-2910641134
nur Informationsartikel
Nie mehr lieferbar
keine Alternativen
Pos.
67
BOSCH Zylinderschraube DIN 84-AM5x8-5.8 | Ersatzteile für Gw-Oberfräse | 2910011150
Hersteller: BOSCH
Artikelnummer: EB-0601606034-2910011150
nur Informationsartikel
Nie mehr lieferbar
keine Alternativen
Pos.
651
BOSCH Flügelschraube M 6x16 MM | Ersatzteile für Gw-Oberfräse | 2603480003
Hersteller: BOSCH
Artikelnummer: EB-0601606034-2603480003
nur Informationsartikel
Nie mehr lieferbar
keine Alternativen
Pos.
651
BOSCH Führungsplatte | Ersatzteile für Gw-Oberfräse | 3602386501
Hersteller: BOSCH
Artikelnummer: EB-0601606034-3602386501
nur Informationsartikel
Nie mehr lieferbar
keine Alternativen
Pos.
651
BOSCH Führungsstange | Ersatzteile für Gw-Oberfräse | 3603001519
Hersteller: BOSCH
Artikelnummer: EB-0601606034-3603001519
nur Informationsartikel
Nie mehr lieferbar
keine Alternativen
Pos.
651
BOSCH Hinweisschild | Ersatzteile für Gw-Oberfräse | 3601119730
Hersteller: BOSCH
Artikelnummer: EB-0601606034-3601119730
nur Informationsartikel
Nie mehr lieferbar
keine Alternativen
Pos.
651
BOSCH Parallelanschlag | Ersatzteile für Gw-Oberfräse | 2610906282
Hersteller: BOSCH
Artikelnummer: EB-0601606034-2610906282
nur Informationsartikel
Nie mehr lieferbar
keine Alternativen
Pos.
651
BOSCH Sechskantmutter M 7 DIN 934-M-8 | Ersatzteile für Gw-Oberfräse | 2915011008
Hersteller: BOSCH
Artikelnummer: EB-0601606034-2915011008
nur Informationsartikel
Nie mehr lieferbar
keine Alternativen
Pos.
651
BOSCH Unterlegscheibe DIN 125-A5,3-ST | Ersatzteile für Gw-Oberfräse | 2916011012
Hersteller: BOSCH
Artikelnummer: EB-0601606034-2916011012
Netto: 0,60 € zzgl. MwSt.
zzgl. 6,90 € Versand (brutto)
einmalig pro Bestellung

Lieferzeit: 5 Werktage

Pos.
651
BOSCH Zylinderschraube DIN 84-AM5x10-5.8 | Ersatzteile für Gw-Oberfräse | 2910011152
Hersteller: BOSCH
Artikelnummer: EB-0601606034-2910011152
Netto: 3,60 € zzgl. MwSt.
zzgl. 6,90 € Versand (brutto)
einmalig pro Bestellung

Lieferzeit: 5 Werktage

Pos.
651
BOSCH Zylinderschraube DIN 84-AM5x12-5.8 | Ersatzteile für Gw-Oberfräse | 2910011154
Hersteller: BOSCH
Artikelnummer: EB-0601606034-2910011154
nur Informationsartikel
Nie mehr lieferbar
keine Alternativen
Pos.
733
BOSCH Grundplatte | Ersatzteile für Gw-Oberfräse | 3605702604
Hersteller: BOSCH
Artikelnummer: EB-0601606034-3605702604
nur Informationsartikel
Nie mehr lieferbar
keine Alternativen
Pos.
808
BOSCH Zylinderschraube | Ersatzteile für Gw-Oberfräse | 3603433506
Hersteller: BOSCH
Artikelnummer: EB-0601606034-3603433506
nur Informationsartikel
Nie mehr lieferbar
keine Alternativen
Pos.
810
BOSCH Netzanschlussleitung | Ersatzteile für Gw-Oberfräse | 3604460528
Hersteller: BOSCH
Artikelnummer: EB-0601606034-3604460528
nur Informationsartikel
Nie mehr lieferbar
keine Alternativen
Pos.
816
BOSCH Kohlebürstensatz | Ersatzteile für Gw-Oberfräse | 3607014501
Hersteller: BOSCH
Artikelnummer: EB-0601606034-3607014501
nur Informationsartikel
Nie mehr lieferbar
keine Alternativen
Pos.
832
BOSCH Typschild | Ersatzteile für Gw-Oberfräse | 3601119600
Hersteller: BOSCH
Artikelnummer: EB-0601606034-3601119600
nur Informationsartikel
Nie mehr lieferbar
keine Alternativen
Pos.
854
BOSCH Netzanschlussleitung USA/CDN 3,275m 2 x 1,32mm SJ 16/2 | Ersatzteile für Gw-Oberfräse | 3604460514
Hersteller: BOSCH
Artikelnummer: EB-0601606034-3604460514
Netto: 14,92 € zzgl. MwSt.
zzgl. 6,90 € Versand (brutto)
einmalig pro Bestellung

Lieferzeit: 5 Werktage

Pos.
855
BOSCH Kippschalter | Ersatzteile für Gw-Oberfräse | 3607000677
Hersteller: BOSCH
Artikelnummer: EB-0601606034-3607000677
nur Informationsartikel
Nie mehr lieferbar
keine Alternativen

Angaben zur Produktsicherheit

Hersteller:
Robert Bosch Power Tools GmbH
Postfach 30 02 20
70442 Stuttgart

E-Mail:
kontakt@bosch.de