BOSCH Dichtbuchse | Ersatzteile für Gw-Winkelbohrmaschine | 2600300047

Artikelnummer: EB-0601116032-2600300047

Position: 20

Marke: BOSCH


Bitte Kompatibilität prüfen!

Bitte prüfen Sie unbedingt die 10-stellige Typennummer Ihrer Maschine / Ihres Gerätes. Das Ersatzteil ist nur kompatibel, wenn Sie die Typennummer Ihrer Maschine in der unten stehenden Produktbeschreibung finden.

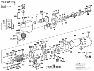
Bitte prüfen Sie ebenfalls detailliert die Explosionszeichnung mit Ihrem Artikelwunsch und der jeweiligen Pos-Nummer.

Alle Elemente, welche vom schwarzen Strich der Pos-Nummer ausgehend berührt / erfasst werden, gehören zu dieser Pos-Nummer und somit zu diesem Artikel. Jede Pos-Nummer ist ein eigenständiger Artikel, welchen Sie in der Auflistung finden.

Sie erhalten stets die aktuellste, neueste Produktversion zu der gewählten Pos-Nummer seitens des Herstellers. Es kann daher je nach Gerätealter vorkommen, dass Sie ggf. weitere, zugehörige Elemente, welche an diese Pos-Nummer grenzen, ebenfalls mittauschen müssen.

Nähere Informationen finden Sie unter dem Link
Hinweise zu Ihrer BOSCH Ersatzteilsuche

Preisübersicht

Einzelpreis: 4,53 €* (Brutto: 5,39 €)
Gesamtpreis: 4,53 €* 
Position:

Lieferzeit: 5 Werktage


Beschreibung

  • Dichtbuchse
  • Original Bosch Zubehör / BOSCH Ersatzteil (2600300047)
  • im Gerät verbaut: 1
Dieses BOSCH Ersatzteil ist mit folgendem Gerät und Modell kompatibel:
  • BOSCH Gerätename: Gw-Winkelbohrmaschine
  • BOSCH Explosionszeichnung: Position 20
  • BOSCH Typennummer: 0601116032
  • BOSCH Typennummer alternative Schreibweisen: 0 601 116 032, 0601 116 032, 0.601.116.032, 0-601-116-032
    Bitte prüfen Sie diese Typennummer auf Ihrem Gerät um die Kompatibilität des BOSCH Ersatzteils zu gewährleisten.
Weitere BOSCH Ersatzteile des Gerätes Gw-Winkelbohrmaschine mit der Typennummer 0601116032 finden Sie in der nachfolgenden Darstellung und im Dropdown zu Ihrer Auswahl:

Pos.
13/20
BOSCH Sinterbuchse DIN 1850-J12x18x12 | Ersatzteile für Gw-Winkelbohrmaschine | 1900301018
Hersteller: BOSCH
Artikelnummer: EB-0601116032-1900301018
nur Informationsartikel
Nie mehr lieferbar
keine Alternativen
Pos.
653/800
BOSCH Bohrfutterschlüssel SG2 | Ersatzteile für Gw-Winkelbohrmaschine | 2607950007
Hersteller: BOSCH
Artikelnummer: EB-0601116032-2607950007
Netto: 7,30 € zzgl. MwSt.
zzgl. 6,90 € Versand (brutto)
einmalig pro Bestellung

Lieferzeit: 5 Werktage

Pos.
6
BOSCH Lagerflansch | Ersatzteile für Gw-Winkelbohrmaschine | 2605700077
Hersteller: BOSCH
Artikelnummer: EB-0601116032-2605700077
nur Informationsartikel
Nie mehr lieferbar
keine Alternativen
Pos.
7
BOSCH Rillenkugellager 609-ZY DIN 625 | Ersatzteile für Gw-Winkelbohrmaschine | 1900905007
Hersteller: BOSCH
Artikelnummer: EB-0601116032-1900905007
nur Informationsartikel
Nie mehr lieferbar
keine Alternativen
Pos.
8
BOSCH Lagerbolzen | Ersatzteile für Gw-Winkelbohrmaschine | 2603520001
Hersteller: BOSCH
Artikelnummer: EB-0601116032-2603520001
nur Informationsartikel
Nie mehr lieferbar
keine Alternativen
Pos.
9
BOSCH Zylinderschraube DIN 84-AM4x12-8.8 | Ersatzteile für Gw-Winkelbohrmaschine | 2910021122
Hersteller: BOSCH
Artikelnummer: EB-0601116032-2910021122
Netto: 4,32 € zzgl. MwSt.
zzgl. 6,90 € Versand (brutto)
einmalig pro Bestellung

Lieferzeit: 5 Werktage

Pos.
10
BOSCH Federring DIN 128-A4-FST | Ersatzteile für Gw-Winkelbohrmaschine | 2916690003
Hersteller: BOSCH
Artikelnummer: EB-0601116032-2916690003
Netto: 3,63 € zzgl. MwSt.
zzgl. 6,90 € Versand (brutto)
einmalig pro Bestellung

Lieferzeit: 5 Werktage

Pos.
11
BOSCH Stirnrad Z=13/43 | Ersatzteile für Gw-Winkelbohrmaschine | 2606328033
Hersteller: BOSCH
Artikelnummer: EB-0601116032-2606328033
nur Informationsartikel
Nie mehr lieferbar
keine Alternativen
Pos.
12
BOSCH Unterlegscheibe 0,2 MM | Ersatzteile für Gw-Winkelbohrmaschine | 2600100590
Hersteller: BOSCH
Artikelnummer: EB-0601116032-2600100590
nur Informationsartikel
Nie mehr lieferbar
keine Alternativen
Pos.
12
BOSCH Unterlegscheibe 0,5 MM | Ersatzteile für Gw-Winkelbohrmaschine | 2600100592
Hersteller: BOSCH
Artikelnummer: EB-0601116032-2600100592
nur Informationsartikel
Nie mehr lieferbar
keine Alternativen
Pos.
13
BOSCH Getriebegehäuse | Ersatzteile für Gw-Winkelbohrmaschine | 2605806256
Hersteller: BOSCH
Artikelnummer: EB-0601116032-2605806256
nur Informationsartikel
Nie mehr lieferbar
keine Alternativen
Pos.
15
BOSCH Kegelrad Z=19 | Ersatzteile für Gw-Winkelbohrmaschine | 2606333009
Hersteller: BOSCH
Artikelnummer: EB-0601116032-2606333009
nur Informationsartikel
Nie mehr lieferbar
keine Alternativen
Pos.
17
BOSCH Aufhängebügel | Ersatzteile für Gw-Winkelbohrmaschine | 1604682003
Hersteller: BOSCH
Artikelnummer: EB-0601116032-1604682003
nur Informationsartikel
Nie mehr lieferbar
keine Alternativen
Pos.
18
BOSCH Stirnrad Z=57 | Ersatzteile für Gw-Winkelbohrmaschine | 2605319041
Hersteller: BOSCH
Artikelnummer: EB-0601116032-2605319041
nur Informationsartikel
Nie mehr lieferbar
keine Alternativen
Pos.
20
BOSCH Dichtbuchse | Ersatzteile für Gw-Winkelbohrmaschine | 2600300047
Hersteller: BOSCH
Artikelnummer: EB-0601116032-2600300047
Netto: 4,53 € zzgl. MwSt.
zzgl. 6,90 € Versand (brutto)
einmalig pro Bestellung

Lieferzeit: 5 Werktage

Pos.
23
BOSCH Rillenkugellager 10x26x8 | Ersatzteile für Gw-Winkelbohrmaschine | 1900905127
Hersteller: BOSCH
Artikelnummer: EB-0601116032-1900905127
Netto: 24,13 € zzgl. MwSt.
zzgl. 6,90 € Versand (brutto)
einmalig pro Bestellung

Lieferzeit: 5 Werktage

Pos.
25
BOSCH Gewindering | Ersatzteile für Gw-Winkelbohrmaschine | 2603344010
Hersteller: BOSCH
Artikelnummer: EB-0601116032-2603344010
nur Informationsartikel
Nie mehr lieferbar
keine Alternativen
Pos.
26
BOSCH Gewindestift M 5x5 DIN 553-5.8 | Ersatzteile für Gw-Winkelbohrmaschine | 2912001147
Hersteller: BOSCH
Artikelnummer: EB-0601116032-2912001147
nur Informationsartikel
Nie mehr lieferbar
keine Alternativen
Pos.
28
BOSCH Gewindebuchse | Ersatzteile für Gw-Winkelbohrmaschine | 2600364000
Hersteller: BOSCH
Artikelnummer: EB-0601116032-2600364000
nur Informationsartikel
Nie mehr lieferbar
keine Alternativen
Pos.
32
BOSCH Federring DIN 128-A5-FST | Ersatzteile für Gw-Winkelbohrmaschine | 2916690004
Hersteller: BOSCH
Artikelnummer: EB-0601116032-2916690004
Netto: 3,94 € zzgl. MwSt.
zzgl. 6,90 € Versand (brutto)
einmalig pro Bestellung

Lieferzeit: 5 Werktage

Pos.
33
BOSCH Überwurfmutter | Ersatzteile für Gw-Winkelbohrmaschine | 2603312002
Hersteller: BOSCH
Artikelnummer: EB-0601116032-2603312002
nur Informationsartikel
Nie mehr lieferbar
keine Alternativen
Pos.
35
BOSCH Tellerscheibe | Ersatzteile für Gw-Winkelbohrmaschine | 2600500017
Hersteller: BOSCH
Artikelnummer: EB-0601116032-2600500017
Netto: 3,63 € zzgl. MwSt.
zzgl. 6,90 € Versand (brutto)
einmalig pro Bestellung

Lieferzeit: 5 Werktage

Pos.
36
BOSCH Filzring | Ersatzteile für Gw-Winkelbohrmaschine | 2600108026
Hersteller: BOSCH
Artikelnummer: EB-0601116032-2600108026
Netto: 3,94 € zzgl. MwSt.
zzgl. 6,90 € Versand (brutto)
einmalig pro Bestellung

Lieferzeit: 5 Werktage

Pos.
103
BOSCH Spiralfeder | Ersatzteile für Gw-Winkelbohrmaschine | 2604652000
Hersteller: BOSCH
Artikelnummer: EB-0601116032-2604652000
nur Informationsartikel
Nie mehr lieferbar
keine Alternativen
Pos.
104
BOSCH Unterlegscheibe DIN 433-3,2-ST 50 | Ersatzteile für Gw-Winkelbohrmaschine | 2916011005
Hersteller: BOSCH
Artikelnummer: EB-0601116032-2916011005
Netto: 3,63 € zzgl. MwSt.
zzgl. 6,90 € Versand (brutto)
einmalig pro Bestellung

Lieferzeit: 5 Werktage

Pos.
105
BOSCH Klemmbügel | Ersatzteile für Gw-Winkelbohrmaschine | 2601321005
Hersteller: BOSCH
Artikelnummer: EB-0601116032-2601321005
nur Informationsartikel
Nie mehr lieferbar
keine Alternativen
Pos.
106
BOSCH Kombi-Schraube DIN7985-M3x6-Z1-4.8 | Ersatzteile für Gw-Winkelbohrmaschine | 2914501011
Hersteller: BOSCH
Artikelnummer: EB-0601116032-2914501011
Netto: 3,63 € zzgl. MwSt.
zzgl. 6,90 € Versand (brutto)
einmalig pro Bestellung

Lieferzeit: 5 Werktage

Pos.
107
BOSCH Polschuh 220V | Ersatzteile für Gw-Winkelbohrmaschine | 2604220241
Hersteller: BOSCH
Artikelnummer: EB-0601116032-2604220241
nur Informationsartikel
Nie mehr lieferbar
keine Alternativen
Pos.
108
BOSCH Sechskantmutter DIN 934-M 3-m-8 | Ersatzteile für Gw-Winkelbohrmaschine | 2915011003
Hersteller: BOSCH
Artikelnummer: EB-0601116032-2915011003
Netto: 3,60 € zzgl. MwSt.
zzgl. 6,90 € Versand (brutto)
einmalig pro Bestellung

Lieferzeit: 5 Werktage

Pos.
109
BOSCH Zylinderschraube DIN 84-BM3x50-5.8 | Ersatzteile für Gw-Winkelbohrmaschine | 2910011074
Hersteller: BOSCH
Artikelnummer: EB-0601116032-2910011074
Netto: 3,63 € zzgl. MwSt.
zzgl. 6,90 € Versand (brutto)
einmalig pro Bestellung

Lieferzeit: 5 Werktage

Pos.
110
BOSCH Federring A3-FSt | Ersatzteile für Gw-Winkelbohrmaschine | 2916690001
Hersteller: BOSCH
Artikelnummer: EB-0601116032-2916690001
nur Informationsartikel
Nie mehr lieferbar
keine Alternativen
Pos.
111
BOSCH Bürstenhalter | Ersatzteile für Gw-Winkelbohrmaschine | 2601323016
Hersteller: BOSCH
Artikelnummer: EB-0601116032-2601323016
Netto: 4,82 € zzgl. MwSt.
zzgl. 6,90 € Versand (brutto)
einmalig pro Bestellung

Lieferzeit: 5 Werktage

Pos.
112
BOSCH Unterlegscheibe Ø 2,6 MM-ST | Ersatzteile für Gw-Winkelbohrmaschine | 2916021007
Hersteller: BOSCH
Artikelnummer: EB-0601116032-2916021007
nur Informationsartikel
Nie mehr lieferbar
keine Alternativen
Pos.
113
BOSCH Sechskantmutter DIN 439-BM 3 | Ersatzteile für Gw-Winkelbohrmaschine | 2915051103
Hersteller: BOSCH
Artikelnummer: EB-0601116032-2915051103
Netto: 3,63 € zzgl. MwSt.
zzgl. 6,90 € Versand (brutto)
einmalig pro Bestellung

Lieferzeit: 5 Werktage

Pos.
114
BOSCH Ausgleichscheibe | Ersatzteile für Gw-Winkelbohrmaschine | 2600100699
Hersteller: BOSCH
Artikelnummer: EB-0601116032-2600100699
Netto: 3,63 € zzgl. MwSt.
zzgl. 6,90 € Versand (brutto)
einmalig pro Bestellung

Lieferzeit: 5 Werktage

Pos.
115
BOSCH Ausgleichscheibe | Ersatzteile für Gw-Winkelbohrmaschine | 2600150002
Hersteller: BOSCH
Artikelnummer: EB-0601116032-2600150002
nur Informationsartikel
Nie mehr lieferbar
keine Alternativen
Pos.
116
BOSCH Rillenkugellager 625-2Z DIN 625 | Ersatzteile für Gw-Winkelbohrmaschine | 1900905015
Hersteller: BOSCH
Artikelnummer: EB-0601116032-1900905015
Netto: 26,88 € zzgl. MwSt.
zzgl. 6,90 € Versand (brutto)
einmalig pro Bestellung

Lieferzeit: 5 Werktage

Pos.
117
BOSCH Ausgleichscheibe 0,3 MM | Ersatzteile für Gw-Winkelbohrmaschine | 2600100612
Hersteller: BOSCH
Artikelnummer: EB-0601116032-2600100612
Netto: 4,53 € zzgl. MwSt.
zzgl. 6,90 € Versand (brutto)
einmalig pro Bestellung

Lieferzeit: 5 Werktage

Pos.
118
BOSCH Dichtring | Ersatzteile für Gw-Winkelbohrmaschine | 2600113019
Hersteller: BOSCH
Artikelnummer: EB-0601116032-2600113019
Netto: 4,80 € zzgl. MwSt.
zzgl. 6,90 € Versand (brutto)
einmalig pro Bestellung

Lieferzeit: 5 Werktage

Pos.
119
BOSCH Anker Mit Lüfter 220V | Ersatzteile für Gw-Winkelbohrmaschine | 2604010333
Hersteller: BOSCH
Artikelnummer: EB-0601116032-2604010333
nur Informationsartikel
Nie mehr lieferbar
keine Alternativen
Pos.
120
BOSCH Isolierteil | Ersatzteile für Gw-Winkelbohrmaschine | 2601322002
Hersteller: BOSCH
Artikelnummer: EB-0601116032-2601322002
Netto: 3,63 € zzgl. MwSt.
zzgl. 6,90 € Versand (brutto)
einmalig pro Bestellung

Lieferzeit: 5 Werktage

Pos.
122
BOSCH Schalter | Ersatzteile für Gw-Winkelbohrmaschine | 2607200045
Hersteller: BOSCH
Artikelnummer: EB-0601116032-2607200045
nur Informationsartikel
Nie mehr lieferbar
keine Alternativen
Pos.
123
BOSCH Senkschraube M 3x6 DIN 963-5.8 | Ersatzteile für Gw-Winkelbohrmaschine | 2910771048
Hersteller: BOSCH
Artikelnummer: EB-0601116032-2910771048
Netto: 3,93 € zzgl. MwSt.
zzgl. 6,90 € Versand (brutto)
einmalig pro Bestellung

Lieferzeit: 5 Werktage

Pos.
124
BOSCH Sechskantmutter M 2,6 DIN 934-M-6 | Ersatzteile für Gw-Winkelbohrmaschine | 2915011002
Hersteller: BOSCH
Artikelnummer: EB-0601116032-2915011002
nur Informationsartikel
Nie mehr lieferbar
keine Alternativen
Pos.
125
BOSCH Tülle Ø6,5-Ø6,9x95 MM | Ersatzteile für Gw-Winkelbohrmaschine | 2600703012
Hersteller: BOSCH
Artikelnummer: EB-0601116032-2600703012
Netto: 4,82 € zzgl. MwSt.
zzgl. 6,90 € Versand (brutto)
einmalig pro Bestellung

Lieferzeit: 5 Werktage

Pos.
125
BOSCH Tülle Ø8,3-Ø9,4x95 MM | Ersatzteile für Gw-Winkelbohrmaschine | 2600703011
Hersteller: BOSCH
Artikelnummer: EB-0601116032-2600703011
Netto: 4,82 € zzgl. MwSt.
zzgl. 6,90 € Versand (brutto)
einmalig pro Bestellung

Lieferzeit: 5 Werktage

Pos.
126
BOSCH Leitungshalter | Ersatzteile für Gw-Winkelbohrmaschine | 2601035005
Hersteller: BOSCH
Artikelnummer: EB-0601116032-2601035005
Netto: 3,92 € zzgl. MwSt.
zzgl. 6,90 € Versand (brutto)
einmalig pro Bestellung

Lieferzeit: 5 Werktage

Pos.
127
BOSCH Blechschraube DIN 7971-BZ3,5x13 | Ersatzteile für Gw-Winkelbohrmaschine | 2910211011
Hersteller: BOSCH
Artikelnummer: EB-0601116032-2910211011
Netto: 3,63 € zzgl. MwSt.
zzgl. 6,90 € Versand (brutto)
einmalig pro Bestellung

Lieferzeit: 5 Werktage

Pos.
128
BOSCH Rohrniet A2,5x0,3x4DIN7340-MS | Ersatzteile für Gw-Winkelbohrmaschine | 2917170554
Hersteller: BOSCH
Artikelnummer: EB-0601116032-2917170554
Netto: 3,63 € zzgl. MwSt.
zzgl. 6,90 € Versand (brutto)
einmalig pro Bestellung

Lieferzeit: 5 Werktage

Pos.
129
BOSCH Entstörfilter | Ersatzteile für Gw-Winkelbohrmaschine | 2607329048
Hersteller: BOSCH
Artikelnummer: EB-0601116032-2607329048
nur Informationsartikel
Nie mehr lieferbar
keine Alternativen
Pos.
130
BOSCH Befestigungsschelle | Ersatzteile für Gw-Winkelbohrmaschine | 2601301002
Hersteller: BOSCH
Artikelnummer: EB-0601116032-2601301002
Netto: 4,36 € zzgl. MwSt.
zzgl. 6,90 € Versand (brutto)
einmalig pro Bestellung

Lieferzeit: 5 Werktage

Pos.
131
BOSCH Sechskantschraube | Ersatzteile für Gw-Winkelbohrmaschine | 2603527004
Hersteller: BOSCH
Artikelnummer: EB-0601116032-2603527004
Netto: 3,59 € zzgl. MwSt.
zzgl. 6,90 € Versand (brutto)
einmalig pro Bestellung

Lieferzeit: 5 Werktage

Pos.
135
BOSCH Gehäusedeckel BLAU | Ersatzteile für Gw-Winkelbohrmaschine | 3600508023
Hersteller: BOSCH
Artikelnummer: EB-0601116032-3600508023
nur Informationsartikel
Nie mehr lieferbar
keine Alternativen
Pos.
136
BOSCH Senkschraube DIN 63-AM3,5x8-5.8 | Ersatzteile für Gw-Winkelbohrmaschine | 2910501084
Hersteller: BOSCH
Artikelnummer: EB-0601116032-2910501084
nur Informationsartikel
Nie mehr lieferbar
keine Alternativen
Pos.
138
BOSCH Firmenschild | Ersatzteile für Gw-Winkelbohrmaschine | 2601007003
Hersteller: BOSCH
Artikelnummer: EB-0601116032-2601007003
nur Informationsartikel
Nie mehr lieferbar
keine Alternativen
Pos.
140
BOSCH Kerbnagel | Ersatzteile für Gw-Winkelbohrmaschine | 3603133000
Hersteller: BOSCH
Artikelnummer: EB-0601116032-3603133000
Netto: 4,53 € zzgl. MwSt.
zzgl. 6,90 € Versand (brutto)
einmalig pro Bestellung

Lieferzeit: 5 Werktage

Pos.
141
BOSCH Netzanschlussleitung CH 2,65m 2 x 1,0mm H05 VV-F | Ersatzteile für Gw-Winkelbohrmaschine | 1604460427
Hersteller: BOSCH
Artikelnummer: EB-0601116032-1604460427
Netto: 10,92 € zzgl. MwSt.
zzgl. 6,90 € Versand (brutto)
einmalig pro Bestellung

Lieferzeit: 5 Werktage

Pos.
142
BOSCH Leitungshalter | Ersatzteile für Gw-Winkelbohrmaschine | 2601099015
Hersteller: BOSCH
Artikelnummer: EB-0601116032-2601099015
Netto: 3,59 € zzgl. MwSt.
zzgl. 6,90 € Versand (brutto)
einmalig pro Bestellung

Lieferzeit: 5 Werktage

Pos.
143
BOSCH Elektr Leitung | Ersatzteile für Gw-Winkelbohrmaschine | 2604411061
Hersteller: BOSCH
Artikelnummer: EB-0601116032-2604411061
nur Informationsartikel
Nie mehr lieferbar
keine Alternativen
Pos.
160
BOSCH Einpressmutter | Ersatzteile für Gw-Winkelbohrmaschine | 2603349039
Hersteller: BOSCH
Artikelnummer: EB-0601116032-2603349039
Netto: 3,94 € zzgl. MwSt.
zzgl. 6,90 € Versand (brutto)
einmalig pro Bestellung

Lieferzeit: 5 Werktage

Pos.
161
BOSCH Einpressmutter | Ersatzteile für Gw-Winkelbohrmaschine | 2603349038
Hersteller: BOSCH
Artikelnummer: EB-0601116032-2603349038
nur Informationsartikel
Nie mehr lieferbar
keine Alternativen
Pos.
653
BOSCH Zahnkranzbohrfutter Ø 1-10 MM, 3/8" | Ersatzteile für +1116 | 1608571047
Hersteller: BOSCH
Artikelnummer: EB-0601116032-1608571047
nur Informationsartikel
Nie mehr lieferbar
keine Alternativen
Pos.
653
BOSCH Zahnkranzbohrfutter Ø1,5-10 MM, 3/8" | Ersatzteile für Gw-Winkelbohrmaschine | 1608571053
Hersteller: BOSCH
Artikelnummer: EB-0601116032-1608571053
nur Informationsartikel
Nie mehr lieferbar
keine Alternativen
Pos.
800
BOSCH Gewindebolzen Z=19 | Ersatzteile für Gw-Winkelbohrmaschine | 2603524900
Hersteller: BOSCH
Artikelnummer: EB-0601116032-2603524900
nur Informationsartikel
Nie mehr lieferbar
keine Alternativen
Pos.
801
BOSCH Kegelrad Z=19/57 | Ersatzteile für Gw-Winkelbohrmaschine | 2606333010
Hersteller: BOSCH
Artikelnummer: EB-0601116032-2606333010
nur Informationsartikel
Nie mehr lieferbar
keine Alternativen
Pos.
802
BOSCH Motorgehäuse BLAU | Ersatzteile für Gw-Winkelbohrmaschine | 2605108032
Hersteller: BOSCH
Artikelnummer: EB-0601116032-2605108032
nur Informationsartikel
Nie mehr lieferbar
keine Alternativen
Pos.
803
BOSCH Anschlussklemme | Ersatzteile für Gw-Winkelbohrmaschine | 2604490003
Hersteller: BOSCH
Artikelnummer: EB-0601116032-2604490003
nur Informationsartikel
Nie mehr lieferbar
keine Alternativen
Pos.
805
BOSCH Kohlebürstensatz | Ersatzteile für Gw-Winkelbohrmaschine | 2604320905
Hersteller: BOSCH
Artikelnummer: EB-0601116032-2604320905
nur Informationsartikel
Nie mehr lieferbar
keine Alternativen
Pos.
888
BOSCH Typschild | Ersatzteile für Gw-Winkelbohrmaschine | 160111A3H3
Hersteller: BOSCH
Artikelnummer: EB-0601116032-160111A3H3
Netto: 4,53 € zzgl. MwSt.
zzgl. 6,90 € Versand (brutto)
einmalig pro Bestellung

Lieferzeit: 5 Werktage

Angaben zur Produktsicherheit

Hersteller:
Robert Bosch Power Tools GmbH
Postfach 30 02 20
70442 Stuttgart

E-Mail:
kontakt@bosch.de