BOSCH Rillenkugellager 10x26x8 | Ersatzteile für Gw-Winkelbohrmaschine | 1900905127

Artikelnummer: EB-0601116034-1900905127

Position: 23

Marke: BOSCH


Bitte Kompatibilität prüfen!

Bitte prüfen Sie unbedingt die 10-stellige Typennummer Ihrer Maschine / Ihres Gerätes. Das Ersatzteil ist nur kompatibel, wenn Sie die Typennummer Ihrer Maschine in der unten stehenden Produktbeschreibung finden.

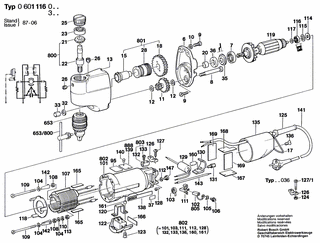
Bitte prüfen Sie ebenfalls detailliert die Explosionszeichnung mit Ihrem Artikelwunsch und der jeweiligen Pos-Nummer.

Alle Elemente, welche vom schwarzen Strich der Pos-Nummer ausgehend berührt / erfasst werden, gehören zu dieser Pos-Nummer und somit zu diesem Artikel. Jede Pos-Nummer ist ein eigenständiger Artikel, welchen Sie in der Auflistung finden.

Sie erhalten stets die aktuellste, neueste Produktversion zu der gewählten Pos-Nummer seitens des Herstellers. Es kann daher je nach Gerätealter vorkommen, dass Sie ggf. weitere, zugehörige Elemente, welche an diese Pos-Nummer grenzen, ebenfalls mittauschen müssen.

Nähere Informationen finden Sie unter dem Link
Hinweise zu Ihrer BOSCH Ersatzteilsuche

Preisübersicht

Einzelpreis: 24,13 €* (Brutto: 28,71 €)
Gesamtpreis: 24,13 €* 
Position:

Lieferzeit: 5 Werktage


Beschreibung

  • Rillenkugellager 10x26x8
  • Original Bosch Zubehör / BOSCH Ersatzteil (1900905127)
  • im Gerät verbaut: 1
Dieses BOSCH Ersatzteil ist mit folgendem Gerät und Modell kompatibel:
  • BOSCH Gerätename: Gw-Winkelbohrmaschine
  • BOSCH Explosionszeichnung: Position 23
  • BOSCH Typennummer: 0601116034
  • BOSCH Typennummer alternative Schreibweisen: 0 601 116 034, 0601 116 034, 0.601.116.034, 0-601-116-034
    Bitte prüfen Sie diese Typennummer auf Ihrem Gerät um die Kompatibilität des BOSCH Ersatzteils zu gewährleisten.
Weitere BOSCH Ersatzteile des Gerätes Gw-Winkelbohrmaschine mit der Typennummer 0601116034 finden Sie in der nachfolgenden Darstellung und im Dropdown zu Ihrer Auswahl:

Pos.
13/20
BOSCH Sinterbuchse DIN 1850-J12x18x12 | Ersatzteile für Gw-Winkelbohrmaschine | 1900301018
Hersteller: BOSCH
Artikelnummer: EB-0601116034-1900301018
nur Informationsartikel
Nie mehr lieferbar
keine Alternativen
Pos.
653/800
BOSCH Bohrfutterschlüssel SG2 | Ersatzteile für Gw-Winkelbohrmaschine | 2607950007
Hersteller: BOSCH
Artikelnummer: EB-0601116034-2607950007
Netto: 7,30 € zzgl. MwSt.
zzgl. 6,90 € Versand (brutto)
einmalig pro Bestellung

Lieferzeit: 5 Werktage

Pos.
7
BOSCH Rillenkugellager 609-ZY DIN 625 | Ersatzteile für Gw-Winkelbohrmaschine | 1900905007
Hersteller: BOSCH
Artikelnummer: EB-0601116034-1900905007
nur Informationsartikel
Nie mehr lieferbar
keine Alternativen
Pos.
9
BOSCH Zylinderschraube DIN 84-AM4x12-8.8 | Ersatzteile für Gw-Winkelbohrmaschine | 2910021122
Hersteller: BOSCH
Artikelnummer: EB-0601116034-2910021122
Netto: 4,32 € zzgl. MwSt.
zzgl. 6,90 € Versand (brutto)
einmalig pro Bestellung

Lieferzeit: 5 Werktage

Pos.
12
BOSCH Unterlegscheibe 0,2 MM | Ersatzteile für Gw-Winkelbohrmaschine | 2600100590
Hersteller: BOSCH
Artikelnummer: EB-0601116034-2600100590
nur Informationsartikel
Nie mehr lieferbar
keine Alternativen
Pos.
12
BOSCH Unterlegscheibe 0,5 MM | Ersatzteile für Gw-Winkelbohrmaschine | 2600100592
Hersteller: BOSCH
Artikelnummer: EB-0601116034-2600100592
nur Informationsartikel
Nie mehr lieferbar
keine Alternativen
Pos.
17
BOSCH Aufhängebügel | Ersatzteile für Gw-Winkelbohrmaschine | 1604682003
Hersteller: BOSCH
Artikelnummer: EB-0601116034-1604682003
nur Informationsartikel
Nie mehr lieferbar
keine Alternativen
Pos.
23
BOSCH Rillenkugellager 10x26x8 | Ersatzteile für Gw-Winkelbohrmaschine | 1900905127
Hersteller: BOSCH
Artikelnummer: EB-0601116034-1900905127
Netto: 24,13 € zzgl. MwSt.
zzgl. 6,90 € Versand (brutto)
einmalig pro Bestellung

Lieferzeit: 5 Werktage

Pos.
36
BOSCH Filzring | Ersatzteile für Gw-Winkelbohrmaschine | 2600108026
Hersteller: BOSCH
Artikelnummer: EB-0601116034-2600108026
Netto: 3,94 € zzgl. MwSt.
zzgl. 6,90 € Versand (brutto)
einmalig pro Bestellung

Lieferzeit: 5 Werktage

Pos.
37
BOSCH Hinweisschild DOPPELT ISOLIERT | Ersatzteile für Gw-Winkelbohrmaschine | 1601110058
Hersteller: BOSCH
Artikelnummer: EB-0601116034-1601110058
Netto: 3,94 € zzgl. MwSt.
zzgl. 6,90 € Versand (brutto)
einmalig pro Bestellung

Lieferzeit: 5 Werktage

Pos.
114
BOSCH Ausgleichscheibe | Ersatzteile für Gw-Winkelbohrmaschine | 2600100699
Hersteller: BOSCH
Artikelnummer: EB-0601116034-2600100699
Netto: 3,63 € zzgl. MwSt.
zzgl. 6,90 € Versand (brutto)
einmalig pro Bestellung

Lieferzeit: 5 Werktage

Pos.
116
BOSCH Rillenkugellager 625-2Z DIN 625 | Ersatzteile für Gw-Winkelbohrmaschine | 1900905015
Hersteller: BOSCH
Artikelnummer: EB-0601116034-1900905015
Netto: 26,88 € zzgl. MwSt.
zzgl. 6,90 € Versand (brutto)
einmalig pro Bestellung

Lieferzeit: 5 Werktage

Pos.
117
BOSCH Ausgleichscheibe 0,3 MM | Ersatzteile für Gw-Winkelbohrmaschine | 2600100612
Hersteller: BOSCH
Artikelnummer: EB-0601116034-2600100612
Netto: 4,53 € zzgl. MwSt.
zzgl. 6,90 € Versand (brutto)
einmalig pro Bestellung

Lieferzeit: 5 Werktage

Pos.
118
BOSCH Dichtring | Ersatzteile für Gw-Winkelbohrmaschine | 2600113019
Hersteller: BOSCH
Artikelnummer: EB-0601116034-2600113019
Netto: 4,80 € zzgl. MwSt.
zzgl. 6,90 € Versand (brutto)
einmalig pro Bestellung

Lieferzeit: 5 Werktage

Pos.
125
BOSCH Tülle Ø7,6-Ø8,2x95 MM | Ersatzteile für Gw-Winkelbohrmaschine | 2600703013
Hersteller: BOSCH
Artikelnummer: EB-0601116034-2600703013
Netto: 4,53 € zzgl. MwSt.
zzgl. 6,90 € Versand (brutto)
einmalig pro Bestellung

Lieferzeit: 5 Werktage

Pos.
125
BOSCH Tülle Ø8,3-Ø9,4x95 MM | Ersatzteile für Gw-Winkelbohrmaschine | 2600703011
Hersteller: BOSCH
Artikelnummer: EB-0601116034-2600703011
Netto: 4,82 € zzgl. MwSt.
zzgl. 6,90 € Versand (brutto)
einmalig pro Bestellung

Lieferzeit: 5 Werktage

Pos.
653
BOSCH Zahnkranzbohrfutter Ø 1-10 MM, 3/8" | Ersatzteile für 1116 | 1608571047
Hersteller: BOSCH
Artikelnummer: EB-0601116034-1608571047
nur Informationsartikel
Nie mehr lieferbar
keine Alternativen
Pos.
653
BOSCH Zahnkranzbohrfutter Ø1,5-10 MM, 3/8" | Ersatzteile für Gw-Winkelbohrmaschine | 1608571053
Hersteller: BOSCH
Artikelnummer: EB-0601116034-1608571053
nur Informationsartikel
Nie mehr lieferbar
keine Alternativen
Pos.
888
BOSCH Typschild | Ersatzteile für Gw-Winkelbohrmaschine | 160111A3H3
Hersteller: BOSCH
Artikelnummer: EB-0601116034-160111A3H3
Netto: 4,53 € zzgl. MwSt.
zzgl. 6,90 € Versand (brutto)
einmalig pro Bestellung

Lieferzeit: 5 Werktage

Angaben zur Produktsicherheit

Hersteller:
Robert Bosch Power Tools GmbH
Postfach 30 02 20
70442 Stuttgart

E-Mail:
kontakt@bosch.de