BOSCH Blechschraube DIN 7971-BZ3,5x13 | Ersatzteile für Gw-Winkelbohrmaschine | 2910211011

Artikelnummer: EB-0601116041-2910211011

Position: 127

Marke: BOSCH


Bitte Kompatibilität prüfen!

Bitte prüfen Sie unbedingt die 10-stellige Typennummer Ihrer Maschine / Ihres Gerätes. Das Ersatzteil ist nur kompatibel, wenn Sie die Typennummer Ihrer Maschine in der unten stehenden Produktbeschreibung finden.

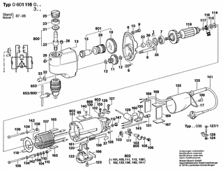
Bitte prüfen Sie ebenfalls detailliert die Explosionszeichnung mit Ihrem Artikelwunsch und der jeweiligen Pos-Nummer.

Alle Elemente, welche vom schwarzen Strich der Pos-Nummer ausgehend berührt / erfasst werden, gehören zu dieser Pos-Nummer und somit zu diesem Artikel. Jede Pos-Nummer ist ein eigenständiger Artikel, welchen Sie in der Auflistung finden.

Sie erhalten stets die aktuellste, neueste Produktversion zu der gewählten Pos-Nummer seitens des Herstellers. Es kann daher je nach Gerätealter vorkommen, dass Sie ggf. weitere, zugehörige Elemente, welche an diese Pos-Nummer grenzen, ebenfalls mittauschen müssen.

Nähere Informationen finden Sie unter dem Link
Hinweise zu Ihrer BOSCH Ersatzteilsuche

Preisübersicht

Einzelpreis: 3,63 €* (Brutto: 4,32 €)
Gesamtpreis: 3,63 €* 
Position:

Lieferzeit: 5 Werktage


Beschreibung

  • Blechschraube DIN 7971-BZ3,5x13
  • Original Bosch Zubehör / BOSCH Ersatzteil (2910211011)
  • im Gerät verbaut: 1
Dieses BOSCH Ersatzteil ist mit folgendem Gerät und Modell kompatibel:
  • BOSCH Gerätename: Gw-Winkelbohrmaschine
  • BOSCH Explosionszeichnung: Position 127
  • BOSCH Typennummer: 0601116041
  • BOSCH Typennummer alternative Schreibweisen: 0 601 116 041, 0601 116 041, 0.601.116.041, 0-601-116-041
    Bitte prüfen Sie diese Typennummer auf Ihrem Gerät um die Kompatibilität des BOSCH Ersatzteils zu gewährleisten.
Weitere BOSCH Ersatzteile des Gerätes Gw-Winkelbohrmaschine mit der Typennummer 0601116041 finden Sie in der nachfolgenden Darstellung und im Dropdown zu Ihrer Auswahl:

Pos.
653/800
BOSCH Bohrfutterschlüssel SG2 | Ersatzteile für Gw-Winkelbohrmaschine | 2607950007
Hersteller: BOSCH
Artikelnummer: EB-0601116041-2607950007
Netto: 7,30 € zzgl. MwSt.
zzgl. 6,90 € Versand (brutto)
einmalig pro Bestellung

Lieferzeit: 5 Werktage

Pos.
6
BOSCH Lagerflansch | Ersatzteile für Gw-Winkelbohrmaschine | 2605700077
Hersteller: BOSCH
Artikelnummer: EB-0601116041-2605700077
nur Informationsartikel
Nie mehr lieferbar
keine Alternativen
Pos.
9
BOSCH Zylinderschraube DIN 84-AM4x12-8.8 | Ersatzteile für Gw-Winkelbohrmaschine | 2910021122
Hersteller: BOSCH
Artikelnummer: EB-0601116041-2910021122
Netto: 4,32 € zzgl. MwSt.
zzgl. 6,90 € Versand (brutto)
einmalig pro Bestellung

Lieferzeit: 5 Werktage

Pos.
10
BOSCH Federring DIN 128-A4-FST | Ersatzteile für Gw-Winkelbohrmaschine | 2916690003
Hersteller: BOSCH
Artikelnummer: EB-0601116041-2916690003
Netto: 3,63 € zzgl. MwSt.
zzgl. 6,90 € Versand (brutto)
einmalig pro Bestellung

Lieferzeit: 5 Werktage

Pos.
11
BOSCH Stirnrad Z=13/43 | Ersatzteile für Gw-Winkelbohrmaschine | 2606328033
Hersteller: BOSCH
Artikelnummer: EB-0601116041-2606328033
nur Informationsartikel
Nie mehr lieferbar
keine Alternativen
Pos.
13
BOSCH Getriebegehäuse | Ersatzteile für Gw-Winkelbohrmaschine | 2605806256
Hersteller: BOSCH
Artikelnummer: EB-0601116041-2605806256
nur Informationsartikel
Nie mehr lieferbar
keine Alternativen
Pos.
15
BOSCH Kegelrad Z=19 | Ersatzteile für Gw-Winkelbohrmaschine | 2606333009
Hersteller: BOSCH
Artikelnummer: EB-0601116041-2606333009
nur Informationsartikel
Nie mehr lieferbar
keine Alternativen
Pos.
18
BOSCH Stirnrad Z=57 | Ersatzteile für Gw-Winkelbohrmaschine | 2605319041
Hersteller: BOSCH
Artikelnummer: EB-0601116041-2605319041
nur Informationsartikel
Nie mehr lieferbar
keine Alternativen
Pos.
26
BOSCH Gewindestift M 5x5 DIN 553-5.8 | Ersatzteile für Gw-Winkelbohrmaschine | 2912001147
Hersteller: BOSCH
Artikelnummer: EB-0601116041-2912001147
nur Informationsartikel
Nie mehr lieferbar
keine Alternativen
Pos.
32
BOSCH Federring DIN 128-A5-FST | Ersatzteile für Gw-Winkelbohrmaschine | 2916690004
Hersteller: BOSCH
Artikelnummer: EB-0601116041-2916690004
Netto: 3,94 € zzgl. MwSt.
zzgl. 6,90 € Versand (brutto)
einmalig pro Bestellung

Lieferzeit: 5 Werktage

Pos.
104
BOSCH Unterlegscheibe DIN 433-3,2-ST 50 | Ersatzteile für Gw-Winkelbohrmaschine | 2916011005
Hersteller: BOSCH
Artikelnummer: EB-0601116041-2916011005
Netto: 3,63 € zzgl. MwSt.
zzgl. 6,90 € Versand (brutto)
einmalig pro Bestellung

Lieferzeit: 5 Werktage

Pos.
106
BOSCH Kombi-Schraube DIN7985-M3x6-Z1-4.8 | Ersatzteile für Gw-Winkelbohrmaschine | 2914501011
Hersteller: BOSCH
Artikelnummer: EB-0601116041-2914501011
Netto: 3,63 € zzgl. MwSt.
zzgl. 6,90 € Versand (brutto)
einmalig pro Bestellung

Lieferzeit: 5 Werktage

Pos.
108
BOSCH Sechskantmutter DIN 934-M 3-m-8 | Ersatzteile für Gw-Winkelbohrmaschine | 2915011003
Hersteller: BOSCH
Artikelnummer: EB-0601116041-2915011003
Netto: 3,60 € zzgl. MwSt.
zzgl. 6,90 € Versand (brutto)
einmalig pro Bestellung

Lieferzeit: 5 Werktage

Pos.
109
BOSCH Zylinderschraube DIN 84-BM3x50-5.8 | Ersatzteile für Gw-Winkelbohrmaschine | 2910011074
Hersteller: BOSCH
Artikelnummer: EB-0601116041-2910011074
Netto: 3,63 € zzgl. MwSt.
zzgl. 6,90 € Versand (brutto)
einmalig pro Bestellung

Lieferzeit: 5 Werktage

Pos.
110
BOSCH Federring A3-FSt | Ersatzteile für Gw-Winkelbohrmaschine | 2916690001
Hersteller: BOSCH
Artikelnummer: EB-0601116041-2916690001
nur Informationsartikel
Nie mehr lieferbar
keine Alternativen
Pos.
112
BOSCH Unterlegscheibe Ø 2,6 MM-ST | Ersatzteile für Gw-Winkelbohrmaschine | 2916021007
Hersteller: BOSCH
Artikelnummer: EB-0601116041-2916021007
nur Informationsartikel
Nie mehr lieferbar
keine Alternativen
Pos.
113
BOSCH Sechskantmutter DIN 439-BM 3 | Ersatzteile für Gw-Winkelbohrmaschine | 2915051103
Hersteller: BOSCH
Artikelnummer: EB-0601116041-2915051103
Netto: 3,63 € zzgl. MwSt.
zzgl. 6,90 € Versand (brutto)
einmalig pro Bestellung

Lieferzeit: 5 Werktage

Pos.
122
BOSCH Schalter | Ersatzteile für Gw-Winkelbohrmaschine | 2607200045
Hersteller: BOSCH
Artikelnummer: EB-0601116041-2607200045
nur Informationsartikel
Nie mehr lieferbar
keine Alternativen
Pos.
123
BOSCH Senkschraube M 3x6 DIN 963-5.8 | Ersatzteile für Gw-Winkelbohrmaschine | 2910771048
Hersteller: BOSCH
Artikelnummer: EB-0601116041-2910771048
Netto: 3,93 € zzgl. MwSt.
zzgl. 6,90 € Versand (brutto)
einmalig pro Bestellung

Lieferzeit: 5 Werktage

Pos.
124
BOSCH Sechskantmutter M 2,6 DIN 934-M-6 | Ersatzteile für Gw-Winkelbohrmaschine | 2915011002
Hersteller: BOSCH
Artikelnummer: EB-0601116041-2915011002
nur Informationsartikel
Nie mehr lieferbar
keine Alternativen
Pos.
125
BOSCH Tülle Ø6,5-Ø6,9x95 MM | Ersatzteile für Gw-Winkelbohrmaschine | 2600703012
Hersteller: BOSCH
Artikelnummer: EB-0601116041-2600703012
Netto: 4,82 € zzgl. MwSt.
zzgl. 6,90 € Versand (brutto)
einmalig pro Bestellung

Lieferzeit: 5 Werktage

Pos.
125
BOSCH Tülle Ø8,3-Ø9,4x95 MM | Ersatzteile für Gw-Winkelbohrmaschine | 2600703011
Hersteller: BOSCH
Artikelnummer: EB-0601116041-2600703011
Netto: 4,82 € zzgl. MwSt.
zzgl. 6,90 € Versand (brutto)
einmalig pro Bestellung

Lieferzeit: 5 Werktage

Pos.
127
BOSCH Blechschraube DIN 7971-BZ3,5x13 | Ersatzteile für Gw-Winkelbohrmaschine | 2910211011
Hersteller: BOSCH
Artikelnummer: EB-0601116041-2910211011
Netto: 3,63 € zzgl. MwSt.
zzgl. 6,90 € Versand (brutto)
einmalig pro Bestellung

Lieferzeit: 5 Werktage

Pos.
128
BOSCH Rohrniet A2,5x0,3x4DIN7340-MS | Ersatzteile für Gw-Winkelbohrmaschine | 2917170554
Hersteller: BOSCH
Artikelnummer: EB-0601116041-2917170554
Netto: 3,63 € zzgl. MwSt.
zzgl. 6,90 € Versand (brutto)
einmalig pro Bestellung

Lieferzeit: 5 Werktage

Pos.
129
BOSCH Entstörfilter | Ersatzteile für Gw-Winkelbohrmaschine | 2607329048
Hersteller: BOSCH
Artikelnummer: EB-0601116041-2607329048
nur Informationsartikel
Nie mehr lieferbar
keine Alternativen
Pos.
135
BOSCH Gehäusedeckel BLAU | Ersatzteile für Gw-Winkelbohrmaschine | 3600508023
Hersteller: BOSCH
Artikelnummer: EB-0601116041-3600508023
nur Informationsartikel
Nie mehr lieferbar
keine Alternativen
Pos.
136
BOSCH Senkschraube DIN 63-AM3,5x8-5.8 | Ersatzteile für Gw-Winkelbohrmaschine | 2910501084
Hersteller: BOSCH
Artikelnummer: EB-0601116041-2910501084
nur Informationsartikel
Nie mehr lieferbar
keine Alternativen
Pos.
140
BOSCH Kerbnagel | Ersatzteile für Gw-Winkelbohrmaschine | 3603133000
Hersteller: BOSCH
Artikelnummer: EB-0601116041-3603133000
Netto: 4,53 € zzgl. MwSt.
zzgl. 6,90 € Versand (brutto)
einmalig pro Bestellung

Lieferzeit: 5 Werktage

Pos.
141
BOSCH Netzanschlussleitung | Ersatzteile für Gw-Winkelbohrmaschine | 3604460141
Hersteller: BOSCH
Artikelnummer: EB-0601116041-3604460141
nur Informationsartikel
Nie mehr lieferbar
keine Alternativen
Pos.
653
BOSCH Zahnkranzbohrfutter Ø 1-10 MM, 3/8" | Ersatzteile für 1116 | 1608571047
Hersteller: BOSCH
Artikelnummer: EB-0601116041-1608571047
nur Informationsartikel
Nie mehr lieferbar
keine Alternativen
Pos.
653
BOSCH Zahnkranzbohrfutter Ø1,5-10 MM, 3/8" | Ersatzteile für Gw-Winkelbohrmaschine | 1608571053
Hersteller: BOSCH
Artikelnummer: EB-0601116041-1608571053
nur Informationsartikel
Nie mehr lieferbar
keine Alternativen
Pos.
801
BOSCH Kegelrad Z=19/57 | Ersatzteile für Gw-Winkelbohrmaschine | 2606333010
Hersteller: BOSCH
Artikelnummer: EB-0601116041-2606333010
nur Informationsartikel
Nie mehr lieferbar
keine Alternativen
Pos.
888
BOSCH Typschild | Ersatzteile für Gw-Winkelbohrmaschine | 160111A3H3
Hersteller: BOSCH
Artikelnummer: EB-0601116041-160111A3H3
Netto: 4,53 € zzgl. MwSt.
zzgl. 6,90 € Versand (brutto)
einmalig pro Bestellung

Lieferzeit: 5 Werktage

Angaben zur Produktsicherheit

Hersteller:
Robert Bosch Power Tools GmbH
Postfach 30 02 20
70442 Stuttgart

E-Mail:
kontakt@bosch.de