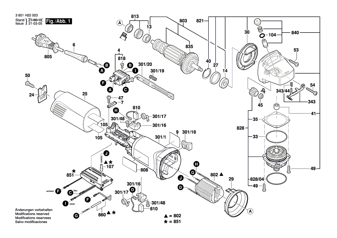
BOSCH O-Ring 46,0x1,1 MM | Ersatzteile für GWS 1100 | 1600210035

Artikelnummer: EB-3601H22003-1600210035

Position: 33

Marke: BOSCH


Bitte Kompatibilität prüfen!

Bitte prüfen Sie unbedingt die 10-stellige Typennummer Ihrer Maschine / Ihres Gerätes. Das Ersatzteil ist nur kompatibel, wenn Sie die Typennummer Ihrer Maschine in der unten stehenden Produktbeschreibung finden.

Bitte prüfen Sie ebenfalls detailliert die Explosionszeichnung mit Ihrem Artikelwunsch und der jeweiligen Pos-Nummer.

Alle Elemente, welche vom schwarzen Strich der Pos-Nummer ausgehend berührt / erfasst werden, gehören zu dieser Pos-Nummer und somit zu diesem Artikel. Jede Pos-Nummer ist ein eigenständiger Artikel, welchen Sie in der Auflistung finden.

Sie erhalten stets die aktuellste, neueste Produktversion zu der gewählten Pos-Nummer seitens des Herstellers. Es kann daher je nach Gerätealter vorkommen, dass Sie ggf. weitere, zugehörige Elemente, welche an diese Pos-Nummer grenzen, ebenfalls mittauschen müssen.

Nähere Informationen finden Sie unter dem Link
Hinweise zu Ihrer BOSCH Ersatzteilsuche

Preisübersicht

Einzelpreis: 3,94 €* (Brutto: 4,69 €)
Gesamtpreis: 3,94 €* 
Position:

Lieferzeit: 5 Werktage


Beschreibung

  • O-Ring 46,0x1,1 MM
  • Original Bosch Zubehör / BOSCH Ersatzteil (1600210035)
  • im Gerät verbaut: 1
Dieses BOSCH Ersatzteil ist mit folgendem Gerät und Modell kompatibel:
  • BOSCH Gerätename: GWS 1100
  • BOSCH Explosionszeichnung: Position 33
  • BOSCH Typennummer: 3601H22003
  • BOSCH Typennummer alternative Schreibweisen: 3 601 H22 003, 3601 H22 003, 3.601.H22.003, 3-601-H22-003
    Bitte prüfen Sie diese Typennummer auf Ihrem Gerät um die Kompatibilität des BOSCH Ersatzteils zu gewährleisten.
Weitere BOSCH Ersatzteile des Gerätes GWS 1100 (Winkelschleifer) mit der Typennummer 3601H22003 finden Sie in der nachfolgenden Darstellung und im Dropdown zu Ihrer Auswahl:

Pos.
301/1
BOSCH Motorgehäuse DUNKELBLAU | Ersatzteile für GWS 1100 | 1605108248
Hersteller: BOSCH
Artikelnummer: EB-3601H22003-1605108248
Netto: 9,18 € zzgl. MwSt.
zzgl. 6,90 € Versand (brutto)
einmalig pro Bestellung

Lieferzeit: 5 Werktage

Pos.
301/16
BOSCH Bürstenhalter | Ersatzteile für GWS 1100 | 1601323025
Hersteller: BOSCH
Artikelnummer: EB-3601H22003-1601323025
Netto: 5,19 € zzgl. MwSt.
zzgl. 6,90 € Versand (brutto)
einmalig pro Bestellung

Lieferzeit: 5 Werktage

Pos.
301/16
BOSCH Bürstenhalter MIT ABSCHALTORGAN | Ersatzteile für GWS 1100 | 1601323023
Hersteller: BOSCH
Artikelnummer: EB-3601H22003-1601323023
Netto: 5,19 € zzgl. MwSt.
zzgl. 6,90 € Versand (brutto)
einmalig pro Bestellung

Lieferzeit: 5 Werktage

Pos.
301/17
BOSCH Spiralfeder | Ersatzteile für GWS 1100 | 1604652013
Hersteller: BOSCH
Artikelnummer: EB-3601H22003-1604652013
Netto: 3,94 € zzgl. MwSt.
zzgl. 6,90 € Versand (brutto)
einmalig pro Bestellung

Lieferzeit: 5 Werktage

Pos.
301/18
BOSCH Schaltergriff | Ersatzteile für GWS 1100 | 1602026088
Hersteller: BOSCH
Artikelnummer: EB-3601H22003-1602026088
Netto: 3,63 € zzgl. MwSt.
zzgl. 6,90 € Versand (brutto)
einmalig pro Bestellung

Lieferzeit: 5 Werktage

Pos.
301/19
BOSCH Druckfeder | Ersatzteile für GWS 1100 | 1604611026
Hersteller: BOSCH
Artikelnummer: EB-3601H22003-1604611026
Netto: 3,63 € zzgl. MwSt.
zzgl. 6,90 € Versand (brutto)
einmalig pro Bestellung

Lieferzeit: 38 Werktage

Pos.
301/20
BOSCH Verstellschieber SCHWARZ | Ersatzteile für GWS 1100 | 1602319010
Hersteller: BOSCH
Artikelnummer: EB-3601H22003-1602319010
Netto: 3,94 € zzgl. MwSt.
zzgl. 6,90 € Versand (brutto)
einmalig pro Bestellung

Lieferzeit: 5 Werktage

Pos.
301/48
BOSCH Linsenkopfschraube 3x10 ST | Ersatzteile für GWS 1100 | 1613435034
Hersteller: BOSCH
Artikelnummer: EB-3601H22003-1613435034
nur Informationsartikel
Nie mehr lieferbar
keine Alternativen
Pos.
343/44
BOSCH Druckfeder | Ersatzteile für GWS 1100 | 1604611042
Hersteller: BOSCH
Artikelnummer: EB-3601H22003-1604611042
nur Informationsartikel
Nie mehr lieferbar
keine Alternativen
Pos.
828/04
BOSCH O-Ring 47,0x1,5 MM | Ersatzteile für GWS 1100 | 3600210109
Hersteller: BOSCH
Artikelnummer: EB-3601H22003-3600210109
Netto: 4,32 € zzgl. MwSt.
zzgl. 6,90 € Versand (brutto)
einmalig pro Bestellung

Lieferzeit: 5 Werktage

Pos.
4
BOSCH Schalter | Ersatzteile für GWS 1100 | 1607200199
Hersteller: BOSCH
Artikelnummer: EB-3601H22003-1607200199
Netto: 14,36 € zzgl. MwSt.
zzgl. 6,90 € Versand (brutto)
einmalig pro Bestellung

Lieferzeit: 5 Werktage

Pos.
6
BOSCH Tülle Ø6,4-Ø7,2x67 MM | Ersatzteile für GWS 1100 | 1600703030
Hersteller: BOSCH
Artikelnummer: EB-3601H22003-1600703030
Netto: 4,53 € zzgl. MwSt.
zzgl. 6,90 € Versand (brutto)
einmalig pro Bestellung

Lieferzeit: 5 Werktage

Pos.
7
BOSCH Befestigungsschelle | Ersatzteile für GWS 1100 | 1601302017
Hersteller: BOSCH
Artikelnummer: EB-3601H22003-1601302017
Netto: 3,63 € zzgl. MwSt.
zzgl. 6,90 € Versand (brutto)
einmalig pro Bestellung

Lieferzeit: 5 Werktage

Pos.
9
BOSCH Firmenschild | Ersatzteile für GWS 1100 | 1601118K91
Hersteller: BOSCH
Artikelnummer: EB-3601H22003-1601118K91
Netto: 4,53 € zzgl. MwSt.
zzgl. 6,90 € Versand (brutto)
einmalig pro Bestellung

Lieferzeit: 5 Werktage

Pos.
13
BOSCH Kugellager 7x19x6 | Ersatzteile für GWS 1100 | 2600905032
Hersteller: BOSCH
Artikelnummer: EB-3601H22003-2600905032
Netto: 6,15 € zzgl. MwSt.
zzgl. 6,90 € Versand (brutto)
einmalig pro Bestellung

Lieferzeit: 38 Werktage

Pos.
14
BOSCH Rillenkugellager 8x22x7 | Ersatzteile für GWS 1100 | 1600905032
Hersteller: BOSCH
Artikelnummer: EB-3601H22003-1600905032
Netto: 6,70 € zzgl. MwSt.
zzgl. 6,90 € Versand (brutto)
einmalig pro Bestellung

Lieferzeit: 28 Werktage

Pos.
24
BOSCH Abdeckung BLAU | Ersatzteile für GWS 1100 | 1605500228
Hersteller: BOSCH
Artikelnummer: EB-3601H22003-1605500228
Netto: 4,53 € zzgl. MwSt.
zzgl. 6,90 € Versand (brutto)
einmalig pro Bestellung

Lieferzeit: 5 Werktage

Pos.
25
BOSCH Gehäusedeckel DUNKELBLAU | Ersatzteile für GWS 1100 | 1605500251
Hersteller: BOSCH
Artikelnummer: EB-3601H22003-1605500251
Netto: 7,76 € zzgl. MwSt.
zzgl. 6,90 € Versand (brutto)
einmalig pro Bestellung

Lieferzeit: 5 Werktage

Pos.
27
BOSCH Gummiring | Ersatzteile für GWS 1100 | 1600206025
Hersteller: BOSCH
Artikelnummer: EB-3601H22003-1600206025
Netto: 4,32 € zzgl. MwSt.
zzgl. 6,90 € Versand (brutto)
einmalig pro Bestellung

Lieferzeit: 5 Werktage

Pos.
29
BOSCH Luftleitring | Ersatzteile für GWS 1100 | 1600591025
Hersteller: BOSCH
Artikelnummer: EB-3601H22003-1600591025
Netto: 4,53 € zzgl. MwSt.
zzgl. 6,90 € Versand (brutto)
einmalig pro Bestellung

Lieferzeit: 5 Werktage

Pos.
30
BOSCH Luftleitring | Ersatzteile für GWS 1100 | 1600591014
Hersteller: BOSCH
Artikelnummer: EB-3601H22003-1600591014
Netto: 4,53 € zzgl. MwSt.
zzgl. 6,90 € Versand (brutto)
einmalig pro Bestellung

Lieferzeit: 5 Werktage

Pos.
32
BOSCH Schleifspindel | Ersatzteile für GWS 1100 | 1607000D6A
Hersteller: BOSCH
Artikelnummer: EB-3601H22003-1607000D6A
Netto: 7,76 € zzgl. MwSt.
zzgl. 6,90 € Versand (brutto)
einmalig pro Bestellung

Lieferzeit: 5 Werktage

Pos.
33
BOSCH O-Ring 46,0x1,1 MM | Ersatzteile für GWS 1100 | 1600210035
Hersteller: BOSCH
Artikelnummer: EB-3601H22003-1600210035
Netto: 3,94 € zzgl. MwSt.
zzgl. 6,90 € Versand (brutto)
einmalig pro Bestellung

Lieferzeit: 5 Werktage

Pos.
35
BOSCH Ausgleichscheibe 0,1 MM DICK | Ersatzteile für GWS 1100 | 1600136013
Hersteller: BOSCH
Artikelnummer: EB-3601H22003-1600136013
Netto: 4,53 € zzgl. MwSt.
zzgl. 6,90 € Versand (brutto)
einmalig pro Bestellung

Lieferzeit: 5 Werktage

Pos.
35
BOSCH Ausgleichscheibe 0,15 MM DICK | Ersatzteile für GWS 1100 | 1600136020
Hersteller: BOSCH
Artikelnummer: EB-3601H22003-1600136020
nur Informationsartikel
Nie mehr lieferbar
keine Alternativen
Pos.
35
BOSCH Ausgleichscheibe 0,2 MM DICK | Ersatzteile für GWS 1100 | 1600136014
Hersteller: BOSCH
Artikelnummer: EB-3601H22003-1600136014
Netto: 4,53 € zzgl. MwSt.
zzgl. 6,90 € Versand (brutto)
einmalig pro Bestellung

Lieferzeit: 5 Werktage

Pos.
35
BOSCH Ausgleichscheibe 0,3 MM DICK | Ersatzteile für GWS 1100 | 1600136015
Hersteller: BOSCH
Artikelnummer: EB-3601H22003-1600136015
nur Informationsartikel
Nie mehr lieferbar
keine Alternativen
Pos.
38
BOSCH Tellerrad Z=38 | Ersatzteile für GWS 1100 | 1606333616
Hersteller: BOSCH
Artikelnummer: EB-3601H22003-1606333616
nur Informationsartikel
Nie mehr lieferbar
keine Alternativen
Pos.
39
BOSCH Kegelrad Z=11 | Ersatzteile für GWS 1100 | 1606333617
Hersteller: BOSCH
Artikelnummer: EB-3601H22003-1606333617
nur Informationsartikel
Nie mehr lieferbar
keine Alternativen
Pos.
40
BOSCH Sicherungsbügel | Ersatzteile für GWS 1100 | 1600119011
Hersteller: BOSCH
Artikelnummer: EB-3601H22003-1600119011
Netto: 4,32 € zzgl. MwSt.
zzgl. 6,90 € Versand (brutto)
einmalig pro Bestellung

Lieferzeit: 5 Werktage

Pos.
41
BOSCH Gleitlager | Ersatzteile für GWS 1100 | 1600200029
Hersteller: BOSCH
Artikelnummer: EB-3601H22003-1600200029
Netto: 5,19 € zzgl. MwSt.
zzgl. 6,90 € Versand (brutto)
einmalig pro Bestellung

Lieferzeit: 5 Werktage

Pos.
45
BOSCH Sechskantmutter M7, SW10 | Ersatzteile für GWS 1100 | 1603300016
Hersteller: BOSCH
Artikelnummer: EB-3601H22003-1603300016
Netto: 3,94 € zzgl. MwSt.
zzgl. 6,90 € Versand (brutto)
einmalig pro Bestellung

Lieferzeit: 5 Werktage

Pos.
47
BOSCH Torx-Linsenschraube 4x12 | Ersatzteile für GWS 1100 | 2603490021
Hersteller: BOSCH
Artikelnummer: EB-3601H22003-2603490021
Netto: 3,63 € zzgl. MwSt.
zzgl. 6,90 € Versand (brutto)
einmalig pro Bestellung

Lieferzeit: 5 Werktage

Pos.
49
BOSCH Gewindefurchschraube M4x16 | Ersatzteile für GWS 1100 | 2914491410
Hersteller: BOSCH
Artikelnummer: EB-3601H22003-2914491410
Netto: 3,63 € zzgl. MwSt.
zzgl. 6,90 € Versand (brutto)
einmalig pro Bestellung

Lieferzeit: 5 Werktage

Pos.
50
BOSCH Torx-Linsenschraube 4x20 | Ersatzteile für GWS 1100 | 2603490023
Hersteller: BOSCH
Artikelnummer: EB-3601H22003-2603490023
Netto: 3,63 € zzgl. MwSt.
zzgl. 6,90 € Versand (brutto)
einmalig pro Bestellung

Lieferzeit: 5 Werktage

Pos.
53
BOSCH Torx-Linsenschraube | Ersatzteile für GWS 1100 | 1603435078
Hersteller: BOSCH
Artikelnummer: EB-3601H22003-1603435078
Netto: 3,63 € zzgl. MwSt.
zzgl. 6,90 € Versand (brutto)
einmalig pro Bestellung

Lieferzeit: 5 Werktage

Pos.
54
BOSCH Torx-Linsenschraube 4x30 | Ersatzteile für GWS 1100 | 1603414026
Hersteller: BOSCH
Artikelnummer: EB-3601H22003-1603414026
Netto: 3,63 € zzgl. MwSt.
zzgl. 6,90 € Versand (brutto)
einmalig pro Bestellung

Lieferzeit: 5 Werktage

Pos.
80
BOSCH Abdeckscheibe | Ersatzteile für GWS 1100 | 1619P09390
Hersteller: BOSCH
Artikelnummer: EB-3601H22003-1619P09390
Netto: 4,32 € zzgl. MwSt.
zzgl. 6,90 € Versand (brutto)
einmalig pro Bestellung

Lieferzeit: 5 Werktage

Pos.
80
BOSCH Dichtscheibe | Ersatzteile für GWS 1100 | 3600150021
Hersteller: BOSCH
Artikelnummer: EB-3601H22003-3600150021
Netto: 4,15 € zzgl. MwSt.
zzgl. 6,90 € Versand (brutto)
einmalig pro Bestellung

Lieferzeit: 5 Werktage

Pos.
104
BOSCH O-Ring 4,5x1,0 MM BLAU | Ersatzteile für GWS 1100 | 1600210044
Hersteller: BOSCH
Artikelnummer: EB-3601H22003-1600210044
Netto: 3,63 € zzgl. MwSt.
zzgl. 6,90 € Versand (brutto)
einmalig pro Bestellung

Lieferzeit: 5 Werktage

Pos.
105
BOSCH Isolierplatte | Ersatzteile für GWS 1100 | 1601008005
Hersteller: BOSCH
Artikelnummer: EB-3601H22003-1601008005
Netto: 6,15 € zzgl. MwSt.
zzgl. 6,90 € Versand (brutto)
einmalig pro Bestellung

Lieferzeit: 5 Werktage

Pos.
107
BOSCH Isolierteil | Ersatzteile für GWS 1100 | 1600712030
Hersteller: BOSCH
Artikelnummer: EB-3601H22003-1600712030
Netto: 3,94 € zzgl. MwSt.
zzgl. 6,90 € Versand (brutto)
einmalig pro Bestellung

Lieferzeit: 5 Werktage

Pos.
343
BOSCH Rasthebel | Ersatzteile für GWS 1100 | 1607000742
Hersteller: BOSCH
Artikelnummer: EB-3601H22003-1607000742
nur Informationsartikel
Nie mehr lieferbar
keine Alternativen
Pos.
651
BOSCH Schutzhaube | Ersatzteile für GWS 1100 | 1600A025XR
Hersteller: BOSCH
Artikelnummer: EB-3601H22003-1600A025XR
Netto: 9,18 € zzgl. MwSt.
zzgl. 6,90 € Versand (brutto)
einmalig pro Bestellung

Lieferzeit: 5 Werktage

Pos.
802
BOSCH Polschuh 220-240V | Ersatzteile für GWS 1100 | 1607000395
Hersteller: BOSCH
Artikelnummer: EB-3601H22003-1607000395
Netto: 24,13 € zzgl. MwSt.
zzgl. 6,90 € Versand (brutto)
einmalig pro Bestellung

Lieferzeit: 5 Werktage

Pos.
803
BOSCH Anker Mit Lüfter 220-240V | Ersatzteile für GWS 1100 | 1604010A21
Hersteller: BOSCH
Artikelnummer: EB-3601H22003-1604010A21
Netto: 39,11 € zzgl. MwSt.
zzgl. 6,90 € Versand (brutto)
einmalig pro Bestellung

Lieferzeit: 5 Werktage

Pos.
805
BOSCH Netzanschlussleitung EU 230V 4,15m 2 x 1,0mm H05 RN-F | Ersatzteile für GWS 1100 | 1607000386
Hersteller: BOSCH
Artikelnummer: EB-3601H22003-1607000386
Netto: 17,38 € zzgl. MwSt.
zzgl. 6,90 € Versand (brutto)
einmalig pro Bestellung

Lieferzeit: 5 Werktage

Pos.
808
BOSCH Typschild | Ersatzteile für GWS 1100 | 160111A3H3
Hersteller: BOSCH
Artikelnummer: EB-3601H22003-160111A3H3
Netto: 4,53 € zzgl. MwSt.
zzgl. 6,90 € Versand (brutto)
einmalig pro Bestellung

Lieferzeit: 5 Werktage

Pos.
810
BOSCH Kohlebürstensatz | Ersatzteile für GWS 1100 | 1607014176
Hersteller: BOSCH
Artikelnummer: EB-3601H22003-1607014176
Netto: 11,92 € zzgl. MwSt.
zzgl. 6,90 € Versand (brutto)
einmalig pro Bestellung

Lieferzeit: 5 Werktage

Pos.
810
BOSCH Kohlebürstensatz 10 x 1 607 014 176 | Ersatzteile für GWS 1100 | 1607000482
Hersteller: BOSCH
Artikelnummer: EB-3601H22003-1607000482
Netto: 86,83 € zzgl. MwSt.
zzgl. 6,90 € Versand (brutto)
einmalig pro Bestellung

Lieferzeit: 5 Werktage

Pos.
813
BOSCH Teilesatz | Ersatzteile für GWS 1100 | 1607000378
Hersteller: BOSCH
Artikelnummer: EB-3601H22003-1607000378
Netto: 7,30 € zzgl. MwSt.
zzgl. 6,90 € Versand (brutto)
einmalig pro Bestellung

Lieferzeit: 5 Werktage

Pos.
818
BOSCH Flachkopfschraube DIN 85-AM3x6-CUZN | Ersatzteile für GWS 1100 | 2910110048
Hersteller: BOSCH
Artikelnummer: EB-3601H22003-2910110048
Netto: 3,63 € zzgl. MwSt.
zzgl. 6,90 € Versand (brutto)
einmalig pro Bestellung

Lieferzeit: 5 Werktage

Pos.
821
BOSCH Getriebegehäuse | Ersatzteile für GWS 1100 | 16058065SC
Hersteller: BOSCH
Artikelnummer: EB-3601H22003-16058065SC
Netto: 14,36 € zzgl. MwSt.
zzgl. 6,90 € Versand (brutto)
einmalig pro Bestellung

Lieferzeit: 65 Werktage

Pos.
828
BOSCH Lagerflansch | Ersatzteile für GWS 1100 | 1607000E1D
Hersteller: BOSCH
Artikelnummer: EB-3601H22003-1607000E1D
Netto: 19,18 € zzgl. MwSt.
zzgl. 6,90 € Versand (brutto)
einmalig pro Bestellung

Lieferzeit: 5 Werktage

Pos.
835
BOSCH Lüfter | Ersatzteile für GWS 1100 | 1606610129
Hersteller: BOSCH
Artikelnummer: EB-3601H22003-1606610129
Netto: 4,32 € zzgl. MwSt.
zzgl. 6,90 € Versand (brutto)
einmalig pro Bestellung

Lieferzeit: 5 Werktage

Pos.
840
BOSCH Druckknopf | Ersatzteile für GWS 1100 | 1607000A71
Hersteller: BOSCH
Artikelnummer: EB-3601H22003-1607000A71
Netto: 5,19 € zzgl. MwSt.
zzgl. 6,90 € Versand (brutto)
einmalig pro Bestellung

Lieferzeit: 5 Werktage

Pos.
851
BOSCH Drehzahlregler 220-240V | Ersatzteile für GWS 1100 | 1607233289
Hersteller: BOSCH
Artikelnummer: EB-3601H22003-1607233289
Netto: 21,16 € zzgl. MwSt.
zzgl. 6,90 € Versand (brutto)
einmalig pro Bestellung

Lieferzeit: 5 Werktage

Pos.
860
BOSCH Verbindungskabel | Ersatzteile für GWS 1100 | 1604448023
Hersteller: BOSCH
Artikelnummer: EB-3601H22003-1604448023
Netto: 3,94 € zzgl. MwSt.
zzgl. 6,90 € Versand (brutto)
einmalig pro Bestellung

Lieferzeit: 5 Werktage

Pos.
890
BOSCH O-Ring 20,35x1,78 MM | Ersatzteile für GWS 1100 | 1600210039
Hersteller: BOSCH
Artikelnummer: EB-3601H22003-1600210039
Netto: 4,32 € zzgl. MwSt.
zzgl. 6,90 € Versand (brutto)
einmalig pro Bestellung

Lieferzeit: 5 Werktage

Pos.
891
BOSCH Zusatzhandgriff | Ersatzteile für GWS 1100 | 1619P16111
Hersteller: BOSCH
Artikelnummer: EB-3601H22003-1619P16111
Netto: 4,82 € zzgl. MwSt.
zzgl. 6,90 € Versand (brutto)
einmalig pro Bestellung

Lieferzeit: 5 Werktage

Pos.
891
BOSCH Zusatzhandgriff M10, Ø32,5x105 MM | Ersatzteile für GWS 1100 | 2602025067
Hersteller: BOSCH
Artikelnummer: EB-3601H22003-2602025067
nur Informationsartikel
Nie mehr lieferbar
keine Alternativen
Pos.
892
BOSCH Rundmutter M14 | Ersatzteile für GWS 1100 | 1603345043
Hersteller: BOSCH
Artikelnummer: EB-3601H22003-1603345043
Netto: 8,33 € zzgl. MwSt.
zzgl. 6,90 € Versand (brutto)
einmalig pro Bestellung

Lieferzeit: 5 Werktage

Pos.
893
BOSCH Zweilochmutterndreher | Ersatzteile für GWS 1100 | 1607950052
Hersteller: BOSCH
Artikelnummer: EB-3601H22003-1607950052
Netto: 5,19 € zzgl. MwSt.
zzgl. 6,90 € Versand (brutto)
einmalig pro Bestellung

Lieferzeit: 5 Werktage

Pos.
895
BOSCH Aufspannflansch Ø22,3xØ42 MM | Ersatzteile für GWS 1100 | 2605703014
Hersteller: BOSCH
Artikelnummer: EB-3601H22003-2605703014
nur Informationsartikel
Nie mehr lieferbar
keine Alternativen
Pos.
896
BOSCH Schnellspannmutter M14, SDS-CLIC | Ersatzteile für GWS 1100 | 1600A016PP
Hersteller: BOSCH
Artikelnummer: EB-3601H22003-1600A016PP
Netto: 29,45 € zzgl. MwSt.
zzgl. 6,90 € Versand (brutto)
einmalig pro Bestellung

Lieferzeit: 45 Werktage

Pos.
897
BOSCH Fetttube 225 ML | Ersatzteile für GWS 1100 | 1605430003
Hersteller: BOSCH
Artikelnummer: EB-3601H22003-1605430003
Netto: 29,45 € zzgl. MwSt.
zzgl. 6,90 € Versand (brutto)
einmalig pro Bestellung

Lieferzeit: 5 Werktage

Pos.
898
BOSCH Fetttube 225 ML | Ersatzteile für GWS 1100 | 1615430020
Hersteller: BOSCH
Artikelnummer: EB-3601H22003-1615430020
Netto: 17,38 € zzgl. MwSt.
zzgl. 6,90 € Versand (brutto)
einmalig pro Bestellung

Lieferzeit: 5 Werktage

Pos.
899
BOSCH Öl 1000 ML | Ersatzteile für GWS 1100 | 3605430008
Hersteller: BOSCH
Artikelnummer: EB-3601H22003-3605430008
Netto: 24,13 € zzgl. MwSt.
zzgl. 6,90 € Versand (brutto)
einmalig pro Bestellung

Lieferzeit: 5 Werktage

Angaben zur Produktsicherheit

Hersteller:
Robert Bosch Power Tools GmbH
Postfach 30 02 20
70442 Stuttgart

E-Mail:
kontakt@bosch.de