BOSCH: Versand-Pause / Inventur von 05.12.2025 - 15.12.2025 - es erfolgt kein Versand in dieser Zeit. Bitte addieren Sie das Zeitfenster zu der angegebenen Lieferzeit im Artikel.
BOSCH Aufnahmeflansch Ø22,2x42 MM | Ersatzteile für GWS 14-125 C | 1605703099

Artikelnummer: EB-0601384703-1605703099

Position: 750/50

Marke: BOSCH


Bitte Kompatibilität prüfen!

Bitte prüfen Sie unbedingt die 10-stellige Typennummer Ihrer Maschine / Ihres Gerätes. Das Ersatzteil ist nur kompatibel, wenn Sie die Typennummer Ihrer Maschine in der unten stehenden Produktbeschreibung finden.

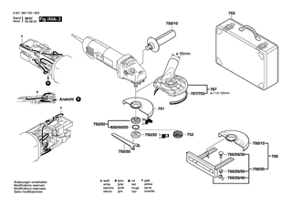
Bitte prüfen Sie ebenfalls detailliert die Explosionszeichnung mit Ihrem Artikelwunsch und der jeweiligen Pos-Nummer.

Alle Elemente, welche vom schwarzen Strich der Pos-Nummer ausgehend berührt / erfasst werden, gehören zu dieser Pos-Nummer und somit zu diesem Artikel. Jede Pos-Nummer ist ein eigenständiger Artikel, welchen Sie in der Auflistung finden.

Sie erhalten stets die aktuellste, neueste Produktversion zu der gewählten Pos-Nummer seitens des Herstellers. Es kann daher je nach Gerätealter vorkommen, dass Sie ggf. weitere, zugehörige Elemente, welche an diese Pos-Nummer grenzen, ebenfalls mittauschen müssen.

Nähere Informationen finden Sie unter dem Link
Hinweise zu Ihrer BOSCH Ersatzteilsuche

Preisübersicht

Einzelpreis: 13,26 €* (Brutto: 15,78 €)
Gesamtpreis: 13,26 €* 
Position:

Lieferzeit: 5 Werktage


Beschreibung

  • Aufnahmeflansch Ø22,2x42 MM
  • Original Bosch Zubehör / BOSCH Ersatzteil (1605703099)
  • im Gerät verbaut: 1
Dieses BOSCH Ersatzteil ist mit folgendem Gerät und Modell kompatibel:
  • BOSCH Gerätename: GWS 14-125 C
  • BOSCH Explosionszeichnung: Position 750/50
  • BOSCH Typennummer: 0601384703
  • BOSCH Typennummer alternative Schreibweisen: 0 601 384 703, 0601 384 703, 0.601.384.703, 0-601-384-703
    Bitte prüfen Sie diese Typennummer auf Ihrem Gerät um die Kompatibilität des BOSCH Ersatzteils zu gewährleisten.
Weitere BOSCH Ersatzteile des Gerätes GWS 14-125 C (Winkelschleifer) mit der Typennummer 0601384703 finden Sie in der nachfolgenden Darstellung und im Dropdown zu Ihrer Auswahl:

Pos.
1
BOSCH Motorgehäuse BLAU | Ersatzteile für GWS 14-125 C | 1605108162
Hersteller: BOSCH
Artikelnummer: EB-0601384703-1605108162
nur Informationsartikel
Nie mehr lieferbar
keine Alternativen
Pos.
750/10
BOSCH Zusatzhandgriff | Ersatzteile für GWS 14-125 C | 1619P16111
Hersteller: BOSCH
Artikelnummer: EB-0601384703-1619P16111
Netto: 5,17 € zzgl. MwSt.
zzgl. 6,90 € Versand (brutto)
einmalig pro Bestellung

Lieferzeit: 16 Werktage

Pos.
2
BOSCH Polschuh 220-230V | Ersatzteile für GWS 14-125 C | 1607000F0S
Hersteller: BOSCH
Artikelnummer: EB-0601384703-1607000F0S
Netto: 28,93 € zzgl. MwSt.
zzgl. 6,90 € Versand (brutto)
einmalig pro Bestellung

Lieferzeit: 5 Werktage

Pos.
3/50
BOSCH Lüfter | Ersatzteile für GWS 14-125 C | 1606610132
Hersteller: BOSCH
Artikelnummer: EB-0601384703-1606610132
Netto: 4,36 € zzgl. MwSt.
zzgl. 6,90 € Versand (brutto)
einmalig pro Bestellung

Lieferzeit: 5 Werktage

Pos.
6
BOSCH Tülle Ø6,4-Ø7,2x67 MM | Ersatzteile für GWS 14-125 C | 1600703030
Hersteller: BOSCH
Artikelnummer: EB-0601384703-1600703030
Netto: 4,56 € zzgl. MwSt.
zzgl. 6,90 € Versand (brutto)
einmalig pro Bestellung

Lieferzeit: 5 Werktage

Pos.
6
BOSCH Tülle Ø8,7-Ø9,5x67 MM | Ersatzteile für GWS 14-125 C | 1600703032
Hersteller: BOSCH
Artikelnummer: EB-0601384703-1600703032
Netto: 4,56 € zzgl. MwSt.
zzgl. 6,90 € Versand (brutto)
einmalig pro Bestellung

Lieferzeit: 5 Werktage

Pos.
7
BOSCH Befestigungsschelle | Ersatzteile für GWS 14-125 C | 1601302017
Hersteller: BOSCH
Artikelnummer: EB-0601384703-1601302017
Netto: 3,60 € zzgl. MwSt.
zzgl. 6,90 € Versand (brutto)
einmalig pro Bestellung

Lieferzeit: 5 Werktage

Pos.
9
BOSCH Firmenschild | Ersatzteile für GWS 14-125 C | 1601118169
Hersteller: BOSCH
Artikelnummer: EB-0601384703-1601118169
nur Informationsartikel
Nie mehr lieferbar
keine Alternativen
Pos.
13
BOSCH Kugellager 7x19x6 | Ersatzteile für GWS 14-125 C | 2600905032
Hersteller: BOSCH
Artikelnummer: EB-0601384703-2600905032
Netto: 6,27 € zzgl. MwSt.
zzgl. 6,90 € Versand (brutto)
einmalig pro Bestellung

Lieferzeit: 34 Werktage

Pos.
14
BOSCH Rillenkugellager 8x22x7 | Ersatzteile für GWS 14-125 C | 1600905032
Hersteller: BOSCH
Artikelnummer: EB-0601384703-1600905032
Netto: 6,75 € zzgl. MwSt.
zzgl. 6,90 € Versand (brutto)
einmalig pro Bestellung

Lieferzeit: 5 Werktage

Pos.
17
BOSCH Spiralfeder | Ersatzteile für GWS 14-125 C | 1604652013
Hersteller: BOSCH
Artikelnummer: EB-0601384703-1604652013
Netto: 3,94 € zzgl. MwSt.
zzgl. 6,90 € Versand (brutto)
einmalig pro Bestellung

Lieferzeit: 5 Werktage

Pos.
18
BOSCH Schaltklinke SCHWARZ | Ersatzteile für GWS 14-125 C | 1602319013
Hersteller: BOSCH
Artikelnummer: EB-0601384703-1602319013
nur Informationsartikel
Nie mehr lieferbar
keine Alternativen
Pos.
19
BOSCH Druckfeder | Ersatzteile für GWS 14-125 C | 1604611024
Hersteller: BOSCH
Artikelnummer: EB-0601384703-1604611024
Netto: 3,94 € zzgl. MwSt.
zzgl. 6,90 € Versand (brutto)
einmalig pro Bestellung

Lieferzeit: 5 Werktage

Pos.
20
BOSCH Schalthebelknopf SCHWARZ | Ersatzteile für GWS 14-125 C | 1602319007
Hersteller: BOSCH
Artikelnummer: EB-0601384703-1602319007
Netto: 3,60 € zzgl. MwSt.
zzgl. 6,90 € Versand (brutto)
einmalig pro Bestellung

Lieferzeit: 5 Werktage

Pos.
24
BOSCH Stützblech | Ersatzteile für GWS 14-125 C | 1600499013
Hersteller: BOSCH
Artikelnummer: EB-0601384703-1600499013
nur Informationsartikel
Nie mehr lieferbar
keine Alternativen
Pos.
25
BOSCH Gehäusedeckel BLAU | Ersatzteile für GWS 14-125 C | 1605500175
Hersteller: BOSCH
Artikelnummer: EB-0601384703-1605500175
nur Informationsartikel
Nie mehr lieferbar
keine Alternativen
Pos.
26
BOSCH Zwischenring | Ersatzteile für GWS 14-125 C | 1600502023
Hersteller: BOSCH
Artikelnummer: EB-0601384703-1600502023
Netto: 4,36 € zzgl. MwSt.
zzgl. 6,90 € Versand (brutto)
einmalig pro Bestellung

Lieferzeit: 5 Werktage

Pos.
27
BOSCH Gummiring | Ersatzteile für GWS 14-125 C | 1600206025
Hersteller: BOSCH
Artikelnummer: EB-0601384703-1600206025
Netto: 4,36 € zzgl. MwSt.
zzgl. 6,90 € Versand (brutto)
einmalig pro Bestellung

Lieferzeit: 5 Werktage

Pos.
29
BOSCH Luftleitring | Ersatzteile für GWS 14-125 C | 1600591013
Hersteller: BOSCH
Artikelnummer: EB-0601384703-1600591013
nur Informationsartikel
Nie mehr lieferbar
keine Alternativen
Pos.
30
BOSCH Luftleitring | Ersatzteile für GWS 14-125 C | 1600591014
Hersteller: BOSCH
Artikelnummer: EB-0601384703-1600591014
Netto: 4,56 € zzgl. MwSt.
zzgl. 6,90 € Versand (brutto)
einmalig pro Bestellung

Lieferzeit: 5 Werktage

Pos.
31
BOSCH Spannfeder | Ersatzteile für GWS 14-125 C | 1601290007
Hersteller: BOSCH
Artikelnummer: EB-0601384703-1601290007
nur Informationsartikel
Nie mehr lieferbar
keine Alternativen
Pos.
32
BOSCH Schleifspindel | Ersatzteile für GWS 14-125 C | 1607000D6A
Hersteller: BOSCH
Artikelnummer: EB-0601384703-1607000D6A
Netto: 7,66 € zzgl. MwSt.
zzgl. 6,90 € Versand (brutto)
einmalig pro Bestellung

Lieferzeit: 5 Werktage

Pos.
32
BOSCH Schleifspindel M14, SW17 | Ersatzteile für GWS 14-125 C | 1603523110
Hersteller: BOSCH
Artikelnummer: EB-0601384703-1603523110
Netto: 6,95 € zzgl. MwSt.
zzgl. 6,90 € Versand (brutto)
einmalig pro Bestellung

Lieferzeit: 5 Werktage

Pos.
33
BOSCH O-Ring 46,0x1,1 MM | Ersatzteile für GWS 14-125 C | 1600210035
Hersteller: BOSCH
Artikelnummer: EB-0601384703-1600210035
Netto: 3,94 € zzgl. MwSt.
zzgl. 6,90 € Versand (brutto)
einmalig pro Bestellung

Lieferzeit: 5 Werktage

Pos.
35
BOSCH Ausgleichscheibe 0,1 MM DICK | Ersatzteile für GWS 14-125 C | 1600136013
Hersteller: BOSCH
Artikelnummer: EB-0601384703-1600136013
Netto: 4,56 € zzgl. MwSt.
zzgl. 6,90 € Versand (brutto)
einmalig pro Bestellung

Lieferzeit: 5 Werktage

Pos.
35
BOSCH Ausgleichscheibe 0,2 MM DICK | Ersatzteile für GWS 14-125 C | 1600136014
Hersteller: BOSCH
Artikelnummer: EB-0601384703-1600136014
Netto: 4,56 € zzgl. MwSt.
zzgl. 6,90 € Versand (brutto)
einmalig pro Bestellung

Lieferzeit: 5 Werktage

Pos.
35
BOSCH Ausgleichscheibe 0,3 MM DICK | Ersatzteile für GWS 14-125 C | 1600136015
Hersteller: BOSCH
Artikelnummer: EB-0601384703-1600136015
Netto: 4,56 € zzgl. MwSt.
zzgl. 6,90 € Versand (brutto)
einmalig pro Bestellung

Lieferzeit: 5 Werktage

Pos.
37
BOSCH Radial-Wellendichtring | Ersatzteile für GWS 14-125 C | 1600290016
Hersteller: BOSCH
Artikelnummer: EB-0601384703-1600290016
Netto: 4,56 € zzgl. MwSt.
zzgl. 6,90 € Versand (brutto)
einmalig pro Bestellung

Lieferzeit: 5 Werktage

Pos.
40
BOSCH Sicherungsbügel | Ersatzteile für GWS 14-125 C | 1600119011
Hersteller: BOSCH
Artikelnummer: EB-0601384703-1600119011
Netto: 4,36 € zzgl. MwSt.
zzgl. 6,90 € Versand (brutto)
einmalig pro Bestellung

Lieferzeit: 5 Werktage

Pos.
41
BOSCH Gleitlager | Ersatzteile für GWS 14-125 C | 1600200029
Hersteller: BOSCH
Artikelnummer: EB-0601384703-1600200029
Netto: 5,65 € zzgl. MwSt.
zzgl. 6,90 € Versand (brutto)
einmalig pro Bestellung

Lieferzeit: 5 Werktage

Pos.
45
BOSCH Sechskantmutter M7, SW10 | Ersatzteile für GWS 14-125 C | 1603300016
Hersteller: BOSCH
Artikelnummer: EB-0601384703-1603300016
Netto: 3,94 € zzgl. MwSt.
zzgl. 6,90 € Versand (brutto)
einmalig pro Bestellung

Lieferzeit: 5 Werktage

Pos.
47
BOSCH Kunststoffschneidschraube St3,9x12 | Ersatzteile für GWS 14-125 C | 1603435042
Hersteller: BOSCH
Artikelnummer: EB-0601384703-1603435042
Netto: 3,94 € zzgl. MwSt.
zzgl. 6,90 € Versand (brutto)
einmalig pro Bestellung

Lieferzeit: 5 Werktage

Pos.
49
BOSCH Gewindefurchschraube | Ersatzteile für GWS 14-125 C | 1603435026
Hersteller: BOSCH
Artikelnummer: EB-0601384703-1603435026
Netto: 4,36 € zzgl. MwSt.
zzgl. 6,90 € Versand (brutto)
einmalig pro Bestellung

Lieferzeit: 5 Werktage

Pos.
50
BOSCH Kunststoffschneidschraube | Ersatzteile für GWS 14-125 C | 1603435037
Hersteller: BOSCH
Artikelnummer: EB-0601384703-1603435037
Netto: 3,60 € zzgl. MwSt.
zzgl. 6,90 € Versand (brutto)
einmalig pro Bestellung

Lieferzeit: 5 Werktage

Pos.
52
BOSCH Lichtleiter 15,7 MM | Ersatzteile für GWS 14-125 C | 1609270562
Hersteller: BOSCH
Artikelnummer: EB-0601384703-1609270562
Netto: 9,05 € zzgl. MwSt.
zzgl. 6,90 € Versand (brutto)
einmalig pro Bestellung

Lieferzeit: 5 Werktage

Pos.
55
BOSCH Blechschraube DIN 7981-ST3,9x25-C-Z | Ersatzteile für GWS 14-125 C | 2912401022
Hersteller: BOSCH
Artikelnummer: EB-0601384703-2912401022
Netto: 3,60 € zzgl. MwSt.
zzgl. 6,90 € Versand (brutto)
einmalig pro Bestellung

Lieferzeit: 5 Werktage

Pos.
56
BOSCH Kunststoffschneidschraube | Ersatzteile für GWS 14-125 C | 1603435044
Hersteller: BOSCH
Artikelnummer: EB-0601384703-1603435044
nur Informationsartikel
Nie mehr lieferbar
keine Alternativen
Pos.
57
BOSCH Zylinderschraube M3,5x7 MM | Ersatzteile für GWS 14-125 C | 1603429002
Hersteller: BOSCH
Artikelnummer: EB-0601384703-1603429002
Netto: 3,60 € zzgl. MwSt.
zzgl. 6,90 € Versand (brutto)
einmalig pro Bestellung

Lieferzeit: 5 Werktage

Pos.
80
BOSCH Dichtscheibe | Ersatzteile für GWS 14-125 C | 3600150021
Hersteller: BOSCH
Artikelnummer: EB-0601384703-3600150021
Netto: 4,15 € zzgl. MwSt.
zzgl. 6,90 € Versand (brutto)
einmalig pro Bestellung

Lieferzeit: 5 Werktage

Pos.
104
BOSCH O-Ring 4,5x1,0 MM BLAU | Ersatzteile für GWS 14-125 C | 1600210044
Hersteller: BOSCH
Artikelnummer: EB-0601384703-1600210044
Netto: 3,60 € zzgl. MwSt.
zzgl. 6,90 € Versand (brutto)
einmalig pro Bestellung

Lieferzeit: 5 Werktage

Pos.
650/50/20
BOSCH O-Ring 20,35x1,78 MM | Ersatzteile für GWS 14-125 C | 1600210039
Hersteller: BOSCH
Artikelnummer: EB-0601384703-1600210039
Netto: 4,36 € zzgl. MwSt.
zzgl. 6,90 € Versand (brutto)
einmalig pro Bestellung

Lieferzeit: 5 Werktage

Pos.
700
BOSCH Teilesatz Ø 125 MM | Ersatzteile für GWS 14-125 C | 2607001188
Hersteller: BOSCH
Artikelnummer: EB-0601384703-2607001188
nur Informationsartikel
Nie mehr lieferbar
keine Alternativen
Pos.
700/10
BOSCH Schutzhaube Ø 125MM | Ersatzteile für GWS 14-125 C | 2605510101
Hersteller: BOSCH
Artikelnummer: EB-0601384703-2605510101
nur Informationsartikel
Nie mehr lieferbar
keine Alternativen
Pos.
700/20
BOSCH Führungsschlitten | Ersatzteile für GWS 14-125 C | 1608135004
Hersteller: BOSCH
Artikelnummer: EB-0601384703-1608135004
nur Informationsartikel
Nie mehr lieferbar
keine Alternativen
Pos.
700/20/30
BOSCH Flachrundschraube DIN 603-M 5x16 | Ersatzteile für GWS 14-125 C | 2910281158
Hersteller: BOSCH
Artikelnummer: EB-0601384703-2910281158
nur Informationsartikel
Nie mehr lieferbar
keine Alternativen
Pos.
700/20/40
BOSCH Flügelmutter M 5 DIN 315-G-5 | Ersatzteile für GWS 14-125 C | 2915191105
Hersteller: BOSCH
Artikelnummer: EB-0601384703-2915191105
nur Informationsartikel
Nie mehr lieferbar
keine Alternativen
Pos.
700/20/50
BOSCH Druckfeder | Ersatzteile für GWS 14-125 C | 1604643004
Hersteller: BOSCH
Artikelnummer: EB-0601384703-1604643004
nur Informationsartikel
Nie mehr lieferbar
keine Alternativen
Pos.
750/10
BOSCH Zusatzhandgriff M10, Ø32,5x105 MM | Ersatzteile für GWS 14-125 C | 2602025067
Hersteller: BOSCH
Artikelnummer: EB-0601384703-2602025067
nur Informationsartikel
Nie mehr lieferbar
keine Alternativen
Pos.
750/20
BOSCH Spannmutter M14 | Ersatzteile für GWS 14-125 C | 1603340040
Hersteller: BOSCH
Artikelnummer: EB-0601384703-1603340040
Netto: 13,26 € zzgl. MwSt.
zzgl. 6,90 € Versand (brutto)
einmalig pro Bestellung

Lieferzeit: 5 Werktage

Pos.
750/30
BOSCH Zweilochmutterndreher | Ersatzteile für GWS 14-125 C | 1607950043
Hersteller: BOSCH
Artikelnummer: EB-0601384703-1607950043
Netto: 7,74 € zzgl. MwSt.
zzgl. 6,90 € Versand (brutto)
einmalig pro Bestellung

Lieferzeit: 5 Werktage

Pos.
750/50
BOSCH Aufnahmeflansch Ø22,2x42 MM | Ersatzteile für GWS 14-125 C | 1605703099
Hersteller: BOSCH
Artikelnummer: EB-0601384703-1605703099
Netto: 13,26 € zzgl. MwSt.
zzgl. 6,90 € Versand (brutto)
einmalig pro Bestellung

Lieferzeit: 5 Werktage

Pos.
751
BOSCH Schutzhaube Ø 125MM SILBER | Ersatzteile für GWS 14-125 C | 2605510104
Hersteller: BOSCH
Artikelnummer: EB-0601384703-2605510104
nur Informationsartikel
Nie mehr lieferbar
keine Alternativen
Pos.
752
BOSCH Schnellspannmutter M14 | Ersatzteile für GWS 14-125 C | 1603340031
Hersteller: BOSCH
Artikelnummer: EB-0601384703-1603340031
Netto: 44,79 € zzgl. MwSt.
zzgl. 6,90 € Versand (brutto)
einmalig pro Bestellung

Lieferzeit: 5 Werktage

Pos.
753
BOSCH Tragkasten | Ersatzteile für GWS 14-125 C | 1605438089
Hersteller: BOSCH
Artikelnummer: EB-0601384703-1605438089
Netto: 71,56 € zzgl. MwSt.
zzgl. 6,90 € Versand (brutto)
einmalig pro Bestellung

Lieferzeit: 5 Werktage

Pos.
767
BOSCH Absaughaube Ø115-125MM | Ersatzteile für GWS 14-125 C | 2605510107
Hersteller: BOSCH
Artikelnummer: EB-0601384703-2605510107
nur Informationsartikel
Nie mehr lieferbar
keine Alternativen
Pos.
767/703
BOSCH Bürste | Ersatzteile für GWS 14-125 C | 2605730036
Hersteller: BOSCH
Artikelnummer: EB-0601384703-2605730036
Netto: 29,45 € zzgl. MwSt.
zzgl. 6,90 € Versand (brutto)
einmalig pro Bestellung

Lieferzeit: 5 Werktage

Pos.
803
BOSCH Anker Mit Lüfter 220-230V | Ersatzteile für GWS 14-125 C | 1604010445
Hersteller: BOSCH
Artikelnummer: EB-0601384703-1604010445
nur Informationsartikel
Nie mehr lieferbar
keine Alternativen
Pos.
804
BOSCH Schalter | Ersatzteile für GWS 14-125 C | 1607200115
Hersteller: BOSCH
Artikelnummer: EB-0601384703-1607200115
nur Informationsartikel
Nie mehr lieferbar
keine Alternativen
Pos.
805
BOSCH Netzanschlussleitung EU 230V 4,15m 2 x 1,0mm H05 RN-F | Ersatzteile für GWS 14-125 C | 1607000386
Hersteller: BOSCH
Artikelnummer: EB-0601384703-1607000386
Netto: 16,70 € zzgl. MwSt.
zzgl. 6,90 € Versand (brutto)
einmalig pro Bestellung

Lieferzeit: 5 Werktage

Pos.
808
BOSCH Typschild | Ersatzteile für GWS 14-125 C | 160111A3H3
Hersteller: BOSCH
Artikelnummer: EB-0601384703-160111A3H3
Netto: 4,56 € zzgl. MwSt.
zzgl. 6,90 € Versand (brutto)
einmalig pro Bestellung

Lieferzeit: 5 Werktage

Pos.
808
BOSCH Typschild 26x52 MM | Ersatzteile für GWS 14-125 C | 1601106032
Hersteller: BOSCH
Artikelnummer: EB-0601384703-1601106032
nur Informationsartikel
Nie mehr lieferbar
keine Alternativen
Pos.
810
BOSCH Kohlebürste | Ersatzteile für GWS 14-125 C | 1607014148
Hersteller: BOSCH
Artikelnummer: EB-0601384703-1607014148
nur Informationsartikel
Nie mehr lieferbar
keine Alternativen
Pos.
810
BOSCH Kohlebürstensatz 10 x 1 607 014 148 | Ersatzteile für GWS 14-125 C | 1607000499
Hersteller: BOSCH
Artikelnummer: EB-0601384703-1607000499
nur Informationsartikel
Nie mehr lieferbar
keine Alternativen
Pos.
816
BOSCH Bürstenhalter | Ersatzteile für GWS 14-125 C | 1604336031
Hersteller: BOSCH
Artikelnummer: EB-0601384703-1604336031
nur Informationsartikel
Nie mehr lieferbar
keine Alternativen
Pos.
821
BOSCH Getriebegehäuse | Ersatzteile für GWS 14-125 C | 1605806451
Hersteller: BOSCH
Artikelnummer: EB-0601384703-1605806451
Netto: 32,16 € zzgl. MwSt.
zzgl. 6,90 € Versand (brutto)
einmalig pro Bestellung

Lieferzeit: 5 Werktage

Pos.
821/010
BOSCH Druckknopf SCHWARZ | Ersatzteile für GWS 14-125 C | 1607000253
Hersteller: BOSCH
Artikelnummer: EB-0601384703-1607000253
Netto: 4,36 € zzgl. MwSt.
zzgl. 6,90 € Versand (brutto)
einmalig pro Bestellung

Lieferzeit: 5 Werktage

Pos.
828
BOSCH Lagerflansch SCHWARZ | Ersatzteile für GWS 14-125 C | 1605805079
Hersteller: BOSCH
Artikelnummer: EB-0601384703-1605805079
Netto: 15,15 € zzgl. MwSt.
zzgl. 6,90 € Versand (brutto)
einmalig pro Bestellung

Lieferzeit: 5 Werktage

Pos.
851
BOSCH Drehzahlregler 220-230V | Ersatzteile für GWS 14-125 C | 1607000281
Hersteller: BOSCH
Artikelnummer: EB-0601384703-1607000281
nur Informationsartikel
Nie mehr lieferbar
keine Alternativen
Pos.
852
BOSCH Lichtleiter | Ersatzteile für GWS 14-125 C | 1607000278
Hersteller: BOSCH
Artikelnummer: EB-0601384703-1607000278
nur Informationsartikel
Nie mehr lieferbar
keine Alternativen
Pos.
80
BOSCH Abdeckscheibe | Ersatzteile für GWS 14-125 C | 1619P09390
Hersteller: BOSCH
Artikelnummer: EB-0601384703-1619P09390
Netto: 4,36 € zzgl. MwSt.
zzgl. 6,90 € Versand (brutto)
einmalig pro Bestellung

Lieferzeit: 5 Werktage

Pos.
838
BOSCH Getriebeeinheit | Ersatzteile für GWS 14-125 C | 1600A0022W
Hersteller: BOSCH
Artikelnummer: EB-0601384703-1607000D4Y
Netto: 12,17 € zzgl. MwSt.
zzgl. 6,90 € Versand (brutto)
einmalig pro Bestellung

Lieferzeit: 5 Werktage

Angaben zur Produktsicherheit

Hersteller:
Robert Bosch Power Tools GmbH
Postfach 30 02 20
70442 Stuttgart

E-Mail:
kontakt@bosch.de