BOSCH Anker Mit Lüfter 230V | Ersatzteile für GWS 14-125 INOX | 1604010A23

Artikelnummer: EB-3601H29J40-1604010A23

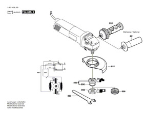
Position: 803

Marke: BOSCH


Bitte Kompatibilität prüfen!

Bitte prüfen Sie unbedingt die 10-stellige Typennummer Ihrer Maschine / Ihres Gerätes. Das Ersatzteil ist nur kompatibel, wenn Sie die Typennummer Ihrer Maschine in der unten stehenden Produktbeschreibung finden.

Bitte prüfen Sie ebenfalls detailliert die Explosionszeichnung mit Ihrem Artikelwunsch und der jeweiligen Pos-Nummer.

Alle Elemente, welche vom schwarzen Strich der Pos-Nummer ausgehend berührt / erfasst werden, gehören zu dieser Pos-Nummer und somit zu diesem Artikel. Jede Pos-Nummer ist ein eigenständiger Artikel, welchen Sie in der Auflistung finden.

Sie erhalten stets die aktuellste, neueste Produktversion zu der gewählten Pos-Nummer seitens des Herstellers. Es kann daher je nach Gerätealter vorkommen, dass Sie ggf. weitere, zugehörige Elemente, welche an diese Pos-Nummer grenzen, ebenfalls mittauschen müssen.

Nähere Informationen finden Sie unter dem Link
Hinweise zu Ihrer BOSCH Ersatzteilsuche

Preisübersicht

Einzelpreis: 57,47 €* (Brutto: 68,39 €)
Gesamtpreis: 57,47 €* 
Position:

Lieferzeit: 5 Werktage


Beschreibung

  • Anker Mit Lüfter 230V
  • Original Bosch Zubehör / BOSCH Ersatzteil (1604010A23)
  • im Gerät verbaut: 1
Dieses BOSCH Ersatzteil ist mit folgendem Gerät und Modell kompatibel:
  • BOSCH Gerätename: GWS 14-125 INOX
  • BOSCH Explosionszeichnung: Position 803
  • BOSCH Typennummer: 3601H29J40
  • BOSCH Typennummer alternative Schreibweisen: 3 601 H29 J40, 3601 H29 J40, 3.601.H29.J40, 3-601-H29-J40
    Bitte prüfen Sie diese Typennummer auf Ihrem Gerät um die Kompatibilität des BOSCH Ersatzteils zu gewährleisten.
Weitere BOSCH Ersatzteile des Gerätes GWS 14-125 INOX (Winkelschleifer) mit der Typennummer 3601H29J40 finden Sie in der nachfolgenden Darstellung und im Dropdown zu Ihrer Auswahl:

Pos.
4
BOSCH Schalter | Ersatzteile für GWS 14-125 INOX | 1607200200
Hersteller: BOSCH
Artikelnummer: EB-3601H29J40-1607200200
Netto: 9,95 € zzgl. MwSt.
zzgl. 6,90 € Versand (brutto)
einmalig pro Bestellung

Lieferzeit: 5 Werktage

Pos.
5
BOSCH Netzanschlussleitung AUS 240V 4,15m 2 x 1,0mm PVC | Ersatzteile für GWS 14-125 INOX | 2604460199
Hersteller: BOSCH
Artikelnummer: EB-3601H29J40-2604460199
nur Informationsartikel
Nie mehr lieferbar
keine Alternativen
Pos.
6
BOSCH Tülle | Ersatzteile für GWS 14-125 INOX | 1600703040
Hersteller: BOSCH
Artikelnummer: EB-3601H29J40-1600703040
Netto: 4,32 € zzgl. MwSt.
zzgl. 6,90 € Versand (brutto)
einmalig pro Bestellung

Lieferzeit: 5 Werktage

Pos.
7
BOSCH Befestigungsschelle | Ersatzteile für GWS 14-125 INOX | 1601302017
Hersteller: BOSCH
Artikelnummer: EB-3601H29J40-1601302017
Netto: 3,63 € zzgl. MwSt.
zzgl. 6,90 € Versand (brutto)
einmalig pro Bestellung

Lieferzeit: 5 Werktage

Pos.
9
BOSCH Firmenschild | Ersatzteile für GWS 14-125 INOX | 1601118N92
Hersteller: BOSCH
Artikelnummer: EB-3601H29J40-1601118N92
Netto: 3,63 € zzgl. MwSt.
zzgl. 6,90 € Versand (brutto)
einmalig pro Bestellung

Lieferzeit: 5 Werktage

Pos.
13
BOSCH Kugellager 7x19x6 | Ersatzteile für GWS 14-125 INOX | 2600905032
Hersteller: BOSCH
Artikelnummer: EB-3601H29J40-2600905032
Netto: 6,15 € zzgl. MwSt.
zzgl. 6,90 € Versand (brutto)
einmalig pro Bestellung

Lieferzeit: 38 Werktage

Pos.
17
BOSCH Spiralfeder | Ersatzteile für GWS 14-125 INOX | 1604652013
Hersteller: BOSCH
Artikelnummer: EB-3601H29J40-1604652013
Netto: 3,94 € zzgl. MwSt.
zzgl. 6,90 € Versand (brutto)
einmalig pro Bestellung

Lieferzeit: 5 Werktage

Pos.
24
BOSCH Deckel | Ersatzteile für GWS 14-125 INOX | 1605500227
Hersteller: BOSCH
Artikelnummer: EB-3601H29J40-1605500227
Netto: 4,32 € zzgl. MwSt.
zzgl. 6,90 € Versand (brutto)
einmalig pro Bestellung

Lieferzeit: 5 Werktage

Pos.
25
BOSCH Gehäusedeckel DUNKELBLAU | Ersatzteile für GWS 14-125 INOX | 1605500251
Hersteller: BOSCH
Artikelnummer: EB-3601H29J40-1605500251
Netto: 7,76 € zzgl. MwSt.
zzgl. 6,90 € Versand (brutto)
einmalig pro Bestellung

Lieferzeit: 5 Werktage

Pos.
29
BOSCH Luftleitring | Ersatzteile für GWS 14-125 INOX | 1600591025
Hersteller: BOSCH
Artikelnummer: EB-3601H29J40-1600591025
Netto: 4,53 € zzgl. MwSt.
zzgl. 6,90 € Versand (brutto)
einmalig pro Bestellung

Lieferzeit: 5 Werktage

Pos.
32
BOSCH Schleifspindel | Ersatzteile für GWS 14-125 INOX | 1607000D6A
Hersteller: BOSCH
Artikelnummer: EB-3601H29J40-1607000D6A
Netto: 7,76 € zzgl. MwSt.
zzgl. 6,90 € Versand (brutto)
einmalig pro Bestellung

Lieferzeit: 5 Werktage

Pos.
32
BOSCH Schleifspindel M14, SW17 | Ersatzteile für GWS 14-125 INOX | 1603523110
Hersteller: BOSCH
Artikelnummer: EB-3601H29J40-1603523110
Netto: 6,95 € zzgl. MwSt.
zzgl. 6,90 € Versand (brutto)
einmalig pro Bestellung

Lieferzeit: 5 Werktage

Pos.
33
BOSCH O-Ring 46,0x1,1 MM | Ersatzteile für GWS 14-125 INOX | 1600210035
Hersteller: BOSCH
Artikelnummer: EB-3601H29J40-1600210035
Netto: 3,94 € zzgl. MwSt.
zzgl. 6,90 € Versand (brutto)
einmalig pro Bestellung

Lieferzeit: 5 Werktage

Pos.
35
BOSCH Ausgleichscheibe 0,1 MM DICK | Ersatzteile für GWS 14-125 INOX | 1600136013
Hersteller: BOSCH
Artikelnummer: EB-3601H29J40-1600136013
Netto: 4,53 € zzgl. MwSt.
zzgl. 6,90 € Versand (brutto)
einmalig pro Bestellung

Lieferzeit: 5 Werktage

Pos.
35
BOSCH Ausgleichscheibe 0,15 MM DICK | Ersatzteile für GWS 14-125 INOX | 1600136020
Hersteller: BOSCH
Artikelnummer: EB-3601H29J40-1600136020
Netto: 5,19 € zzgl. MwSt.
zzgl. 6,90 € Versand (brutto)
einmalig pro Bestellung

Lieferzeit: 5 Werktage

Pos.
35
BOSCH Ausgleichscheibe 0,2 MM DICK | Ersatzteile für GWS 14-125 INOX | 1600136014
Hersteller: BOSCH
Artikelnummer: EB-3601H29J40-1600136014
Netto: 4,53 € zzgl. MwSt.
zzgl. 6,90 € Versand (brutto)
einmalig pro Bestellung

Lieferzeit: 5 Werktage

Pos.
35
BOSCH Ausgleichscheibe 0,3 MM DICK | Ersatzteile für GWS 14-125 INOX | 1600136015
Hersteller: BOSCH
Artikelnummer: EB-3601H29J40-1600136015
Netto: 4,53 € zzgl. MwSt.
zzgl. 6,90 € Versand (brutto)
einmalig pro Bestellung

Lieferzeit: 5 Werktage

Pos.
45
BOSCH Sechskantmutter M7, SW10 | Ersatzteile für GWS 14-125 INOX | 1603300016
Hersteller: BOSCH
Artikelnummer: EB-3601H29J40-1603300016
Netto: 3,94 € zzgl. MwSt.
zzgl. 6,90 € Versand (brutto)
einmalig pro Bestellung

Lieferzeit: 5 Werktage

Pos.
47
BOSCH Torx-Linsenschraube 4x12 | Ersatzteile für GWS 14-125 INOX | 2603490021
Hersteller: BOSCH
Artikelnummer: EB-3601H29J40-2603490021
Netto: 3,63 € zzgl. MwSt.
zzgl. 6,90 € Versand (brutto)
einmalig pro Bestellung

Lieferzeit: 5 Werktage

Pos.
49
BOSCH Gewindefurchschraube M4x16 | Ersatzteile für GWS 14-125 INOX | 2914491410
Hersteller: BOSCH
Artikelnummer: EB-3601H29J40-2914491410
Netto: 3,63 € zzgl. MwSt.
zzgl. 6,90 € Versand (brutto)
einmalig pro Bestellung

Lieferzeit: 5 Werktage

Pos.
50
BOSCH Torx-Linsenschraube 4x20 | Ersatzteile für GWS 14-125 INOX | 2603490023
Hersteller: BOSCH
Artikelnummer: EB-3601H29J40-2603490023
Netto: 3,63 € zzgl. MwSt.
zzgl. 6,90 € Versand (brutto)
einmalig pro Bestellung

Lieferzeit: 5 Werktage

Pos.
53
BOSCH Torx-Linsenschraube | Ersatzteile für GWS 14-125 INOX | 1603435078
Hersteller: BOSCH
Artikelnummer: EB-3601H29J40-1603435078
Netto: 3,63 € zzgl. MwSt.
zzgl. 6,90 € Versand (brutto)
einmalig pro Bestellung

Lieferzeit: 5 Werktage

Pos.
54
BOSCH Torx-Linsenschraube 4x30 | Ersatzteile für GWS 14-125 INOX | 1603414026
Hersteller: BOSCH
Artikelnummer: EB-3601H29J40-1603414026
Netto: 3,63 € zzgl. MwSt.
zzgl. 6,90 € Versand (brutto)
einmalig pro Bestellung

Lieferzeit: 5 Werktage

Pos.
80
BOSCH Dichtscheibe | Ersatzteile für GWS 14-125 INOX | 3600150021
Hersteller: BOSCH
Artikelnummer: EB-3601H29J40-3600150021
Netto: 4,15 € zzgl. MwSt.
zzgl. 6,90 € Versand (brutto)
einmalig pro Bestellung

Lieferzeit: 5 Werktage

Pos.
104
BOSCH O-Ring 4,5x1,0 MM BLAU | Ersatzteile für GWS 14-125 INOX | 1600210044
Hersteller: BOSCH
Artikelnummer: EB-3601H29J40-1600210044
Netto: 3,63 € zzgl. MwSt.
zzgl. 6,90 € Versand (brutto)
einmalig pro Bestellung

Lieferzeit: 5 Werktage

Pos.
105
BOSCH Isolierplatte | Ersatzteile für GWS 14-125 INOX | 1601008005
Hersteller: BOSCH
Artikelnummer: EB-3601H29J40-1601008005
Netto: 6,15 € zzgl. MwSt.
zzgl. 6,90 € Versand (brutto)
einmalig pro Bestellung

Lieferzeit: 5 Werktage

Pos.
107
BOSCH Isolierteil | Ersatzteile für GWS 14-125 INOX | 1600712030
Hersteller: BOSCH
Artikelnummer: EB-3601H29J40-1600712030
Netto: 3,94 € zzgl. MwSt.
zzgl. 6,90 € Versand (brutto)
einmalig pro Bestellung

Lieferzeit: 5 Werktage

Pos.
301/1
BOSCH Motorgehäuse SCHWARZ | Ersatzteile für GWS 14-125 INOX | 1605108269
Hersteller: BOSCH
Artikelnummer: EB-3601H29J40-1605108269
Netto: 10,92 € zzgl. MwSt.
zzgl. 6,90 € Versand (brutto)
einmalig pro Bestellung

Lieferzeit: 5 Werktage

Pos.
301/16
BOSCH Bürstenhalter | Ersatzteile für GWS 14-125 INOX | 1601323025
Hersteller: BOSCH
Artikelnummer: EB-3601H29J40-1601323025
Netto: 4,82 € zzgl. MwSt.
zzgl. 6,90 € Versand (brutto)
einmalig pro Bestellung

Lieferzeit: 5 Werktage

Pos.
301/18
BOSCH Schaltergriff | Ersatzteile für GWS 14-125 INOX | 1602026088
Hersteller: BOSCH
Artikelnummer: EB-3601H29J40-1602026088
Netto: 3,63 € zzgl. MwSt.
zzgl. 6,90 € Versand (brutto)
einmalig pro Bestellung

Lieferzeit: 5 Werktage

Pos.
301/19
BOSCH Druckfeder | Ersatzteile für GWS 14-125 INOX | 1604611026
Hersteller: BOSCH
Artikelnummer: EB-3601H29J40-1604611026
Netto: 3,63 € zzgl. MwSt.
zzgl. 6,90 € Versand (brutto)
einmalig pro Bestellung

Lieferzeit: 38 Werktage

Pos.
301/20
BOSCH Verstellschieber | Ersatzteile für GWS 14-125 INOX | 1602319011
Hersteller: BOSCH
Artikelnummer: EB-3601H29J40-1602319011
Netto: 3,94 € zzgl. MwSt.
zzgl. 6,90 € Versand (brutto)
einmalig pro Bestellung

Lieferzeit: 5 Werktage

Pos.
301/48
BOSCH Linsenkopfschraube 3x10 ST | Ersatzteile für GWS 14-125 INOX | 1613435034
Hersteller: BOSCH
Artikelnummer: EB-3601H29J40-1613435034
Netto: 3,63 € zzgl. MwSt.
zzgl. 6,90 € Versand (brutto)
einmalig pro Bestellung

Lieferzeit: 5 Werktage

Pos.
321/14
BOSCH Rillenkugellager 8x22x7 | Ersatzteile für GWS 14-125 INOX | 1600905032
Hersteller: BOSCH
Artikelnummer: EB-3601H29J40-1600905032
Netto: 6,70 € zzgl. MwSt.
zzgl. 6,90 € Versand (brutto)
einmalig pro Bestellung

Lieferzeit: 28 Werktage

Pos.
321/27
BOSCH Gummiring | Ersatzteile für GWS 14-125 INOX | 1600206025
Hersteller: BOSCH
Artikelnummer: EB-3601H29J40-1600206025
Netto: 4,32 € zzgl. MwSt.
zzgl. 6,90 € Versand (brutto)
einmalig pro Bestellung

Lieferzeit: 5 Werktage

Pos.
321/30
BOSCH Luftleitring | Ersatzteile für GWS 14-125 INOX | 1600591014
Hersteller: BOSCH
Artikelnummer: EB-3601H29J40-1600591014
Netto: 4,53 € zzgl. MwSt.
zzgl. 6,90 € Versand (brutto)
einmalig pro Bestellung

Lieferzeit: 5 Werktage

Pos.
321/37
BOSCH Radial-Wellendichtring | Ersatzteile für GWS 14-125 INOX | 1600290016
Hersteller: BOSCH
Artikelnummer: EB-3601H29J40-1600290016
Netto: 4,53 € zzgl. MwSt.
zzgl. 6,90 € Versand (brutto)
einmalig pro Bestellung

Lieferzeit: 5 Werktage

Pos.
321/40
BOSCH Sicherungsbügel | Ersatzteile für GWS 14-125 INOX | 1600119011
Hersteller: BOSCH
Artikelnummer: EB-3601H29J40-1600119011
Netto: 4,32 € zzgl. MwSt.
zzgl. 6,90 € Versand (brutto)
einmalig pro Bestellung

Lieferzeit: 5 Werktage

Pos.
321/41
BOSCH Gleitlager | Ersatzteile für GWS 14-125 INOX | 1600200029
Hersteller: BOSCH
Artikelnummer: EB-3601H29J40-1600200029
Netto: 5,19 € zzgl. MwSt.
zzgl. 6,90 € Versand (brutto)
einmalig pro Bestellung

Lieferzeit: 5 Werktage

Pos.
343
BOSCH Rasthebel | Ersatzteile für GWS 14-125 INOX | 1607000742
Hersteller: BOSCH
Artikelnummer: EB-3601H29J40-1607000742
Netto: 7,76 € zzgl. MwSt.
zzgl. 6,90 € Versand (brutto)
einmalig pro Bestellung

Lieferzeit: 5 Werktage

Pos.
343/44
BOSCH Druckfeder | Ersatzteile für GWS 14-125 INOX | 1604611042
Hersteller: BOSCH
Artikelnummer: EB-3601H29J40-1604611042
Netto: 3,94 € zzgl. MwSt.
zzgl. 6,90 € Versand (brutto)
einmalig pro Bestellung

Lieferzeit: 5 Werktage

Pos.
651
BOSCH Schutzhaube Ø125 MM | Ersatzteile für GWS 14-125 INOX | 1605510356
Hersteller: BOSCH
Artikelnummer: EB-3601H29J40-1605510356
Netto: 10,27 € zzgl. MwSt.
zzgl. 6,90 € Versand (brutto)
einmalig pro Bestellung

Lieferzeit: 5 Werktage

Pos.
802
BOSCH Polschuh 220-240V | Ersatzteile für GWS 14-125 INOX | 1607000397
Hersteller: BOSCH
Artikelnummer: EB-3601H29J40-1607000397
Netto: 21,16 € zzgl. MwSt.
zzgl. 6,90 € Versand (brutto)
einmalig pro Bestellung

Lieferzeit: 5 Werktage

Pos.
803
BOSCH Anker Mit Lüfter 230V | Ersatzteile für GWS 14-125 INOX | 1604010A23
Hersteller: BOSCH
Artikelnummer: EB-3601H29J40-1604010A23
Netto: 57,47 € zzgl. MwSt.
zzgl. 6,90 € Versand (brutto)
einmalig pro Bestellung

Lieferzeit: 5 Werktage

Pos.
808
BOSCH Typschild | Ersatzteile für GWS 14-125 INOX | 160111A3H3
Hersteller: BOSCH
Artikelnummer: EB-3601H29J40-160111A3H3
Netto: 4,53 € zzgl. MwSt.
zzgl. 6,90 € Versand (brutto)
einmalig pro Bestellung

Lieferzeit: 5 Werktage

Pos.
808
BOSCH Typschild 26x52 MM | Ersatzteile für GWS 14-125 INOX | 1601106032
Hersteller: BOSCH
Artikelnummer: EB-3601H29J40-1601106032
nur Informationsartikel
Nie mehr lieferbar
keine Alternativen
Pos.
810
BOSCH Kohlebürstensatz | Ersatzteile für GWS 14-125 INOX | 1607014176
Hersteller: BOSCH
Artikelnummer: EB-3601H29J40-1607014176
Netto: 11,92 € zzgl. MwSt.
zzgl. 6,90 € Versand (brutto)
einmalig pro Bestellung

Lieferzeit: 5 Werktage

Pos.
810
BOSCH Kohlebürstensatz 10 x 1 607 014 176 | Ersatzteile für GWS 14-125 INOX | 1607000482
Hersteller: BOSCH
Artikelnummer: EB-3601H29J40-1607000482
Netto: 86,83 € zzgl. MwSt.
zzgl. 6,90 € Versand (brutto)
einmalig pro Bestellung

Lieferzeit: 5 Werktage

Pos.
813
BOSCH Teilesatz | Ersatzteile für GWS 14-125 INOX | 1607000378
Hersteller: BOSCH
Artikelnummer: EB-3601H29J40-1607000378
Netto: 7,30 € zzgl. MwSt.
zzgl. 6,90 € Versand (brutto)
einmalig pro Bestellung

Lieferzeit: 5 Werktage

Pos.
818
BOSCH Flachkopfschraube DIN 85-AM3x6-CUZN | Ersatzteile für GWS 14-125 INOX | 2910110048
Hersteller: BOSCH
Artikelnummer: EB-3601H29J40-2910110048
Netto: 3,63 € zzgl. MwSt.
zzgl. 6,90 € Versand (brutto)
einmalig pro Bestellung

Lieferzeit: 5 Werktage

Pos.
821
BOSCH Getriebegehäuse | Ersatzteile für GWS 14-125 INOX | 1605806533
Hersteller: BOSCH
Artikelnummer: EB-3601H29J40-1605806533
Netto: 29,45 € zzgl. MwSt.
zzgl. 6,90 € Versand (brutto)
einmalig pro Bestellung

Lieferzeit: 5 Werktage

Pos.
828/04
BOSCH O-Ring 47,0x1,5 MM | Ersatzteile für GWS 14-125 INOX | 3600210109
Hersteller: BOSCH
Artikelnummer: EB-3601H29J40-3600210109
Netto: 4,32 € zzgl. MwSt.
zzgl. 6,90 € Versand (brutto)
einmalig pro Bestellung

Lieferzeit: 5 Werktage

Pos.
831
BOSCH Federelement | Ersatzteile für GWS 14-125 INOX | 1601290013
Hersteller: BOSCH
Artikelnummer: EB-3601H29J40-1601290013
Netto: 3,63 € zzgl. MwSt.
zzgl. 6,90 € Versand (brutto)
einmalig pro Bestellung

Lieferzeit: 5 Werktage

Pos.
835
BOSCH Lüfter | Ersatzteile für GWS 14-125 INOX | 1606610132
Hersteller: BOSCH
Artikelnummer: EB-3601H29J40-1606610132
Netto: 4,32 € zzgl. MwSt.
zzgl. 6,90 € Versand (brutto)
einmalig pro Bestellung

Lieferzeit: 5 Werktage

Pos.
838
BOSCH Getriebeeinheit | Ersatzteile für GWS 14-125 INOX | 1607000D50
Hersteller: BOSCH
Artikelnummer: EB-3601H29J40-1607000D50
Netto: 63,99 € zzgl. MwSt.
zzgl. 6,90 € Versand (brutto)
einmalig pro Bestellung

Lieferzeit: 5 Werktage

Pos.
838
BOSCH Kegelradsatz | Ersatzteile für GWS 14-125 INOX | 1607000434
Hersteller: BOSCH
Artikelnummer: EB-3601H29J40-1607000434
Netto: 42,05 € zzgl. MwSt.
zzgl. 6,90 € Versand (brutto)
einmalig pro Bestellung

Lieferzeit: 5 Werktage

Pos.
840
BOSCH Druckknopf | Ersatzteile für GWS 14-125 INOX | 1607000A71
Hersteller: BOSCH
Artikelnummer: EB-3601H29J40-1607000A71
Netto: 5,19 € zzgl. MwSt.
zzgl. 6,90 € Versand (brutto)
einmalig pro Bestellung

Lieferzeit: 5 Werktage

Pos.
851
BOSCH Drehzahlregler 220-240V | Ersatzteile für GWS 14-125 INOX | 1607233278
Hersteller: BOSCH
Artikelnummer: EB-3601H29J40-1607233278
Netto: 42,86 € zzgl. MwSt.
zzgl. 6,90 € Versand (brutto)
einmalig pro Bestellung

Lieferzeit: 5 Werktage

Pos.
860
BOSCH Verbindungskabel | Ersatzteile für GWS 14-125 INOX | 1604448023
Hersteller: BOSCH
Artikelnummer: EB-3601H29J40-1604448023
Netto: 3,94 € zzgl. MwSt.
zzgl. 6,90 € Versand (brutto)
einmalig pro Bestellung

Lieferzeit: 5 Werktage

Pos.
890
BOSCH O-Ring 20,35x1,78 MM | Ersatzteile für GWS 14-125 INOX | 1600210039
Hersteller: BOSCH
Artikelnummer: EB-3601H29J40-1600210039
Netto: 4,32 € zzgl. MwSt.
zzgl. 6,90 € Versand (brutto)
einmalig pro Bestellung

Lieferzeit: 5 Werktage

Pos.
891
BOSCH Zusatzhandgriff M10 ANTI-VIBRATION | Ersatzteile für GWS 14-125 INOX | 16020250A0
Hersteller: BOSCH
Artikelnummer: EB-3601H29J40-16020250A0
Netto: 9,95 € zzgl. MwSt.
zzgl. 6,90 € Versand (brutto)
einmalig pro Bestellung

Lieferzeit: 5 Werktage

Pos.
891
BOSCH Zusatzhandgriff M10, Ø32,5x105 MM | Ersatzteile für GWS 14-125 INOX | 2602025067
Hersteller: BOSCH
Artikelnummer: EB-3601H29J40-2602025067
nur Informationsartikel
Nie mehr lieferbar
keine Alternativen
Pos.
892
BOSCH Rundmutter M14 | Ersatzteile für GWS 14-125 INOX | 1603345043
Hersteller: BOSCH
Artikelnummer: EB-3601H29J40-1603345043
Netto: 8,33 € zzgl. MwSt.
zzgl. 6,90 € Versand (brutto)
einmalig pro Bestellung

Lieferzeit: 5 Werktage

Pos.
893
BOSCH Zweilochmutterndreher | Ersatzteile für GWS 14-125 INOX | 1607950052
Hersteller: BOSCH
Artikelnummer: EB-3601H29J40-1607950052
Netto: 5,19 € zzgl. MwSt.
zzgl. 6,90 € Versand (brutto)
einmalig pro Bestellung

Lieferzeit: 5 Werktage

Pos.
895
BOSCH Aufspannflansch Ø22,3xØ42 MM | Ersatzteile für GWS 14-125 INOX | 2605703014
Hersteller: BOSCH
Artikelnummer: EB-3601H29J40-2605703014
nur Informationsartikel
Nie mehr lieferbar
keine Alternativen
Pos.
896
BOSCH Schnellspannmutter M14, SDS-CLIC | Ersatzteile für GWS 14-125 INOX | 1600A016PP
Hersteller: BOSCH
Artikelnummer: EB-3601H29J40-1600A016PP
Netto: 29,45 € zzgl. MwSt.
zzgl. 6,90 € Versand (brutto)
einmalig pro Bestellung

Lieferzeit: 45 Werktage

Pos.
80
BOSCH Abdeckscheibe | Ersatzteile für GWS 14-125 INOX | 1619P09390
Hersteller: BOSCH
Artikelnummer: EB-3601H29J40-1619P09390
Netto: 4,32 € zzgl. MwSt.
zzgl. 6,90 € Versand (brutto)
einmalig pro Bestellung

Lieferzeit: 5 Werktage

Pos.
651
BOSCH Schutzhaube | Ersatzteile für GWS 14-125 INOX | 1600A025XR
Hersteller: BOSCH
Artikelnummer: EB-3601H29J40-1600A025XR
Netto: 9,18 € zzgl. MwSt.
zzgl. 6,90 € Versand (brutto)
einmalig pro Bestellung

Lieferzeit: 5 Werktage

Pos.
828
BOSCH Lagerflansch | Ersatzteile für GWS 14-125 INOX | 1607000449
Hersteller: BOSCH
Artikelnummer: EB-3601H29J40-1607000D6D
Netto: 12,84 € zzgl. MwSt.
zzgl. 6,90 € Versand (brutto)
einmalig pro Bestellung

Lieferzeit: 5 Werktage

Pos.
891
BOSCH Zusatzhandgriff | Ersatzteile für GWS 14-125 INOX | 1619P16111
Hersteller: BOSCH
Artikelnummer: EB-3601H29J40-16020250A0
Netto: 4,82 € zzgl. MwSt.
zzgl. 6,90 € Versand (brutto)
einmalig pro Bestellung

Lieferzeit: 5 Werktage

Angaben zur Produktsicherheit

Hersteller:
Robert Bosch Power Tools GmbH
Postfach 30 02 20
70442 Stuttgart

E-Mail:
kontakt@bosch.de