BOSCH Tülle Ø7,3-Ø8,6x67 MM | Ersatzteile für GWS 1400 | 1600703031

Artikelnummer: EB-0601804770-1600703031

Position: 806

Marke: BOSCH


Bitte Kompatibilität prüfen!

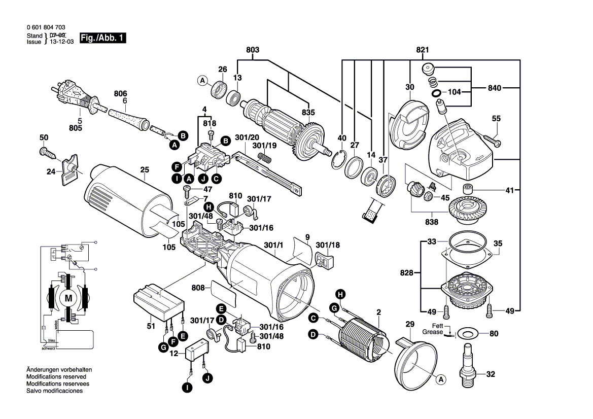
Bitte prüfen Sie unbedingt die 10-stellige Typennummer Ihrer Maschine / Ihres Gerätes. Das Ersatzteil ist nur kompatibel, wenn Sie die Typennummer Ihrer Maschine in der unten stehenden Produktbeschreibung finden.

Bitte prüfen Sie ebenfalls detailliert die Explosionszeichnung mit Ihrem Artikelwunsch und der jeweiligen Pos-Nummer.

Alle Elemente, welche vom schwarzen Strich der Pos-Nummer ausgehend berührt / erfasst werden, gehören zu dieser Pos-Nummer und somit zu diesem Artikel. Jede Pos-Nummer ist ein eigenständiger Artikel, welchen Sie in der Auflistung finden.

Sie erhalten stets die aktuellste, neueste Produktversion zu der gewählten Pos-Nummer seitens des Herstellers. Es kann daher je nach Gerätealter vorkommen, dass Sie ggf. weitere, zugehörige Elemente, welche an diese Pos-Nummer grenzen, ebenfalls mittauschen müssen.

Nähere Informationen finden Sie unter dem Link
Hinweise zu Ihrer BOSCH Ersatzteilsuche

Preisübersicht

Einzelpreis: 4,82 €* (Brutto: 5,74 €)
Gesamtpreis: 4,82 €* 
Position:

Lieferzeit: 5 Werktage


Beschreibung

  • Tülle Ø7,3-Ø8,6x67 MM
  • Original Bosch Zubehör / BOSCH Ersatzteil (1600703031)
  • im Gerät verbaut: 1
Dieses BOSCH Ersatzteil ist mit folgendem Gerät und Modell kompatibel:
  • BOSCH Gerätename: GWS 1400
  • BOSCH Explosionszeichnung: Position 806
  • BOSCH Typennummer: 0601804770
  • BOSCH Typennummer alternative Schreibweisen: 0 601 804 770, 0601 804 770, 0.601.804.770, 0-601-804-770
    Bitte prüfen Sie diese Typennummer auf Ihrem Gerät um die Kompatibilität des BOSCH Ersatzteils zu gewährleisten.
Weitere BOSCH Ersatzteile des Gerätes GWS 1400 (Winkelschleifer) mit der Typennummer 0601804770 finden Sie in der nachfolgenden Darstellung und im Dropdown zu Ihrer Auswahl:

Pos.
301/1
BOSCH Motorgehäuse BLAU | Ersatzteile für GWS 1400 | 1605108208
Hersteller: BOSCH
Artikelnummer: EB-0601804770-1605108208
Netto: 9,95 € zzgl. MwSt.
zzgl. 6,90 € Versand (brutto)
einmalig pro Bestellung

Lieferzeit: 5 Werktage

Pos.
301/16
BOSCH Bürstenhalter | Ersatzteile für GWS 1400 | 1601323025
Hersteller: BOSCH
Artikelnummer: EB-0601804770-1601323025
Netto: 4,82 € zzgl. MwSt.
zzgl. 6,90 € Versand (brutto)
einmalig pro Bestellung

Lieferzeit: 5 Werktage

Pos.
301/17
BOSCH Spiralfeder | Ersatzteile für GWS 1400 | 1604652013
Hersteller: BOSCH
Artikelnummer: EB-0601804770-1604652013
Netto: 3,94 € zzgl. MwSt.
zzgl. 6,90 € Versand (brutto)
einmalig pro Bestellung

Lieferzeit: 5 Werktage

Pos.
301/18
BOSCH Schaltergriff SCHWARZ | Ersatzteile für GWS 1400 | 1602026057
Hersteller: BOSCH
Artikelnummer: EB-0601804770-1602026057
Netto: 3,94 € zzgl. MwSt.
zzgl. 6,90 € Versand (brutto)
einmalig pro Bestellung

Lieferzeit: 5 Werktage

Pos.
301/19
BOSCH Druckfeder | Ersatzteile für GWS 1400 | 1604611026
Hersteller: BOSCH
Artikelnummer: EB-0601804770-1604611026
Netto: 3,63 € zzgl. MwSt.
zzgl. 6,90 € Versand (brutto)
einmalig pro Bestellung

Lieferzeit: 12 Werktage

Pos.
301/20
BOSCH Verstellschieber | Ersatzteile für GWS 1400 | 1602319011
Hersteller: BOSCH
Artikelnummer: EB-0601804770-1602319011
Netto: 3,94 € zzgl. MwSt.
zzgl. 6,90 € Versand (brutto)
einmalig pro Bestellung

Lieferzeit: 5 Werktage

Pos.
301/48
BOSCH Blechschraube DIN7981-ST2,9x9,5C-Z | Ersatzteile für GWS 1400 | 2912401005
Hersteller: BOSCH
Artikelnummer: EB-0601804770-2912401005
Netto: 3,63 € zzgl. MwSt.
zzgl. 6,90 € Versand (brutto)
einmalig pro Bestellung

Lieferzeit: 5 Werktage

Pos.
2
BOSCH Polschuh 220-230V | Ersatzteile für GWS 1400 | 1607000F0S
Hersteller: BOSCH
Artikelnummer: EB-0601804770-1607000F0S
Netto: 29,45 € zzgl. MwSt.
zzgl. 6,90 € Versand (brutto)
einmalig pro Bestellung

Lieferzeit: 5 Werktage

Pos.
4
BOSCH Schalter | Ersatzteile für GWS 1400 | 1607200137
Hersteller: BOSCH
Artikelnummer: EB-0601804770-1607200137
Netto: 10,92 € zzgl. MwSt.
zzgl. 6,90 € Versand (brutto)
einmalig pro Bestellung

Lieferzeit: 5 Werktage

Pos.
7
BOSCH Befestigungsschelle | Ersatzteile für GWS 1400 | 1601302017
Hersteller: BOSCH
Artikelnummer: EB-0601804770-1601302017
Netto: 3,63 € zzgl. MwSt.
zzgl. 6,90 € Versand (brutto)
einmalig pro Bestellung

Lieferzeit: 5 Werktage

Pos.
9
BOSCH Firmenschild | Ersatzteile für GWS 1400 | 1601118G60
Hersteller: BOSCH
Artikelnummer: EB-0601804770-1601118G60
nur Informationsartikel
Nie mehr lieferbar
keine Alternativen
Pos.
12
BOSCH Entstörfilter | Ersatzteile für GWS 1400 | 1607328042
Hersteller: BOSCH
Artikelnummer: EB-0601804770-1607328042
Netto: 7,30 € zzgl. MwSt.
zzgl. 6,90 € Versand (brutto)
einmalig pro Bestellung

Lieferzeit: 5 Werktage

Pos.
13
BOSCH Kugellager 7x19x6 | Ersatzteile für GWS 1400 | 2600905032
Hersteller: BOSCH
Artikelnummer: EB-0601804770-2600905032
Netto: 6,15 € zzgl. MwSt.
zzgl. 6,90 € Versand (brutto)
einmalig pro Bestellung

Lieferzeit: 12 Werktage

Pos.
14
BOSCH Rillenkugellager 8x22x7 | Ersatzteile für GWS 1400 | 1600905032
Hersteller: BOSCH
Artikelnummer: EB-0601804770-1600905032
Netto: 6,70 € zzgl. MwSt.
zzgl. 6,90 € Versand (brutto)
einmalig pro Bestellung

Lieferzeit: 5 Werktage

Pos.
24
BOSCH Abdeckung BLAU | Ersatzteile für GWS 1400 | 1605500228
Hersteller: BOSCH
Artikelnummer: EB-0601804770-1605500228
Netto: 4,53 € zzgl. MwSt.
zzgl. 6,90 € Versand (brutto)
einmalig pro Bestellung

Lieferzeit: 5 Werktage

Pos.
25
BOSCH Gehäusedeckel BLAU | Ersatzteile für GWS 1400 | 1605500226
Hersteller: BOSCH
Artikelnummer: EB-0601804770-1605500226
Netto: 7,30 € zzgl. MwSt.
zzgl. 6,90 € Versand (brutto)
einmalig pro Bestellung

Lieferzeit: 5 Werktage

Pos.
26
BOSCH Gummiring | Ersatzteile für GWS 1400 | 1600206036
Hersteller: BOSCH
Artikelnummer: EB-0601804770-1600206036
Netto: 3,94 € zzgl. MwSt.
zzgl. 6,90 € Versand (brutto)
einmalig pro Bestellung

Lieferzeit: 5 Werktage

Pos.
27
BOSCH Gummiring | Ersatzteile für GWS 1400 | 1600206025
Hersteller: BOSCH
Artikelnummer: EB-0601804770-1600206025
Netto: 4,32 € zzgl. MwSt.
zzgl. 6,90 € Versand (brutto)
einmalig pro Bestellung

Lieferzeit: 5 Werktage

Pos.
29
BOSCH Luftleitring | Ersatzteile für GWS 1400 | 1600591025
Hersteller: BOSCH
Artikelnummer: EB-0601804770-1600591025
Netto: 4,53 € zzgl. MwSt.
zzgl. 6,90 € Versand (brutto)
einmalig pro Bestellung

Lieferzeit: 5 Werktage

Pos.
30
BOSCH Luftleitring | Ersatzteile für GWS 1400 | 1600591014
Hersteller: BOSCH
Artikelnummer: EB-0601804770-1600591014
Netto: 4,53 € zzgl. MwSt.
zzgl. 6,90 € Versand (brutto)
einmalig pro Bestellung

Lieferzeit: 5 Werktage

Pos.
32
BOSCH Schleifspindel | Ersatzteile für GWS 1400 | 1607000D6A
Hersteller: BOSCH
Artikelnummer: EB-0601804770-1607000D6A
Netto: 7,76 € zzgl. MwSt.
zzgl. 6,90 € Versand (brutto)
einmalig pro Bestellung

Lieferzeit: 5 Werktage

Pos.
33
BOSCH O-Ring 46,0x1,1 MM ROT | Ersatzteile für GWS 1400 | 3600210124
Hersteller: BOSCH
Artikelnummer: EB-0601804770-3600210124
Netto: 4,82 € zzgl. MwSt.
zzgl. 6,90 € Versand (brutto)
einmalig pro Bestellung

Lieferzeit: 5 Werktage

Pos.
35
BOSCH Ausgleichscheibe 0,1 MM DICK | Ersatzteile für GWS 1400 | 1600136013
Hersteller: BOSCH
Artikelnummer: EB-0601804770-1600136013
Netto: 4,53 € zzgl. MwSt.
zzgl. 6,90 € Versand (brutto)
einmalig pro Bestellung

Lieferzeit: 5 Werktage

Pos.
35
BOSCH Ausgleichscheibe 0,15 MM DICK | Ersatzteile für GWS 1400 | 1600136020
Hersteller: BOSCH
Artikelnummer: EB-0601804770-1600136020
nur Informationsartikel
Nie mehr lieferbar
keine Alternativen
Pos.
35
BOSCH Ausgleichscheibe 0,2 MM DICK | Ersatzteile für GWS 1400 | 1600136014
Hersteller: BOSCH
Artikelnummer: EB-0601804770-1600136014
Netto: 4,53 € zzgl. MwSt.
zzgl. 6,90 € Versand (brutto)
einmalig pro Bestellung

Lieferzeit: 5 Werktage

Pos.
35
BOSCH Ausgleichscheibe 0,3 MM DICK | Ersatzteile für GWS 1400 | 1600136015
Hersteller: BOSCH
Artikelnummer: EB-0601804770-1600136015
nur Informationsartikel
Nie mehr lieferbar
keine Alternativen
Pos.
37
BOSCH Radial-Wellendichtring | Ersatzteile für GWS 1400 | 1600290016
Hersteller: BOSCH
Artikelnummer: EB-0601804770-1600290016
Netto: 4,53 € zzgl. MwSt.
zzgl. 6,90 € Versand (brutto)
einmalig pro Bestellung

Lieferzeit: 5 Werktage

Pos.
40
BOSCH Sicherungsbügel | Ersatzteile für GWS 1400 | 1600119011
Hersteller: BOSCH
Artikelnummer: EB-0601804770-1600119011
Netto: 4,32 € zzgl. MwSt.
zzgl. 6,90 € Versand (brutto)
einmalig pro Bestellung

Lieferzeit: 5 Werktage

Pos.
41
BOSCH Nadelhülse Ø8xØ12x8 MM | Ersatzteile für GWS 1400 | 1600910018
Hersteller: BOSCH
Artikelnummer: EB-0601804770-1600910018
Netto: 6,15 € zzgl. MwSt.
zzgl. 6,90 € Versand (brutto)
einmalig pro Bestellung

Lieferzeit: 5 Werktage

Pos.
45
BOSCH Sechskantmutter M7, SW10 | Ersatzteile für GWS 1400 | 1603300016
Hersteller: BOSCH
Artikelnummer: EB-0601804770-1603300016
Netto: 3,94 € zzgl. MwSt.
zzgl. 6,90 € Versand (brutto)
einmalig pro Bestellung

Lieferzeit: 5 Werktage

Pos.
47
BOSCH Blechschraube DIN7981-ST3,9x13-C-Z | Ersatzteile für GWS 1400 | 2912401018
Hersteller: BOSCH
Artikelnummer: EB-0601804770-2912401018
Netto: 3,63 € zzgl. MwSt.
zzgl. 6,90 € Versand (brutto)
einmalig pro Bestellung

Lieferzeit: 5 Werktage

Pos.
49
BOSCH Gewindefurchschraube | Ersatzteile für GWS 1400 | 1603435026
Hersteller: BOSCH
Artikelnummer: EB-0601804770-1603435026
Netto: 3,94 € zzgl. MwSt.
zzgl. 6,90 € Versand (brutto)
einmalig pro Bestellung

Lieferzeit: 5 Werktage

Pos.
50
BOSCH Blechschraube DIN7981-ST3,9x19-F-Z | Ersatzteile für GWS 1400 | 2912401420
Hersteller: BOSCH
Artikelnummer: EB-0601804770-2912401420
nur Informationsartikel
Nie mehr lieferbar
keine Alternativen
Pos.
51
BOSCH Drehzahlregler 220-240V | Ersatzteile für GWS 1400 | 1607233107
Hersteller: BOSCH
Artikelnummer: EB-0601804770-1607233107
nur Informationsartikel
Nie mehr lieferbar
keine Alternativen
Pos.
55
BOSCH Linsenschraube | Ersatzteile für GWS 1400 | 1603415005
Hersteller: BOSCH
Artikelnummer: EB-0601804770-1603415005
Netto: 3,59 € zzgl. MwSt.
zzgl. 6,90 € Versand (brutto)
einmalig pro Bestellung

Lieferzeit: 5 Werktage

Pos.
80
BOSCH Abdeckscheibe | Ersatzteile für GWS 1400 | 1619P09390
Hersteller: BOSCH
Artikelnummer: EB-0601804770-1619P09390
Netto: 4,32 € zzgl. MwSt.
zzgl. 6,90 € Versand (brutto)
einmalig pro Bestellung

Lieferzeit: 5 Werktage

Pos.
80
BOSCH Dichtscheibe | Ersatzteile für GWS 1400 | 3600150021
Hersteller: BOSCH
Artikelnummer: EB-0601804770-3600150021
Netto: 4,15 € zzgl. MwSt.
zzgl. 6,90 € Versand (brutto)
einmalig pro Bestellung

Lieferzeit: 5 Werktage

Pos.
104
BOSCH O-Ring 4,5x1,0 MM BLAU | Ersatzteile für GWS 1400 | 1600210044
Hersteller: BOSCH
Artikelnummer: EB-0601804770-1600210044
Netto: 3,63 € zzgl. MwSt.
zzgl. 6,90 € Versand (brutto)
einmalig pro Bestellung

Lieferzeit: 5 Werktage

Pos.
105
BOSCH Isolierplatte | Ersatzteile für GWS 1400 | 1601008005
Hersteller: BOSCH
Artikelnummer: EB-0601804770-1601008005
Netto: 6,15 € zzgl. MwSt.
zzgl. 6,90 € Versand (brutto)
einmalig pro Bestellung

Lieferzeit: 5 Werktage

Pos.
803
BOSCH Anker Mit Lüfter 220-240V | Ersatzteile für GWS 1400 | 1604010650
Hersteller: BOSCH
Artikelnummer: EB-0601804770-1604010650
Netto: 77,60 € zzgl. MwSt.
zzgl. 6,90 € Versand (brutto)
einmalig pro Bestellung

Lieferzeit: 65 Werktage

Pos.
805
BOSCH Netzanschlussleitung EU 4,15m 2 x 1,0mm H07 RN-F | Ersatzteile für GWS 1400 | 1607000227
Hersteller: BOSCH
Artikelnummer: EB-0601804770-1607000227
Netto: 21,16 € zzgl. MwSt.
zzgl. 6,90 € Versand (brutto)
einmalig pro Bestellung

Lieferzeit: 5 Werktage

Pos.
806
BOSCH Tülle Ø7,3-Ø8,6x67 MM | Ersatzteile für GWS 1400 | 1600703031
Hersteller: BOSCH
Artikelnummer: EB-0601804770-1600703031
Netto: 4,82 € zzgl. MwSt.
zzgl. 6,90 € Versand (brutto)
einmalig pro Bestellung

Lieferzeit: 5 Werktage

Pos.
808
BOSCH Typschild | Ersatzteile für GWS 1400 | 160111A3H3
Hersteller: BOSCH
Artikelnummer: EB-0601804770-160111A3H3
Netto: 4,53 € zzgl. MwSt.
zzgl. 6,90 € Versand (brutto)
einmalig pro Bestellung

Lieferzeit: 5 Werktage

Pos.
810
BOSCH Kohlebürstensatz | Ersatzteile für GWS 1400 | 1607014176
Hersteller: BOSCH
Artikelnummer: EB-0601804770-1607014176
Netto: 11,92 € zzgl. MwSt.
zzgl. 6,90 € Versand (brutto)
einmalig pro Bestellung

Lieferzeit: 5 Werktage

Pos.
818
BOSCH Flachkopfschraube DIN 85-AM3x6-CUZN | Ersatzteile für GWS 1400 | 2910110048
Hersteller: BOSCH
Artikelnummer: EB-0601804770-2910110048
Netto: 3,63 € zzgl. MwSt.
zzgl. 6,90 € Versand (brutto)
einmalig pro Bestellung

Lieferzeit: 5 Werktage

Pos.
821
BOSCH Getriebegehäuse | Ersatzteile für GWS 1400 | 1605806451
Hersteller: BOSCH
Artikelnummer: EB-0601804770-1605806451
Netto: 32,74 € zzgl. MwSt.
zzgl. 6,90 € Versand (brutto)
einmalig pro Bestellung

Lieferzeit: 5 Werktage

Pos.
828
BOSCH Lagerflansch Ø 110-125 MM | Ersatzteile für GWS 1400 | 1607000347
Hersteller: BOSCH
Artikelnummer: EB-0601804770-1607000347
Netto: 14,36 € zzgl. MwSt.
zzgl. 6,90 € Versand (brutto)
einmalig pro Bestellung

Lieferzeit: 5 Werktage

Pos.
835
BOSCH Lüfter | Ersatzteile für GWS 1400 | 1606610129
Hersteller: BOSCH
Artikelnummer: EB-0601804770-1606610129
Netto: 4,32 € zzgl. MwSt.
zzgl. 6,90 € Versand (brutto)
einmalig pro Bestellung

Lieferzeit: 5 Werktage

Pos.
838
BOSCH Getriebeeinheit | Ersatzteile für GWS 1400 | 1607000D4Y
Hersteller: BOSCH
Artikelnummer: EB-0601804770-1607000D4Y
Netto: 14,36 € zzgl. MwSt.
zzgl. 6,90 € Versand (brutto)
einmalig pro Bestellung

Lieferzeit: 5 Werktage

Pos.
840
BOSCH Druckknopf SCHWARZ | Ersatzteile für GWS 1400 | 1607000253
Hersteller: BOSCH
Artikelnummer: EB-0601804770-1607000253
Netto: 4,32 € zzgl. MwSt.
zzgl. 6,90 € Versand (brutto)
einmalig pro Bestellung

Lieferzeit: 5 Werktage

Pos.
890
BOSCH O-Ring 20,35x1,78 MM | Ersatzteile für GWS 1400 | 1600210039
Hersteller: BOSCH
Artikelnummer: EB-0601804770-1600210039
Netto: 4,32 € zzgl. MwSt.
zzgl. 6,90 € Versand (brutto)
einmalig pro Bestellung

Lieferzeit: 5 Werktage

Pos.
BOSCH Zusatzhandgriff | Ersatzteile für GWS 1400 | 16020250A0
Hersteller: BOSCH
Artikelnummer:
Netto: 9,95 € zzgl. MwSt.
zzgl. 6,90 € Versand (brutto)
einmalig pro Bestellung

Lieferzeit: 5 Werktage

Pos.
891
BOSCH Zusatzhandgriff M10, Ø32,5x105 MM | Ersatzteile für GWS 1400 | 2602025067
Hersteller: BOSCH
Artikelnummer: EB-0601804770-2602025067
nur Informationsartikel
Nie mehr lieferbar
keine Alternativen
Pos.
891
BOSCH Zusatzhandgriff M10, Ø37x115 MM ANTIVIBRATION | Ersatzteile für GWS 1400 | 1602025031
Hersteller: BOSCH
Artikelnummer: EB-0601804770-1602025031
Netto: 14,92 € zzgl. MwSt.
zzgl. 6,90 € Versand (brutto)
einmalig pro Bestellung

Lieferzeit: 5 Werktage

Pos.
892
BOSCH Rundmutter M14 | Ersatzteile für GWS 1400 | 1603345043
Hersteller: BOSCH
Artikelnummer: EB-0601804770-1603345043
Netto: 8,33 € zzgl. MwSt.
zzgl. 6,90 € Versand (brutto)
einmalig pro Bestellung

Lieferzeit: 5 Werktage

Pos.
893
BOSCH Zweilochmutterndreher | Ersatzteile für GWS 1400 | 1607950052
Hersteller: BOSCH
Artikelnummer: EB-0601804770-1607950052
Netto: 5,19 € zzgl. MwSt.
zzgl. 6,90 € Versand (brutto)
einmalig pro Bestellung

Lieferzeit: 5 Werktage

Pos.
894
BOSCH Schutzhaube Ø 125 MM | Ersatzteile für GWS 1400 | 1605510313
Hersteller: BOSCH
Artikelnummer: EB-0601804770-1605510313
nur Informationsartikel
Nie mehr lieferbar
keine Alternativen
Pos.
895
BOSCH Aufspannflansch Ø22,3xØ42 MM | Ersatzteile für GWS 1400 | 2605703014
Hersteller: BOSCH
Artikelnummer: EB-0601804770-2605703014
nur Informationsartikel
Nie mehr lieferbar
keine Alternativen

Angaben zur Produktsicherheit

Hersteller:
Robert Bosch Power Tools GmbH
Postfach 30 02 20
70442 Stuttgart

E-Mail:
kontakt@bosch.de