BOSCH Zusatzhandgriff | Ersatzteile für GWS 15-125 CIEX | 1619P16111

Artikelnummer: EB-3601G96100-1619P16111

Position: 891

Marke: BOSCH


Bitte Kompatibilität prüfen!

Bitte prüfen Sie unbedingt die 10-stellige Typennummer Ihrer Maschine / Ihres Gerätes. Das Ersatzteil ist nur kompatibel, wenn Sie die Typennummer Ihrer Maschine in der unten stehenden Produktbeschreibung finden.

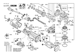
Bitte prüfen Sie ebenfalls detailliert die Explosionszeichnung mit Ihrem Artikelwunsch und der jeweiligen Pos-Nummer.

Alle Elemente, welche vom schwarzen Strich der Pos-Nummer ausgehend berührt / erfasst werden, gehören zu dieser Pos-Nummer und somit zu diesem Artikel. Jede Pos-Nummer ist ein eigenständiger Artikel, welchen Sie in der Auflistung finden.

Sie erhalten stets die aktuellste, neueste Produktversion zu der gewählten Pos-Nummer seitens des Herstellers. Es kann daher je nach Gerätealter vorkommen, dass Sie ggf. weitere, zugehörige Elemente, welche an diese Pos-Nummer grenzen, ebenfalls mittauschen müssen.

Nähere Informationen finden Sie unter dem Link
Hinweise zu Ihrer BOSCH Ersatzteilsuche

Preisübersicht

Einzelpreis: 4,82 €* (Brutto: 5,74 €)
Gesamtpreis: 4,82 €* 
Position:

Lieferzeit: 5 Werktage


Beschreibung

  • Zusatzhandgriff
  • Original Bosch Zubehör / BOSCH Ersatzteil (1619P16111)
  • alte Artikelnummer: 160202509T
  • im Gerät verbaut: 1
Dieses BOSCH Ersatzteil ist mit folgendem Gerät und Modell kompatibel:
  • BOSCH Gerätename: GWS 15-125 CIEX
  • BOSCH Explosionszeichnung: Position 891
  • BOSCH Typennummer: 3601G96100
  • BOSCH Typennummer alternative Schreibweisen: 3 601 G96 100, 3601 G96 100, 3.601.G96.100, 3-601-G96-100
    Bitte prüfen Sie diese Typennummer auf Ihrem Gerät um die Kompatibilität des BOSCH Ersatzteils zu gewährleisten.
Weitere BOSCH Ersatzteile des Gerätes GWS 15-125 CIEX (Winkelschleifer) mit der Typennummer 3601G96100 finden Sie in der nachfolgenden Darstellung und im Dropdown zu Ihrer Auswahl:

Pos.
28/80
BOSCH Abdeckscheibe | Ersatzteile für GWS 15-125 CIEX | 1619P09390
Hersteller: BOSCH
Artikelnummer: EB-3601G96100-1619P09390
Netto: 4,32 € zzgl. MwSt.
zzgl. 6,90 € Versand (brutto)
einmalig pro Bestellung

Lieferzeit: 5 Werktage

Pos.
3/13
BOSCH Kugellager 7x19x6 | Ersatzteile für GWS 15-125 CIEX | 2600905032
Hersteller: BOSCH
Artikelnummer: EB-3601G96100-2600905032
Netto: 6,15 € zzgl. MwSt.
zzgl. 6,90 € Versand (brutto)
einmalig pro Bestellung

Lieferzeit: 8 Werktage

Pos.
301/20
BOSCH Verstellschieber | Ersatzteile für GWS 15-125 CIEX | 1602319025
Hersteller: BOSCH
Artikelnummer: EB-3601G96100-1602319025
Netto: 4,32 € zzgl. MwSt.
zzgl. 6,90 € Versand (brutto)
einmalig pro Bestellung

Lieferzeit: 5 Werktage

Pos.
31
BOSCH Bürstendeckel | Ersatzteile für GWS 15-125 CIEX | 1605500277
Hersteller: BOSCH
Artikelnummer: EB-3601G96100-1605500277
Netto: 4,32 € zzgl. MwSt.
zzgl. 6,90 € Versand (brutto)
einmalig pro Bestellung

Lieferzeit: 5 Werktage

Pos.
4
BOSCH Schalter | Ersatzteile für GWS 15-125 CIEX | 1607200256
Hersteller: BOSCH
Artikelnummer: EB-3601G96100-1607200256
Netto: 10,92 € zzgl. MwSt.
zzgl. 6,90 € Versand (brutto)
einmalig pro Bestellung

Lieferzeit: 5 Werktage

Pos.
650/6
BOSCH Schnellspannmutter | Ersatzteile für GWS 15-125 CIEX | 1600A008BN
Hersteller: BOSCH
Artikelnummer: EB-3601G96100-1600A008BN
Netto: 31,46 € zzgl. MwSt.
zzgl. 6,90 € Versand (brutto)
einmalig pro Bestellung

Lieferzeit: 5 Werktage

Pos.
6
BOSCH Tülle | Ersatzteile für GWS 15-125 CIEX | 1600703043
Hersteller: BOSCH
Artikelnummer: EB-3601G96100-1600703043
Netto: 4,53 € zzgl. MwSt.
zzgl. 6,90 € Versand (brutto)
einmalig pro Bestellung

Lieferzeit: 7 Werktage

Pos.
BOSCH Schalter | Ersatzteile für GWS 15-125 CIEX | 160720035A
Hersteller: BOSCH
Artikelnummer:
Netto: 9,95 € zzgl. MwSt.
zzgl. 6,90 € Versand (brutto)
einmalig pro Bestellung

Lieferzeit: 5 Werktage

Pos.
7
BOSCH Befestigungsschelle | Ersatzteile für GWS 15-125 CIEX | 1601302017
Hersteller: BOSCH
Artikelnummer: EB-3601G96100-1601302017
Netto: 3,63 € zzgl. MwSt.
zzgl. 6,90 € Versand (brutto)
einmalig pro Bestellung

Lieferzeit: 5 Werktage

Pos.
21/14
BOSCH Rillenkugellager 8x22x7 | Ersatzteile für GWS 15-125 CIEX | 1600905032
Hersteller: BOSCH
Artikelnummer: EB-3601G96100-1600905032
Netto: 6,70 € zzgl. MwSt.
zzgl. 6,90 € Versand (brutto)
einmalig pro Bestellung

Lieferzeit: 65 Werktage

Pos.
21/27
BOSCH Gummiring | Ersatzteile für GWS 15-125 CIEX | 1600206025
Hersteller: BOSCH
Artikelnummer: EB-3601G96100-1600206025
Netto: 4,32 € zzgl. MwSt.
zzgl. 6,90 € Versand (brutto)
einmalig pro Bestellung

Lieferzeit: 5 Werktage

Pos.
21/30
BOSCH Luftverteiler | Ersatzteile für GWS 15-125 CIEX | 1600591048
Hersteller: BOSCH
Artikelnummer: EB-3601G96100-1600591048
Netto: 4,53 € zzgl. MwSt.
zzgl. 6,90 € Versand (brutto)
einmalig pro Bestellung

Lieferzeit: 5 Werktage

Pos.
21/37
BOSCH Radial-Wellendichtring | Ersatzteile für GWS 15-125 CIEX | 1600290016
Hersteller: BOSCH
Artikelnummer: EB-3601G96100-1600290016
Netto: 4,53 € zzgl. MwSt.
zzgl. 6,90 € Versand (brutto)
einmalig pro Bestellung

Lieferzeit: 5 Werktage

Pos.
9
BOSCH Firmenschild GWS 15-125 CIEX | Ersatzteile für GWS 15-125 CIEX | 160111C01X
Hersteller: BOSCH
Artikelnummer: EB-3601G96100-160111C01X
Netto: 4,53 € zzgl. MwSt.
zzgl. 6,90 € Versand (brutto)
einmalig pro Bestellung

Lieferzeit: 5 Werktage

Pos.
21/40
BOSCH Sicherungsbügel | Ersatzteile für GWS 15-125 CIEX | 1600119011
Hersteller: BOSCH
Artikelnummer: EB-3601G96100-1600119011
Netto: 4,32 € zzgl. MwSt.
zzgl. 6,90 € Versand (brutto)
einmalig pro Bestellung

Lieferzeit: 5 Werktage

Pos.
21/41
BOSCH Gleitlager | Ersatzteile für GWS 15-125 CIEX | 1600200029
Hersteller: BOSCH
Artikelnummer: EB-3601G96100-1600200029
Netto: 5,19 € zzgl. MwSt.
zzgl. 6,90 € Versand (brutto)
einmalig pro Bestellung

Lieferzeit: 5 Werktage

Pos.
24
BOSCH Deckel | Ersatzteile für GWS 15-125 CIEX | 1605500275
Hersteller: BOSCH
Artikelnummer: EB-3601G96100-1605500275
Netto: 4,82 € zzgl. MwSt.
zzgl. 6,90 € Versand (brutto)
einmalig pro Bestellung

Lieferzeit: 5 Werktage

Pos.
25
BOSCH Gehäusedeckel | Ersatzteile für GWS 15-125 CIEX | 1605500276
Hersteller: BOSCH
Artikelnummer: EB-3601G96100-1605500276
Netto: 8,33 € zzgl. MwSt.
zzgl. 6,90 € Versand (brutto)
einmalig pro Bestellung

Lieferzeit: 5 Werktage

Pos.
28/328/31
BOSCH O-Ring 47,0x1,5 MM | Ersatzteile für GWS 15-125 CIEX | 3600210109
Hersteller: BOSCH
Artikelnummer: EB-3601G96100-3600210109
Netto: 4,32 € zzgl. MwSt.
zzgl. 6,90 € Versand (brutto)
einmalig pro Bestellung

Lieferzeit: 5 Werktage

Pos.
28/80
BOSCH Dichtscheibe | Ersatzteile für GWS 15-125 CIEX | 3600150021
Hersteller: BOSCH
Artikelnummer: EB-3601G96100-3600150021
Netto: 4,15 € zzgl. MwSt.
zzgl. 6,90 € Versand (brutto)
einmalig pro Bestellung

Lieferzeit: 5 Werktage

Pos.
29
BOSCH Luftleitring | Ersatzteile für GWS 15-125 CIEX | 1600591047
Hersteller: BOSCH
Artikelnummer: EB-3601G96100-1600591047
Netto: 4,32 € zzgl. MwSt.
zzgl. 6,90 € Versand (brutto)
einmalig pro Bestellung

Lieferzeit: 5 Werktage

Pos.
33
BOSCH O-Ring 46,0x1,1 MM | Ersatzteile für GWS 15-125 CIEX | 1600210035
Hersteller: BOSCH
Artikelnummer: EB-3601G96100-1600210035
Netto: 3,94 € zzgl. MwSt.
zzgl. 6,90 € Versand (brutto)
einmalig pro Bestellung

Lieferzeit: 5 Werktage

Pos.
35
BOSCH Ausgleichscheibe 0,1 MM DICK | Ersatzteile für GWS 15-125 CIEX | 1600136013
Hersteller: BOSCH
Artikelnummer: EB-3601G96100-1600136013
Netto: 4,53 € zzgl. MwSt.
zzgl. 6,90 € Versand (brutto)
einmalig pro Bestellung

Lieferzeit: 5 Werktage

Pos.
35
BOSCH Ausgleichscheibe 0,15 MM DICK | Ersatzteile für GWS 15-125 CIEX | 1600136020
Hersteller: BOSCH
Artikelnummer: EB-3601G96100-1600136020
Netto: 5,19 € zzgl. MwSt.
zzgl. 6,90 € Versand (brutto)
einmalig pro Bestellung

Lieferzeit: 5 Werktage

Pos.
35
BOSCH Ausgleichscheibe 0,2 MM DICK | Ersatzteile für GWS 15-125 CIEX | 1600136014
Hersteller: BOSCH
Artikelnummer: EB-3601G96100-1600136014
Netto: 4,53 € zzgl. MwSt.
zzgl. 6,90 € Versand (brutto)
einmalig pro Bestellung

Lieferzeit: 5 Werktage

Pos.
35
BOSCH Ausgleichscheibe 0,3 MM DICK | Ersatzteile für GWS 15-125 CIEX | 1600136015
Hersteller: BOSCH
Artikelnummer: EB-3601G96100-1600136015
Netto: 4,53 € zzgl. MwSt.
zzgl. 6,90 € Versand (brutto)
einmalig pro Bestellung

Lieferzeit: 5 Werktage

Pos.
45
BOSCH Sechskantmutter M7, SW10 | Ersatzteile für GWS 15-125 CIEX | 1603300016
Hersteller: BOSCH
Artikelnummer: EB-3601G96100-1603300016
Netto: 3,94 € zzgl. MwSt.
zzgl. 6,90 € Versand (brutto)
einmalig pro Bestellung

Lieferzeit: 5 Werktage

Pos.
49
BOSCH Gewindefurchschraube M4x16-St w/ Precote 85-3 | Ersatzteile für GWS 15-125 CIEX | 160343508X
Hersteller: BOSCH
Artikelnummer: EB-3601G96100-160343508X
Netto: 3,63 € zzgl. MwSt.
zzgl. 6,90 € Versand (brutto)
einmalig pro Bestellung

Lieferzeit: 5 Werktage

Pos.
49
BOSCH Gewindefurchschraube M4x16 | Ersatzteile für GWS 15-125 CIEX | 2914491410
Hersteller: BOSCH
Artikelnummer: EB-3601G96100-2914491410
Netto: 3,63 € zzgl. MwSt.
zzgl. 6,90 € Versand (brutto)
einmalig pro Bestellung

Lieferzeit: 5 Werktage

Pos.
50
BOSCH Torx-Linsenschraube 4x20 | Ersatzteile für GWS 15-125 CIEX | 2603490023
Hersteller: BOSCH
Artikelnummer: EB-3601G96100-2603490023
Netto: 3,63 € zzgl. MwSt.
zzgl. 6,90 € Versand (brutto)
einmalig pro Bestellung

Lieferzeit: 5 Werktage

Pos.
53
BOSCH Torx-Linsenschraube | Ersatzteile für GWS 15-125 CIEX | 1603435078
Hersteller: BOSCH
Artikelnummer: EB-3601G96100-1603435078
Netto: 3,63 € zzgl. MwSt.
zzgl. 6,90 € Versand (brutto)
einmalig pro Bestellung

Lieferzeit: 5 Werktage

Pos.
54
BOSCH Torx-Linsenschraube 4x30 | Ersatzteile für GWS 15-125 CIEX | 1603414026
Hersteller: BOSCH
Artikelnummer: EB-3601G96100-1603414026
Netto: 3,63 € zzgl. MwSt.
zzgl. 6,90 € Versand (brutto)
einmalig pro Bestellung

Lieferzeit: 5 Werktage

Pos.
55
BOSCH Torx-Linsenschraube 4x12 | Ersatzteile für GWS 15-125 CIEX | 2603490021
Hersteller: BOSCH
Artikelnummer: EB-3601G96100-2603490021
Netto: 3,63 € zzgl. MwSt.
zzgl. 6,90 € Versand (brutto)
einmalig pro Bestellung

Lieferzeit: 5 Werktage

Pos.
108
BOSCH Isolierteil | Ersatzteile für GWS 15-125 CIEX | 1600712030
Hersteller: BOSCH
Artikelnummer: EB-3601G96100-1600712030
Netto: 3,94 € zzgl. MwSt.
zzgl. 6,90 € Versand (brutto)
einmalig pro Bestellung

Lieferzeit: 5 Werktage

Pos.
301/1
BOSCH Motorgehäuse | Ersatzteile für GWS 15-125 CIEX | 1605108283
Hersteller: BOSCH
Artikelnummer: EB-3601G96100-1605108283
Netto: 10,92 € zzgl. MwSt.
zzgl. 6,90 € Versand (brutto)
einmalig pro Bestellung

Lieferzeit: 5 Werktage

Pos.
BOSCH Bürstendeckel | Ersatzteile für GWS 15-125 CIEX | 1600A01M0M
Hersteller: BOSCH
Artikelnummer:
Netto: 5,19 € zzgl. MwSt.
zzgl. 6,90 € Versand (brutto)
einmalig pro Bestellung

Lieferzeit: 5 Werktage

Pos.
301/17
BOSCH Spiralfeder | Ersatzteile für GWS 15-125 CIEX | 1604652021
Hersteller: BOSCH
Artikelnummer: EB-3601G96100-1604652021
Netto: 3,63 € zzgl. MwSt.
zzgl. 6,90 € Versand (brutto)
einmalig pro Bestellung

Lieferzeit: 5 Werktage

Pos.
301/18
BOSCH Schaltergriff | Ersatzteile für GWS 15-125 CIEX | 1602026091
Hersteller: BOSCH
Artikelnummer: EB-3601G96100-1602026091
Netto: 3,63 € zzgl. MwSt.
zzgl. 6,90 € Versand (brutto)
einmalig pro Bestellung

Lieferzeit: 5 Werktage

Pos.
301/19
BOSCH Druckfeder | Ersatzteile für GWS 15-125 CIEX | 1604611031
Hersteller: BOSCH
Artikelnummer: EB-3601G96100-1604611031
Netto: 4,53 € zzgl. MwSt.
zzgl. 6,90 € Versand (brutto)
einmalig pro Bestellung

Lieferzeit: 5 Werktage

Pos.
BOSCH Verstellschieber | Ersatzteile für GWS 15-125 CIEX | 1602319026
Hersteller: BOSCH
Artikelnummer:
Netto: 3,94 € zzgl. MwSt.
zzgl. 6,90 € Versand (brutto)
einmalig pro Bestellung

Lieferzeit: 5 Werktage

Pos.
301/48
BOSCH Linsenkopfschraube 3x10 ST | Ersatzteile für GWS 15-125 CIEX | 1613435034
Hersteller: BOSCH
Artikelnummer: EB-3601G96100-1613435034
Netto: 3,63 € zzgl. MwSt.
zzgl. 6,90 € Versand (brutto)
einmalig pro Bestellung

Lieferzeit: 5 Werktage

Pos.
302/104
BOSCH O-Ring 4,5x1,0 MM BLAU | Ersatzteile für GWS 15-125 CIEX | 1600210044
Hersteller: BOSCH
Artikelnummer: EB-3601G96100-1600210044
Netto: 3,63 € zzgl. MwSt.
zzgl. 6,90 € Versand (brutto)
einmalig pro Bestellung

Lieferzeit: 5 Werktage

Pos.
343
BOSCH Rasthebel | Ersatzteile für GWS 15-125 CIEX | 1607000742
Hersteller: BOSCH
Artikelnummer: EB-3601G96100-1607000742
Netto: 7,76 € zzgl. MwSt.
zzgl. 6,90 € Versand (brutto)
einmalig pro Bestellung

Lieferzeit: 5 Werktage

Pos.
343/44
BOSCH Druckfeder | Ersatzteile für GWS 15-125 CIEX | 1604611042
Hersteller: BOSCH
Artikelnummer: EB-3601G96100-1604611042
Netto: 3,94 € zzgl. MwSt.
zzgl. 6,90 € Versand (brutto)
einmalig pro Bestellung

Lieferzeit: 5 Werktage

Pos.
650/1
BOSCH Zusatzhandgriff M10 ANTI-VIBRATION | Ersatzteile für GWS 15-125 CIEX | 16020250A0
Hersteller: BOSCH
Artikelnummer: EB-3601G96100-16020250A0
Netto: 9,95 € zzgl. MwSt.
zzgl. 6,90 € Versand (brutto)
einmalig pro Bestellung

Lieferzeit: 5 Werktage

Pos.
650/2
BOSCH Rundmutter | Ersatzteile für GWS 15-125 CIEX | 1600A001PG
Hersteller: BOSCH
Artikelnummer: EB-3601G96100-1600A001PG
Netto: 4,53 € zzgl. MwSt.
zzgl. 6,90 € Versand (brutto)
einmalig pro Bestellung

Lieferzeit: 5 Werktage

Pos.
650/3
BOSCH Zweilochmutterndreher | Ersatzteile für GWS 15-125 CIEX | 1607950052
Hersteller: BOSCH
Artikelnummer: EB-3601G96100-1607950052
Netto: 5,19 € zzgl. MwSt.
zzgl. 6,90 € Versand (brutto)
einmalig pro Bestellung

Lieferzeit: 5 Werktage

Pos.
650/5
BOSCH Aufspannflansch Ø22,3xØ42 MM | Ersatzteile für GWS 15-125 CIEX | 2605703014
Hersteller: BOSCH
Artikelnummer: EB-3601G96100-2605703014
nur Informationsartikel
Nie mehr lieferbar
keine Alternativen
Pos.
650/5/2
BOSCH O-Ring 20,35x1,78 MM | Ersatzteile für GWS 15-125 CIEX | 1600210055
Hersteller: BOSCH
Artikelnummer: EB-3601G96100-1600210055
Netto: 3,51 € zzgl. MwSt.
zzgl. 6,90 € Versand (brutto)
einmalig pro Bestellung

Lieferzeit: 5 Werktage

Pos.
BOSCH Schnellspannmutter | Ersatzteile für GWS 15-125 CIEX | 1600A016PU
Hersteller: BOSCH
Artikelnummer:
Netto: 35,77 € zzgl. MwSt.
zzgl. 6,90 € Versand (brutto)
einmalig pro Bestellung

Lieferzeit: 5 Werktage

Pos.
651
BOSCH Schutzhaube Ø125 MM | Ersatzteile für GWS 15-125 CIEX | 1605510356
Hersteller: BOSCH
Artikelnummer: EB-3601G96100-1605510356
Netto: 10,27 € zzgl. MwSt.
zzgl. 6,90 € Versand (brutto)
einmalig pro Bestellung

Lieferzeit: 5 Werktage

Pos.
802
BOSCH Polschuhbaugruppe 220-230V | Ersatzteile für GWS 15-125 CIEX | 1604220532
Hersteller: BOSCH
Artikelnummer: EB-3601G96100-1604220532
Netto: 21,16 € zzgl. MwSt.
zzgl. 6,90 € Versand (brutto)
einmalig pro Bestellung

Lieferzeit: 5 Werktage

Pos.
803
BOSCH Anker Mit Lüfter 230V | Ersatzteile für GWS 15-125 CIEX | 1607000V35
Hersteller: BOSCH
Artikelnummer: EB-3601G96100-1607000V35
Netto: 47,09 € zzgl. MwSt.
zzgl. 6,90 € Versand (brutto)
einmalig pro Bestellung

Lieferzeit: 5 Werktage

Pos.
805
BOSCH Netzanschlussleitung EU 4,15m 2 x 1,0mm H07 RN-F | Ersatzteile für GWS 15-125 CIEX | 1607000392
Hersteller: BOSCH
Artikelnummer: EB-3601G96100-1607000392
Netto: 19,18 € zzgl. MwSt.
zzgl. 6,90 € Versand (brutto)
einmalig pro Bestellung

Lieferzeit: 5 Werktage

Pos.
810
BOSCH Kohlebürstensatz | Ersatzteile für GWS 15-125 CIEX | 1607000V37
Hersteller: BOSCH
Artikelnummer: EB-3601G96100-1607000V37
Netto: 12,98 € zzgl. MwSt.
zzgl. 6,90 € Versand (brutto)
einmalig pro Bestellung

Lieferzeit: 5 Werktage

Pos.
813
BOSCH Rillenkugellager | Ersatzteile für GWS 15-125 CIEX | 1607000V38
Hersteller: BOSCH
Artikelnummer: EB-3601G96100-1607000V38
Netto: 7,76 € zzgl. MwSt.
zzgl. 6,90 € Versand (brutto)
einmalig pro Bestellung

Lieferzeit: 5 Werktage

Pos.
816
BOSCH Bürstenhalter | Ersatzteile für GWS 15-125 CIEX | 1607000V43
Hersteller: BOSCH
Artikelnummer: EB-3601G96100-1607000V43
Netto: 5,19 € zzgl. MwSt.
zzgl. 6,90 € Versand (brutto)
einmalig pro Bestellung

Lieferzeit: 5 Werktage

Pos.
818
BOSCH Flachkopfschraube | Ersatzteile für GWS 15-125 CIEX | 1607000V42
Hersteller: BOSCH
Artikelnummer: EB-3601G96100-1607000V42
Netto: 3,63 € zzgl. MwSt.
zzgl. 6,90 € Versand (brutto)
einmalig pro Bestellung

Lieferzeit: 5 Werktage

Pos.
821
BOSCH Getriebegehäuse | Ersatzteile für GWS 15-125 CIEX | 1605806559
Hersteller: BOSCH
Artikelnummer: EB-3601G96100-1605806559
Netto: 24,13 € zzgl. MwSt.
zzgl. 6,90 € Versand (brutto)
einmalig pro Bestellung

Lieferzeit: 5 Werktage

Pos.
835
BOSCH Lüfter | Ersatzteile für GWS 15-125 CIEX | 1606610132
Hersteller: BOSCH
Artikelnummer: EB-3601G96100-1606610132
Netto: 4,32 € zzgl. MwSt.
zzgl. 6,90 € Versand (brutto)
einmalig pro Bestellung

Lieferzeit: 5 Werktage

Pos.
838
BOSCH Getriebeeinheit | Ersatzteile für GWS 15-125 CIEX | 1600A001X6
Hersteller: BOSCH
Artikelnummer: EB-3601G96100-1600A001X6
Netto: 26,88 € zzgl. MwSt.
zzgl. 6,90 € Versand (brutto)
einmalig pro Bestellung

Lieferzeit: 5 Werktage

Pos.
840
BOSCH Druckknopf | Ersatzteile für GWS 15-125 CIEX | 1607000V41
Hersteller: BOSCH
Artikelnummer: EB-3601G96100-1607000V41
Netto: 5,67 € zzgl. MwSt.
zzgl. 6,90 € Versand (brutto)
einmalig pro Bestellung

Lieferzeit: 5 Werktage

Pos.
891
BOSCH Zusatzhandgriff M10, Ø32,5x105 MM | Ersatzteile für GWS 15-125 CIEX | 2602025067
Hersteller: BOSCH
Artikelnummer: EB-3601G96100-2602025067
nur Informationsartikel
Nie mehr lieferbar
keine Alternativen
Pos.
651
BOSCH Schutzhaube | Ersatzteile für GWS 15-125 CIEX | 1600A025XR
Hersteller: BOSCH
Artikelnummer: EB-3601G96100-1600A025XR
Netto: 9,18 € zzgl. MwSt.
zzgl. 6,90 € Versand (brutto)
einmalig pro Bestellung

Lieferzeit: 5 Werktage

Pos.
801
BOSCH Motorgehäuse | Ersatzteile für GWS 15-125 CIEX | 1607000CY2
Hersteller: BOSCH
Artikelnummer: EB-3601G96100-1607000CY2
Netto: 15,75 € zzgl. MwSt.
zzgl. 6,90 € Versand (brutto)
einmalig pro Bestellung

Lieferzeit: 5 Werktage

Pos.
808
BOSCH Typschild | Ersatzteile für GWS 15-125 CIEX | 160111A3HH
Hersteller: BOSCH
Artikelnummer: EB-3601G96100-160111A3HH
Netto: 4,53 € zzgl. MwSt.
zzgl. 6,90 € Versand (brutto)
einmalig pro Bestellung

Lieferzeit: 5 Werktage

Pos.
809
BOSCH Dichtung | Ersatzteile für GWS 15-125 CIEX | 1607000D9C
Hersteller: BOSCH
Artikelnummer: EB-3601G96100-1607000D9C
Netto: 3,94 € zzgl. MwSt.
zzgl. 6,90 € Versand (brutto)
einmalig pro Bestellung

Lieferzeit: 5 Werktage

Pos.
828
BOSCH Lagerflansch | Ersatzteile für GWS 15-125 CIEX | 1607000D67
Hersteller: BOSCH
Artikelnummer: EB-3601G96100-1607000D67
Netto: 52,14 € zzgl. MwSt.
zzgl. 6,90 € Versand (brutto)
einmalig pro Bestellung

Lieferzeit: 5 Werktage

Pos.
851
BOSCH Drehzahlregler | Ersatzteile für GWS 15-125 CIEX | 1607000DA2
Hersteller: BOSCH
Artikelnummer: EB-3601G96100-1607000DA2
Netto: 42,86 € zzgl. MwSt.
zzgl. 6,90 € Versand (brutto)
einmalig pro Bestellung

Lieferzeit: 5 Werktage

Pos.
891
BOSCH Zusatzhandgriff | Ersatzteile für GWS 15-125 CIEX | 1619P16111
Hersteller: BOSCH
Artikelnummer: EB-3601G96100-1619P16111
Netto: 4,82 € zzgl. MwSt.
zzgl. 6,90 € Versand (brutto)
einmalig pro Bestellung

Lieferzeit: 12 Werktage

Angaben zur Produktsicherheit

Hersteller:
Robert Bosch Power Tools GmbH
Postfach 30 02 20
70442 Stuttgart

E-Mail:
kontakt@bosch.de