BOSCH Schalter | Ersatzteile für GWS 18V-10 | 2607202328

Artikelnummer: EB-3601JJ4080-2607202328

Position: 4

Marke: BOSCH


Bitte Kompatibilität prüfen!

Bitte prüfen Sie unbedingt die 10-stellige Typennummer Ihrer Maschine / Ihres Gerätes. Das Ersatzteil ist nur kompatibel, wenn Sie die Typennummer Ihrer Maschine in der unten stehenden Produktbeschreibung finden.

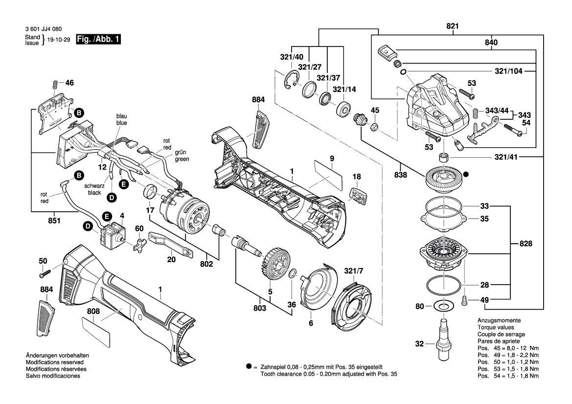
Bitte prüfen Sie ebenfalls detailliert die Explosionszeichnung mit Ihrem Artikelwunsch und der jeweiligen Pos-Nummer.

Alle Elemente, welche vom schwarzen Strich der Pos-Nummer ausgehend berührt / erfasst werden, gehören zu dieser Pos-Nummer und somit zu diesem Artikel. Jede Pos-Nummer ist ein eigenständiger Artikel, welchen Sie in der Auflistung finden.

Sie erhalten stets die aktuellste, neueste Produktversion zu der gewählten Pos-Nummer seitens des Herstellers. Es kann daher je nach Gerätealter vorkommen, dass Sie ggf. weitere, zugehörige Elemente, welche an diese Pos-Nummer grenzen, ebenfalls mittauschen müssen.

Nähere Informationen finden Sie unter dem Link
Hinweise zu Ihrer BOSCH Ersatzteilsuche

Preisübersicht

Einzelpreis: 15,75 €* (Brutto: 18,74 €)
Gesamtpreis: 15,75 €* 
Position:

Lieferzeit: 5 Werktage


Beschreibung

  • Schalter
  • Original Bosch Zubehör / BOSCH Ersatzteil (2607202328)
  • im Gerät verbaut: 1
Dieses BOSCH Ersatzteil ist mit folgendem Gerät und Modell kompatibel:
  • BOSCH Gerätename: GWS 18V-10
  • BOSCH Explosionszeichnung: Position 4
  • BOSCH Typennummer: 3601JJ4080
  • BOSCH Typennummer alternative Schreibweisen: 3 601 JJ4 080, 3601 JJ4 080, 3.601.JJ4.080, 3-601-JJ4-080
    Bitte prüfen Sie diese Typennummer auf Ihrem Gerät um die Kompatibilität des BOSCH Ersatzteils zu gewährleisten.
Weitere BOSCH Ersatzteile des Gerätes GWS 18V-10 (Akku-Winkelschleifer) mit der Typennummer 3601JJ4080 finden Sie in der nachfolgenden Darstellung und im Dropdown zu Ihrer Auswahl:

Pos.
1
BOSCH Motorgehäuse | Ersatzteile für GWS 18V-10 | 1619P15334
Hersteller: BOSCH
Artikelnummer: EB-3601JJ4080-1619P15334
Netto: 19,18 € zzgl. MwSt.
zzgl. 6,90 € Versand (brutto)
einmalig pro Bestellung

Lieferzeit: 5 Werktage

Pos.
321/104
BOSCH O-Ring 4,5x1,0 MM BLAU | Ersatzteile für GWS 18V-10 | 1600210044
Hersteller: BOSCH
Artikelnummer: EB-3601JJ4080-1600210044
Netto: 3,63 € zzgl. MwSt.
zzgl. 6,90 € Versand (brutto)
einmalig pro Bestellung

Lieferzeit: 5 Werktage

Pos.
321/14
BOSCH Rillenkugellager | Ersatzteile für GWS 18V-10 | 1619P09955
Hersteller: BOSCH
Artikelnummer: EB-3601JJ4080-1619P09955
Netto: 6,70 € zzgl. MwSt.
zzgl. 6,90 € Versand (brutto)
einmalig pro Bestellung

Lieferzeit: 63 Werktage

Pos.
321/27
BOSCH Gummiring | Ersatzteile für GWS 18V-10 | 1600206025
Hersteller: BOSCH
Artikelnummer: EB-3601JJ4080-1600206025
Netto: 4,32 € zzgl. MwSt.
zzgl. 6,90 € Versand (brutto)
einmalig pro Bestellung

Lieferzeit: 5 Werktage

Pos.
321/37
BOSCH Halter | Ersatzteile für GWS 18V-10 | 1600A00P17
Hersteller: BOSCH
Artikelnummer: EB-3601JJ4080-1600A00P17
Netto: 3,63 € zzgl. MwSt.
zzgl. 6,90 € Versand (brutto)
einmalig pro Bestellung

Lieferzeit: 5 Werktage

Pos.
321/40
BOSCH Sicherungsbügel | Ersatzteile für GWS 18V-10 | 1600119011
Hersteller: BOSCH
Artikelnummer: EB-3601JJ4080-1600119011
Netto: 4,32 € zzgl. MwSt.
zzgl. 6,90 € Versand (brutto)
einmalig pro Bestellung

Lieferzeit: 5 Werktage

Pos.
321/41
BOSCH Gleitlager | Ersatzteile für GWS 18V-10 | 1600200029
Hersteller: BOSCH
Artikelnummer: EB-3601JJ4080-1600200029
Netto: 5,19 € zzgl. MwSt.
zzgl. 6,90 € Versand (brutto)
einmalig pro Bestellung

Lieferzeit: 5 Werktage

Pos.
321/7
BOSCH Luftverteiler | Ersatzteile für GWS 18V-10 | 160059105N
Hersteller: BOSCH
Artikelnummer: EB-3601JJ4080-1619P16508
Netto: 4,32 € zzgl. MwSt.
zzgl. 6,90 € Versand (brutto)
einmalig pro Bestellung

Lieferzeit: 5 Werktage

Pos.
343/44
BOSCH Druckfeder | Ersatzteile für GWS 18V-10 | 1604611042
Hersteller: BOSCH
Artikelnummer: EB-3601JJ4080-1604611042
nur Informationsartikel
Nie mehr lieferbar
keine Alternativen
Pos.
650/1
BOSCH Zusatzhandgriff | Ersatzteile für GWS 18V-10 | 1619P10681
Hersteller: BOSCH
Artikelnummer: EB-3601JJ4080-1619P10681
Netto: 5,19 € zzgl. MwSt.
zzgl. 6,90 € Versand (brutto)
einmalig pro Bestellung

Lieferzeit: 5 Werktage

Pos.
650/2
BOSCH Zweilochmutter | Ersatzteile für GWS 18V-10 | 1619P09976
Hersteller: BOSCH
Artikelnummer: EB-3601JJ4080-1619P09976
Netto: 4,32 € zzgl. MwSt.
zzgl. 6,90 € Versand (brutto)
einmalig pro Bestellung

Lieferzeit: 63 Werktage

Pos.
650/3
BOSCH Zweilochmutterndreher | Ersatzteile für GWS 18V-10 | 1619P08928
Hersteller: BOSCH
Artikelnummer: EB-3601JJ4080-1619P08928
Netto: 5,19 € zzgl. MwSt.
zzgl. 6,90 € Versand (brutto)
einmalig pro Bestellung

Lieferzeit: 5 Werktage

Pos.
650/5
BOSCH Aufnahmeflansch Ø22,3xØ42 MM | Ersatzteile für GWS 18V-10 | 1619P12159
Hersteller: BOSCH
Artikelnummer: EB-3601JJ4080-1619P12159
Netto: 3,94 € zzgl. MwSt.
zzgl. 6,90 € Versand (brutto)
einmalig pro Bestellung

Lieferzeit: 5 Werktage

Pos.
4
BOSCH Schalter | Ersatzteile für GWS 18V-10 | 2607202328
Hersteller: BOSCH
Artikelnummer: EB-3601JJ4080-2607202328
Netto: 15,75 € zzgl. MwSt.
zzgl. 6,90 € Versand (brutto)
einmalig pro Bestellung

Lieferzeit: 5 Werktage

Pos.
5
BOSCH Lüfter | Ersatzteile für GWS 18V-10 | 160661016E
Hersteller: BOSCH
Artikelnummer: EB-3601JJ4080-1619P16641
Netto: 4,82 € zzgl. MwSt.
zzgl. 6,90 € Versand (brutto)
einmalig pro Bestellung

Lieferzeit: 5 Werktage

Pos.
6
BOSCH Luftleitring | Ersatzteile für GWS 18V-10 | 1600591065
Hersteller: BOSCH
Artikelnummer: EB-3601JJ4080-1600591065
Netto: 4,53 € zzgl. MwSt.
zzgl. 6,90 € Versand (brutto)
einmalig pro Bestellung

Lieferzeit: 5 Werktage

Pos.
9
BOSCH Firmenschild | Ersatzteile für GWS 18V-10 | 1619P15337
Hersteller: BOSCH
Artikelnummer: EB-3601JJ4080-1619P15337
Netto: 4,53 € zzgl. MwSt.
zzgl. 6,90 € Versand (brutto)
einmalig pro Bestellung

Lieferzeit: 5 Werktage

Pos.
12
BOSCH Ferrit | Ersatzteile für GWS 18V-10 | 1600A00RK2
Hersteller: BOSCH
Artikelnummer: EB-3601JJ4080-1600A00RK2
Netto: 4,32 € zzgl. MwSt.
zzgl. 6,90 € Versand (brutto)
einmalig pro Bestellung

Lieferzeit: 5 Werktage

Pos.
17
BOSCH Abdeckkappe | Ersatzteile für GWS 18V-10 | 1600100P12
Hersteller: BOSCH
Artikelnummer: EB-3601JJ4080-1600100P12
Netto: 3,94 € zzgl. MwSt.
zzgl. 6,90 € Versand (brutto)
einmalig pro Bestellung

Lieferzeit: 5 Werktage

Pos.
18
BOSCH Schaltergriff | Ersatzteile für GWS 18V-10 | 1600A016PW
Hersteller: BOSCH
Artikelnummer: EB-3601JJ4080-1619P15338
Netto: 3,63 € zzgl. MwSt.
zzgl. 6,90 € Versand (brutto)
einmalig pro Bestellung

Lieferzeit: 5 Werktage

Pos.
20
BOSCH Verstellschieber | Ersatzteile für GWS 18V-10 | 1600A00P14
Hersteller: BOSCH
Artikelnummer: EB-3601JJ4080-1619P16511
Netto: 3,94 € zzgl. MwSt.
zzgl. 6,90 € Versand (brutto)
einmalig pro Bestellung

Lieferzeit: 5 Werktage

Pos.
28
BOSCH O-Ring 47,0x1,5 MM | Ersatzteile für GWS 18V-10 | 3600210109
Hersteller: BOSCH
Artikelnummer: EB-3601JJ4080-3600210109
Netto: 4,32 € zzgl. MwSt.
zzgl. 6,90 € Versand (brutto)
einmalig pro Bestellung

Lieferzeit: 5 Werktage

Pos.
32
BOSCH Schleifspindel M10, SW12 | Ersatzteile für GWS 18V-10 | 1603523111
Hersteller: BOSCH
Artikelnummer: EB-3601JJ4080-1603523111
Netto: 7,30 € zzgl. MwSt.
zzgl. 6,90 € Versand (brutto)
einmalig pro Bestellung

Lieferzeit: 5 Werktage

Pos.
33
BOSCH O-Ring 46,0x1,1 MM | Ersatzteile für GWS 18V-10 | 1600210035
Hersteller: BOSCH
Artikelnummer: EB-3601JJ4080-1600210035
Netto: 3,94 € zzgl. MwSt.
zzgl. 6,90 € Versand (brutto)
einmalig pro Bestellung

Lieferzeit: 5 Werktage

Pos.
35
BOSCH Ausgleichscheibe 0,1 MM DICK | Ersatzteile für GWS 18V-10 | 1600136013
Hersteller: BOSCH
Artikelnummer: EB-3601JJ4080-1600136013
Netto: 4,53 € zzgl. MwSt.
zzgl. 6,90 € Versand (brutto)
einmalig pro Bestellung

Lieferzeit: 5 Werktage

Pos.
35
BOSCH Ausgleichscheibe 0,15 MM DICK | Ersatzteile für GWS 18V-10 | 1600136020
Hersteller: BOSCH
Artikelnummer: EB-3601JJ4080-1600136020
nur Informationsartikel
Nie mehr lieferbar
keine Alternativen
Pos.
35
BOSCH Ausgleichscheibe 0,2 MM DICK | Ersatzteile für GWS 18V-10 | 1600136014
Hersteller: BOSCH
Artikelnummer: EB-3601JJ4080-1600136014
Netto: 4,53 € zzgl. MwSt.
zzgl. 6,90 € Versand (brutto)
einmalig pro Bestellung

Lieferzeit: 5 Werktage

Pos.
35
BOSCH Ausgleichscheibe 0,3 MM DICK | Ersatzteile für GWS 18V-10 | 1600136015
Hersteller: BOSCH
Artikelnummer: EB-3601JJ4080-1600136015
nur Informationsartikel
Nie mehr lieferbar
keine Alternativen
Pos.
36
BOSCH Vorlegscheibe | Ersatzteile für GWS 18V-10 | 1610100023
Hersteller: BOSCH
Artikelnummer: EB-3601JJ4080-1610100023
Netto: 3,63 € zzgl. MwSt.
zzgl. 6,90 € Versand (brutto)
einmalig pro Bestellung

Lieferzeit: 5 Werktage

Pos.
45
BOSCH Sechskantmutter | Ersatzteile für GWS 18V-10 | 1619P17544
Hersteller: BOSCH
Artikelnummer: EB-3601JJ4080-1619P17544
Netto: 3,63 € zzgl. MwSt.
zzgl. 6,90 € Versand (brutto)
einmalig pro Bestellung

Lieferzeit: 5 Werktage

Pos.
45
BOSCH Sechskantmutter M7, SW10 | Ersatzteile für GWS 18V-10 | 1603300016
Hersteller: BOSCH
Artikelnummer: EB-3601JJ4080-1603300016
Netto: 3,94 € zzgl. MwSt.
zzgl. 6,90 € Versand (brutto)
einmalig pro Bestellung

Lieferzeit: 5 Werktage

Pos.
46
BOSCH Druckfeder | Ersatzteile für GWS 18V-10 | 1609280477
Hersteller: BOSCH
Artikelnummer: EB-3601JJ4080-1609280477
Netto: 3,94 € zzgl. MwSt.
zzgl. 6,90 € Versand (brutto)
einmalig pro Bestellung

Lieferzeit: 5 Werktage

Pos.
49
BOSCH Gewindefurchschraube M4x16 | Ersatzteile für GWS 18V-10 | 2914491410
Hersteller: BOSCH
Artikelnummer: EB-3601JJ4080-2914491410
Netto: 3,63 € zzgl. MwSt.
zzgl. 6,90 € Versand (brutto)
einmalig pro Bestellung

Lieferzeit: 5 Werktage

Pos.
50
BOSCH Torx-Senkschraube 3x16 | Ersatzteile für GWS 18V-10 | 2609110201
Hersteller: BOSCH
Artikelnummer: EB-3601JJ4080-2609110201
Netto: 4,32 € zzgl. MwSt.
zzgl. 6,90 € Versand (brutto)
einmalig pro Bestellung

Lieferzeit: 5 Werktage

Pos.
53
BOSCH Torx-Linsenschraube 4x25 | Ersatzteile für GWS 18V-10 | 1619P01066
Hersteller: BOSCH
Artikelnummer: EB-3601JJ4080-1619P01066
Netto: 3,63 € zzgl. MwSt.
zzgl. 6,90 € Versand (brutto)
einmalig pro Bestellung

Lieferzeit: 5 Werktage

Pos.
54
BOSCH Torx-Linsenschraube 4x30 | Ersatzteile für GWS 18V-10 | 2603490025
Hersteller: BOSCH
Artikelnummer: EB-3601JJ4080-2603490025
Netto: 3,63 € zzgl. MwSt.
zzgl. 6,90 € Versand (brutto)
einmalig pro Bestellung

Lieferzeit: 5 Werktage

Pos.
60
BOSCH Umlenkhebel | Ersatzteile für GWS 18V-10 | 1600A00P18
Hersteller: BOSCH
Artikelnummer: EB-3601JJ4080-1600A00P18
Netto: 3,63 € zzgl. MwSt.
zzgl. 6,90 € Versand (brutto)
einmalig pro Bestellung

Lieferzeit: 5 Werktage

Pos.
80
BOSCH Abdeckscheibe | Ersatzteile für GWS 18V-10 | 1619P09390
Hersteller: BOSCH
Artikelnummer: EB-3601JJ4080-1619P09390
Netto: 4,32 € zzgl. MwSt.
zzgl. 6,90 € Versand (brutto)
einmalig pro Bestellung

Lieferzeit: 5 Werktage

Pos.
343
BOSCH Rasthebel | Ersatzteile für GWS 18V-10 | 1607000742
Hersteller: BOSCH
Artikelnummer: EB-3601JJ4080-1607000742
nur Informationsartikel
Nie mehr lieferbar
keine Alternativen
Pos.
651
BOSCH Schutzhaube | Ersatzteile für GWS 18V-10 | 1600A012JH
Hersteller: BOSCH
Artikelnummer: EB-3601JJ4080-1600A012JH
Netto: 11,92 € zzgl. MwSt.
zzgl. 6,90 € Versand (brutto)
einmalig pro Bestellung

Lieferzeit: 5 Werktage

Pos.
652
BOSCH Ladegerät CN GAL 1880 CV 220V/14,4-18V | Ersatzteile für GWS 18V-10 | 2607225937
Hersteller: BOSCH
Artikelnummer: EB-3601JJ4080-2607225937
Netto: 106,72 € zzgl. MwSt.
zzgl. 6,90 € Versand (brutto)
einmalig pro Bestellung

Lieferzeit: 5 Werktage

Pos.
652
BOSCH Schnell-Lader CN GAL 18V-40 | Ersatzteile für GWS 18V-10 | 2607226267
Hersteller: BOSCH
Artikelnummer: EB-3601JJ4080-2607226267
Netto: 57,47 € zzgl. MwSt.
zzgl. 6,90 € Versand (brutto)
einmalig pro Bestellung

Lieferzeit: 5 Werktage

Pos.
652
BOSCH Schnell-Lader CN 220/10,8-18V, 30 MIN | Ersatzteile für GWS 18V-10 | 2607225337
Hersteller: BOSCH
Artikelnummer: EB-3601JJ4080-2607225337
Netto: 86,74 € zzgl. MwSt.
zzgl. 6,90 € Versand (brutto)
einmalig pro Bestellung

Lieferzeit: 5 Werktage

Pos.
653
BOSCH Akku-Paket | Ersatzteile für GWS 18V-10 | 1617S020T1
Hersteller: BOSCH
Artikelnummer: EB-3601JJ4080-1617S020T2
Netto: 63,99 € zzgl. MwSt.
zzgl. 6,90 € Versand (brutto)
einmalig pro Bestellung

Lieferzeit: 5 Werktage

Pos.
653
BOSCH Akku-Paket BBS MR, 18V, 5,0 Ah 48 S | Ersatzteile für GWS 18V-10 | 2607337069
Hersteller: BOSCH
Artikelnummer: EB-3601JJ4080-2607337069
Netto: 91,88 € zzgl. MwSt.
zzgl. 6,90 € Versand (brutto)
einmalig pro Bestellung

Lieferzeit: 5 Werktage

Pos.
653
BOSCH Akku-Paket GBA 18V 6.0 AH | Ersatzteile für GWS 18V-10 | 2607337263
Hersteller: BOSCH
Artikelnummer: EB-3601JJ4080-2607337263
Netto: 147,49 € zzgl. MwSt.
zzgl. 6,90 € Versand (brutto)
einmalig pro Bestellung

Lieferzeit: 5 Werktage

Pos.
653
BOSCH Einschub-Akkupaket BBS MR 18V, 4,0Ah, 47 S | Ersatzteile für GWS 18V-10 | 1607A350M0
Hersteller: BOSCH
Artikelnummer: EB-3601JJ4080-1607A350M0
Netto: 82,83 € zzgl. MwSt.
zzgl. 6,90 € Versand (brutto)
einmalig pro Bestellung

Lieferzeit: 5 Werktage

Pos.
802
BOSCH Elektromotor | Ersatzteile für GWS 18V-10 | 1607000CA4
Hersteller: BOSCH
Artikelnummer: EB-3601JJ4080-1607000CA4
Netto: 86,83 € zzgl. MwSt.
zzgl. 6,90 € Versand (brutto)
einmalig pro Bestellung

Lieferzeit: 5 Werktage

Pos.
803
BOSCH Kegelradwelle | Ersatzteile für GWS 18V-10 | 1607000CA5
Hersteller: BOSCH
Artikelnummer: EB-3601JJ4080-1607000CA5
Netto: 10,92 € zzgl. MwSt.
zzgl. 6,90 € Versand (brutto)
einmalig pro Bestellung

Lieferzeit: 5 Werktage

Pos.
808
BOSCH Typschild | Ersatzteile für GWS 18V-10 | 1619P15473
Hersteller: BOSCH
Artikelnummer: EB-3601JJ4080-1619P15473
nur Informationsartikel
Nie mehr lieferbar
keine Alternativen
Pos.
821
BOSCH Getriebegehäuse | Ersatzteile für GWS 18V-10 | 1607000CA6
Hersteller: BOSCH
Artikelnummer: EB-3601JJ4080-1607000CA6
Netto: 32,74 € zzgl. MwSt.
zzgl. 6,90 € Versand (brutto)
einmalig pro Bestellung

Lieferzeit: 5 Werktage

Pos.
828
BOSCH Lagerflansch | Ersatzteile für GWS 18V-10 | 1619P15775
Hersteller: BOSCH
Artikelnummer: EB-3601JJ4080-1619P17886
nur Informationsartikel
Nie mehr lieferbar
keine Alternativen
Pos.
838
BOSCH Getriebeeinheit | Ersatzteile für GWS 18V-10 | 1607000CA8
Hersteller: BOSCH
Artikelnummer: EB-3601JJ4080-1607000CA8
Netto: 17,05 € zzgl. MwSt.
zzgl. 6,90 € Versand (brutto)
einmalig pro Bestellung

Lieferzeit: 5 Werktage

Pos.
840
BOSCH Druckknopf | Ersatzteile für GWS 18V-10 | 1607000V41
Hersteller: BOSCH
Artikelnummer: EB-3601JJ4080-1607000V41
Netto: 5,67 € zzgl. MwSt.
zzgl. 6,90 € Versand (brutto)
einmalig pro Bestellung

Lieferzeit: 5 Werktage

Pos.
851
BOSCH Elektronikmodul | Ersatzteile für GWS 18V-10 | 1619P15493
Hersteller: BOSCH
Artikelnummer: EB-3601JJ4080-1619P15493
Netto: 96,32 € zzgl. MwSt.
zzgl. 6,90 € Versand (brutto)
einmalig pro Bestellung

Lieferzeit: 5 Werktage

Pos.
884
BOSCH Filtereinheit | Ersatzteile für GWS 18V-10 | 1607000CA9
Hersteller: BOSCH
Artikelnummer: EB-3601JJ4080-1607000CA9
Netto: 9,95 € zzgl. MwSt.
zzgl. 6,90 € Versand (brutto)
einmalig pro Bestellung

Lieferzeit: 5 Werktage

Pos.
894
BOSCH Fetttube 225 ML | Ersatzteile für GWS 18V-10 | 1615430020
Hersteller: BOSCH
Artikelnummer: EB-3601JJ4080-1615430020
Netto: 17,38 € zzgl. MwSt.
zzgl. 6,90 € Versand (brutto)
einmalig pro Bestellung

Lieferzeit: 5 Werktage

Pos.
895
BOSCH Fetttube 225 ML | Ersatzteile für GWS 18V-10 | 1605430003
Hersteller: BOSCH
Artikelnummer: EB-3601JJ4080-1605430003
Netto: 29,45 € zzgl. MwSt.
zzgl. 6,90 € Versand (brutto)
einmalig pro Bestellung

Lieferzeit: 5 Werktage

Angaben zur Produktsicherheit

Hersteller:
Robert Bosch Power Tools GmbH
Postfach 30 02 20
70442 Stuttgart

E-Mail:
kontakt@bosch.de