BOSCH Ausgleichscheibe 0,1 MM DICK | Ersatzteile für GWS 18V-125 SC | 1600136013

Artikelnummer: EB-3601JG34B0-1600136013

Position: 35

Marke: BOSCH


Bitte Kompatibilität prüfen!

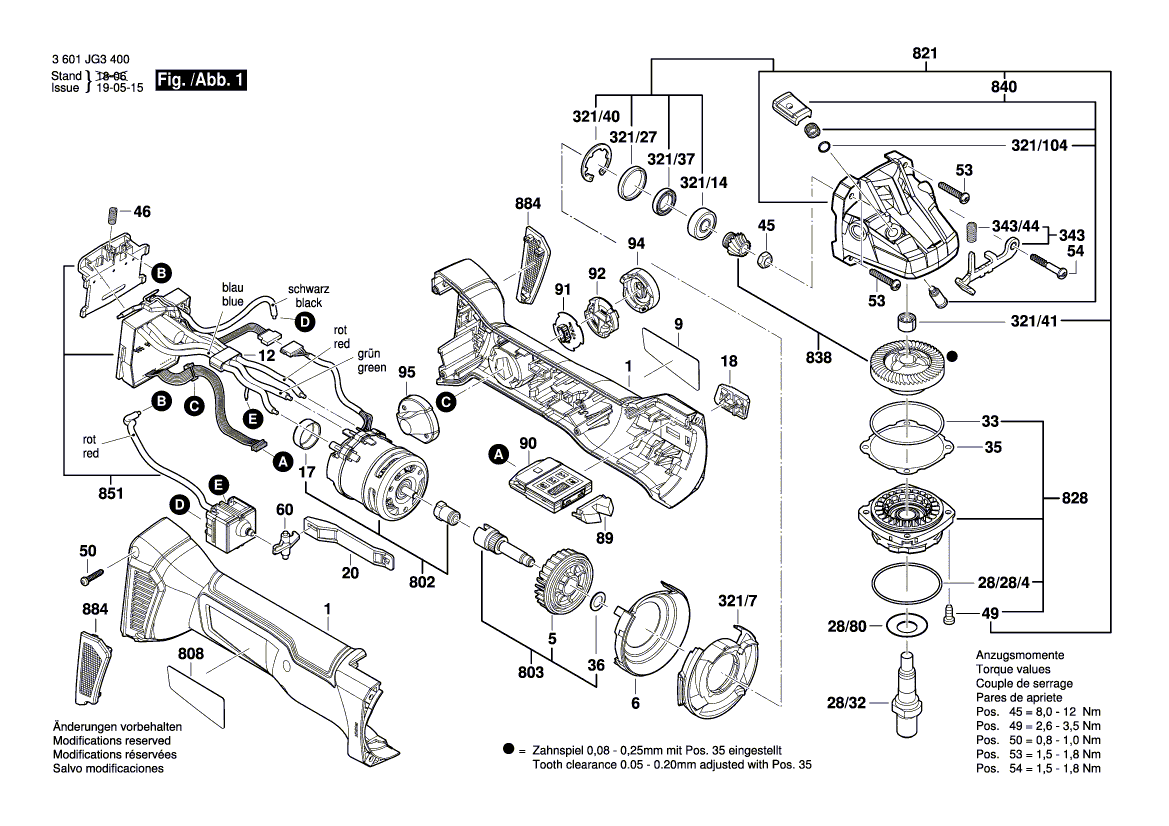
Bitte prüfen Sie unbedingt die 10-stellige Typennummer Ihrer Maschine / Ihres Gerätes. Das Ersatzteil ist nur kompatibel, wenn Sie die Typennummer Ihrer Maschine in der unten stehenden Produktbeschreibung finden.

Bitte prüfen Sie ebenfalls detailliert die Explosionszeichnung mit Ihrem Artikelwunsch und der jeweiligen Pos-Nummer.

Alle Elemente, welche vom schwarzen Strich der Pos-Nummer ausgehend berührt / erfasst werden, gehören zu dieser Pos-Nummer und somit zu diesem Artikel. Jede Pos-Nummer ist ein eigenständiger Artikel, welchen Sie in der Auflistung finden.

Sie erhalten stets die aktuellste, neueste Produktversion zu der gewählten Pos-Nummer seitens des Herstellers. Es kann daher je nach Gerätealter vorkommen, dass Sie ggf. weitere, zugehörige Elemente, welche an diese Pos-Nummer grenzen, ebenfalls mittauschen müssen.

Nähere Informationen finden Sie unter dem Link
Hinweise zu Ihrer BOSCH Ersatzteilsuche

Preisübersicht

Einzelpreis: 4,53 €* (Brutto: 5,39 €)
Gesamtpreis: 4,53 €* 
Position:

Lieferzeit: 5 Werktage


Beschreibung

  • Ausgleichscheibe 0,1 MM DICK
  • Original Bosch Zubehör / BOSCH Ersatzteil (1600136013)
  • im Gerät verbaut: 1
Dieses BOSCH Ersatzteil ist mit folgendem Gerät und Modell kompatibel:
  • BOSCH Gerätename: GWS 18V-125 SC
  • BOSCH Explosionszeichnung: Position 35
  • BOSCH Typennummer: 3601JG34B0
  • BOSCH Typennummer alternative Schreibweisen: 3 601 JG3 4B0, 3601 JG3 4B0, 3.601.JG3.4B0, 3-601-JG3-4B0
    Bitte prüfen Sie diese Typennummer auf Ihrem Gerät um die Kompatibilität des BOSCH Ersatzteils zu gewährleisten.
Weitere BOSCH Ersatzteile des Gerätes GWS 18V-125 SC (Akku-Winkelschleifer) mit der Typennummer 3601JG34B0 finden Sie in der nachfolgenden Darstellung und im Dropdown zu Ihrer Auswahl:

Pos.
1
BOSCH Motorgehäuse | Ersatzteile für GWS 18V-125 SC | 16051082DU
Hersteller: BOSCH
Artikelnummer: EB-3601JG34B0-16051082DU
Netto: 19,18 € zzgl. MwSt.
zzgl. 6,90 € Versand (brutto)
einmalig pro Bestellung

Lieferzeit: 5 Werktage

Pos.
28/28/4
BOSCH O-Ring 47,0x1,5 MM | Ersatzteile für GWS 18V-125 SC | 3600210109
Hersteller: BOSCH
Artikelnummer: EB-3601JG34B0-3600210109
Netto: 4,32 € zzgl. MwSt.
zzgl. 6,90 € Versand (brutto)
einmalig pro Bestellung

Lieferzeit: 5 Werktage

Pos.
28/32
BOSCH Schleifspindel | Ersatzteile für GWS 18V-125 SC | 1607000D6A
Hersteller: BOSCH
Artikelnummer: EB-3601JG34B0-1607000D6A
Netto: 7,76 € zzgl. MwSt.
zzgl. 6,90 € Versand (brutto)
einmalig pro Bestellung

Lieferzeit: 5 Werktage

Pos.
28/80
BOSCH Abdeckscheibe | Ersatzteile für GWS 18V-125 SC | 1619P09390
Hersteller: BOSCH
Artikelnummer: EB-3601JG34B0-1619P09390
Netto: 4,32 € zzgl. MwSt.
zzgl. 6,90 € Versand (brutto)
einmalig pro Bestellung

Lieferzeit: 5 Werktage

Pos.
28/80
BOSCH Dichtscheibe | Ersatzteile für GWS 18V-125 SC | 3600150021
Hersteller: BOSCH
Artikelnummer: EB-3601JG34B0-3600150021
Netto: 4,15 € zzgl. MwSt.
zzgl. 6,90 € Versand (brutto)
einmalig pro Bestellung

Lieferzeit: 5 Werktage

Pos.
321/104
BOSCH O-Ring 4,5x1,0 MM BLAU | Ersatzteile für GWS 18V-125 SC | 1600210044
Hersteller: BOSCH
Artikelnummer: EB-3601JG34B0-1600210044
Netto: 3,63 € zzgl. MwSt.
zzgl. 6,90 € Versand (brutto)
einmalig pro Bestellung

Lieferzeit: 5 Werktage

Pos.
321/14
BOSCH Rillenkugellager 8x22x7 | Ersatzteile für GWS 18V-125 SC | 1600905032
Hersteller: BOSCH
Artikelnummer: EB-3601JG34B0-1600905032
Netto: 6,70 € zzgl. MwSt.
zzgl. 6,90 € Versand (brutto)
einmalig pro Bestellung

Lieferzeit: 27 Werktage

Pos.
321/27
BOSCH Gummiring | Ersatzteile für GWS 18V-125 SC | 1600206025
Hersteller: BOSCH
Artikelnummer: EB-3601JG34B0-1600206025
Netto: 4,32 € zzgl. MwSt.
zzgl. 6,90 € Versand (brutto)
einmalig pro Bestellung

Lieferzeit: 5 Werktage

Pos.
321/37
BOSCH Halter | Ersatzteile für GWS 18V-125 SC | 1600A00P17
Hersteller: BOSCH
Artikelnummer: EB-3601JG34B0-1600A00P17
Netto: 3,63 € zzgl. MwSt.
zzgl. 6,90 € Versand (brutto)
einmalig pro Bestellung

Lieferzeit: 5 Werktage

Pos.
321/40
BOSCH Sicherungsbügel | Ersatzteile für GWS 18V-125 SC | 1600119011
Hersteller: BOSCH
Artikelnummer: EB-3601JG34B0-1600119011
Netto: 4,32 € zzgl. MwSt.
zzgl. 6,90 € Versand (brutto)
einmalig pro Bestellung

Lieferzeit: 5 Werktage

Pos.
321/41
BOSCH Gleitlager | Ersatzteile für GWS 18V-125 SC | 1600200029
Hersteller: BOSCH
Artikelnummer: EB-3601JG34B0-1600200029
Netto: 5,19 € zzgl. MwSt.
zzgl. 6,90 € Versand (brutto)
einmalig pro Bestellung

Lieferzeit: 5 Werktage

Pos.
321/7
BOSCH Luftverteiler | Ersatzteile für GWS 18V-125 SC | 1600591066
Hersteller: BOSCH
Artikelnummer: EB-3601JG34B0-1600591066
Netto: 4,82 € zzgl. MwSt.
zzgl. 6,90 € Versand (brutto)
einmalig pro Bestellung

Lieferzeit: 5 Werktage

Pos.
343/44
BOSCH Druckfeder | Ersatzteile für GWS 18V-125 SC | 1604611042
Hersteller: BOSCH
Artikelnummer: EB-3601JG34B0-1604611042
nur Informationsartikel
Nie mehr lieferbar
keine Alternativen
Pos.
650/1
BOSCH Zusatzhandgriff M10 ANTI-VIBRATION | Ersatzteile für GWS 18V-125 SC | 16020250A0
Hersteller: BOSCH
Artikelnummer: EB-3601JG34B0-16020250A0
Netto: 9,95 € zzgl. MwSt.
zzgl. 6,90 € Versand (brutto)
einmalig pro Bestellung

Lieferzeit: 5 Werktage

Pos.
650/2
BOSCH Rundmutter M14 | Ersatzteile für GWS 18V-125 SC | 1603345043
Hersteller: BOSCH
Artikelnummer: EB-3601JG34B0-1603345043
Netto: 8,33 € zzgl. MwSt.
zzgl. 6,90 € Versand (brutto)
einmalig pro Bestellung

Lieferzeit: 5 Werktage

Pos.
650/3
BOSCH Zweilochmutterndreher | Ersatzteile für GWS 18V-125 SC | 1607950052
Hersteller: BOSCH
Artikelnummer: EB-3601JG34B0-1607950052
Netto: 5,19 € zzgl. MwSt.
zzgl. 6,90 € Versand (brutto)
einmalig pro Bestellung

Lieferzeit: 5 Werktage

Pos.
650/5
BOSCH Aufspannflansch Ø22,3xØ42 MM | Ersatzteile für GWS 18V-125 SC | 2605703014
Hersteller: BOSCH
Artikelnummer: EB-3601JG34B0-2605703014
nur Informationsartikel
Nie mehr lieferbar
keine Alternativen
Pos.
650/5/2
BOSCH O-Ring 20,35x1,78 MM | Ersatzteile für GWS 18V-125 SC | 1600210055
Hersteller: BOSCH
Artikelnummer: EB-3601JG34B0-1600210055
Netto: 3,51 € zzgl. MwSt.
zzgl. 6,90 € Versand (brutto)
einmalig pro Bestellung

Lieferzeit: 5 Werktage

Pos.
5
BOSCH Lüfter | Ersatzteile für GWS 18V-125 SC | 160661016E
Hersteller: BOSCH
Artikelnummer: EB-3601JG34B0-160661016E
Netto: 4,82 € zzgl. MwSt.
zzgl. 6,90 € Versand (brutto)
einmalig pro Bestellung

Lieferzeit: 5 Werktage

Pos.
6
BOSCH Luftleitring | Ersatzteile für GWS 18V-125 SC | 1600591065
Hersteller: BOSCH
Artikelnummer: EB-3601JG34B0-1600591065
Netto: 4,53 € zzgl. MwSt.
zzgl. 6,90 € Versand (brutto)
einmalig pro Bestellung

Lieferzeit: 5 Werktage

Pos.
9
BOSCH Firmenschild | Ersatzteile für GWS 18V-125 SC | 160111C12E
Hersteller: BOSCH
Artikelnummer: EB-3601JG34B0-160111C12E
Netto: 4,53 € zzgl. MwSt.
zzgl. 6,90 € Versand (brutto)
einmalig pro Bestellung

Lieferzeit: 5 Werktage

Pos.
12
BOSCH Ferrit | Ersatzteile für GWS 18V-125 SC | 1600A00RK2
Hersteller: BOSCH
Artikelnummer: EB-3601JG34B0-1600A00RK2
Netto: 4,32 € zzgl. MwSt.
zzgl. 6,90 € Versand (brutto)
einmalig pro Bestellung

Lieferzeit: 5 Werktage

Pos.
17
BOSCH Abdeckkappe | Ersatzteile für GWS 18V-125 SC | 1600100P12
Hersteller: BOSCH
Artikelnummer: EB-3601JG34B0-1600100P12
Netto: 3,94 € zzgl. MwSt.
zzgl. 6,90 € Versand (brutto)
einmalig pro Bestellung

Lieferzeit: 5 Werktage

Pos.
18
BOSCH Schaltergriff | Ersatzteile für GWS 18V-125 SC | 1600A00P2P
Hersteller: BOSCH
Artikelnummer: EB-3601JG34B0-1600A00P2P
Netto: 4,32 € zzgl. MwSt.
zzgl. 6,90 € Versand (brutto)
einmalig pro Bestellung

Lieferzeit: 5 Werktage

Pos.
20
BOSCH Verstellschieber | Ersatzteile für GWS 18V-125 SC | 1600A00P14
Hersteller: BOSCH
Artikelnummer: EB-3601JG34B0-1600A00P14
Netto: 3,94 € zzgl. MwSt.
zzgl. 6,90 € Versand (brutto)
einmalig pro Bestellung

Lieferzeit: 5 Werktage

Pos.
33
BOSCH O-Ring 46,0x1,1 MM | Ersatzteile für GWS 18V-125 SC | 1600210035
Hersteller: BOSCH
Artikelnummer: EB-3601JG34B0-1600210035
Netto: 3,94 € zzgl. MwSt.
zzgl. 6,90 € Versand (brutto)
einmalig pro Bestellung

Lieferzeit: 5 Werktage

Pos.
35
BOSCH Ausgleichscheibe 0,1 MM DICK | Ersatzteile für GWS 18V-125 SC | 1600136013
Hersteller: BOSCH
Artikelnummer: EB-3601JG34B0-1600136013
Netto: 4,53 € zzgl. MwSt.
zzgl. 6,90 € Versand (brutto)
einmalig pro Bestellung

Lieferzeit: 5 Werktage

Pos.
35
BOSCH Ausgleichscheibe 0,15 MM DICK | Ersatzteile für GWS 18V-125 SC | 1600136020
Hersteller: BOSCH
Artikelnummer: EB-3601JG34B0-1600136020
nur Informationsartikel
Nie mehr lieferbar
keine Alternativen
Pos.
35
BOSCH Ausgleichscheibe 0,2 MM DICK | Ersatzteile für GWS 18V-125 SC | 1600136014
Hersteller: BOSCH
Artikelnummer: EB-3601JG34B0-1600136014
Netto: 4,53 € zzgl. MwSt.
zzgl. 6,90 € Versand (brutto)
einmalig pro Bestellung

Lieferzeit: 5 Werktage

Pos.
35
BOSCH Ausgleichscheibe 0,3 MM DICK | Ersatzteile für GWS 18V-125 SC | 1600136015
Hersteller: BOSCH
Artikelnummer: EB-3601JG34B0-1600136015
nur Informationsartikel
Nie mehr lieferbar
keine Alternativen
Pos.
36
BOSCH Vorlegscheibe | Ersatzteile für GWS 18V-125 SC | 1610100023
Hersteller: BOSCH
Artikelnummer: EB-3601JG34B0-1610100023
Netto: 3,63 € zzgl. MwSt.
zzgl. 6,90 € Versand (brutto)
einmalig pro Bestellung

Lieferzeit: 5 Werktage

Pos.
45
BOSCH Sechskantmutter M7, SW10 | Ersatzteile für GWS 18V-125 SC | 1603300016
Hersteller: BOSCH
Artikelnummer: EB-3601JG34B0-1603300016
Netto: 3,94 € zzgl. MwSt.
zzgl. 6,90 € Versand (brutto)
einmalig pro Bestellung

Lieferzeit: 5 Werktage

Pos.
46
BOSCH Druckfeder | Ersatzteile für GWS 18V-125 SC | 1609280477
Hersteller: BOSCH
Artikelnummer: EB-3601JG34B0-1609280477
Netto: 3,94 € zzgl. MwSt.
zzgl. 6,90 € Versand (brutto)
einmalig pro Bestellung

Lieferzeit: 5 Werktage

Pos.
49
BOSCH Gewindefurchschraube M4x16 | Ersatzteile für GWS 18V-125 SC | 2914491410
Hersteller: BOSCH
Artikelnummer: EB-3601JG34B0-2914491410
Netto: 3,63 € zzgl. MwSt.
zzgl. 6,90 € Versand (brutto)
einmalig pro Bestellung

Lieferzeit: 5 Werktage

Pos.
50
BOSCH Gewindefurchschraube | Ersatzteile für GWS 18V-125 SC | 1603435071
Hersteller: BOSCH
Artikelnummer: EB-3601JG34B0-1603435071
Netto: 3,63 € zzgl. MwSt.
zzgl. 6,90 € Versand (brutto)
einmalig pro Bestellung

Lieferzeit: 5 Werktage

Pos.
53
BOSCH Torx-Linsenschraube | Ersatzteile für GWS 18V-125 SC | 1603435078
Hersteller: BOSCH
Artikelnummer: EB-3601JG34B0-1603435078
Netto: 3,63 € zzgl. MwSt.
zzgl. 6,90 € Versand (brutto)
einmalig pro Bestellung

Lieferzeit: 5 Werktage

Pos.
54
BOSCH Torx-Linsenschraube 4x30 | Ersatzteile für GWS 18V-125 SC | 1603414026
Hersteller: BOSCH
Artikelnummer: EB-3601JG34B0-1603414026
Netto: 3,63 € zzgl. MwSt.
zzgl. 6,90 € Versand (brutto)
einmalig pro Bestellung

Lieferzeit: 5 Werktage

Pos.
60
BOSCH Umlenkhebel | Ersatzteile für GWS 18V-125 SC | 1600A00P18
Hersteller: BOSCH
Artikelnummer: EB-3601JG34B0-1600A00P18
Netto: 3,63 € zzgl. MwSt.
zzgl. 6,90 € Versand (brutto)
einmalig pro Bestellung

Lieferzeit: 5 Werktage

Pos.
89
BOSCH Lichtleiter | Ersatzteile für GWS 18V-125 SC | 1600A00P2M
Hersteller: BOSCH
Artikelnummer: EB-3601JG34B0-1600A00P2M
Netto: 4,32 € zzgl. MwSt.
zzgl. 6,90 € Versand (brutto)
einmalig pro Bestellung

Lieferzeit: 5 Werktage

Pos.
90
BOSCH Drehzahlregler | Ersatzteile für GWS 18V-125 SC | 16072335D2
Hersteller: BOSCH
Artikelnummer: EB-3601JG34B0-16072335LX
Netto: 66,09 € zzgl. MwSt.
zzgl. 6,90 € Versand (brutto)
einmalig pro Bestellung

Lieferzeit: 5 Werktage

Pos.
91
BOSCH Elektronikmodul | Ersatzteile für GWS 18V-125 SC | 1607503438
Hersteller: BOSCH
Artikelnummer: EB-3601JG34B0-1607503438
Netto: 12,98 € zzgl. MwSt.
zzgl. 6,90 € Versand (brutto)
einmalig pro Bestellung

Lieferzeit: 5 Werktage

Pos.
92
BOSCH Abdeckblende | Ersatzteile für GWS 18V-125 SC | 1600A00M53
Hersteller: BOSCH
Artikelnummer: EB-3601JG34B0-1600A00M53
Netto: 3,63 € zzgl. MwSt.
zzgl. 6,90 € Versand (brutto)
einmalig pro Bestellung

Lieferzeit: 5 Werktage

Pos.
94
BOSCH Deckel | Ersatzteile für GWS 18V-125 SC | 16055002BV
Hersteller: BOSCH
Artikelnummer: EB-3601JG34B0-16055002BV
Netto: 4,32 € zzgl. MwSt.
zzgl. 6,90 € Versand (brutto)
einmalig pro Bestellung

Lieferzeit: 5 Werktage

Pos.
95
BOSCH Abdeckung | Ersatzteile für GWS 18V-125 SC | 1600A00P1B
Hersteller: BOSCH
Artikelnummer: EB-3601JG34B0-1600A00P1B
Netto: 3,63 € zzgl. MwSt.
zzgl. 6,90 € Versand (brutto)
einmalig pro Bestellung

Lieferzeit: 5 Werktage

Pos.
343
BOSCH Rasthebel | Ersatzteile für GWS 18V-125 SC | 1607000742
Hersteller: BOSCH
Artikelnummer: EB-3601JG34B0-1607000742
nur Informationsartikel
Nie mehr lieferbar
keine Alternativen
Pos.
652
BOSCH Ladegerät EU GAL 1880 CV 230/14,4-18V | Ersatzteile für GWS 18V-125 SC | 2607225921
Hersteller: BOSCH
Artikelnummer: EB-3601JG34B0-2607225921
Netto: 106,72 € zzgl. MwSt.
zzgl. 6,90 € Versand (brutto)
einmalig pro Bestellung

Lieferzeit: 5 Werktage

Pos.
653
BOSCH Akku-Paket BBS MR-XL, 18V, 5AH Korea | Ersatzteile für GWS 18V-125 SC | 2607337085
Hersteller: BOSCH
Artikelnummer: EB-3601JG34B0-2607337085
Netto: 189,11 € zzgl. MwSt.
zzgl. 6,90 € Versand (brutto)
einmalig pro Bestellung

Lieferzeit: 5 Werktage

Pos.
653
BOSCH Akku-Paket GBA 18V 8,0 Ah XL ProCore | Ersatzteile für GWS 18V-125 SC | 1607A350AT
Hersteller: BOSCH
Artikelnummer: EB-3601JG34B0-1607A350AT
Netto: 182,06 € zzgl. MwSt.
zzgl. 6,90 € Versand (brutto)
einmalig pro Bestellung

Lieferzeit: 5 Werktage

Pos.
653
BOSCH Akku-Paket ROK, GBA 18V, 8,0 Ah XL ProCore | Ersatzteile für GWS 18V-125 SC | 1607A350AS
Hersteller: BOSCH
Artikelnummer: EB-3601JG34B0-1607A350AS
Netto: 189,11 € zzgl. MwSt.
zzgl. 6,90 € Versand (brutto)
einmalig pro Bestellung

Lieferzeit: 5 Werktage

Pos.
802
BOSCH Elektromotor | Ersatzteile für GWS 18V-125 SC | 1607000CA4
Hersteller: BOSCH
Artikelnummer: EB-3601JG34B0-1607000CA4
Netto: 86,83 € zzgl. MwSt.
zzgl. 6,90 € Versand (brutto)
einmalig pro Bestellung

Lieferzeit: 5 Werktage

Pos.
803
BOSCH Kegelradwelle | Ersatzteile für GWS 18V-125 SC | 1607000CA5
Hersteller: BOSCH
Artikelnummer: EB-3601JG34B0-1607000CA5
Netto: 10,92 € zzgl. MwSt.
zzgl. 6,90 € Versand (brutto)
einmalig pro Bestellung

Lieferzeit: 5 Werktage

Pos.
808
BOSCH Typschild | Ersatzteile für GWS 18V-125 SC | 160111A4N3
Hersteller: BOSCH
Artikelnummer: EB-3601JG34B0-160111A4N3
nur Informationsartikel
Nie mehr lieferbar
keine Alternativen
Pos.
821
BOSCH Getriebegehäuse | Ersatzteile für GWS 18V-125 SC | 16058065S3
Hersteller: BOSCH
Artikelnummer: EB-3601JG34B0-16058065S3
Netto: 29,45 € zzgl. MwSt.
zzgl. 6,90 € Versand (brutto)
einmalig pro Bestellung

Lieferzeit: 5 Werktage

Pos.
828
BOSCH Lagerflansch | Ersatzteile für GWS 18V-125 SC | 1607000D6D
Hersteller: BOSCH
Artikelnummer: EB-3601JG34B0-1607000D6D
Netto: 12,98 € zzgl. MwSt.
zzgl. 6,90 € Versand (brutto)
einmalig pro Bestellung

Lieferzeit: 37 Werktage

Pos.
838
BOSCH Getriebeeinheit | Ersatzteile für GWS 18V-125 SC | 1607000CA8
Hersteller: BOSCH
Artikelnummer: EB-3601JG34B0-1607000CA8
Netto: 17,05 € zzgl. MwSt.
zzgl. 6,90 € Versand (brutto)
einmalig pro Bestellung

Lieferzeit: 5 Werktage

Pos.
840
BOSCH Druckknopf | Ersatzteile für GWS 18V-125 SC | 1607000V41
Hersteller: BOSCH
Artikelnummer: EB-3601JG34B0-1607000V41
Netto: 5,67 € zzgl. MwSt.
zzgl. 6,90 € Versand (brutto)
einmalig pro Bestellung

Lieferzeit: 5 Werktage

Pos.
851
BOSCH Elektronikmodul | Ersatzteile für GWS 18V-125 SC | 1607000CH3
Hersteller: BOSCH
Artikelnummer: EB-3601JG34B0-1607000CH3
Netto: 106,72 € zzgl. MwSt.
zzgl. 6,90 € Versand (brutto)
einmalig pro Bestellung

Lieferzeit: 5 Werktage

Pos.
884
BOSCH Filtereinheit | Ersatzteile für GWS 18V-125 SC | 1607000CA9
Hersteller: BOSCH
Artikelnummer: EB-3601JG34B0-1607000CA9
Netto: 9,95 € zzgl. MwSt.
zzgl. 6,90 € Versand (brutto)
einmalig pro Bestellung

Lieferzeit: 5 Werktage

Pos.
891
BOSCH Zusatzhandgriff | Ersatzteile für GWS 18V-125 SC | 1619P16111
Hersteller: BOSCH
Artikelnummer: EB-3601JG34B0-1619P16111
Netto: 4,82 € zzgl. MwSt.
zzgl. 6,90 € Versand (brutto)
einmalig pro Bestellung

Lieferzeit: 5 Werktage

Pos.
891
BOSCH Zusatzhandgriff M10, Ø32,5x105 MM | Ersatzteile für GWS 18V-125 SC | 2602025067
Hersteller: BOSCH
Artikelnummer: EB-3601JG34B0-2602025067
nur Informationsartikel
Nie mehr lieferbar
keine Alternativen
Pos.
896
BOSCH Schnellspannmutter M14, SDS-CLIC | Ersatzteile für GWS 18V-125 SC | 1600A016PP
Hersteller: BOSCH
Artikelnummer: EB-3601JG34B0-1600A016PP
Netto: 29,45 € zzgl. MwSt.
zzgl. 6,90 € Versand (brutto)
einmalig pro Bestellung

Lieferzeit: 44 Werktage

Pos.
899
BOSCH Schutzhaube | Ersatzteile für GWS 18V-125 SC | 1607000D33
Hersteller: BOSCH
Artikelnummer: EB-3601JG34B0-1607000D33
Netto: 14,36 € zzgl. MwSt.
zzgl. 6,90 € Versand (brutto)
einmalig pro Bestellung

Lieferzeit: 5 Werktage

Angaben zur Produktsicherheit

Hersteller:
Robert Bosch Power Tools GmbH
Postfach 30 02 20
70442 Stuttgart

E-Mail:
kontakt@bosch.de