BOSCH Torx-Senkschraube 3X16 | Ersatzteile für GWS 18V-7 | 2609110201

Artikelnummer: EB-3601JH9002-2609110201

Position: 50

Marke: BOSCH


Bitte Kompatibilität prüfen!

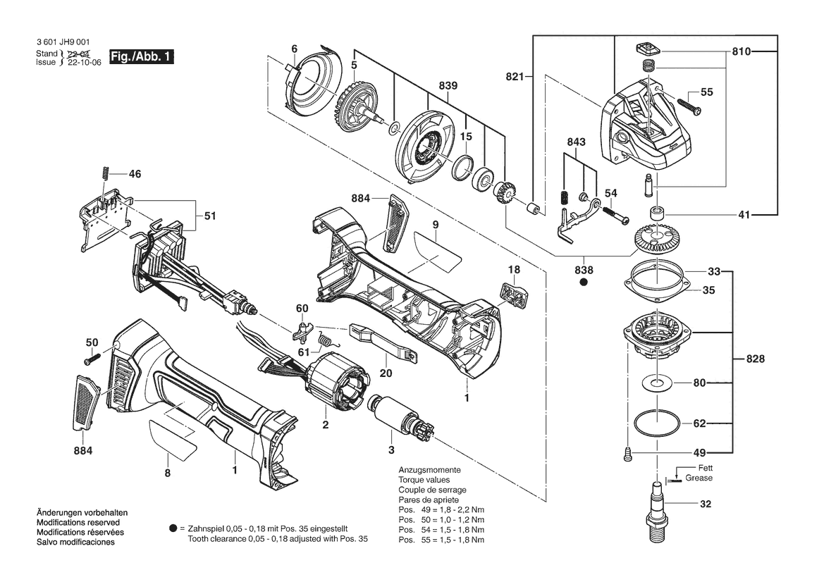
Bitte prüfen Sie unbedingt die 10-stellige Typennummer Ihrer Maschine / Ihres Gerätes. Das Ersatzteil ist nur kompatibel, wenn Sie die Typennummer Ihrer Maschine in der unten stehenden Produktbeschreibung finden.

Bitte prüfen Sie ebenfalls detailliert die Explosionszeichnung mit Ihrem Artikelwunsch und der jeweiligen Pos-Nummer.

Alle Elemente, welche vom schwarzen Strich der Pos-Nummer ausgehend berührt / erfasst werden, gehören zu dieser Pos-Nummer und somit zu diesem Artikel. Jede Pos-Nummer ist ein eigenständiger Artikel, welchen Sie in der Auflistung finden.

Sie erhalten stets die aktuellste, neueste Produktversion zu der gewählten Pos-Nummer seitens des Herstellers. Es kann daher je nach Gerätealter vorkommen, dass Sie ggf. weitere, zugehörige Elemente, welche an diese Pos-Nummer grenzen, ebenfalls mittauschen müssen.

Nähere Informationen finden Sie unter dem Link
Hinweise zu Ihrer BOSCH Ersatzteilsuche

Preisübersicht

Einzelpreis: 4,32 €* (Brutto: 5,14 €)
Gesamtpreis: 4,32 €* 
Position:

Lieferzeit: 5 Werktage


Beschreibung

  • Torx-Senkschraube 3X16
  • Original Bosch Zubehör / BOSCH Ersatzteil (2609110201)
  • im Gerät verbaut: 1
Dieses BOSCH Ersatzteil ist mit folgendem Gerät und Modell kompatibel:
  • BOSCH Gerätename: GWS 18V-7
  • BOSCH Explosionszeichnung: Position 50
  • BOSCH Typennummer: 3601JH9002
  • BOSCH Typennummer alternative Schreibweisen: 3 601 JH9 002, 3601 JH9 002, 3.601.JH9.002, 3-601-JH9-002
    Bitte prüfen Sie diese Typennummer auf Ihrem Gerät um die Kompatibilität des BOSCH Ersatzteils zu gewährleisten.
Weitere BOSCH Ersatzteile des Gerätes GWS 18V-7 (Akku-Winkelschleifer) mit der Typennummer 3601JH9002 finden Sie in der nachfolgenden Darstellung und im Dropdown zu Ihrer Auswahl:

Pos.
1
BOSCH Motorgehäuse | Ersatzteile für GWS 18V-7 | 1619P15044
Hersteller: BOSCH
Artikelnummer: EB-3601JH9002-1619P15044
Netto: 9,95 € zzgl. MwSt.
zzgl. 6,90 € Versand (brutto)
einmalig pro Bestellung

Lieferzeit: 5 Werktage

Pos.
650/1
BOSCH Zusatzhandgriff | Ersatzteile für GWS 18V-7 | 1619P10681
Hersteller: BOSCH
Artikelnummer: EB-3601JH9002-1619P16111
Netto: 5,19 € zzgl. MwSt.
zzgl. 6,90 € Versand (brutto)
einmalig pro Bestellung

Lieferzeit: 5 Werktage

Pos.
650/2
BOSCH Rundmutter M14 | Ersatzteile für GWS 18V-7 | 1603345043
Hersteller: BOSCH
Artikelnummer: EB-3601JH9002-1603345043
Netto: 8,33 € zzgl. MwSt.
zzgl. 6,90 € Versand (brutto)
einmalig pro Bestellung

Lieferzeit: 5 Werktage

Pos.
650/30
BOSCH Zweilochmutterndreher | Ersatzteile für GWS 18V-7 | 1619P08927
Hersteller: BOSCH
Artikelnummer: EB-3601JH9002-1619P08927
Netto: 5,67 € zzgl. MwSt.
zzgl. 6,90 € Versand (brutto)
einmalig pro Bestellung

Lieferzeit: 5 Werktage

Pos.
650/5
BOSCH Aufspannflansch Ø22,3XØ42 MM | Ersatzteile für GWS 18V-7 | 2605703014
Hersteller: BOSCH
Artikelnummer: EB-3601JH9002-2605703014
Netto: 7,76 € zzgl. MwSt.
zzgl. 6,90 € Versand (brutto)
einmalig pro Bestellung

Lieferzeit: 5 Werktage

Pos.
651/1
BOSCH Schutzhaube | Ersatzteile für GWS 18V-7 | 1600A021MH
Hersteller: BOSCH
Artikelnummer: EB-3601JH9002-1600A021MH
Netto: 9,18 € zzgl. MwSt.
zzgl. 6,90 € Versand (brutto)
einmalig pro Bestellung

Lieferzeit: 5 Werktage

Pos.
2
BOSCH Stator | Ersatzteile für GWS 18V-7 | 1600A01A6N
Hersteller: BOSCH
Artikelnummer: EB-3601JH9002-1600A01A6N
Netto: 24,13 € zzgl. MwSt.
zzgl. 6,90 € Versand (brutto)
einmalig pro Bestellung

Lieferzeit: 5 Werktage

Pos.
3
BOSCH Rotor | Ersatzteile für GWS 18V-7 | 1600A01A6S
Hersteller: BOSCH
Artikelnummer: EB-3601JH9002-1600A01A6S
Netto: 24,13 € zzgl. MwSt.
zzgl. 6,90 € Versand (brutto)
einmalig pro Bestellung

Lieferzeit: 5 Werktage

Pos.
5
BOSCH Lüfter | Ersatzteile für GWS 18V-7 | 1619P15054
Hersteller: BOSCH
Artikelnummer: EB-3601JH9002-1619P15054
Netto: 3,94 € zzgl. MwSt.
zzgl. 6,90 € Versand (brutto)
einmalig pro Bestellung

Lieferzeit: 5 Werktage

Pos.
6
BOSCH Luftleitring | Ersatzteile für GWS 18V-7 | 1619P16509
Hersteller: BOSCH
Artikelnummer: EB-3601JH9002-1619P16509
Netto: 3,94 € zzgl. MwSt.
zzgl. 6,90 € Versand (brutto)
einmalig pro Bestellung

Lieferzeit: 5 Werktage

Pos.
8
BOSCH Typschild | Ersatzteile für GWS 18V-7 | 1619PS3405
Hersteller: BOSCH
Artikelnummer: EB-3601JH9002-1619P17298
Netto: 4,82 € zzgl. MwSt.
zzgl. 6,90 € Versand (brutto)
einmalig pro Bestellung

Lieferzeit: 5 Werktage

Pos.
9
BOSCH Firmenschild | Ersatzteile für GWS 18V-7 | 1619P15780
Hersteller: BOSCH
Artikelnummer: EB-3601JH9002-1619P15780
Netto: 4,53 € zzgl. MwSt.
zzgl. 6,90 € Versand (brutto)
einmalig pro Bestellung

Lieferzeit: 5 Werktage

Pos.
15
BOSCH Gummiring | Ersatzteile für GWS 18V-7 | 1600206025
Hersteller: BOSCH
Artikelnummer: EB-3601JH9002-1600206025
Netto: 4,32 € zzgl. MwSt.
zzgl. 6,90 € Versand (brutto)
einmalig pro Bestellung

Lieferzeit: 5 Werktage

Pos.
18
BOSCH Schaltergriff | Ersatzteile für GWS 18V-7 | 1619P15338
Hersteller: BOSCH
Artikelnummer: EB-3601JH9002-1619P15338
Netto: 3,94 € zzgl. MwSt.
zzgl. 6,90 € Versand (brutto)
einmalig pro Bestellung

Lieferzeit: 5 Werktage

Pos.
20
BOSCH Verstellschieber | Ersatzteile für GWS 18V-7 | 1619P15050
Hersteller: BOSCH
Artikelnummer: EB-3601JH9002-1619P15050
Netto: 3,63 € zzgl. MwSt.
zzgl. 6,90 € Versand (brutto)
einmalig pro Bestellung

Lieferzeit: 5 Werktage

Pos.
32
BOSCH Schleifspindel M 14, SW 17 | Ersatzteile für GWS 18V-7 | 1619P06419
Hersteller: BOSCH
Artikelnummer: EB-3601JH9002-1619P06419
Netto: 9,95 € zzgl. MwSt.
zzgl. 6,90 € Versand (brutto)
einmalig pro Bestellung

Lieferzeit: 5 Werktage

Pos.
33
BOSCH O-Ring 44,0X1,0 MM | Ersatzteile für GWS 18V-7 | 1619P02820
Hersteller: BOSCH
Artikelnummer: EB-3601JH9002-1619P02820
Netto: 3,94 € zzgl. MwSt.
zzgl. 6,90 € Versand (brutto)
einmalig pro Bestellung

Lieferzeit: 5 Werktage

Pos.
35
BOSCH Ausgleichscheibe 0,1 MM | Ersatzteile für GWS 18V-7 | 1619P02821
Hersteller: BOSCH
Artikelnummer: EB-3601JH9002-1619P02821
Netto: 3,63 € zzgl. MwSt.
zzgl. 6,90 € Versand (brutto)
einmalig pro Bestellung

Lieferzeit: 5 Werktage

Pos.
35
BOSCH Ausgleichscheibe 0,2 MM | Ersatzteile für GWS 18V-7 | 1619P02822
Hersteller: BOSCH
Artikelnummer: EB-3601JH9002-1619P02822
Netto: 3,94 € zzgl. MwSt.
zzgl. 6,90 € Versand (brutto)
einmalig pro Bestellung

Lieferzeit: 5 Werktage

Pos.
41
BOSCH Gleitlager | Ersatzteile für GWS 18V-7 | 1600200029
Hersteller: BOSCH
Artikelnummer: EB-3601JH9002-1600200029
Netto: 5,19 € zzgl. MwSt.
zzgl. 6,90 € Versand (brutto)
einmalig pro Bestellung

Lieferzeit: 5 Werktage

Pos.
46
BOSCH Druckfeder | Ersatzteile für GWS 18V-7 | 1609280477
Hersteller: BOSCH
Artikelnummer: EB-3601JH9002-1609280477
Netto: 3,94 € zzgl. MwSt.
zzgl. 6,90 € Versand (brutto)
einmalig pro Bestellung

Lieferzeit: 5 Werktage

Pos.
49
BOSCH Gewindefurchschraube | Ersatzteile für GWS 18V-7 | 1619P11118
Hersteller: BOSCH
Artikelnummer: EB-3601JH9002-1619P11118
Netto: 3,94 € zzgl. MwSt.
zzgl. 6,90 € Versand (brutto)
einmalig pro Bestellung

Lieferzeit: 5 Werktage

Pos.
50
BOSCH Torx-Senkschraube 3X16 | Ersatzteile für GWS 18V-7 | 2609110201
Hersteller: BOSCH
Artikelnummer: EB-3601JH9002-2609110201
Netto: 4,32 € zzgl. MwSt.
zzgl. 6,90 € Versand (brutto)
einmalig pro Bestellung

Lieferzeit: 5 Werktage

Pos.
51
BOSCH Elektronikmodul | Ersatzteile für GWS 18V-7 | 1600A01NC3
Hersteller: BOSCH
Artikelnummer: EB-3601JH9002-1600A01NC3
Netto: 63,99 € zzgl. MwSt.
zzgl. 6,90 € Versand (brutto)
einmalig pro Bestellung

Lieferzeit: 5 Werktage

Pos.
54
BOSCH Torx-Linsenschraube 4X30 | Ersatzteile für GWS 18V-7 | 2603490025
Hersteller: BOSCH
Artikelnummer: EB-3601JH9002-2603490025
Netto: 3,63 € zzgl. MwSt.
zzgl. 6,90 € Versand (brutto)
einmalig pro Bestellung

Lieferzeit: 5 Werktage

Pos.
55
BOSCH Torx-Linsenschraube 4X25 | Ersatzteile für GWS 18V-7 | 1619P01066
Hersteller: BOSCH
Artikelnummer: EB-3601JH9002-1619P01066
Netto: 3,63 € zzgl. MwSt.
zzgl. 6,90 € Versand (brutto)
einmalig pro Bestellung

Lieferzeit: 5 Werktage

Pos.
60
BOSCH Umlenkhebel | Ersatzteile für GWS 18V-7 | 1619P15795
Hersteller: BOSCH
Artikelnummer: EB-3601JH9002-1619P15795
Netto: 3,63 € zzgl. MwSt.
zzgl. 6,90 € Versand (brutto)
einmalig pro Bestellung

Lieferzeit: 5 Werktage

Pos.
61
BOSCH Drehfeder | Ersatzteile für GWS 18V-7 | 1619P15806
Hersteller: BOSCH
Artikelnummer: EB-3601JH9002-1619P15806
Netto: 3,63 € zzgl. MwSt.
zzgl. 6,90 € Versand (brutto)
einmalig pro Bestellung

Lieferzeit: 5 Werktage

Pos.
62
BOSCH O-Ring 38,0X1,5 MM | Ersatzteile für GWS 18V-7 | 1600210038
Hersteller: BOSCH
Artikelnummer: EB-3601JH9002-1600210038
Netto: 4,53 € zzgl. MwSt.
zzgl. 6,90 € Versand (brutto)
einmalig pro Bestellung

Lieferzeit: 5 Werktage

Pos.
80
BOSCH Abdeckscheibe | Ersatzteile für GWS 18V-7 | 1619P09390
Hersteller: BOSCH
Artikelnummer: EB-3601JH9002-1619P09390
Netto: 4,32 € zzgl. MwSt.
zzgl. 6,90 € Versand (brutto)
einmalig pro Bestellung

Lieferzeit: 5 Werktage

Pos.
651
BOSCH Schutzhaube Ø125 MM SILBER | Ersatzteile für GWS 18V-7 | 1619P14539
Hersteller: BOSCH
Artikelnummer: EB-3601JH9002-1619P14539
Netto: 9,95 € zzgl. MwSt.
zzgl. 6,90 € Versand (brutto)
einmalig pro Bestellung

Lieferzeit: 5 Werktage

Pos.
652
BOSCH Ladegerät EU GAL 1880 CV 230/14,4-18V | Ersatzteile für GWS 18V-7 | 2607225921
Hersteller: BOSCH
Artikelnummer: EB-3601JH9002-2607225921
Netto: 106,72 € zzgl. MwSt.
zzgl. 6,90 € Versand (brutto)
einmalig pro Bestellung

Lieferzeit: 5 Werktage

Pos.
652
BOSCH Schnell-Lader | Ersatzteile für GWS 18V-7 | 2607226251
Hersteller: BOSCH
Artikelnummer: EB-3601JH9002-2607226251
nur Informationsartikel
Nie mehr lieferbar
keine Alternativen
Pos.
653
BOSCH Akku-Paket | Ersatzteile für GWS 18V-7 | 1617S020T1
Hersteller: BOSCH
Artikelnummer: EB-3601JH9002-1617S020T1
Netto: 63,99 € zzgl. MwSt.
zzgl. 6,90 € Versand (brutto)
einmalig pro Bestellung

Lieferzeit: 5 Werktage

Pos.
653
BOSCH Akku-Paket GBA 18V 4.0Ah | Ersatzteile für GWS 18V-7 | 1607A350M0
Hersteller: BOSCH
Artikelnummer: EB-3601JH9002-1607A350M0
Netto: 82,83 € zzgl. MwSt.
zzgl. 6,90 € Versand (brutto)
einmalig pro Bestellung

Lieferzeit: 5 Werktage

Pos.
810
BOSCH Tastknopf | Ersatzteile für GWS 18V-7 | 1619P16236
Hersteller: BOSCH
Artikelnummer: EB-3601JH9002-1619P16236
Netto: 5,67 € zzgl. MwSt.
zzgl. 6,90 € Versand (brutto)
einmalig pro Bestellung

Lieferzeit: 5 Werktage

Pos.
821
BOSCH Getriebegehäuse | Ersatzteile für GWS 18V-7 | 1619P16237
Hersteller: BOSCH
Artikelnummer: EB-3601JH9002-1619P16237
Netto: 14,36 € zzgl. MwSt.
zzgl. 6,90 € Versand (brutto)
einmalig pro Bestellung

Lieferzeit: 5 Werktage

Pos.
828
BOSCH Lagerflansch | Ersatzteile für GWS 18V-7 | 1619P11094
Hersteller: BOSCH
Artikelnummer: EB-3601JH9002-1619P11094
Netto: 12,98 € zzgl. MwSt.
zzgl. 6,90 € Versand (brutto)
einmalig pro Bestellung

Lieferzeit: 5 Werktage

Pos.
838
BOSCH Getriebeeinheit | Ersatzteile für GWS 18V-7 | 1619P16240
Hersteller: BOSCH
Artikelnummer: EB-3601JH9002-1619P16240
Netto: 9,95 € zzgl. MwSt.
zzgl. 6,90 € Versand (brutto)
einmalig pro Bestellung

Lieferzeit: 5 Werktage

Pos.
839
BOSCH Kegelradwelle | Ersatzteile für GWS 18V-7 | 1619P16234
Hersteller: BOSCH
Artikelnummer: EB-3601JH9002-1619P16234
Netto: 17,38 € zzgl. MwSt.
zzgl. 6,90 € Versand (brutto)
einmalig pro Bestellung

Lieferzeit: 5 Werktage

Pos.
843
BOSCH Rasthebel | Ersatzteile für GWS 18V-7 | 1619P11076
Hersteller: BOSCH
Artikelnummer: EB-3601JH9002-1619P11076
Netto: 15,75 € zzgl. MwSt.
zzgl. 6,90 € Versand (brutto)
einmalig pro Bestellung

Lieferzeit: 5 Werktage

Pos.
884
BOSCH Filtereinheit | Ersatzteile für GWS 18V-7 | 1607000CA9
Hersteller: BOSCH
Artikelnummer: EB-3601JH9002-1607000CA9
Netto: 9,95 € zzgl. MwSt.
zzgl. 6,90 € Versand (brutto)
einmalig pro Bestellung

Lieferzeit: 5 Werktage

Pos.
894
BOSCH Fetttube 225 ML | Ersatzteile für GWS 18V-7 | 1615430020
Hersteller: BOSCH
Artikelnummer: EB-3601JH9002-1615430020
Netto: 17,38 € zzgl. MwSt.
zzgl. 6,90 € Versand (brutto)
einmalig pro Bestellung

Lieferzeit: 5 Werktage

Pos.
895
BOSCH Fetttube 225 ML | Ersatzteile für GWS 18V-7 | 1605430003
Hersteller: BOSCH
Artikelnummer: EB-3601JH9002-1605430003
Netto: 29,45 € zzgl. MwSt.
zzgl. 6,90 € Versand (brutto)
einmalig pro Bestellung

Lieferzeit: 5 Werktage

Angaben zur Produktsicherheit

Hersteller:
Robert Bosch Power Tools GmbH
Postfach 30 02 20
70442 Stuttgart

E-Mail:
kontakt@bosch.de