BOSCH Rillenkugellager | Ersatzteile für GWS 21-180 JH | 1600905028

Artikelnummer: EB-0601851908-1600905028

Position: 14

Marke: BOSCH


Bitte Kompatibilität prüfen!

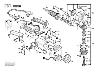
Bitte prüfen Sie unbedingt die 10-stellige Typennummer Ihrer Maschine / Ihres Gerätes. Das Ersatzteil ist nur kompatibel, wenn Sie die Typennummer Ihrer Maschine in der unten stehenden Produktbeschreibung finden.

Bitte prüfen Sie ebenfalls detailliert die Explosionszeichnung mit Ihrem Artikelwunsch und der jeweiligen Pos-Nummer.

Alle Elemente, welche vom schwarzen Strich der Pos-Nummer ausgehend berührt / erfasst werden, gehören zu dieser Pos-Nummer und somit zu diesem Artikel. Jede Pos-Nummer ist ein eigenständiger Artikel, welchen Sie in der Auflistung finden.

Sie erhalten stets die aktuellste, neueste Produktversion zu der gewählten Pos-Nummer seitens des Herstellers. Es kann daher je nach Gerätealter vorkommen, dass Sie ggf. weitere, zugehörige Elemente, welche an diese Pos-Nummer grenzen, ebenfalls mittauschen müssen.

Nähere Informationen finden Sie unter dem Link
Hinweise zu Ihrer BOSCH Ersatzteilsuche

Preisübersicht

Einzelpreis: 9,75 €* (Brutto: 11,60 €)
Gesamtpreis: 9,75 €* 
Position:

Lieferzeit: 5 Werktage


Beschreibung

  • Rillenkugellager
  • Original Bosch Zubehör / BOSCH Ersatzteil (1600905028)
  • im Gerät verbaut: 1
Dieses BOSCH Ersatzteil ist mit folgendem Gerät und Modell kompatibel:
  • BOSCH Gerätename: GWS 21-180 JH
  • BOSCH Explosionszeichnung: Position 14
  • BOSCH Typennummer: 0601851908
  • BOSCH Typennummer alternative Schreibweisen: 0 601 851 908, 0601 851 908, 0.601.851.908, 0-601-851-908
    Bitte prüfen Sie diese Typennummer auf Ihrem Gerät um die Kompatibilität des BOSCH Ersatzteils zu gewährleisten.
Weitere BOSCH Ersatzteile des Gerätes GWS 21-180 JH (Gw-Winkelschleifer) mit der Typennummer 0601851908 finden Sie in der nachfolgenden Darstellung und im Dropdown zu Ihrer Auswahl:

Pos.
1
BOSCH Motorgehäuse | Ersatzteile für GWS 21-180 JH | 1605108275
Hersteller: BOSCH
Artikelnummer: EB-0601851908-1605108275
Netto: 13,61 € zzgl. MwSt.
zzgl. 6,90 € Versand (brutto)
einmalig pro Bestellung

Lieferzeit: 5 Werktage

Pos.
891/1
BOSCH Zusatzhandgriff | Ersatzteile für GWS 21-180 JH | 16020250A1
Hersteller: BOSCH
Artikelnummer: EB-0601851908-16020250A1
Netto: 12,50 € zzgl. MwSt.
zzgl. 6,90 € Versand (brutto)
einmalig pro Bestellung

Lieferzeit: 5 Werktage

Pos.
2
BOSCH Polschuh 220-240V | Ersatzteile für GWS 21-180 JH | 1604220380
Hersteller: BOSCH
Artikelnummer: EB-0601851908-1604220380
Netto: 28,93 € zzgl. MwSt.
zzgl. 6,90 € Versand (brutto)
einmalig pro Bestellung

Lieferzeit: 5 Werktage

Pos.
6
BOSCH Tülle Ø 10,5-Ø11,0x100 MM | Ersatzteile für GWS 21-180 JH | 1600703023
Hersteller: BOSCH
Artikelnummer: EB-0601851908-1600703023
Netto: 4,56 € zzgl. MwSt.
zzgl. 6,90 € Versand (brutto)
einmalig pro Bestellung

Lieferzeit: 5 Werktage

Pos.
7
BOSCH Befestigungsschelle | Ersatzteile für GWS 21-180 JH | 1601302018
Hersteller: BOSCH
Artikelnummer: EB-0601851908-1601302018
Netto: 3,94 € zzgl. MwSt.
zzgl. 6,90 € Versand (brutto)
einmalig pro Bestellung

Lieferzeit: 5 Werktage

Pos.
9
BOSCH Firmenschild | Ersatzteile für GWS 21-180 JH | 1601118C84
Hersteller: BOSCH
Artikelnummer: EB-0601851908-1601118C84
nur Informationsartikel
Nie mehr lieferbar
keine Alternativen
Pos.
13
BOSCH Rillenkugellager 8x22x7 | Ersatzteile für GWS 21-180 JH | 1600905011
Hersteller: BOSCH
Artikelnummer: EB-0601851908-1600905011
Netto: 6,75 € zzgl. MwSt.
zzgl. 6,90 € Versand (brutto)
einmalig pro Bestellung

Lieferzeit: 5 Werktage

Pos.
14
BOSCH Rillenkugellager | Ersatzteile für GWS 21-180 JH | 1600905028
Hersteller: BOSCH
Artikelnummer: EB-0601851908-1600905028
Netto: 9,75 € zzgl. MwSt.
zzgl. 6,90 € Versand (brutto)
einmalig pro Bestellung

Lieferzeit: 5 Werktage

Pos.
23
BOSCH Verschlussdeckel | Ersatzteile für GWS 21-180 JH | 1618B00802
Hersteller: BOSCH
Artikelnummer: EB-0601851908-1618B00802
Netto: 3,59 € zzgl. MwSt.
zzgl. 6,90 € Versand (brutto)
einmalig pro Bestellung

Lieferzeit: 5 Werktage

Pos.
23
BOSCH Verschlussdeckel BLAU | Ersatzteile für GWS 21-180 JH | 1605500206
Hersteller: BOSCH
Artikelnummer: EB-0601851908-1605500206
nur Informationsartikel
Nie mehr lieferbar
keine Alternativen
Pos.
24
BOSCH Handgriff | Ersatzteile für GWS 21-180 JH | 1619P11545
Hersteller: BOSCH
Artikelnummer: EB-0601851908-1619P11545
Netto: 10,62 € zzgl. MwSt.
zzgl. 6,90 € Versand (brutto)
einmalig pro Bestellung

Lieferzeit: 5 Werktage

Pos.
25
BOSCH Schleifspindel | Ersatzteile für GWS 21-180 JH | 160312305U
Hersteller: BOSCH
Artikelnummer: EB-0601851908-160312305U
Netto: 11,58 € zzgl. MwSt.
zzgl. 6,90 € Versand (brutto)
einmalig pro Bestellung

Lieferzeit: 5 Werktage

Pos.
25
BOSCH Schleifspindel M14, SW17 | Ersatzteile für GWS 21-180 JH | 1603523113
Hersteller: BOSCH
Artikelnummer: EB-0601851908-1603523113
Netto: 10,27 € zzgl. MwSt.
zzgl. 6,90 € Versand (brutto)
einmalig pro Bestellung

Lieferzeit: 5 Werktage

Pos.
28
BOSCH O-Ring 79,0x1,78 MM | Ersatzteile für GWS 21-180 JH | 1600210033
Hersteller: BOSCH
Artikelnummer: EB-0601851908-1600210033
Netto: 3,94 € zzgl. MwSt.
zzgl. 6,90 € Versand (brutto)
einmalig pro Bestellung

Lieferzeit: 5 Werktage

Pos.
29
BOSCH O-Ring 8,0x1,0 MM | Ersatzteile für GWS 21-180 JH | 1600210045
Hersteller: BOSCH
Artikelnummer: EB-0601851908-1600210045
Netto: 3,94 € zzgl. MwSt.
zzgl. 6,90 € Versand (brutto)
einmalig pro Bestellung

Lieferzeit: 5 Werktage

Pos.
30
BOSCH Luftverteiler | Ersatzteile für GWS 21-180 JH | 1600591029
Hersteller: BOSCH
Artikelnummer: EB-0601851908-1600591029
Netto: 4,56 € zzgl. MwSt.
zzgl. 6,90 € Versand (brutto)
einmalig pro Bestellung

Lieferzeit: 5 Werktage

Pos.
32
BOSCH Haltering | Ersatzteile für GWS 21-180 JH | 1600290019
Hersteller: BOSCH
Artikelnummer: EB-0601851908-1600290019
Netto: 3,94 € zzgl. MwSt.
zzgl. 6,90 € Versand (brutto)
einmalig pro Bestellung

Lieferzeit: 5 Werktage

Pos.
33
BOSCH Radial-Wellendichtring 18,7 MM ROT | Ersatzteile für GWS 21-180 JH | 1600290013
Hersteller: BOSCH
Artikelnummer: EB-0601851908-1600290013
Netto: 4,56 € zzgl. MwSt.
zzgl. 6,90 € Versand (brutto)
einmalig pro Bestellung

Lieferzeit: 5 Werktage

Pos.
34
BOSCH Ausgleichscheibe 0,1 MM DICK | Ersatzteile für GWS 21-180 JH | 1600190022
Hersteller: BOSCH
Artikelnummer: EB-0601851908-1600190022
Netto: 3,94 € zzgl. MwSt.
zzgl. 6,90 € Versand (brutto)
einmalig pro Bestellung

Lieferzeit: 5 Werktage

Pos.
34
BOSCH Ausgleichscheibe 0,15 MM DICK | Ersatzteile für GWS 21-180 JH | 1600190020
Hersteller: BOSCH
Artikelnummer: EB-0601851908-1600190020
Netto: 3,94 € zzgl. MwSt.
zzgl. 6,90 € Versand (brutto)
einmalig pro Bestellung

Lieferzeit: 5 Werktage

Pos.
34
BOSCH Ausgleichscheibe 0,2 MM DICK | Ersatzteile für GWS 21-180 JH | 1600190037
Hersteller: BOSCH
Artikelnummer: EB-0601851908-1600190037
Netto: 3,60 € zzgl. MwSt.
zzgl. 6,90 € Versand (brutto)
einmalig pro Bestellung

Lieferzeit: 5 Werktage

Pos.
34
BOSCH Ausgleichscheibe 0,25 MM DICK | Ersatzteile für GWS 21-180 JH | 1600190038
Hersteller: BOSCH
Artikelnummer: EB-0601851908-1600190038
Netto: 3,60 € zzgl. MwSt.
zzgl. 6,90 € Versand (brutto)
einmalig pro Bestellung

Lieferzeit: 5 Werktage

Pos.
34
BOSCH Ausgleichscheibe 0,3 MM DICK | Ersatzteile für GWS 21-180 JH | 1600190021
Hersteller: BOSCH
Artikelnummer: EB-0601851908-1600190021
Netto: 4,56 € zzgl. MwSt.
zzgl. 6,90 € Versand (brutto)
einmalig pro Bestellung

Lieferzeit: 5 Werktage

Pos.
34
BOSCH Ausgleichscheibe 0,35 MM DICK | Ersatzteile für GWS 21-180 JH | 1600190039
Hersteller: BOSCH
Artikelnummer: EB-0601851908-1600190039
Netto: 3,60 € zzgl. MwSt.
zzgl. 6,90 € Versand (brutto)
einmalig pro Bestellung

Lieferzeit: 5 Werktage

Pos.
34
BOSCH Ausgleichscheibe 0,4 MM DICK | Ersatzteile für GWS 21-180 JH | 1600190040
Hersteller: BOSCH
Artikelnummer: EB-0601851908-1600190040
Netto: 3,60 € zzgl. MwSt.
zzgl. 6,90 € Versand (brutto)
einmalig pro Bestellung

Lieferzeit: 5 Werktage

Pos.
35
BOSCH Filzring | Ersatzteile für GWS 21-180 JH | 1600205034
Hersteller: BOSCH
Artikelnummer: EB-0601851908-1600205034
Netto: 3,94 € zzgl. MwSt.
zzgl. 6,90 € Versand (brutto)
einmalig pro Bestellung

Lieferzeit: 5 Werktage

Pos.
37
BOSCH Dichtring SCHWARZ | Ersatzteile für GWS 21-180 JH | 1600290036
Hersteller: BOSCH
Artikelnummer: EB-0601851908-1600290036
Netto: 4,36 € zzgl. MwSt.
zzgl. 6,90 € Versand (brutto)
einmalig pro Bestellung

Lieferzeit: 5 Werktage

Pos.
38
BOSCH Gummiring 7 MM BREIT | Ersatzteile für GWS 21-180 JH | 1600206020
Hersteller: BOSCH
Artikelnummer: EB-0601851908-1600206020
Netto: 3,94 € zzgl. MwSt.
zzgl. 6,90 € Versand (brutto)
einmalig pro Bestellung

Lieferzeit: 5 Werktage

Pos.
39
BOSCH Gummiring | Ersatzteile für GWS 21-180 JH | 1600206030
Hersteller: BOSCH
Artikelnummer: EB-0601851908-1600206030
Netto: 3,94 € zzgl. MwSt.
zzgl. 6,90 € Versand (brutto)
einmalig pro Bestellung

Lieferzeit: 5 Werktage

Pos.
45
BOSCH Sechskantmutter M10, SW14 | Ersatzteile für GWS 21-180 JH | 1603300019
Hersteller: BOSCH
Artikelnummer: EB-0601851908-1603300019
Netto: 3,94 € zzgl. MwSt.
zzgl. 6,90 € Versand (brutto)
einmalig pro Bestellung

Lieferzeit: 5 Werktage

Pos.
31
BOSCH Luftleitring | Ersatzteile für GWS 21-180 JH | 1600591028
Hersteller: BOSCH
Artikelnummer: EB-0601851908-1600591075
nur Informationsartikel
Nie mehr lieferbar
keine Alternativen
Pos.
51
BOSCH Gleitlager Ø14 MM | Ersatzteile für GWS 21-180 JH | 1600200031
Hersteller: BOSCH
Artikelnummer: EB-0601851908-1600200031
Netto: 4,80 € zzgl. MwSt.
zzgl. 6,90 € Versand (brutto)
einmalig pro Bestellung

Lieferzeit: 5 Werktage

Pos.
53
BOSCH Steckhülsengehäuse | Ersatzteile für GWS 21-180 JH | 1605190068
Hersteller: BOSCH
Artikelnummer: EB-0601851908-1605190068
Netto: 3,60 € zzgl. MwSt.
zzgl. 6,90 € Versand (brutto)
einmalig pro Bestellung

Lieferzeit: 5 Werktage

Pos.
54
BOSCH Drahtwiderstand | Ersatzteile für GWS 21-180 JH | 1604503015
Hersteller: BOSCH
Artikelnummer: EB-0601851908-1604503015
nur Informationsartikel
Nie mehr lieferbar
keine Alternativen
Pos.
60
BOSCH Gewindefurchschraube TT M5x18 MM | Ersatzteile für GWS 21-180 JH | 1603435023
Hersteller: BOSCH
Artikelnummer: EB-0601851908-1603435023
Netto: 4,36 € zzgl. MwSt.
zzgl. 6,90 € Versand (brutto)
einmalig pro Bestellung

Lieferzeit: 5 Werktage

Pos.
61
BOSCH Blechschraube DIN 7981-4,8x38-C-Z-ST | Ersatzteile für GWS 21-180 JH | 2912401038
Hersteller: BOSCH
Artikelnummer: EB-0601851908-2912401038
Netto: 3,60 € zzgl. MwSt.
zzgl. 6,90 € Versand (brutto)
einmalig pro Bestellung

Lieferzeit: 5 Werktage

Pos.
62
BOSCH Blechschraube 4,8x55 | Ersatzteile für GWS 21-180 JH | 1603435060
Hersteller: BOSCH
Artikelnummer: EB-0601851908-1603435060
Netto: 3,94 € zzgl. MwSt.
zzgl. 6,90 € Versand (brutto)
einmalig pro Bestellung

Lieferzeit: 5 Werktage

Pos.
63
BOSCH Flachkopfschraube M4x10 MM | Ersatzteile für GWS 21-180 JH | 1603410014
Hersteller: BOSCH
Artikelnummer: EB-0601851908-1603410014
Netto: 3,94 € zzgl. MwSt.
zzgl. 6,90 € Versand (brutto)
einmalig pro Bestellung

Lieferzeit: 5 Werktage

Pos.
64
BOSCH Gewindeschneidschraube St3,9x12 | Ersatzteile für GWS 21-180 JH | 1603435042
Hersteller: BOSCH
Artikelnummer: EB-0601851908-1603435042
Netto: 3,94 € zzgl. MwSt.
zzgl. 6,90 € Versand (brutto)
einmalig pro Bestellung

Lieferzeit: 5 Werktage

Pos.
65
BOSCH Blechschraube DIN 7981-3,9x19-C-Z-ST | Ersatzteile für GWS 21-180 JH | 2912401020
Hersteller: BOSCH
Artikelnummer: EB-0601851908-2912401020
Netto: 4,36 € zzgl. MwSt.
zzgl. 6,90 € Versand (brutto)
einmalig pro Bestellung

Lieferzeit: 5 Werktage

Pos.
66
BOSCH Blechschraube DIN 7971-ST3,9x16-F | Ersatzteile für GWS 21-180 JH | 2910211019
Hersteller: BOSCH
Artikelnummer: EB-0601851908-2910211019
Netto: 3,60 € zzgl. MwSt.
zzgl. 6,90 € Versand (brutto)
einmalig pro Bestellung

Lieferzeit: 5 Werktage

Pos.
68
BOSCH Dichtplatte | Ersatzteile für GWS 21-180 JH | 1601006011
Hersteller: BOSCH
Artikelnummer: EB-0601851908-1601006011
Netto: 4,56 € zzgl. MwSt.
zzgl. 6,90 € Versand (brutto)
einmalig pro Bestellung

Lieferzeit: 5 Werktage

Pos.
651
BOSCH Schutzhaube | Ersatzteile für GWS 21-180 JH | 1605510176
Hersteller: BOSCH
Artikelnummer: EB-0601851908-1605510176
nur Informationsartikel
Nie mehr lieferbar
keine Alternativen
Pos.
803
BOSCH Anker 220-240V | Ersatzteile für GWS 21-180 JH | 1604011930
Hersteller: BOSCH
Artikelnummer: EB-0601851908-1604011930
nur Informationsartikel
Nie mehr lieferbar
keine Alternativen
Pos.
804
BOSCH Schalter GRAU | Ersatzteile für GWS 21-180 JH | 1607000970
Hersteller: BOSCH
Artikelnummer: EB-0601851908-1607000970
Netto: 35,13 € zzgl. MwSt.
zzgl. 6,90 € Versand (brutto)
einmalig pro Bestellung

Lieferzeit: 5 Werktage

Pos.
805
BOSCH Netzanschlussleitung EU 4,15m 2 x 1,0mm H07 RN-F | Ersatzteile für GWS 21-180 JH | 1607000227
Hersteller: BOSCH
Artikelnummer: EB-0601851908-1607000227
Netto: 20,80 € zzgl. MwSt.
zzgl. 6,90 € Versand (brutto)
einmalig pro Bestellung

Lieferzeit: 5 Werktage

Pos.
808
BOSCH Typschild | Ersatzteile für GWS 21-180 JH | 160111A3H3
Hersteller: BOSCH
Artikelnummer: EB-0601851908-160111A3H3
Netto: 4,56 € zzgl. MwSt.
zzgl. 6,90 € Versand (brutto)
einmalig pro Bestellung

Lieferzeit: 5 Werktage

Pos.
808
BOSCH Typschild 26x52 MM | Ersatzteile für GWS 21-180 JH | 1601106032
Hersteller: BOSCH
Artikelnummer: EB-0601851908-1601106032
nur Informationsartikel
Nie mehr lieferbar
keine Alternativen
Pos.
810
BOSCH Kohlebürstensatz | Ersatzteile für GWS 21-180 JH | 1607014171
Hersteller: BOSCH
Artikelnummer: EB-0601851908-1607014171
Netto: 12,50 € zzgl. MwSt.
zzgl. 6,90 € Versand (brutto)
einmalig pro Bestellung

Lieferzeit: 5 Werktage

Pos.
816
BOSCH Bürstenhalter | Ersatzteile für GWS 21-180 JH | 1604336048
Hersteller: BOSCH
Artikelnummer: EB-0601851908-1604336048
Netto: 7,66 € zzgl. MwSt.
zzgl. 6,90 € Versand (brutto)
einmalig pro Bestellung

Lieferzeit: 5 Werktage

Pos.
821
BOSCH Getriebegehäuse | Ersatzteile für GWS 21-180 JH | 1607000C03
Hersteller: BOSCH
Artikelnummer: EB-0601851908-1607000C03
Netto: 42,08 € zzgl. MwSt.
zzgl. 6,90 € Versand (brutto)
einmalig pro Bestellung

Lieferzeit: 5 Werktage

Pos.
822
BOSCH Lagerflansch Ø180 MM | Ersatzteile für GWS 21-180 JH | 1607000C04
Hersteller: BOSCH
Artikelnummer: EB-0601851908-1607000C04
Netto: 32,16 € zzgl. MwSt.
zzgl. 6,90 € Versand (brutto)
einmalig pro Bestellung

Lieferzeit: 43 Werktage

Pos.
826
BOSCH Kegelradsatz | Ersatzteile für GWS 21-180 JH | 1619P09483
Hersteller: BOSCH
Artikelnummer: EB-0601851908-1619P09483
Netto: 32,16 € zzgl. MwSt.
zzgl. 6,90 € Versand (brutto)
einmalig pro Bestellung

Lieferzeit: 5 Werktage

Pos.
840
BOSCH Druckknopf | Ersatzteile für GWS 21-180 JH | 1607000354
Hersteller: BOSCH
Artikelnummer: EB-0601851908-1607000354
Netto: 7,26 € zzgl. MwSt.
zzgl. 6,90 € Versand (brutto)
einmalig pro Bestellung

Lieferzeit: 5 Werktage

Pos.
846
BOSCH Haltescheibe | Ersatzteile für GWS 21-180 JH | 1607000342
Hersteller: BOSCH
Artikelnummer: EB-0601851908-1607000342
Netto: 5,17 € zzgl. MwSt.
zzgl. 6,90 € Versand (brutto)
einmalig pro Bestellung

Lieferzeit: 5 Werktage

Pos.
848
BOSCH Sicherungsring | Ersatzteile für GWS 21-180 JH | 1600119010
Hersteller: BOSCH
Artikelnummer: EB-0601851908-1600119010
Netto: 3,94 € zzgl. MwSt.
zzgl. 6,90 € Versand (brutto)
einmalig pro Bestellung

Lieferzeit: 5 Werktage

Pos.
850
BOSCH Rillenkugellager 17x40x12 | Ersatzteile für GWS 21-180 JH | 1600905026
Hersteller: BOSCH
Artikelnummer: EB-0601851908-1600905026
Netto: 8,23 € zzgl. MwSt.
zzgl. 6,90 € Versand (brutto)
einmalig pro Bestellung

Lieferzeit: 5 Werktage

Pos.
851
BOSCH Nadelhülse Ø14 MM | Ersatzteile für GWS 21-180 JH | 2600910001
Hersteller: BOSCH
Artikelnummer: EB-0601851908-2600910001
Netto: 5,65 € zzgl. MwSt.
zzgl. 6,90 € Versand (brutto)
einmalig pro Bestellung

Lieferzeit: 5 Werktage

Pos.
890
BOSCH O-Ring 20,35x1,78 MM | Ersatzteile für GWS 21-180 JH | 1600210039
Hersteller: BOSCH
Artikelnummer: EB-0601851908-1600210039
Netto: 4,36 € zzgl. MwSt.
zzgl. 6,90 € Versand (brutto)
einmalig pro Bestellung

Lieferzeit: 5 Werktage

Pos.
891
BOSCH Zusatzhandgriff M14, Ø37x115 MM SCHWARZ | Ersatzteile für GWS 21-180 JH | 1602025030
Hersteller: BOSCH
Artikelnummer: EB-0601851908-1602025030
Netto: 14,92 € zzgl. MwSt.
zzgl. 6,90 € Versand (brutto)
einmalig pro Bestellung

Lieferzeit: 5 Werktage

Pos.
891/1
BOSCH Zusatzhandgriff M14 SCHWARZ | Ersatzteile für GWS 21-180 JH | 1602025022
Hersteller: BOSCH
Artikelnummer: EB-0601851908-1602025022
Netto: 11,41 € zzgl. MwSt.
zzgl. 6,90 € Versand (brutto)
einmalig pro Bestellung

Lieferzeit: 5 Werktage

Pos.
892
BOSCH Zweilochmutterndreher | Ersatzteile für GWS 21-180 JH | 1607950061
Hersteller: BOSCH
Artikelnummer: EB-0601851908-1607950061
Netto: 5,60 € zzgl. MwSt.
zzgl. 6,90 € Versand (brutto)
einmalig pro Bestellung

Lieferzeit: 5 Werktage

Pos.
893
BOSCH Aufnahmeflansch Ø22,3xØ42 MM | Ersatzteile für GWS 21-180 JH | 2605703014
Hersteller: BOSCH
Artikelnummer: EB-0601851908-2605703014
nur Informationsartikel
Nie mehr lieferbar
keine Alternativen
Pos.
894
BOSCH Rundmutter M14 | Ersatzteile für GWS 21-180 JH | 1603345043
Hersteller: BOSCH
Artikelnummer: EB-0601851908-1603345043
Netto: 8,23 € zzgl. MwSt.
zzgl. 6,90 € Versand (brutto)
einmalig pro Bestellung

Lieferzeit: 5 Werktage

Pos.
896
BOSCH Schnellspannmutter M14, SDS-CLIC | Ersatzteile für GWS 21-180 JH | 1600A016PP
Hersteller: BOSCH
Artikelnummer: EB-0601851908-1600A016PP
Netto: 35,13 € zzgl. MwSt.
zzgl. 6,90 € Versand (brutto)
einmalig pro Bestellung

Lieferzeit: 5 Werktage

Pos.
803
BOSCH Anker | Ersatzteile für GWS 21-180 JH | 1619P15296
Hersteller: BOSCH
Artikelnummer: EB-0601851908-1619P15296
Netto: 42,08 € zzgl. MwSt.
zzgl. 6,90 € Versand (brutto)
einmalig pro Bestellung

Lieferzeit: 5 Werktage

Pos.
835
BOSCH Lüfter | Ersatzteile für GWS 21-180 JH | 1606610142
Hersteller: BOSCH
Artikelnummer: EB-0601851908-1600A00J93
Netto: 5,65 € zzgl. MwSt.
zzgl. 6,90 € Versand (brutto)
einmalig pro Bestellung

Lieferzeit: 5 Werktage

Pos.
891
BOSCH Zusatzhandgriff | Ersatzteile für GWS 21-180 JH | 160202509Z
Hersteller: BOSCH
Artikelnummer: EB-0601851908-160202509Z
Netto: 13,81 € zzgl. MwSt.
zzgl. 6,90 € Versand (brutto)
einmalig pro Bestellung

Lieferzeit: 5 Werktage

Angaben zur Produktsicherheit

Hersteller:
Robert Bosch Power Tools GmbH
Postfach 30 02 20
70442 Stuttgart

E-Mail:
kontakt@bosch.de