BOSCH Blechschraube | Ersatzteile für GWS 23-230 | F000600215

Artikelnummer: EB-0601362080-F000600215

Position: 67

Marke: BOSCH


Bitte Kompatibilität prüfen!

Bitte prüfen Sie unbedingt die 10-stellige Typennummer Ihrer Maschine / Ihres Gerätes. Das Ersatzteil ist nur kompatibel, wenn Sie die Typennummer Ihrer Maschine in der unten stehenden Produktbeschreibung finden.

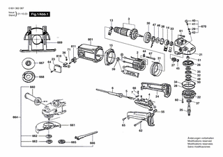
Bitte prüfen Sie ebenfalls detailliert die Explosionszeichnung mit Ihrem Artikelwunsch und der jeweiligen Pos-Nummer.

Alle Elemente, welche vom schwarzen Strich der Pos-Nummer ausgehend berührt / erfasst werden, gehören zu dieser Pos-Nummer und somit zu diesem Artikel. Jede Pos-Nummer ist ein eigenständiger Artikel, welchen Sie in der Auflistung finden.

Sie erhalten stets die aktuellste, neueste Produktversion zu der gewählten Pos-Nummer seitens des Herstellers. Es kann daher je nach Gerätealter vorkommen, dass Sie ggf. weitere, zugehörige Elemente, welche an diese Pos-Nummer grenzen, ebenfalls mittauschen müssen.

Nähere Informationen finden Sie unter dem Link
Hinweise zu Ihrer BOSCH Ersatzteilsuche

Preisübersicht

Einzelpreis: 3,94 €* (Brutto: 4,69 €)
Gesamtpreis: 3,94 €* 
Position:

Lieferzeit: 5 Werktage


Beschreibung

  • Blechschraube
  • Original Bosch Zubehör / BOSCH Ersatzteil (F000600215)
  • im Gerät verbaut: 1
Dieses BOSCH Ersatzteil ist mit folgendem Gerät und Modell kompatibel:
  • BOSCH Gerätename: GWS 23-230
  • BOSCH Explosionszeichnung: Position 67
  • BOSCH Typennummer: 0601362080
  • BOSCH Typennummer alternative Schreibweisen: 0 601 362 080, 0601 362 080, 0.601.362.080, 0-601-362-080
    Bitte prüfen Sie diese Typennummer auf Ihrem Gerät um die Kompatibilität des BOSCH Ersatzteils zu gewährleisten.
Weitere BOSCH Ersatzteile des Gerätes GWS 23-230 (Winkelschleifer) mit der Typennummer 0601362080 finden Sie in der nachfolgenden Darstellung und im Dropdown zu Ihrer Auswahl:

Pos.
2
BOSCH Polschuh 220V | Ersatzteile für GWS 23-230 | F000600224
Hersteller: BOSCH
Artikelnummer: EB-0601362080-F000600224
nur Informationsartikel
Nie mehr lieferbar
keine Alternativen
Pos.
3
BOSCH Anker 230V | Ersatzteile für GWS 23-230 | 1604011268
Hersteller: BOSCH
Artikelnummer: EB-0601362080-1604011268
nur Informationsartikel
Nie mehr lieferbar
keine Alternativen
Pos.
4
BOSCH Ein/Aus-Schalter | Ersatzteile für GWS 23-230 | 9618086632
Hersteller: BOSCH
Artikelnummer: EB-0601362080-9618086632
nur Informationsartikel
Nie mehr lieferbar
keine Alternativen
Pos.
5
BOSCH Netzanschlussleitung | Ersatzteile für GWS 23-230 | 9618089007
Hersteller: BOSCH
Artikelnummer: EB-0601362080-9618089007
nur Informationsartikel
Nie mehr lieferbar
keine Alternativen
Pos.
6
BOSCH Tülle Ø 10,5-Ø11,0x100 MM | Ersatzteile für GWS 23-230 | 1600703023
Hersteller: BOSCH
Artikelnummer: EB-0601362080-1600703023
Netto: 4,53 € zzgl. MwSt.
zzgl. 6,90 € Versand (brutto)
einmalig pro Bestellung

Lieferzeit: 5 Werktage

Pos.
7
BOSCH Befestigungsschelle | Ersatzteile für GWS 23-230 | 1601302013
Hersteller: BOSCH
Artikelnummer: EB-0601362080-1601302013
Netto: 3,94 € zzgl. MwSt.
zzgl. 6,90 € Versand (brutto)
einmalig pro Bestellung

Lieferzeit: 5 Werktage

Pos.
13
BOSCH Rillenkugellager 8x22x7 | Ersatzteile für GWS 23-230 | 1600905011
Hersteller: BOSCH
Artikelnummer: EB-0601362080-1600905011
Netto: 6,70 € zzgl. MwSt.
zzgl. 6,90 € Versand (brutto)
einmalig pro Bestellung

Lieferzeit: 5 Werktage

Pos.
14
BOSCH Rillenkugellager 10x35x11 | Ersatzteile für GWS 23-230 | 1600905023
Hersteller: BOSCH
Artikelnummer: EB-0601362080-1600905023
Netto: 10,92 € zzgl. MwSt.
zzgl. 6,90 € Versand (brutto)
einmalig pro Bestellung

Lieferzeit: 5 Werktage

Pos.
15
BOSCH Lagerflansch | Ersatzteile für GWS 23-230 | 9618086677
Hersteller: BOSCH
Artikelnummer: EB-0601362080-9618086677
Netto: 9,18 € zzgl. MwSt.
zzgl. 6,90 € Versand (brutto)
einmalig pro Bestellung

Lieferzeit: 5 Werktage

Pos.
21
BOSCH Getriebegehäuse | Ersatzteile für GWS 23-230 | F000600532
Hersteller: BOSCH
Artikelnummer: EB-0601362080-F000600532
nur Informationsartikel
Nie mehr lieferbar
keine Alternativen
Pos.
22
BOSCH Lagerflansch | Ersatzteile für GWS 23-230 | 1605805065
Hersteller: BOSCH
Artikelnummer: EB-0601362080-1605805065
nur Informationsartikel
Nie mehr lieferbar
keine Alternativen
Pos.
23
BOSCH Verschlussdeckel SCHWARZ | Ersatzteile für GWS 23-230 | 1605500150
Hersteller: BOSCH
Artikelnummer: EB-0601362080-1605500150
Netto: 5,19 € zzgl. MwSt.
zzgl. 6,90 € Versand (brutto)
einmalig pro Bestellung

Lieferzeit: 5 Werktage

Pos.
24
BOSCH Handgriff SCHWARZ | Ersatzteile für GWS 23-230 | 1605132119
Hersteller: BOSCH
Artikelnummer: EB-0601362080-1605132119
nur Informationsartikel
Nie mehr lieferbar
keine Alternativen
Pos.
25
BOSCH Schleifspindel | Ersatzteile für GWS 23-230 | F000600150
Hersteller: BOSCH
Artikelnummer: EB-0601362080-F000600150
Netto: 11,92 € zzgl. MwSt.
zzgl. 6,90 € Versand (brutto)
einmalig pro Bestellung

Lieferzeit: 5 Werktage

Pos.
26
BOSCH Tellerrad Z=53 | Ersatzteile für GWS 23-230 | 1606333626
Hersteller: BOSCH
Artikelnummer: EB-0601362080-1606333626
nur Informationsartikel
Nie mehr lieferbar
keine Alternativen
Pos.
27
BOSCH Ersatzteilgruppe | Ersatzteile für GWS 23-230 | 1600A005BH
Hersteller: BOSCH
Artikelnummer: EB-0601362080-1600A005BH
Netto: 39,11 € zzgl. MwSt.
zzgl. 6,90 € Versand (brutto)
einmalig pro Bestellung

Lieferzeit: 5 Werktage

Pos.
28
BOSCH O-Ring 79,0x1,78 MM | Ersatzteile für GWS 23-230 | 1600210033
Hersteller: BOSCH
Artikelnummer: EB-0601362080-1600210033
Netto: 3,94 € zzgl. MwSt.
zzgl. 6,90 € Versand (brutto)
einmalig pro Bestellung

Lieferzeit: 5 Werktage

Pos.
29
BOSCH O-Ring 4,0x1,0 MM | Ersatzteile für GWS 23-230 | 1600210034
Hersteller: BOSCH
Artikelnummer: EB-0601362080-1600210034
Netto: 3,94 € zzgl. MwSt.
zzgl. 6,90 € Versand (brutto)
einmalig pro Bestellung

Lieferzeit: 5 Werktage

Pos.
30
BOSCH Luftleitring | Ersatzteile für GWS 23-230 | 1600591010
Hersteller: BOSCH
Artikelnummer: EB-0601362080-1600591010
Netto: 4,32 € zzgl. MwSt.
zzgl. 6,90 € Versand (brutto)
einmalig pro Bestellung

Lieferzeit: 5 Werktage

Pos.
31
BOSCH Luftleitring | Ersatzteile für GWS 23-230 | 1600591011
Hersteller: BOSCH
Artikelnummer: EB-0601362080-1600591011
Netto: 3,94 € zzgl. MwSt.
zzgl. 6,90 € Versand (brutto)
einmalig pro Bestellung

Lieferzeit: 5 Werktage

Pos.
32
BOSCH Haltering | Ersatzteile für GWS 23-230 | 1600290019
Hersteller: BOSCH
Artikelnummer: EB-0601362080-1600290019
Netto: 3,94 € zzgl. MwSt.
zzgl. 6,90 € Versand (brutto)
einmalig pro Bestellung

Lieferzeit: 5 Werktage

Pos.
33
BOSCH Radial-Wellendichtring 16 MM BLAU | Ersatzteile für GWS 23-230 | 1600290064
Hersteller: BOSCH
Artikelnummer: EB-0601362080-1600290064
Netto: 4,32 € zzgl. MwSt.
zzgl. 6,90 € Versand (brutto)
einmalig pro Bestellung

Lieferzeit: 12 Werktage

Pos.
33
BOSCH Radial-Wellendichtring 18,7 MM ROT | Ersatzteile für GWS 23-230 | 1600290013
Hersteller: BOSCH
Artikelnummer: EB-0601362080-1600290013
Netto: 4,53 € zzgl. MwSt.
zzgl. 6,90 € Versand (brutto)
einmalig pro Bestellung

Lieferzeit: 5 Werktage

Pos.
34
BOSCH Ausgleichscheibe 0,1 MM DICK | Ersatzteile für GWS 23-230 | 1600190022
Hersteller: BOSCH
Artikelnummer: EB-0601362080-1600190022
Netto: 3,94 € zzgl. MwSt.
zzgl. 6,90 € Versand (brutto)
einmalig pro Bestellung

Lieferzeit: 5 Werktage

Pos.
34
BOSCH Ausgleichscheibe 0,15 MM DICK | Ersatzteile für GWS 23-230 | 1600190020
Hersteller: BOSCH
Artikelnummer: EB-0601362080-1600190020
Netto: 3,94 € zzgl. MwSt.
zzgl. 6,90 € Versand (brutto)
einmalig pro Bestellung

Lieferzeit: 5 Werktage

Pos.
34
BOSCH Ausgleichscheibe 0,3 MM DICK | Ersatzteile für GWS 23-230 | 1600190021
Hersteller: BOSCH
Artikelnummer: EB-0601362080-1600190021
Netto: 4,53 € zzgl. MwSt.
zzgl. 6,90 € Versand (brutto)
einmalig pro Bestellung

Lieferzeit: 5 Werktage

Pos.
35
BOSCH Filzring | Ersatzteile für GWS 23-230 | 1600205034
Hersteller: BOSCH
Artikelnummer: EB-0601362080-1600205034
Netto: 3,94 € zzgl. MwSt.
zzgl. 6,90 € Versand (brutto)
einmalig pro Bestellung

Lieferzeit: 5 Werktage

Pos.
36
BOSCH Spiralfeder | Ersatzteile für GWS 23-230 | 1604652015
Hersteller: BOSCH
Artikelnummer: EB-0601362080-1604652015
Netto: 4,82 € zzgl. MwSt.
zzgl. 6,90 € Versand (brutto)
einmalig pro Bestellung

Lieferzeit: 5 Werktage

Pos.
37
BOSCH Dichtring SCHWARZ | Ersatzteile für GWS 23-230 | 1600290036
Hersteller: BOSCH
Artikelnummer: EB-0601362080-1600290036
Netto: 4,32 € zzgl. MwSt.
zzgl. 6,90 € Versand (brutto)
einmalig pro Bestellung

Lieferzeit: 5 Werktage

Pos.
38
BOSCH Gummiring 7 MM BREIT | Ersatzteile für GWS 23-230 | 1600206020
Hersteller: BOSCH
Artikelnummer: EB-0601362080-1600206020
Netto: 3,94 € zzgl. MwSt.
zzgl. 6,90 € Versand (brutto)
einmalig pro Bestellung

Lieferzeit: 5 Werktage

Pos.
39
BOSCH Gummiring | Ersatzteile für GWS 23-230 | 1600206030
Hersteller: BOSCH
Artikelnummer: EB-0601362080-1600206030
Netto: 3,94 € zzgl. MwSt.
zzgl. 6,90 € Versand (brutto)
einmalig pro Bestellung

Lieferzeit: 5 Werktage

Pos.
40
BOSCH Druckknopf | Ersatzteile für GWS 23-230 | 1603231012
Hersteller: BOSCH
Artikelnummer: EB-0601362080-1603231012
nur Informationsartikel
Nie mehr lieferbar
keine Alternativen
Pos.
41
BOSCH Druckfeder | Ersatzteile für GWS 23-230 | 1604611024
Hersteller: BOSCH
Artikelnummer: EB-0601362080-1604611024
Netto: 3,94 € zzgl. MwSt.
zzgl. 6,90 € Versand (brutto)
einmalig pro Bestellung

Lieferzeit: 5 Werktage

Pos.
42
BOSCH Rastbolzen | Ersatzteile für GWS 23-230 | 1603123032
Hersteller: BOSCH
Artikelnummer: EB-0601362080-1603123032
nur Informationsartikel
Nie mehr lieferbar
keine Alternativen
Pos.
44
BOSCH Haltewinkel | Ersatzteile für GWS 23-230 | 1601334008
Hersteller: BOSCH
Artikelnummer: EB-0601362080-1601334008
Netto: 3,94 € zzgl. MwSt.
zzgl. 6,90 € Versand (brutto)
einmalig pro Bestellung

Lieferzeit: 5 Werktage

Pos.
45
BOSCH Sechskantmutter M10, SW14 | Ersatzteile für GWS 23-230 | 1603300019
Hersteller: BOSCH
Artikelnummer: EB-0601362080-1603300019
Netto: 3,94 € zzgl. MwSt.
zzgl. 6,90 € Versand (brutto)
einmalig pro Bestellung

Lieferzeit: 5 Werktage

Pos.
46
BOSCH Haltescheibe 1,8 MM DICK | Ersatzteile für GWS 23-230 | 1600102018
Hersteller: BOSCH
Artikelnummer: EB-0601362080-1600102018
Netto: 3,63 € zzgl. MwSt.
zzgl. 6,90 € Versand (brutto)
einmalig pro Bestellung

Lieferzeit: 5 Werktage

Pos.
47
BOSCH Sicherungsbügel | Ersatzteile für GWS 23-230 | 1600119008
Hersteller: BOSCH
Artikelnummer: EB-0601362080-1600119008
Netto: 3,94 € zzgl. MwSt.
zzgl. 6,90 € Versand (brutto)
einmalig pro Bestellung

Lieferzeit: 5 Werktage

Pos.
48
BOSCH Sicherungsbügel | Ersatzteile für GWS 23-230 | 1600119010
Hersteller: BOSCH
Artikelnummer: EB-0601362080-1600119010
Netto: 3,94 € zzgl. MwSt.
zzgl. 6,90 € Versand (brutto)
einmalig pro Bestellung

Lieferzeit: 5 Werktage

Pos.
50
BOSCH Rillenkugellager | Ersatzteile für GWS 23-230 | 3600905134
Hersteller: BOSCH
Artikelnummer: EB-0601362080-3600905134
Netto: 9,95 € zzgl. MwSt.
zzgl. 6,90 € Versand (brutto)
einmalig pro Bestellung

Lieferzeit: 5 Werktage

Pos.
51
BOSCH Nadellager Ø14 MM | Ersatzteile für GWS 23-230 | 2600910001
Hersteller: BOSCH
Artikelnummer: EB-0601362080-2600910001
Netto: 5,67 € zzgl. MwSt.
zzgl. 6,90 € Versand (brutto)
einmalig pro Bestellung

Lieferzeit: 5 Werktage

Pos.
55
BOSCH Ablageleiste SCHWARZ | Ersatzteile für GWS 23-230 | 1602388029
Hersteller: BOSCH
Artikelnummer: EB-0601362080-1602388029
Netto: 3,94 € zzgl. MwSt.
zzgl. 6,90 € Versand (brutto)
einmalig pro Bestellung

Lieferzeit: 5 Werktage

Pos.
60
BOSCH Schraube | Ersatzteile für GWS 23-230 | 9618086638
Hersteller: BOSCH
Artikelnummer: EB-0601362080-9618086638
nur Informationsartikel
Nie mehr lieferbar
keine Alternativen
Pos.
61
BOSCH Blechschraube | Ersatzteile für GWS 23-230 | F000600216
Hersteller: BOSCH
Artikelnummer: EB-0601362080-F000600216
nur Informationsartikel
Nie mehr lieferbar
keine Alternativen
Pos.
62
BOSCH Blechschraube | Ersatzteile für GWS 23-230 | F000600218
Hersteller: BOSCH
Artikelnummer: EB-0601362080-F000600218
nur Informationsartikel
Nie mehr lieferbar
keine Alternativen
Pos.
65
BOSCH Blechschraube 4x16 MM | Ersatzteile für GWS 23-230 | 9618087099
Hersteller: BOSCH
Artikelnummer: EB-0601362080-9618087099
nur Informationsartikel
Nie mehr lieferbar
keine Alternativen
Pos.
66
BOSCH Zylinderschraube | Ersatzteile für GWS 23-230 | 2910022116
Hersteller: BOSCH
Artikelnummer: EB-0601362080-2910022116
nur Informationsartikel
Nie mehr lieferbar
keine Alternativen
Pos.
67
BOSCH Blechschraube | Ersatzteile für GWS 23-230 | F000600215
Hersteller: BOSCH
Artikelnummer: EB-0601362080-F000600215
Netto: 3,94 € zzgl. MwSt.
zzgl. 6,90 € Versand (brutto)
einmalig pro Bestellung

Lieferzeit: 5 Werktage

Pos.
71
BOSCH Gewindefurchschraube | Ersatzteile für GWS 23-230 | 9618089885
Hersteller: BOSCH
Artikelnummer: EB-0601362080-9618089885
nur Informationsartikel
Nie mehr lieferbar
keine Alternativen
Pos.
660
BOSCH Zusatzhandgriff | Ersatzteile für ESMERILHADEIRA ANGUL | 160202509Z
Hersteller: BOSCH
Artikelnummer: EB-0601362080-16020250A1
Netto: 14,36 € zzgl. MwSt.
zzgl. 6,90 € Versand (brutto)
einmalig pro Bestellung

Lieferzeit: 5 Werktage

Pos.
660
BOSCH Zusatzhandgriff M14 SCHWARZ | Ersatzteile für GWS 23-230 | 1602025022
Hersteller: BOSCH
Artikelnummer: EB-0601362080-1602025022
Netto: 11,41 € zzgl. MwSt.
zzgl. 6,90 € Versand (brutto)
einmalig pro Bestellung

Lieferzeit: 5 Werktage

Pos.
660
BOSCH Zusatzhandgriff M14, Ø37x115 MM SCHWARZ | Ersatzteile für GWS 23-230 | 1602025030
Hersteller: BOSCH
Artikelnummer: EB-0601362080-1602025030
Netto: 14,92 € zzgl. MwSt.
zzgl. 6,90 € Versand (brutto)
einmalig pro Bestellung

Lieferzeit: 5 Werktage

Pos.
661
BOSCH Schutzhaube | Ersatzteile für GWS 23-230 | 1600A00XM0
Hersteller: BOSCH
Artikelnummer: EB-0601362080-1600A00XM0
Netto: 19,18 € zzgl. MwSt.
zzgl. 6,90 € Versand (brutto)
einmalig pro Bestellung

Lieferzeit: 5 Werktage

Pos.
662
BOSCH Aufnahmeflansch | Ersatzteile für GWS 23-230 | F000613004
Hersteller: BOSCH
Artikelnummer: EB-0601362080-F000613004
Netto: 6,95 € zzgl. MwSt.
zzgl. 6,90 € Versand (brutto)
einmalig pro Bestellung

Lieferzeit: 5 Werktage

Pos.
663
BOSCH Rundmutter M14 | Ersatzteile für GWS 23-230 | 1603345043
Hersteller: BOSCH
Artikelnummer: EB-0601362080-1603345043
Netto: 8,33 € zzgl. MwSt.
zzgl. 6,90 € Versand (brutto)
einmalig pro Bestellung

Lieferzeit: 5 Werktage

Pos.
664
BOSCH Ersatzteilgruppe | Ersatzteile für GWS 23-230 | 1607000198
Hersteller: BOSCH
Artikelnummer: EB-0601362080-1607000198
nur Informationsartikel
Nie mehr lieferbar
keine Alternativen
Pos.
665
BOSCH Schnellspannmutter M14, SDS-CLIC | Ersatzteile für GWS 23-230 | 1600A016PP
Hersteller: BOSCH
Artikelnummer: EB-0601362080-1600A016PP
Netto: 29,45 € zzgl. MwSt.
zzgl. 6,90 € Versand (brutto)
einmalig pro Bestellung

Lieferzeit: 33 Werktage

Pos.
666
BOSCH Zweilochmutterndreher | Ersatzteile für GWS 23-230 | 1607950061
Hersteller: BOSCH
Artikelnummer: EB-0601362080-1607950061
Netto: 5,60 € zzgl. MwSt.
zzgl. 6,90 € Versand (brutto)
einmalig pro Bestellung

Lieferzeit: 5 Werktage

Pos.
667
BOSCH Aufspannflansch Ø22,3xØ42 MM | Ersatzteile für GWS 23-230 | 2605703014
Hersteller: BOSCH
Artikelnummer: EB-0601362080-2605703014
nur Informationsartikel
Nie mehr lieferbar
keine Alternativen
Pos.
668
BOSCH Spannscheibe | Ersatzteile für GWS 23-230 | 1600114021
Hersteller: BOSCH
Artikelnummer: EB-0601362080-1600114021
nur Informationsartikel
Nie mehr lieferbar
keine Alternativen
Pos.
669
BOSCH Teilesatz Ø230 MM | Ersatzteile für GWS 23-230 | 1607000251
Hersteller: BOSCH
Artikelnummer: EB-0601362080-1607000251
nur Informationsartikel
Nie mehr lieferbar
keine Alternativen
Pos.
670
BOSCH Ersatzteil | Ersatzteile für GWS 23-230 | 9618086834
Hersteller: BOSCH
Artikelnummer: EB-0601362080-9618086834
Netto: 4,82 € zzgl. MwSt.
zzgl. 6,90 € Versand (brutto)
einmalig pro Bestellung

Lieferzeit: 5 Werktage

Pos.
801
BOSCH Motorgehäuse | Ersatzteile für GWS 23-230 | 9618086833
Hersteller: BOSCH
Artikelnummer: EB-0601362080-9618086833
nur Informationsartikel
Nie mehr lieferbar
keine Alternativen
Pos.
810
BOSCH Kohlebürstensatz | Ersatzteile für GWS 23-230 | 1607014171
Hersteller: BOSCH
Artikelnummer: EB-0601362080-1607014171
Netto: 11,92 € zzgl. MwSt.
zzgl. 6,90 € Versand (brutto)
einmalig pro Bestellung

Lieferzeit: 5 Werktage

Pos.
811
BOSCH Bürstenhalter | Ersatzteile für GWS 23-230 | 1604336021
Hersteller: BOSCH
Artikelnummer: EB-0601362080-1604336021
Netto: 4,82 € zzgl. MwSt.
zzgl. 6,90 € Versand (brutto)
einmalig pro Bestellung

Lieferzeit: 5 Werktage

Angaben zur Produktsicherheit

Hersteller:
Robert Bosch Power Tools GmbH
Postfach 30 02 20
70442 Stuttgart

E-Mail:
kontakt@bosch.de