BOSCH: Versand-Pause / Inventur von 05.12.2025 - 15.12.2025 - es erfolgt kein Versand in dieser Zeit. Bitte addieren Sie das Zeitfenster zu der angegebenen Lieferzeit im Artikel.
BOSCH Bürstenhalter | Ersatzteile für GWS 24-230 JBX | 1604336048

Artikelnummer: EB-3601H64400-1604336048

Position: 816

Marke: BOSCH


Bitte Kompatibilität prüfen!

Bitte prüfen Sie unbedingt die 10-stellige Typennummer Ihrer Maschine / Ihres Gerätes. Das Ersatzteil ist nur kompatibel, wenn Sie die Typennummer Ihrer Maschine in der unten stehenden Produktbeschreibung finden.

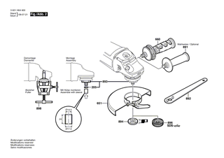
Bitte prüfen Sie ebenfalls detailliert die Explosionszeichnung mit Ihrem Artikelwunsch und der jeweiligen Pos-Nummer.

Alle Elemente, welche vom schwarzen Strich der Pos-Nummer ausgehend berührt / erfasst werden, gehören zu dieser Pos-Nummer und somit zu diesem Artikel. Jede Pos-Nummer ist ein eigenständiger Artikel, welchen Sie in der Auflistung finden.

Sie erhalten stets die aktuellste, neueste Produktversion zu der gewählten Pos-Nummer seitens des Herstellers. Es kann daher je nach Gerätealter vorkommen, dass Sie ggf. weitere, zugehörige Elemente, welche an diese Pos-Nummer grenzen, ebenfalls mittauschen müssen.

Nähere Informationen finden Sie unter dem Link
Hinweise zu Ihrer BOSCH Ersatzteilsuche

Preisübersicht

Einzelpreis: 7,66 €* (Brutto: 9,12 €)
Gesamtpreis: 7,66 €* 
Position:

Lieferzeit: 5 Werktage


Beschreibung

  • Bürstenhalter
  • Original Bosch Zubehör / BOSCH Ersatzteil (1604336048)
  • im Gerät verbaut: 2
Dieses BOSCH Ersatzteil ist mit folgendem Gerät und Modell kompatibel:
  • BOSCH Gerätename: GWS 24-230 JBX
  • BOSCH Explosionszeichnung: Position 816
  • BOSCH Typennummer: 3601H64400
  • BOSCH Typennummer alternative Schreibweisen: 3 601 H64 400, 3601 H64 400, 3.601.H64.400, 3-601-H64-400
    Bitte prüfen Sie diese Typennummer auf Ihrem Gerät um die Kompatibilität des BOSCH Ersatzteils zu gewährleisten.
Weitere BOSCH Ersatzteile des Gerätes GWS 24-230 JBX (Winkelschleifer) mit der Typennummer 3601H64400 finden Sie in der nachfolgenden Darstellung und im Dropdown zu Ihrer Auswahl:

Pos.
1
BOSCH Motorgehäuse BLAU | Ersatzteile für GWS 24-230 JBX | 1605108236
Hersteller: BOSCH
Artikelnummer: EB-3601H64400-1605108236
nur Informationsartikel
Nie mehr lieferbar
keine Alternativen
Pos.
6
BOSCH Tülle Ø10,5-Ø11,0x100 MM | Ersatzteile für GWS 24-230 JBX | 1600703036
Hersteller: BOSCH
Artikelnummer: EB-3601H64400-1600703036
Netto: 4,36 € zzgl. MwSt.
zzgl. 6,90 € Versand (brutto)
einmalig pro Bestellung

Lieferzeit: 5 Werktage

Pos.
7
BOSCH Befestigungsschelle | Ersatzteile für GWS 24-230 JBX | 1601302018
Hersteller: BOSCH
Artikelnummer: EB-3601H64400-1601302018
Netto: 3,94 € zzgl. MwSt.
zzgl. 6,90 € Versand (brutto)
einmalig pro Bestellung

Lieferzeit: 5 Werktage

Pos.
14
BOSCH Rillenkugellager | Ersatzteile für GWS 24-230 JBX | 1600905028
Hersteller: BOSCH
Artikelnummer: EB-3601H64400-1600905028
Netto: 9,75 € zzgl. MwSt.
zzgl. 6,90 € Versand (brutto)
einmalig pro Bestellung

Lieferzeit: 5 Werktage

Pos.
23
BOSCH Verschlussdeckel | Ersatzteile für GWS 24-230 JBX | 1605500236
Hersteller: BOSCH
Artikelnummer: EB-3601H64400-1605500236
Netto: 5,17 € zzgl. MwSt.
zzgl. 6,90 € Versand (brutto)
einmalig pro Bestellung

Lieferzeit: 5 Werktage

Pos.
24
BOSCH Handgriff BLAU | Ersatzteile für GWS 24-230 JBX | 1605132151
Hersteller: BOSCH
Artikelnummer: EB-3601H64400-1605132151
Netto: 12,50 € zzgl. MwSt.
zzgl. 6,90 € Versand (brutto)
einmalig pro Bestellung

Lieferzeit: 5 Werktage

Pos.
25
BOSCH Schleifspindel | Ersatzteile für GWS 24-230 JBX | 160312305Z
Hersteller: BOSCH
Artikelnummer: EB-3601H64400-160312305Z
Netto: 34,37 € zzgl. MwSt.
zzgl. 6,90 € Versand (brutto)
einmalig pro Bestellung

Lieferzeit: 5 Werktage

Pos.
25
BOSCH Schleifspindel M14 | Ersatzteile für GWS 24-230 JBX | 1603523123
Hersteller: BOSCH
Artikelnummer: EB-3601H64400-1603523123
Netto: 21,98 € zzgl. MwSt.
zzgl. 6,90 € Versand (brutto)
einmalig pro Bestellung

Lieferzeit: 5 Werktage

Pos.
9
BOSCH Firmenschild GWS 24-230 JBX | Ersatzteile für GWS 24-230 JBX | 1601118R36
Hersteller: BOSCH
Artikelnummer: EB-3601H64400-1601118R36
Netto: 4,36 € zzgl. MwSt.
zzgl. 6,90 € Versand (brutto)
einmalig pro Bestellung

Lieferzeit: 5 Werktage

Pos.
28
BOSCH O-Ring 79,0x1,78 MM | Ersatzteile für GWS 24-230 JBX | 1600210033
Hersteller: BOSCH
Artikelnummer: EB-3601H64400-1600210033
Netto: 3,94 € zzgl. MwSt.
zzgl. 6,90 € Versand (brutto)
einmalig pro Bestellung

Lieferzeit: 5 Werktage

Pos.
29
BOSCH O-Ring 8,0x1,0 MM | Ersatzteile für GWS 24-230 JBX | 1600210045
Hersteller: BOSCH
Artikelnummer: EB-3601H64400-1600210045
Netto: 3,94 € zzgl. MwSt.
zzgl. 6,90 € Versand (brutto)
einmalig pro Bestellung

Lieferzeit: 5 Werktage

Pos.
30
BOSCH Luftverteiler | Ersatzteile für GWS 24-230 JBX | 1600591029
Hersteller: BOSCH
Artikelnummer: EB-3601H64400-1600591029
Netto: 4,56 € zzgl. MwSt.
zzgl. 6,90 € Versand (brutto)
einmalig pro Bestellung

Lieferzeit: 5 Werktage

Pos.
32
BOSCH Haltering | Ersatzteile für GWS 24-230 JBX | 1600290019
Hersteller: BOSCH
Artikelnummer: EB-3601H64400-1600290019
Netto: 3,94 € zzgl. MwSt.
zzgl. 6,90 € Versand (brutto)
einmalig pro Bestellung

Lieferzeit: 5 Werktage

Pos.
33
BOSCH Radial-Wellendichtring 16 MM BLAU | Ersatzteile für GWS 24-230 JBX | 1600290064
Hersteller: BOSCH
Artikelnummer: EB-3601H64400-1600290064
Netto: 4,36 € zzgl. MwSt.
zzgl. 6,90 € Versand (brutto)
einmalig pro Bestellung

Lieferzeit: 5 Werktage

Pos.
34
BOSCH Ausgleichscheibe 0,1 MM DICK | Ersatzteile für GWS 24-230 JBX | 1600190022
Hersteller: BOSCH
Artikelnummer: EB-3601H64400-1600190022
Netto: 3,94 € zzgl. MwSt.
zzgl. 6,90 € Versand (brutto)
einmalig pro Bestellung

Lieferzeit: 5 Werktage

Pos.
34
BOSCH Ausgleichscheibe 0,15 MM DICK | Ersatzteile für GWS 24-230 JBX | 1600190020
Hersteller: BOSCH
Artikelnummer: EB-3601H64400-1600190020
Netto: 3,94 € zzgl. MwSt.
zzgl. 6,90 € Versand (brutto)
einmalig pro Bestellung

Lieferzeit: 5 Werktage

Pos.
34
BOSCH Ausgleichscheibe 0,2 MM DICK | Ersatzteile für GWS 24-230 JBX | 1600190037
Hersteller: BOSCH
Artikelnummer: EB-3601H64400-1600190037
Netto: 3,60 € zzgl. MwSt.
zzgl. 6,90 € Versand (brutto)
einmalig pro Bestellung

Lieferzeit: 5 Werktage

Pos.
34
BOSCH Ausgleichscheibe 0,25 MM DICK | Ersatzteile für GWS 24-230 JBX | 1600190038
Hersteller: BOSCH
Artikelnummer: EB-3601H64400-1600190038
Netto: 3,60 € zzgl. MwSt.
zzgl. 6,90 € Versand (brutto)
einmalig pro Bestellung

Lieferzeit: 5 Werktage

Pos.
34
BOSCH Ausgleichscheibe 0,3 MM DICK | Ersatzteile für GWS 24-230 JBX | 1600190021
Hersteller: BOSCH
Artikelnummer: EB-3601H64400-1600190021
Netto: 4,56 € zzgl. MwSt.
zzgl. 6,90 € Versand (brutto)
einmalig pro Bestellung

Lieferzeit: 5 Werktage

Pos.
34
BOSCH Ausgleichscheibe 0,35 MM DICK | Ersatzteile für GWS 24-230 JBX | 1600190039
Hersteller: BOSCH
Artikelnummer: EB-3601H64400-1600190039
Netto: 3,60 € zzgl. MwSt.
zzgl. 6,90 € Versand (brutto)
einmalig pro Bestellung

Lieferzeit: 5 Werktage

Pos.
34
BOSCH Ausgleichscheibe 0,4 MM DICK | Ersatzteile für GWS 24-230 JBX | 1600190040
Hersteller: BOSCH
Artikelnummer: EB-3601H64400-1600190040
Netto: 3,60 € zzgl. MwSt.
zzgl. 6,90 € Versand (brutto)
einmalig pro Bestellung

Lieferzeit: 5 Werktage

Pos.
35
BOSCH Filzring | Ersatzteile für GWS 24-230 JBX | 1600205034
Hersteller: BOSCH
Artikelnummer: EB-3601H64400-1600205034
Netto: 3,94 € zzgl. MwSt.
zzgl. 6,90 € Versand (brutto)
einmalig pro Bestellung

Lieferzeit: 5 Werktage

Pos.
38
BOSCH Gummiring 7 MM BREIT | Ersatzteile für GWS 24-230 JBX | 1600206020
Hersteller: BOSCH
Artikelnummer: EB-3601H64400-1600206020
Netto: 3,94 € zzgl. MwSt.
zzgl. 6,90 € Versand (brutto)
einmalig pro Bestellung

Lieferzeit: 5 Werktage

Pos.
39
BOSCH Gummiring | Ersatzteile für GWS 24-230 JBX | 1600206030
Hersteller: BOSCH
Artikelnummer: EB-3601H64400-1600206030
Netto: 3,94 € zzgl. MwSt.
zzgl. 6,90 € Versand (brutto)
einmalig pro Bestellung

Lieferzeit: 5 Werktage

Pos.
45
BOSCH Sechskantmutter M10, SW14 | Ersatzteile für GWS 24-230 JBX | 1603300019
Hersteller: BOSCH
Artikelnummer: EB-3601H64400-1603300019
Netto: 3,94 € zzgl. MwSt.
zzgl. 6,90 € Versand (brutto)
einmalig pro Bestellung

Lieferzeit: 5 Werktage

Pos.
51
BOSCH Gleitlager Ø14 MM | Ersatzteile für GWS 24-230 JBX | 1600200031
Hersteller: BOSCH
Artikelnummer: EB-3601H64400-1600200031
Netto: 4,80 € zzgl. MwSt.
zzgl. 6,90 € Versand (brutto)
einmalig pro Bestellung

Lieferzeit: 5 Werktage

Pos.
53
BOSCH Steckhülsengehäuse | Ersatzteile für GWS 24-230 JBX | 1605190068
Hersteller: BOSCH
Artikelnummer: EB-3601H64400-1605190068
Netto: 3,60 € zzgl. MwSt.
zzgl. 6,90 € Versand (brutto)
einmalig pro Bestellung

Lieferzeit: 5 Werktage

Pos.
54
BOSCH Entstörfilter | Ersatzteile für GWS 24-230 JBX | 1604503017
Hersteller: BOSCH
Artikelnummer: EB-3601H64400-1604503017
nur Informationsartikel
Nie mehr lieferbar
keine Alternativen
Pos.
60
BOSCH Gewindefurchschraube TT M5x18 MM | Ersatzteile für GWS 24-230 JBX | 1603435023
Hersteller: BOSCH
Artikelnummer: EB-3601H64400-1603435023
Netto: 4,36 € zzgl. MwSt.
zzgl. 6,90 € Versand (brutto)
einmalig pro Bestellung

Lieferzeit: 5 Werktage

Pos.
31
BOSCH Luftleitring | Ersatzteile für GWS 24-230 JBX | 1600591028
Hersteller: BOSCH
Artikelnummer: EB-3601H64400-1600591028
nur Informationsartikel
Nie mehr lieferbar
keine Alternativen
Pos.
61
BOSCH Blechschraube DIN 7981-4,8x38-C-Z-ST | Ersatzteile für GWS 24-230 JBX | 2912401038
Hersteller: BOSCH
Artikelnummer: EB-3601H64400-2912401038
Netto: 3,60 € zzgl. MwSt.
zzgl. 6,90 € Versand (brutto)
einmalig pro Bestellung

Lieferzeit: 5 Werktage

Pos.
62
BOSCH Linsenschraube | Ersatzteile für GWS 24-230 JBX | 1603415006
Hersteller: BOSCH
Artikelnummer: EB-3601H64400-1603415006
Netto: 4,36 € zzgl. MwSt.
zzgl. 6,90 € Versand (brutto)
einmalig pro Bestellung

Lieferzeit: 5 Werktage

Pos.
63
BOSCH Flachkopfschraube M4x10 MM | Ersatzteile für GWS 24-230 JBX | 1603410014
Hersteller: BOSCH
Artikelnummer: EB-3601H64400-1603410014
Netto: 3,94 € zzgl. MwSt.
zzgl. 6,90 € Versand (brutto)
einmalig pro Bestellung

Lieferzeit: 5 Werktage

Pos.
64
BOSCH Gewindeschneidschraube St3,9x12 | Ersatzteile für GWS 24-230 JBX | 1603435042
Hersteller: BOSCH
Artikelnummer: EB-3601H64400-1603435042
Netto: 3,94 € zzgl. MwSt.
zzgl. 6,90 € Versand (brutto)
einmalig pro Bestellung

Lieferzeit: 5 Werktage

Pos.
65
BOSCH Blechschraube DIN 7981-3,9x19-C-Z-ST | Ersatzteile für GWS 24-230 JBX | 2912401020
Hersteller: BOSCH
Artikelnummer: EB-3601H64400-2912401020
Netto: 4,36 € zzgl. MwSt.
zzgl. 6,90 € Versand (brutto)
einmalig pro Bestellung

Lieferzeit: 5 Werktage

Pos.
66
BOSCH Blechschraube DIN 7971-ST3,9x16-F | Ersatzteile für GWS 24-230 JBX | 2910211019
Hersteller: BOSCH
Artikelnummer: EB-3601H64400-2910211019
Netto: 3,60 € zzgl. MwSt.
zzgl. 6,90 € Versand (brutto)
einmalig pro Bestellung

Lieferzeit: 5 Werktage

Pos.
68
BOSCH Dichtplatte | Ersatzteile für GWS 24-230 JBX | 1601006011
Hersteller: BOSCH
Artikelnummer: EB-3601H64400-1601006011
Netto: 4,56 € zzgl. MwSt.
zzgl. 6,90 € Versand (brutto)
einmalig pro Bestellung

Lieferzeit: 5 Werktage

Pos.
101
BOSCH Rastschieber | Ersatzteile für GWS 24-230 JBX | 1601990014
Hersteller: BOSCH
Artikelnummer: EB-3601H64400-1601990014
Netto: 4,80 € zzgl. MwSt.
zzgl. 6,90 € Versand (brutto)
einmalig pro Bestellung

Lieferzeit: 5 Werktage

Pos.
102
BOSCH Druckfeder | Ersatzteile für GWS 24-230 JBX | 1604616022
Hersteller: BOSCH
Artikelnummer: EB-3601H64400-1604616022
Netto: 3,94 € zzgl. MwSt.
zzgl. 6,90 € Versand (brutto)
einmalig pro Bestellung

Lieferzeit: 5 Werktage

Pos.
103
BOSCH Kabelführung | Ersatzteile für GWS 24-230 JBX | 1602388035
Hersteller: BOSCH
Artikelnummer: EB-3601H64400-1602388035
Netto: 3,94 € zzgl. MwSt.
zzgl. 6,90 € Versand (brutto)
einmalig pro Bestellung

Lieferzeit: 5 Werktage

Pos.
205
BOSCH Sicherungsring | Ersatzteile für GWS 24-230 JBX | 1600209015
Hersteller: BOSCH
Artikelnummer: EB-3601H64400-1600209015
Netto: 3,60 € zzgl. MwSt.
zzgl. 6,90 € Versand (brutto)
einmalig pro Bestellung

Lieferzeit: 5 Werktage

Pos.
651
BOSCH Schutzhaube | Ersatzteile für GWS 24-230 JBX | 1600A00Z9L
Hersteller: BOSCH
Artikelnummer: EB-3601H64400-1600A00Z9L
Netto: 27,72 € zzgl. MwSt.
zzgl. 6,90 € Versand (brutto)
einmalig pro Bestellung

Lieferzeit: 5 Werktage

Pos.
660
BOSCH Zusatzhandgriff M14 SCHWARZ | Ersatzteile für GWS 24-230 JBX | 1602025051
Hersteller: BOSCH
Artikelnummer: EB-3601H64400-1602025051
Netto: 23,72 € zzgl. MwSt.
zzgl. 6,90 € Versand (brutto)
einmalig pro Bestellung

Lieferzeit: 5 Werktage

Pos.
802
BOSCH Polschuh 230V | Ersatzteile für GWS 24-230 JBX | 1607000C07
Hersteller: BOSCH
Artikelnummer: EB-3601H64400-1607000C07
nur Informationsartikel
Nie mehr lieferbar
keine Alternativen
Pos.
802/1
BOSCH Bremsbacke | Ersatzteile für GWS 24-230 JBX | 1607000363
Hersteller: BOSCH
Artikelnummer: EB-3601H64400-1607000363
Netto: 35,13 € zzgl. MwSt.
zzgl. 6,90 € Versand (brutto)
einmalig pro Bestellung

Lieferzeit: 5 Werktage

Pos.
803
BOSCH Anker | Ersatzteile für GWS 24-230 JBX | 1604010BC2
Hersteller: BOSCH
Artikelnummer: EB-3601H64400-1604010BC2
Netto: 82,83 € zzgl. MwSt.
zzgl. 6,90 € Versand (brutto)
einmalig pro Bestellung

Lieferzeit: 5 Werktage

Pos.
803
BOSCH Anker 230V | Ersatzteile für GWS 24-230 JBX | 1604011257
Hersteller: BOSCH
Artikelnummer: EB-3601H64400-1604011257
Netto: 70,01 € zzgl. MwSt.
zzgl. 6,90 € Versand (brutto)
einmalig pro Bestellung

Lieferzeit: 5 Werktage

Pos.
804
BOSCH Schalter GRAU | Ersatzteile für GWS 24-230 JBX | 1607000970
Hersteller: BOSCH
Artikelnummer: EB-3601H64400-1607000970
Netto: 35,13 € zzgl. MwSt.
zzgl. 6,90 € Versand (brutto)
einmalig pro Bestellung

Lieferzeit: 5 Werktage

Pos.
805
BOSCH Netzanschlussleitung EU 4,15m 2 x 1,5mm H07 RN-F | Ersatzteile für GWS 24-230 JBX | 1607000228
Hersteller: BOSCH
Artikelnummer: EB-3601H64400-1607000228
Netto: 20,80 € zzgl. MwSt.
zzgl. 6,90 € Versand (brutto)
einmalig pro Bestellung

Lieferzeit: 5 Werktage

Pos.
808
BOSCH Typschild | Ersatzteile für GWS 24-230 JBX | 160111A3H3
Hersteller: BOSCH
Artikelnummer: EB-3601H64400-160111A3H3
Netto: 4,56 € zzgl. MwSt.
zzgl. 6,90 € Versand (brutto)
einmalig pro Bestellung

Lieferzeit: 5 Werktage

Pos.
808
BOSCH Typschild 26x52 MM | Ersatzteile für GWS 24-230 JBX | 1601106032
Hersteller: BOSCH
Artikelnummer: EB-3601H64400-1601106032
nur Informationsartikel
Nie mehr lieferbar
keine Alternativen
Pos.
810
BOSCH Kohlebürstensatz | Ersatzteile für GWS 24-230 JBX | 1607014171
Hersteller: BOSCH
Artikelnummer: EB-3601H64400-1607014171
Netto: 12,50 € zzgl. MwSt.
zzgl. 6,90 € Versand (brutto)
einmalig pro Bestellung

Lieferzeit: 5 Werktage

Pos.
810
BOSCH Kohlebürstensatz 10 x 1 607 014 171 | Ersatzteile für GWS 24-230 JBX | 1607000480
Hersteller: BOSCH
Artikelnummer: EB-3601H64400-1607000480
Netto: 91,88 € zzgl. MwSt.
zzgl. 6,90 € Versand (brutto)
einmalig pro Bestellung

Lieferzeit: 5 Werktage

Pos.
813
BOSCH Rillenkugellager 8x22x7 | Ersatzteile für GWS 24-230 JBX | 1600905011
Hersteller: BOSCH
Artikelnummer: EB-3601H64400-1600905011
Netto: 6,75 € zzgl. MwSt.
zzgl. 6,90 € Versand (brutto)
einmalig pro Bestellung

Lieferzeit: 5 Werktage

Pos.
816
BOSCH Bürstenhalter | Ersatzteile für GWS 24-230 JBX | 1604336048
Hersteller: BOSCH
Artikelnummer: EB-3601H64400-1604336048
Netto: 7,66 € zzgl. MwSt.
zzgl. 6,90 € Versand (brutto)
einmalig pro Bestellung

Lieferzeit: 5 Werktage

Pos.
822
BOSCH Lagerflansch Ø230 MM | Ersatzteile für GWS 24-230 JBX | 1607000C24
Hersteller: BOSCH
Artikelnummer: EB-3601H64400-1607000C24
Netto: 20,80 € zzgl. MwSt.
zzgl. 6,90 € Versand (brutto)
einmalig pro Bestellung

Lieferzeit: 5 Werktage

Pos.
822/1
BOSCH Lagerflansch | Ersatzteile für GWS 24-230 JBX | 1607000C25
Hersteller: BOSCH
Artikelnummer: EB-3601H64400-1607000C25
nur Informationsartikel
Nie mehr lieferbar
keine Alternativen
Pos.
840
BOSCH Druckknopf | Ersatzteile für GWS 24-230 JBX | 1607000354
Hersteller: BOSCH
Artikelnummer: EB-3601H64400-1607000354
Netto: 7,26 € zzgl. MwSt.
zzgl. 6,90 € Versand (brutto)
einmalig pro Bestellung

Lieferzeit: 5 Werktage

Pos.
846
BOSCH Haltescheibe | Ersatzteile für GWS 24-230 JBX | 1607000342
Hersteller: BOSCH
Artikelnummer: EB-3601H64400-1607000342
Netto: 5,17 € zzgl. MwSt.
zzgl. 6,90 € Versand (brutto)
einmalig pro Bestellung

Lieferzeit: 5 Werktage

Pos.
848
BOSCH Sicherungsring | Ersatzteile für GWS 24-230 JBX | 1600119010
Hersteller: BOSCH
Artikelnummer: EB-3601H64400-1600119010
Netto: 3,94 € zzgl. MwSt.
zzgl. 6,90 € Versand (brutto)
einmalig pro Bestellung

Lieferzeit: 5 Werktage

Pos.
850
BOSCH Rillenkugellager 17x40x12 | Ersatzteile für GWS 24-230 JBX | 1600905026
Hersteller: BOSCH
Artikelnummer: EB-3601H64400-1600905026
Netto: 8,23 € zzgl. MwSt.
zzgl. 6,90 € Versand (brutto)
einmalig pro Bestellung

Lieferzeit: 5 Werktage

Pos.
851
BOSCH Nadelhülse Ø14 MM | Ersatzteile für GWS 24-230 JBX | 2600910001
Hersteller: BOSCH
Artikelnummer: EB-3601H64400-2600910001
Netto: 5,65 € zzgl. MwSt.
zzgl. 6,90 € Versand (brutto)
einmalig pro Bestellung

Lieferzeit: 5 Werktage

Pos.
891
BOSCH Zusatzhandgriff M14 SCHWARZ | Ersatzteile für GWS 24-230 JBX | 1602025022
Hersteller: BOSCH
Artikelnummer: EB-3601H64400-1602025022
Netto: 11,41 € zzgl. MwSt.
zzgl. 6,90 € Versand (brutto)
einmalig pro Bestellung

Lieferzeit: 5 Werktage

Pos.
892
BOSCH Zweilochmutterndreher | Ersatzteile für GWS 24-230 JBX | 1607950061
Hersteller: BOSCH
Artikelnummer: EB-3601H64400-1607950061
Netto: 5,60 € zzgl. MwSt.
zzgl. 6,90 € Versand (brutto)
einmalig pro Bestellung

Lieferzeit: 5 Werktage

Pos.
893
BOSCH Aufnahmeflansch | Ersatzteile für GWS 24-230 JBX | 1607000368
Hersteller: BOSCH
Artikelnummer: EB-3601H64400-1607000368
Netto: 25,97 € zzgl. MwSt.
zzgl. 6,90 € Versand (brutto)
einmalig pro Bestellung

Lieferzeit: 5 Werktage

Pos.
894
BOSCH Rundmutter M14 | Ersatzteile für GWS 24-230 JBX | 1603345043
Hersteller: BOSCH
Artikelnummer: EB-3601H64400-1603345043
Netto: 8,23 € zzgl. MwSt.
zzgl. 6,90 € Versand (brutto)
einmalig pro Bestellung

Lieferzeit: 5 Werktage

Pos.
896
BOSCH Schnellspannmutter M14, SDS-CLIC | Ersatzteile für GWS 24-230 JBX | 1600A016PP
Hersteller: BOSCH
Artikelnummer: EB-3601H64400-1600A016PP
Netto: 35,13 € zzgl. MwSt.
zzgl. 6,90 € Versand (brutto)
einmalig pro Bestellung

Lieferzeit: 5 Werktage

Pos.
898
BOSCH Abziehvorrichtung | Ersatzteile für GWS 24-230 JBX | 1609244A78
Hersteller: BOSCH
Artikelnummer: EB-3601H64400-1609244A78
Netto: 116,63 € zzgl. MwSt.
zzgl. 6,90 € Versand (brutto)
einmalig pro Bestellung

Lieferzeit: 5 Werktage

Pos.
899
BOSCH Kabelbinder 250x13,8x2 | Ersatzteile für GWS 24-230 JBX | 1609203H18
Hersteller: BOSCH
Artikelnummer: EB-3601H64400-1609203H18
Netto: 5,65 € zzgl. MwSt.
zzgl. 6,90 € Versand (brutto)
einmalig pro Bestellung

Lieferzeit: 5 Werktage

Pos.
651
BOSCH Schutzhaube Ø230 MM | Ersatzteile für GWS 24-230 JBX | 1605510398
Hersteller: BOSCH
Artikelnummer: EB-3601H64400-1605510398
nur Informationsartikel
Nie mehr lieferbar
keine Alternativen
Pos.
802
BOSCH Polschuh | Ersatzteile für GWS 24-230 JBX | 160422057L
Hersteller: BOSCH
Artikelnummer: EB-3601H64400-160422057L
Netto: 111,10 € zzgl. MwSt.
zzgl. 6,90 € Versand (brutto)
einmalig pro Bestellung

Lieferzeit: 5 Werktage

Pos.
821
BOSCH Getriebegehäuse | Ersatzteile für GWS 24-230 JBX | 1607000C27
Hersteller: BOSCH
Artikelnummer: EB-3601H64400-1607000C27
Netto: 51,18 € zzgl. MwSt.
zzgl. 6,90 € Versand (brutto)
einmalig pro Bestellung

Lieferzeit: 5 Werktage

Pos.
822
BOSCH Lagerflansch | Ersatzteile für GWS 24-230 JBX | 1607000D8Y
Hersteller: BOSCH
Artikelnummer: EB-3601H64400-1607000D8Y
Nie mehr lieferbar
keine Alternativen
Pos.
826
BOSCH Kegelradsatz | Ersatzteile für GWS 24-230 JBX | 1607000C29
Hersteller: BOSCH
Artikelnummer: EB-3601H64400-1607000C29
Netto: 51,18 € zzgl. MwSt.
zzgl. 6,90 € Versand (brutto)
einmalig pro Bestellung

Lieferzeit: 5 Werktage

Pos.
835
BOSCH Lüfter | Ersatzteile für GWS 24-230 JBX | 1606610142
Hersteller: BOSCH
Artikelnummer: EB-3601H64400-1606610142
Netto: 5,65 € zzgl. MwSt.
zzgl. 6,90 € Versand (brutto)
einmalig pro Bestellung

Lieferzeit: 5 Werktage

Pos.
891
BOSCH Zusatzhandgriff | Ersatzteile für GWS 24-230 JBX | 16020250A1
Hersteller: BOSCH
Artikelnummer: EB-3601H64400-16020250A1
Netto: 12,50 € zzgl. MwSt.
zzgl. 6,90 € Versand (brutto)
einmalig pro Bestellung

Lieferzeit: 5 Werktage

Angaben zur Produktsicherheit

Hersteller:
Robert Bosch Power Tools GmbH
Postfach 30 02 20
70442 Stuttgart

E-Mail:
kontakt@bosch.de