BOSCH Aufnahmeflansch | Ersatzteile für GWS 25-230 J | 1605703099

Artikelnummer: EB-0601756878-1605703099

Position: 750/30

Marke: BOSCH


Bitte Kompatibilität prüfen!

Bitte prüfen Sie unbedingt die 10-stellige Typennummer Ihrer Maschine / Ihres Gerätes. Das Ersatzteil ist nur kompatibel, wenn Sie die Typennummer Ihrer Maschine in der unten stehenden Produktbeschreibung finden.

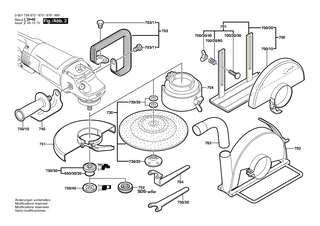
Bitte prüfen Sie ebenfalls detailliert die Explosionszeichnung mit Ihrem Artikelwunsch und der jeweiligen Pos-Nummer.

Alle Elemente, welche vom schwarzen Strich der Pos-Nummer ausgehend berührt / erfasst werden, gehören zu dieser Pos-Nummer und somit zu diesem Artikel. Jede Pos-Nummer ist ein eigenständiger Artikel, welchen Sie in der Auflistung finden.

Sie erhalten stets die aktuellste, neueste Produktversion zu der gewählten Pos-Nummer seitens des Herstellers. Es kann daher je nach Gerätealter vorkommen, dass Sie ggf. weitere, zugehörige Elemente, welche an diese Pos-Nummer grenzen, ebenfalls mittauschen müssen.

Nähere Informationen finden Sie unter dem Link
Hinweise zu Ihrer BOSCH Ersatzteilsuche

Preisübersicht

Einzelpreis: 13,26 €* (Brutto: 15,78 €)
Gesamtpreis: 13,26 €* 
Position:

Lieferzeit: 5 Werktage


Beschreibung

  • Aufnahmeflansch
  • Original Bosch Zubehör / BOSCH Ersatzteil (1605703099)
  • im Gerät verbaut: 1
Dieses BOSCH Ersatzteil ist mit folgendem Gerät und Modell kompatibel:
  • BOSCH Gerätename: GWS 25-230 J
  • BOSCH Explosionszeichnung: Position 750/30
  • BOSCH Typennummer: 0601756878
  • BOSCH Typennummer alternative Schreibweisen: 0 601 756 878, 0601 756 878, 0.601.756.878, 0-601-756-878
    Bitte prüfen Sie diese Typennummer auf Ihrem Gerät um die Kompatibilität des BOSCH Ersatzteils zu gewährleisten.
Weitere BOSCH Ersatzteile des Gerätes GWS 25-230 J (Winkelschleifer) mit der Typennummer 0601756878 finden Sie in der nachfolgenden Darstellung und im Dropdown zu Ihrer Auswahl:

Pos.
1
BOSCH Motorgehäuse BLAU | Ersatzteile für GWS 25-230 J | 1605108190
Hersteller: BOSCH
Artikelnummer: EB-0601756878-1605108190
Netto: 15,15 € zzgl. MwSt.
zzgl. 6,90 € Versand (brutto)
einmalig pro Bestellung

Lieferzeit: 5 Werktage

Pos.
2
BOSCH Polschuh | Ersatzteile für GWS 25-230 J | 160422051P
Hersteller: BOSCH
Artikelnummer: EB-0601756878-160422051P
Netto: 37,75 € zzgl. MwSt.
zzgl. 6,90 € Versand (brutto)
einmalig pro Bestellung

Lieferzeit: 5 Werktage

Pos.
2
BOSCH Polschuh 220-230V | Ersatzteile für GWS 25-230 J | 1604220382
Hersteller: BOSCH
Artikelnummer: EB-0601756878-1604220382
Netto: 46,22 € zzgl. MwSt.
zzgl. 6,90 € Versand (brutto)
einmalig pro Bestellung

Lieferzeit: 5 Werktage

Pos.
3/50
BOSCH Lüfter | Ersatzteile für GWS 25-230 J | 1606610142
Hersteller: BOSCH
Artikelnummer: EB-0601756878-1606610142
Netto: 5,65 € zzgl. MwSt.
zzgl. 6,90 € Versand (brutto)
einmalig pro Bestellung

Lieferzeit: 5 Werktage

Pos.
6
BOSCH Tülle Ø 10,5-Ø11,0x100 MM | Ersatzteile für GWS 25-230 J | 1600703023
Hersteller: BOSCH
Artikelnummer: EB-0601756878-1600703023
Netto: 4,56 € zzgl. MwSt.
zzgl. 6,90 € Versand (brutto)
einmalig pro Bestellung

Lieferzeit: 5 Werktage

Pos.
7
BOSCH Befestigungsschelle | Ersatzteile für GWS 25-230 J | 1601302018
Hersteller: BOSCH
Artikelnummer: EB-0601756878-1601302018
Netto: 3,94 € zzgl. MwSt.
zzgl. 6,90 € Versand (brutto)
einmalig pro Bestellung

Lieferzeit: 5 Werktage

Pos.
9
BOSCH Firmenschild | Ersatzteile für GWS 25-230 J | 1601118780
Hersteller: BOSCH
Artikelnummer: EB-0601756878-1601118780
Netto: 5,13 € zzgl. MwSt.
zzgl. 6,90 € Versand (brutto)
einmalig pro Bestellung

Lieferzeit: 5 Werktage

Pos.
13
BOSCH Rillenkugellager 8x22x7 | Ersatzteile für GWS 25-230 J | 1600905011
Hersteller: BOSCH
Artikelnummer: EB-0601756878-1600905011
Netto: 6,75 € zzgl. MwSt.
zzgl. 6,90 € Versand (brutto)
einmalig pro Bestellung

Lieferzeit: 5 Werktage

Pos.
23
BOSCH Verschlussdeckel | Ersatzteile für GWS 25-230 J | 1618B00802
Hersteller: BOSCH
Artikelnummer: EB-0601756878-1618B00802
Netto: 3,59 € zzgl. MwSt.
zzgl. 6,90 € Versand (brutto)
einmalig pro Bestellung

Lieferzeit: 5 Werktage

Pos.
23
BOSCH Verschlussdeckel BLAU | Ersatzteile für GWS 25-230 J | 1605500206
Hersteller: BOSCH
Artikelnummer: EB-0601756878-1605500206
nur Informationsartikel
Nie mehr lieferbar
keine Alternativen
Pos.
24
BOSCH Handgriff BLAU | Ersatzteile für GWS 25-230 J | 1605132130
Hersteller: BOSCH
Artikelnummer: EB-0601756878-1605132130
nur Informationsartikel
Nie mehr lieferbar
keine Alternativen
Pos.
25
BOSCH Schleifspindel | Ersatzteile für GWS 25-230 J | 160312305U
Hersteller: BOSCH
Artikelnummer: EB-0601756878-160312305U
Netto: 11,58 € zzgl. MwSt.
zzgl. 6,90 € Versand (brutto)
einmalig pro Bestellung

Lieferzeit: 5 Werktage

Pos.
25
BOSCH Schleifspindel M14, SW17 | Ersatzteile für GWS 25-230 J | 1603523113
Hersteller: BOSCH
Artikelnummer: EB-0601756878-1603523113
Netto: 10,27 € zzgl. MwSt.
zzgl. 6,90 € Versand (brutto)
einmalig pro Bestellung

Lieferzeit: 5 Werktage

Pos.
28
BOSCH O-Ring 79,0x1,78 MM | Ersatzteile für GWS 25-230 J | 1600210033
Hersteller: BOSCH
Artikelnummer: EB-0601756878-1600210033
Netto: 3,94 € zzgl. MwSt.
zzgl. 6,90 € Versand (brutto)
einmalig pro Bestellung

Lieferzeit: 5 Werktage

Pos.
29
BOSCH O-Ring 4,0x1,0 MM | Ersatzteile für GWS 25-230 J | 1600210034
Hersteller: BOSCH
Artikelnummer: EB-0601756878-1600210034
Netto: 3,94 € zzgl. MwSt.
zzgl. 6,90 € Versand (brutto)
einmalig pro Bestellung

Lieferzeit: 5 Werktage

Pos.
30
BOSCH Luftverteiler | Ersatzteile für GWS 25-230 J | 1600591029
Hersteller: BOSCH
Artikelnummer: EB-0601756878-1600591029
Netto: 4,56 € zzgl. MwSt.
zzgl. 6,90 € Versand (brutto)
einmalig pro Bestellung

Lieferzeit: 5 Werktage

Pos.
32
BOSCH Haltering | Ersatzteile für GWS 25-230 J | 1600290019
Hersteller: BOSCH
Artikelnummer: EB-0601756878-1600290019
Netto: 3,94 € zzgl. MwSt.
zzgl. 6,90 € Versand (brutto)
einmalig pro Bestellung

Lieferzeit: 5 Werktage

Pos.
33
BOSCH Radial-Wellendichtring 16 MM BLAU | Ersatzteile für GWS 25-230 J | 1600290064
Hersteller: BOSCH
Artikelnummer: EB-0601756878-1600290064
Netto: 4,36 € zzgl. MwSt.
zzgl. 6,90 € Versand (brutto)
einmalig pro Bestellung

Lieferzeit: 5 Werktage

Pos.
33
BOSCH Radial-Wellendichtring 18,7 MM ROT | Ersatzteile für GWS 25-230 J | 1600290013
Hersteller: BOSCH
Artikelnummer: EB-0601756878-1600290013
Netto: 4,56 € zzgl. MwSt.
zzgl. 6,90 € Versand (brutto)
einmalig pro Bestellung

Lieferzeit: 5 Werktage

Pos.
34
BOSCH Ausgleichscheibe 0,1 MM DICK | Ersatzteile für GWS 25-230 J | 1600190022
Hersteller: BOSCH
Artikelnummer: EB-0601756878-1600190022
Netto: 3,94 € zzgl. MwSt.
zzgl. 6,90 € Versand (brutto)
einmalig pro Bestellung

Lieferzeit: 5 Werktage

Pos.
34
BOSCH Ausgleichscheibe 0,15 MM DICK | Ersatzteile für GWS 25-230 J | 1600190020
Hersteller: BOSCH
Artikelnummer: EB-0601756878-1600190020
Netto: 3,94 € zzgl. MwSt.
zzgl. 6,90 € Versand (brutto)
einmalig pro Bestellung

Lieferzeit: 5 Werktage

Pos.
34
BOSCH Ausgleichscheibe 0,3 MM DICK | Ersatzteile für GWS 25-230 J | 1600190021
Hersteller: BOSCH
Artikelnummer: EB-0601756878-1600190021
Netto: 4,56 € zzgl. MwSt.
zzgl. 6,90 € Versand (brutto)
einmalig pro Bestellung

Lieferzeit: 5 Werktage

Pos.
35
BOSCH Filzring | Ersatzteile für GWS 25-230 J | 1600205034
Hersteller: BOSCH
Artikelnummer: EB-0601756878-1600205034
Netto: 3,94 € zzgl. MwSt.
zzgl. 6,90 € Versand (brutto)
einmalig pro Bestellung

Lieferzeit: 5 Werktage

Pos.
37
BOSCH Dichtring SCHWARZ | Ersatzteile für GWS 25-230 J | 1600290036
Hersteller: BOSCH
Artikelnummer: EB-0601756878-1600290036
Netto: 4,36 € zzgl. MwSt.
zzgl. 6,90 € Versand (brutto)
einmalig pro Bestellung

Lieferzeit: 5 Werktage

Pos.
38
BOSCH Gummiring 7 MM BREIT | Ersatzteile für GWS 25-230 J | 1600206020
Hersteller: BOSCH
Artikelnummer: EB-0601756878-1600206020
Netto: 3,94 € zzgl. MwSt.
zzgl. 6,90 € Versand (brutto)
einmalig pro Bestellung

Lieferzeit: 5 Werktage

Pos.
39
BOSCH Gummiring | Ersatzteile für GWS 25-230 J | 1600206030
Hersteller: BOSCH
Artikelnummer: EB-0601756878-1600206030
Netto: 3,94 € zzgl. MwSt.
zzgl. 6,90 € Versand (brutto)
einmalig pro Bestellung

Lieferzeit: 5 Werktage

Pos.
45
BOSCH Sechskantmutter M10, SW14 | Ersatzteile für GWS 25-230 J | 1603300019
Hersteller: BOSCH
Artikelnummer: EB-0601756878-1603300019
Netto: 3,94 € zzgl. MwSt.
zzgl. 6,90 € Versand (brutto)
einmalig pro Bestellung

Lieferzeit: 5 Werktage

Pos.
51
BOSCH Gleitlager Ø14 MM | Ersatzteile für GWS 25-230 J | 1600200031
Hersteller: BOSCH
Artikelnummer: EB-0601756878-1600200031
Netto: 4,80 € zzgl. MwSt.
zzgl. 6,90 € Versand (brutto)
einmalig pro Bestellung

Lieferzeit: 5 Werktage

Pos.
53
BOSCH Steckhülsengehäuse | Ersatzteile für GWS 25-230 J | 1605190068
Hersteller: BOSCH
Artikelnummer: EB-0601756878-1605190068
Netto: 3,60 € zzgl. MwSt.
zzgl. 6,90 € Versand (brutto)
einmalig pro Bestellung

Lieferzeit: 5 Werktage

Pos.
31
BOSCH Luftleitring | Ersatzteile für GWS 25-230 J | 1600591028
Hersteller: BOSCH
Artikelnummer: EB-0601756878-1600591028
nur Informationsartikel
Nie mehr lieferbar
keine Alternativen
Pos.
54
BOSCH Drahtwiderstand | Ersatzteile für GWS 25-230 J | 1604503015
Hersteller: BOSCH
Artikelnummer: EB-0601756878-1604503015
nur Informationsartikel
Nie mehr lieferbar
keine Alternativen
Pos.
60
BOSCH Gewindefurchschraube TT M5x18 MM | Ersatzteile für GWS 25-230 J | 1603435023
Hersteller: BOSCH
Artikelnummer: EB-0601756878-1603435023
Netto: 4,36 € zzgl. MwSt.
zzgl. 6,90 € Versand (brutto)
einmalig pro Bestellung

Lieferzeit: 5 Werktage

Pos.
61
BOSCH Blechschraube DIN 7981-4,8x38-C-Z-ST | Ersatzteile für GWS 25-230 J | 2912401038
Hersteller: BOSCH
Artikelnummer: EB-0601756878-2912401038
Netto: 3,60 € zzgl. MwSt.
zzgl. 6,90 € Versand (brutto)
einmalig pro Bestellung

Lieferzeit: 5 Werktage

Pos.
63
BOSCH Flachkopfschraube M4x10 MM | Ersatzteile für GWS 25-230 J | 1603410014
Hersteller: BOSCH
Artikelnummer: EB-0601756878-1603410014
Netto: 3,94 € zzgl. MwSt.
zzgl. 6,90 € Versand (brutto)
einmalig pro Bestellung

Lieferzeit: 5 Werktage

Pos.
64
BOSCH Gewindeschneidschraube St3,9x12 | Ersatzteile für GWS 25-230 J | 1603435042
Hersteller: BOSCH
Artikelnummer: EB-0601756878-1603435042
Netto: 3,94 € zzgl. MwSt.
zzgl. 6,90 € Versand (brutto)
einmalig pro Bestellung

Lieferzeit: 5 Werktage

Pos.
65
BOSCH Blechschraube DIN 7981-3,9x19-C-Z-ST | Ersatzteile für GWS 25-230 J | 2912401020
Hersteller: BOSCH
Artikelnummer: EB-0601756878-2912401020
Netto: 4,36 € zzgl. MwSt.
zzgl. 6,90 € Versand (brutto)
einmalig pro Bestellung

Lieferzeit: 5 Werktage

Pos.
66
BOSCH Blechschraube DIN 7971-ST3,9x16-F | Ersatzteile für GWS 25-230 J | 2910211019
Hersteller: BOSCH
Artikelnummer: EB-0601756878-2910211019
Netto: 3,60 € zzgl. MwSt.
zzgl. 6,90 € Versand (brutto)
einmalig pro Bestellung

Lieferzeit: 5 Werktage

Pos.
68
BOSCH Dichtplatte | Ersatzteile für GWS 25-230 J | 1601006011
Hersteller: BOSCH
Artikelnummer: EB-0601756878-1601006011
Netto: 4,56 € zzgl. MwSt.
zzgl. 6,90 € Versand (brutto)
einmalig pro Bestellung

Lieferzeit: 5 Werktage

Pos.
101
BOSCH Rastschieber | Ersatzteile für GWS 25-230 J | 1601990004
Hersteller: BOSCH
Artikelnummer: EB-0601756878-1601990004
Netto: 4,56 € zzgl. MwSt.
zzgl. 6,90 € Versand (brutto)
einmalig pro Bestellung

Lieferzeit: 5 Werktage

Pos.
102
BOSCH Druckfeder | Ersatzteile für GWS 25-230 J | 1604616022
Hersteller: BOSCH
Artikelnummer: EB-0601756878-1604616022
Netto: 3,94 € zzgl. MwSt.
zzgl. 6,90 € Versand (brutto)
einmalig pro Bestellung

Lieferzeit: 5 Werktage

Pos.
103
BOSCH Kabelführung | Ersatzteile für GWS 25-230 J | 1602388035
Hersteller: BOSCH
Artikelnummer: EB-0601756878-1602388035
Netto: 3,94 € zzgl. MwSt.
zzgl. 6,90 € Versand (brutto)
einmalig pro Bestellung

Lieferzeit: 5 Werktage

Pos.
650/30/20
BOSCH O-Ring 20,35x1,78 MM | Ersatzteile für GWS 25-230 J | 1600210039
Hersteller: BOSCH
Artikelnummer: EB-0601756878-1600210039
Netto: 4,36 € zzgl. MwSt.
zzgl. 6,90 € Versand (brutto)
einmalig pro Bestellung

Lieferzeit: 5 Werktage

Pos.
700
BOSCH Teilesatz | Ersatzteile für GWS 25-230 J | 1607000251
Hersteller: BOSCH
Artikelnummer: EB-0601756878-1607000251
nur Informationsartikel
Nie mehr lieferbar
keine Alternativen
Pos.
700/20
BOSCH Führungsschlitten | Ersatzteile für GWS 25-230 J | 1608135003
Hersteller: BOSCH
Artikelnummer: EB-0601756878-1608135003
nur Informationsartikel
Nie mehr lieferbar
keine Alternativen
Pos.
700/20/30
BOSCH Flachrundschraube | Ersatzteile für GWS 25-230 J | 2910281244
Hersteller: BOSCH
Artikelnummer: EB-0601756878-2910281244
nur Informationsartikel
Nie mehr lieferbar
keine Alternativen
Pos.
700/20/40
BOSCH Flügelmutter DIN 315-M8-GT-C | Ersatzteile für GWS 25-230 J | 2915191007
Hersteller: BOSCH
Artikelnummer: EB-0601756878-2915191007
Netto: 5,17 € zzgl. MwSt.
zzgl. 6,90 € Versand (brutto)
einmalig pro Bestellung

Lieferzeit: 5 Werktage

Pos.
700/20/60
BOSCH Druckfeder | Ersatzteile für GWS 25-230 J | 1604643003
Hersteller: BOSCH
Artikelnummer: EB-0601756878-1604643003
Netto: 7,26 € zzgl. MwSt.
zzgl. 6,90 € Versand (brutto)
einmalig pro Bestellung

Lieferzeit: 5 Werktage

Pos.
702
BOSCH Schutzhaube | Ersatzteile für GWS 25-230 J | 1605510180
Hersteller: BOSCH
Artikelnummer: EB-0601756878-1605510180
Netto: 145,13 € zzgl. MwSt.
zzgl. 6,90 € Versand (brutto)
einmalig pro Bestellung

Lieferzeit: 5 Werktage

Pos.
703
BOSCH Bügelgriff | Ersatzteile für GWS 25-230 J | 1607000247
Hersteller: BOSCH
Artikelnummer: EB-0601756878-1607000247
Netto: 65,49 € zzgl. MwSt.
zzgl. 6,90 € Versand (brutto)
einmalig pro Bestellung

Lieferzeit: 5 Werktage

Pos.
703/11
BOSCH Sechskantschraube M14x16x1,5 MM | Ersatzteile für GWS 25-230 J | 2603450007
Hersteller: BOSCH
Artikelnummer: EB-0601756878-2603450007
Netto: 6,75 € zzgl. MwSt.
zzgl. 6,90 € Versand (brutto)
einmalig pro Bestellung

Lieferzeit: 5 Werktage

Pos.
704
BOSCH Schutzhaube | Ersatzteile für GWS 25-230 J | 1605510181
Hersteller: BOSCH
Artikelnummer: EB-0601756878-1605510181
Netto: 104,48 € zzgl. MwSt.
zzgl. 6,90 € Versand (brutto)
einmalig pro Bestellung

Lieferzeit: 5 Werktage

Pos.
730
BOSCH Stützteller | Ersatzteile für GWS 25-230 J | 1608601007
Hersteller: BOSCH
Artikelnummer: EB-0601756878-1608601007
nur Informationsartikel
Nie mehr lieferbar
keine Alternativen
Pos.
730/20
BOSCH Kreuzlochmutter | Ersatzteile für GWS 25-230 J | 1603345004
Hersteller: BOSCH
Artikelnummer: EB-0601756878-1603345004
Netto: 12,09 € zzgl. MwSt.
zzgl. 6,90 € Versand (brutto)
einmalig pro Bestellung

Lieferzeit: 5 Werktage

Pos.
730/30
BOSCH Unterlegscheibe DIN 125-A15-ST | Ersatzteile für GWS 25-230 J | 2916011022
Hersteller: BOSCH
Artikelnummer: EB-0601756878-2916011022
Netto: 3,94 € zzgl. MwSt.
zzgl. 6,90 € Versand (brutto)
einmalig pro Bestellung

Lieferzeit: 5 Werktage

Pos.
740
BOSCH Schutzbügel | Ersatzteile für GWS 25-230 J | 1601329013
Hersteller: BOSCH
Artikelnummer: EB-0601756878-1601329013
Netto: 17,49 € zzgl. MwSt.
zzgl. 6,90 € Versand (brutto)
einmalig pro Bestellung

Lieferzeit: 5 Werktage

Pos.
750/10
BOSCH Zusatzhandgriff | Ersatzteile für GWS 25-230 J | 2602025075
Hersteller: BOSCH
Artikelnummer: EB-0601756878-2602025075
Netto: 15,34 € zzgl. MwSt.
zzgl. 6,90 € Versand (brutto)
einmalig pro Bestellung

Lieferzeit: 5 Werktage

Pos.
750/20
BOSCH Zweilochmutterndreher | Ersatzteile für GWS 25-230 J | 1607950048
Hersteller: BOSCH
Artikelnummer: EB-0601756878-1607950048
Netto: 9,84 € zzgl. MwSt.
zzgl. 6,90 € Versand (brutto)
einmalig pro Bestellung

Lieferzeit: 5 Werktage

Pos.
750/30
BOSCH Aufnahmeflansch | Ersatzteile für GWS 25-230 J | 1605703099
Hersteller: BOSCH
Artikelnummer: EB-0601756878-1605703099
Netto: 13,26 € zzgl. MwSt.
zzgl. 6,90 € Versand (brutto)
einmalig pro Bestellung

Lieferzeit: 5 Werktage

Pos.
750/40
BOSCH Spannmutter | Ersatzteile für GWS 25-230 J | 1603340040
Hersteller: BOSCH
Artikelnummer: EB-0601756878-1603340040
Netto: 13,26 € zzgl. MwSt.
zzgl. 6,90 € Versand (brutto)
einmalig pro Bestellung

Lieferzeit: 5 Werktage

Pos.
751
BOSCH Schutzhaube | Ersatzteile für GWS 25-230 J | 1605510223
Hersteller: BOSCH
Artikelnummer: EB-0601756878-1605510223
nur Informationsartikel
Nie mehr lieferbar
keine Alternativen
Pos.
752
BOSCH Schnellspannmutter M14, SDS-CLIC | Ersatzteile für GWS 25-230 J | 1600A016PP
Hersteller: BOSCH
Artikelnummer: EB-0601756878-1600A016PP
Netto: 35,13 € zzgl. MwSt.
zzgl. 6,90 € Versand (brutto)
einmalig pro Bestellung

Lieferzeit: 5 Werktage

Pos.
763
BOSCH Saugkrümmer | Ersatzteile für GWS 25-230 J | 1600793007
Hersteller: BOSCH
Artikelnummer: EB-0601756878-1600793007
Netto: 38,87 € zzgl. MwSt.
zzgl. 6,90 € Versand (brutto)
einmalig pro Bestellung

Lieferzeit: 5 Werktage

Pos.
764
BOSCH Zweilochmutterndreher | Ersatzteile für GWS 25-230 J | 1607950004
Hersteller: BOSCH
Artikelnummer: EB-0601756878-1607950004
Netto: 13,26 € zzgl. MwSt.
zzgl. 6,90 € Versand (brutto)
einmalig pro Bestellung

Lieferzeit: 5 Werktage

Pos.
803
BOSCH Anker 220-230V | Ersatzteile für GWS 25-230 J | 1604011182
Hersteller: BOSCH
Artikelnummer: EB-0601756878-1604011182
Netto: 111,79 € zzgl. MwSt.
zzgl. 6,90 € Versand (brutto)
einmalig pro Bestellung

Lieferzeit: 5 Werktage

Pos.
804
BOSCH Schalter GRAU | Ersatzteile für GWS 25-230 J | 1607000970
Hersteller: BOSCH
Artikelnummer: EB-0601756878-1607000970
Netto: 35,13 € zzgl. MwSt.
zzgl. 6,90 € Versand (brutto)
einmalig pro Bestellung

Lieferzeit: 5 Werktage

Pos.
805
BOSCH Netzanschlussleitung EU 4,15m 2 x 1,5mm H07 RN-F | Ersatzteile für GWS 25-230 J | 1607000228
Hersteller: BOSCH
Artikelnummer: EB-0601756878-1607000228
Netto: 20,80 € zzgl. MwSt.
zzgl. 6,90 € Versand (brutto)
einmalig pro Bestellung

Lieferzeit: 5 Werktage

Pos.
808
BOSCH Typschild | Ersatzteile für GWS 25-230 J | 160111A3H3
Hersteller: BOSCH
Artikelnummer: EB-0601756878-160111A3H3
Netto: 4,56 € zzgl. MwSt.
zzgl. 6,90 € Versand (brutto)
einmalig pro Bestellung

Lieferzeit: 5 Werktage

Pos.
808
BOSCH Typschild 26x52 MM | Ersatzteile für GWS 25-230 J | 1601106032
Hersteller: BOSCH
Artikelnummer: EB-0601756878-1601106032
nur Informationsartikel
Nie mehr lieferbar
keine Alternativen
Pos.
810
BOSCH Kohlebürstensatz | Ersatzteile für GWS 25-230 J | 1607014171
Hersteller: BOSCH
Artikelnummer: EB-0601756878-1607014171
Netto: 12,50 € zzgl. MwSt.
zzgl. 6,90 € Versand (brutto)
einmalig pro Bestellung

Lieferzeit: 5 Werktage

Pos.
814
BOSCH Rillenkugellager 10x35x11 | Ersatzteile für GWS 25-230 J | 1600905023
Hersteller: BOSCH
Artikelnummer: EB-0601756878-1600905023
Netto: 10,62 € zzgl. MwSt.
zzgl. 6,90 € Versand (brutto)
einmalig pro Bestellung

Lieferzeit: 5 Werktage

Pos.
816
BOSCH Bürstenhalter | Ersatzteile für GWS 25-230 J | 1604336048
Hersteller: BOSCH
Artikelnummer: EB-0601756878-1604336048
Netto: 7,66 € zzgl. MwSt.
zzgl. 6,90 € Versand (brutto)
einmalig pro Bestellung

Lieferzeit: 5 Werktage

Pos.
821
BOSCH Getriebegehäuse | Ersatzteile für GWS 25-230 J | 1607000968
Hersteller: BOSCH
Artikelnummer: EB-0601756878-1607000968
nur Informationsartikel
Nie mehr lieferbar
keine Alternativen
Pos.
822
BOSCH Lagerflansch Ø230 MM | Ersatzteile für GWS 25-230 J | 1607000922
Hersteller: BOSCH
Artikelnummer: EB-0601756878-1607000922
Netto: 23,72 € zzgl. MwSt.
zzgl. 6,90 € Versand (brutto)
einmalig pro Bestellung

Lieferzeit: 5 Werktage

Pos.
826
BOSCH Ersatzteilgruppe | Ersatzteile für GWS 25-230 J | 1600A005BH
Hersteller: BOSCH
Artikelnummer: EB-0601756878-1600A005BH
Netto: 38,40 € zzgl. MwSt.
zzgl. 6,90 € Versand (brutto)
einmalig pro Bestellung

Lieferzeit: 5 Werktage

Pos.
840
BOSCH Druckknopf SCHWARZ | Ersatzteile für GWS 25-230 J | 1607000206
Hersteller: BOSCH
Artikelnummer: EB-0601756878-1607000206
Netto: 9,75 € zzgl. MwSt.
zzgl. 6,90 € Versand (brutto)
einmalig pro Bestellung

Lieferzeit: 5 Werktage

Pos.
846
BOSCH Haltescheibe | Ersatzteile für GWS 25-230 J | 1607000C3E
Hersteller: BOSCH
Artikelnummer: EB-0601756878-1607000C3E
Netto: 10,62 € zzgl. MwSt.
zzgl. 6,90 € Versand (brutto)
einmalig pro Bestellung

Lieferzeit: 5 Werktage

Pos.
851
BOSCH Nadelhülse Ø14 MM | Ersatzteile für GWS 25-230 J | 2600910001
Hersteller: BOSCH
Artikelnummer: EB-0601756878-2600910001
Netto: 5,65 € zzgl. MwSt.
zzgl. 6,90 € Versand (brutto)
einmalig pro Bestellung

Lieferzeit: 5 Werktage

Angaben zur Produktsicherheit

Hersteller:
Robert Bosch Power Tools GmbH
Postfach 30 02 20
70442 Stuttgart

E-Mail:
kontakt@bosch.de