BOSCH Getriebegehäuse | Ersatzteile für GWS 7-115 | 1605806480

Artikelnummer: EB-0601347150-1605806480

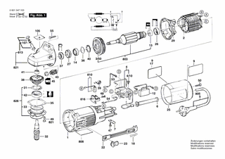
Position: 821

Marke: BOSCH


Bitte Kompatibilität prüfen!

Bitte prüfen Sie unbedingt die 10-stellige Typennummer Ihrer Maschine / Ihres Gerätes. Das Ersatzteil ist nur kompatibel, wenn Sie die Typennummer Ihrer Maschine in der unten stehenden Produktbeschreibung finden.

Bitte prüfen Sie ebenfalls detailliert die Explosionszeichnung mit Ihrem Artikelwunsch und der jeweiligen Pos-Nummer.

Alle Elemente, welche vom schwarzen Strich der Pos-Nummer ausgehend berührt / erfasst werden, gehören zu dieser Pos-Nummer und somit zu diesem Artikel. Jede Pos-Nummer ist ein eigenständiger Artikel, welchen Sie in der Auflistung finden.

Sie erhalten stets die aktuellste, neueste Produktversion zu der gewählten Pos-Nummer seitens des Herstellers. Es kann daher je nach Gerätealter vorkommen, dass Sie ggf. weitere, zugehörige Elemente, welche an diese Pos-Nummer grenzen, ebenfalls mittauschen müssen.

Nähere Informationen finden Sie unter dem Link
Hinweise zu Ihrer BOSCH Ersatzteilsuche

Preisübersicht

Einzelpreis: 42,86 €* (Brutto: 51,00 €)
Gesamtpreis: 42,86 €* 
Position:

Lieferzeit: 5 Werktage


Beschreibung

  • Getriebegehäuse
  • Original Bosch Zubehör / BOSCH Ersatzteil (1605806480)
  • im Gerät verbaut: 1
Dieses BOSCH Ersatzteil ist mit folgendem Gerät und Modell kompatibel:
  • BOSCH Gerätename: GWS 7-115
  • BOSCH Explosionszeichnung: Position 821
  • BOSCH Typennummer: 0601347150
  • BOSCH Typennummer alternative Schreibweisen: 0 601 347 150, 0601 347 150, 0.601.347.150, 0-601-347-150
    Bitte prüfen Sie diese Typennummer auf Ihrem Gerät um die Kompatibilität des BOSCH Ersatzteils zu gewährleisten.
Weitere BOSCH Ersatzteile des Gerätes GWS 7-115 (Winkelschleifer) mit der Typennummer 0601347150 finden Sie in der nachfolgenden Darstellung und im Dropdown zu Ihrer Auswahl:

Pos.
1
BOSCH Motorgehäuse | Ersatzteile für GWS 7-115 | 16051082CC
Hersteller: BOSCH
Artikelnummer: EB-0601347150-16051082CC
Netto: 11,92 € zzgl. MwSt.
zzgl. 6,90 € Versand (brutto)
einmalig pro Bestellung

Lieferzeit: 5 Werktage

Pos.
3/50
BOSCH Lüfter | Ersatzteile für GWS 7-115 | 1606610121
Hersteller: BOSCH
Artikelnummer: EB-0601347150-1606610121
Netto: 3,94 € zzgl. MwSt.
zzgl. 6,90 € Versand (brutto)
einmalig pro Bestellung

Lieferzeit: 5 Werktage

Pos.
4/10
BOSCH Flachkopfschraube DIN 85-AM3x6-CUZN | Ersatzteile für GWS 7-115 | 2910110048
Hersteller: BOSCH
Artikelnummer: EB-0601347150-2910110048
Netto: 3,63 € zzgl. MwSt.
zzgl. 6,90 € Versand (brutto)
einmalig pro Bestellung

Lieferzeit: 5 Werktage

Pos.
650/10
BOSCH Zusatzhandgriff | Ersatzteile für 601347150 | 1619P16111
Hersteller: BOSCH
Artikelnummer: EB-0601347150-1619P16111
Netto: 4,82 € zzgl. MwSt.
zzgl. 6,90 € Versand (brutto)
einmalig pro Bestellung

Lieferzeit: 27 Werktage

Pos.
650/10
BOSCH Zusatzhandgriff M10, Ø32,5x105 MM | Ersatzteile für GWS 7-115 | 2602025067
Hersteller: BOSCH
Artikelnummer: EB-0601347150-2602025067
nur Informationsartikel
Nie mehr lieferbar
keine Alternativen
Pos.
650/20
BOSCH Rundmutter M14 | Ersatzteile für GWS 7-115 | 1603345043
Hersteller: BOSCH
Artikelnummer: EB-0601347150-1603345043
Netto: 8,33 € zzgl. MwSt.
zzgl. 6,90 € Versand (brutto)
einmalig pro Bestellung

Lieferzeit: 5 Werktage

Pos.
650/30
BOSCH Zweilochmutterndreher | Ersatzteile für GWS 7-115 | 1607950052
Hersteller: BOSCH
Artikelnummer: EB-0601347150-1607950052
Netto: 5,19 € zzgl. MwSt.
zzgl. 6,90 € Versand (brutto)
einmalig pro Bestellung

Lieferzeit: 5 Werktage

Pos.
650/50
BOSCH Aufspannflansch Ø22,3xØ42 MM | Ersatzteile für GWS 7-115 | 2605703014
Hersteller: BOSCH
Artikelnummer: EB-0601347150-2605703014
nur Informationsartikel
Nie mehr lieferbar
keine Alternativen
Pos.
650/50/20
BOSCH O-Ring 20,35x1,78 MM | Ersatzteile für GWS 7-115 | 1600210039
Hersteller: BOSCH
Artikelnummer: EB-0601347150-1600210039
Netto: 4,32 € zzgl. MwSt.
zzgl. 6,90 € Versand (brutto)
einmalig pro Bestellung

Lieferzeit: 5 Werktage

Pos.
650/60
BOSCH Innensechskantschlüssel 5 MM | Ersatzteile für GWS 7-115 | 2610364015
Hersteller: BOSCH
Artikelnummer: EB-0601347150-2610364015
Netto: 5,19 € zzgl. MwSt.
zzgl. 6,90 € Versand (brutto)
einmalig pro Bestellung

Lieferzeit: 5 Werktage

Pos.
652/20
BOSCH Innensechskantschraube DIN 912-M6x16-8.8 | Ersatzteile für GWS 7-115 | 2910141197
Hersteller: BOSCH
Artikelnummer: EB-0601347150-2910141197
Netto: 3,63 € zzgl. MwSt.
zzgl. 6,90 € Versand (brutto)
einmalig pro Bestellung

Lieferzeit: 5 Werktage

Pos.
652/20
BOSCH Zylinderschraube DIN 84-M 6x16-8.8 | Ersatzteile für GWS 7-115 | 2910022197
Hersteller: BOSCH
Artikelnummer: EB-0601347150-2910022197
nur Informationsartikel
Nie mehr lieferbar
keine Alternativen
Pos.
2
BOSCH Polschuh 220-230V | Ersatzteile für GWS 7-115 | 1604220272
Hersteller: BOSCH
Artikelnummer: EB-0601347150-1604220272
nur Informationsartikel
Nie mehr lieferbar
keine Alternativen
Pos.
4
BOSCH Ein/Aus-Schalter | Ersatzteile für GWS 7-115 | 1607200086
Hersteller: BOSCH
Artikelnummer: EB-0601347150-1607200086
Netto: 9,95 € zzgl. MwSt.
zzgl. 6,90 € Versand (brutto)
einmalig pro Bestellung

Lieferzeit: 5 Werktage

Pos.
5
BOSCH Netzanschlussleitung I 2,65m 2 x 1,0mm H05VV-F | Ersatzteile für GWS 7-115 | 1604460152
Hersteller: BOSCH
Artikelnummer: EB-0601347150-1604460152
nur Informationsartikel
Nie mehr lieferbar
keine Alternativen
Pos.
6
BOSCH Tülle Ø6,5-Ø6,9x95 MM | Ersatzteile für GWS 7-115 | 2600703012
Hersteller: BOSCH
Artikelnummer: EB-0601347150-2600703012
Netto: 4,82 € zzgl. MwSt.
zzgl. 6,90 € Versand (brutto)
einmalig pro Bestellung

Lieferzeit: 5 Werktage

Pos.
7
BOSCH Befestigungsschelle | Ersatzteile für GWS 7-115 | 1601302017
Hersteller: BOSCH
Artikelnummer: EB-0601347150-1601302017
Netto: 3,63 € zzgl. MwSt.
zzgl. 6,90 € Versand (brutto)
einmalig pro Bestellung

Lieferzeit: 5 Werktage

Pos.
9
BOSCH Firmenschild | Ersatzteile für GWS 7-115 | 1601110782
Hersteller: BOSCH
Artikelnummer: EB-0601347150-1601110782
Netto: 4,32 € zzgl. MwSt.
zzgl. 6,90 € Versand (brutto)
einmalig pro Bestellung

Lieferzeit: 5 Werktage

Pos.
12
BOSCH Entstörfilter | Ersatzteile für GWS 7-115 | 1607328029
Hersteller: BOSCH
Artikelnummer: EB-0601347150-1607328029
nur Informationsartikel
Nie mehr lieferbar
keine Alternativen
Pos.
13
BOSCH Kugellager 7x19x6 | Ersatzteile für GWS 7-115 | 2600905032
Hersteller: BOSCH
Artikelnummer: EB-0601347150-2600905032
Netto: 6,15 € zzgl. MwSt.
zzgl. 6,90 € Versand (brutto)
einmalig pro Bestellung

Lieferzeit: 21 Werktage

Pos.
14
BOSCH Rillenkugellager 8x22x7 | Ersatzteile für GWS 7-115 | 1600905011
Hersteller: BOSCH
Artikelnummer: EB-0601347150-1600905011
Netto: 6,70 € zzgl. MwSt.
zzgl. 6,90 € Versand (brutto)
einmalig pro Bestellung

Lieferzeit: 5 Werktage

Pos.
17
BOSCH Firmenschild | Ersatzteile für GWS 7-115 | 1601110783
Hersteller: BOSCH
Artikelnummer: EB-0601347150-1601110783
nur Informationsartikel
Nie mehr lieferbar
keine Alternativen
Pos.
18
BOSCH Druckfeder | Ersatzteile für GWS 7-115 | 1604611026
Hersteller: BOSCH
Artikelnummer: EB-0601347150-1604611026
Netto: 3,63 € zzgl. MwSt.
zzgl. 6,90 € Versand (brutto)
einmalig pro Bestellung

Lieferzeit: 21 Werktage

Pos.
22
BOSCH Verstellschieber | Ersatzteile für GWS 7-115 | 1602319002
Hersteller: BOSCH
Artikelnummer: EB-0601347150-1602319002
Netto: 4,53 € zzgl. MwSt.
zzgl. 6,90 € Versand (brutto)
einmalig pro Bestellung

Lieferzeit: 5 Werktage

Pos.
23
BOSCH Schaltergriff SCHWARZ | Ersatzteile für GWS 7-115 | 1602026057
Hersteller: BOSCH
Artikelnummer: EB-0601347150-1602026057
Netto: 3,94 € zzgl. MwSt.
zzgl. 6,90 € Versand (brutto)
einmalig pro Bestellung

Lieferzeit: 5 Werktage

Pos.
25
BOSCH Gehäusedeckel BLAU | Ersatzteile für GWS 7-115 | 1600508010
Hersteller: BOSCH
Artikelnummer: EB-0601347150-1600508010
Netto: 7,76 € zzgl. MwSt.
zzgl. 6,90 € Versand (brutto)
einmalig pro Bestellung

Lieferzeit: 5 Werktage

Pos.
26
BOSCH Gummibuchse | Ersatzteile für GWS 7-115 | 1600502020
Hersteller: BOSCH
Artikelnummer: EB-0601347150-1600502020
Netto: 4,53 € zzgl. MwSt.
zzgl. 6,90 € Versand (brutto)
einmalig pro Bestellung

Lieferzeit: 5 Werktage

Pos.
27
BOSCH Gummiring | Ersatzteile für GWS 7-115 | 1600206025
Hersteller: BOSCH
Artikelnummer: EB-0601347150-1600206025
Netto: 4,32 € zzgl. MwSt.
zzgl. 6,90 € Versand (brutto)
einmalig pro Bestellung

Lieferzeit: 5 Werktage

Pos.
29
BOSCH Luftleitring | Ersatzteile für GWS 7-115 | 1601328005
Hersteller: BOSCH
Artikelnummer: EB-0601347150-1601328005
Netto: 4,53 € zzgl. MwSt.
zzgl. 6,90 € Versand (brutto)
einmalig pro Bestellung

Lieferzeit: 5 Werktage

Pos.
31
BOSCH Sicherungsbügel DIN 472-32x1,2 MM | Ersatzteile für GWS 7-115 | 2916660013
Hersteller: BOSCH
Artikelnummer: EB-0601347150-2916660013
Netto: 4,32 € zzgl. MwSt.
zzgl. 6,90 € Versand (brutto)
einmalig pro Bestellung

Lieferzeit: 5 Werktage

Pos.
32
BOSCH Schleifspindel | Ersatzteile für GWS 7-115 | 1607000D6A
Hersteller: BOSCH
Artikelnummer: EB-0601347150-1607000D6A
Netto: 7,76 € zzgl. MwSt.
zzgl. 6,90 € Versand (brutto)
einmalig pro Bestellung

Lieferzeit: 5 Werktage

Pos.
33
BOSCH O-Ring 46,0x1,1 MM ROT | Ersatzteile für GWS 7-115 | 3600210124
Hersteller: BOSCH
Artikelnummer: EB-0601347150-3600210124
Netto: 4,82 € zzgl. MwSt.
zzgl. 6,90 € Versand (brutto)
einmalig pro Bestellung

Lieferzeit: 5 Werktage

Pos.
35
BOSCH Ausgleichscheibe 0,1 MM DICK | Ersatzteile für GWS 7-115 | 1600136012
Hersteller: BOSCH
Artikelnummer: EB-0601347150-1600136012
Netto: 3,63 € zzgl. MwSt.
zzgl. 6,90 € Versand (brutto)
einmalig pro Bestellung

Lieferzeit: 5 Werktage

Pos.
35
BOSCH Ausgleichscheibe 0,2 MM DICK | Ersatzteile für GWS 7-115 | 1600136010
Hersteller: BOSCH
Artikelnummer: EB-0601347150-1600136010
Netto: 4,53 € zzgl. MwSt.
zzgl. 6,90 € Versand (brutto)
einmalig pro Bestellung

Lieferzeit: 5 Werktage

Pos.
35
BOSCH Ausgleichscheibe 0,3 MM DICK | Ersatzteile für GWS 7-115 | 1600136011
Hersteller: BOSCH
Artikelnummer: EB-0601347150-1600136011
Netto: 4,32 € zzgl. MwSt.
zzgl. 6,90 € Versand (brutto)
einmalig pro Bestellung

Lieferzeit: 5 Werktage

Pos.
36
BOSCH Federscheibe | Ersatzteile für GWS 7-115 | 1600150011
Hersteller: BOSCH
Artikelnummer: EB-0601347150-1600150011
Netto: 3,63 € zzgl. MwSt.
zzgl. 6,90 € Versand (brutto)
einmalig pro Bestellung

Lieferzeit: 5 Werktage

Pos.
37
BOSCH Radial-Wellendichtring | Ersatzteile für GWS 7-115 | 1600290016
Hersteller: BOSCH
Artikelnummer: EB-0601347150-1600290016
Netto: 4,53 € zzgl. MwSt.
zzgl. 6,90 € Versand (brutto)
einmalig pro Bestellung

Lieferzeit: 5 Werktage

Pos.
38
BOSCH Tellerrad Z=36 | Ersatzteile für GWS 7-115 | 1606333601
Hersteller: BOSCH
Artikelnummer: EB-0601347150-1606333601
Netto: 7,76 € zzgl. MwSt.
zzgl. 6,90 € Versand (brutto)
einmalig pro Bestellung

Lieferzeit: 5 Werktage

Pos.
39
BOSCH Spiralfeder | Ersatzteile für GWS 7-115 | 1604652013
Hersteller: BOSCH
Artikelnummer: EB-0601347150-1604652013
Netto: 3,94 € zzgl. MwSt.
zzgl. 6,90 € Versand (brutto)
einmalig pro Bestellung

Lieferzeit: 5 Werktage

Pos.
40
BOSCH Sicherungsring DIN 472-25x1,2MM | Ersatzteile für GWS 7-115 | 2916660009
Hersteller: BOSCH
Artikelnummer: EB-0601347150-2916660009
Netto: 4,32 € zzgl. MwSt.
zzgl. 6,90 € Versand (brutto)
einmalig pro Bestellung

Lieferzeit: 5 Werktage

Pos.
41
BOSCH Nadelhülse Ø8xØ12x8 MM | Ersatzteile für GWS 7-115 | 1600910018
Hersteller: BOSCH
Artikelnummer: EB-0601347150-1600910018
Netto: 6,15 € zzgl. MwSt.
zzgl. 6,90 € Versand (brutto)
einmalig pro Bestellung

Lieferzeit: 5 Werktage

Pos.
42
BOSCH Rillenkugellager 12x32x10 | Ersatzteile für GWS 7-115 | 1600905006
Hersteller: BOSCH
Artikelnummer: EB-0601347150-1600905006
Netto: 10,92 € zzgl. MwSt.
zzgl. 6,90 € Versand (brutto)
einmalig pro Bestellung

Lieferzeit: 5 Werktage

Pos.
43
BOSCH Kegelrad Z=11 | Ersatzteile für GWS 7-115 | 1606333242
Hersteller: BOSCH
Artikelnummer: EB-0601347150-1606333242
Netto: 42,86 € zzgl. MwSt.
zzgl. 6,90 € Versand (brutto)
einmalig pro Bestellung

Lieferzeit: 5 Werktage

Pos.
45
BOSCH Sechskantmutter M7, SW10 | Ersatzteile für GWS 7-115 | 1603300016
Hersteller: BOSCH
Artikelnummer: EB-0601347150-1603300016
Netto: 3,94 € zzgl. MwSt.
zzgl. 6,90 € Versand (brutto)
einmalig pro Bestellung

Lieferzeit: 5 Werktage

Pos.
47
BOSCH Blechschraube DIN 7971-ST3,9x13-F | Ersatzteile für GWS 7-115 | 2910211018
Hersteller: BOSCH
Artikelnummer: EB-0601347150-2910211018
Netto: 3,63 € zzgl. MwSt.
zzgl. 6,90 € Versand (brutto)
einmalig pro Bestellung

Lieferzeit: 5 Werktage

Pos.
48
BOSCH Blechschraube DIN 7971-ST2,9x9,5-F | Ersatzteile für GWS 7-115 | 2910211005
Hersteller: BOSCH
Artikelnummer: EB-0601347150-2910211005
nur Informationsartikel
Nie mehr lieferbar
keine Alternativen
Pos.
49
BOSCH Gewindefurchschraube | Ersatzteile für GWS 7-115 | 1603435026
Hersteller: BOSCH
Artikelnummer: EB-0601347150-1603435026
Netto: 3,94 € zzgl. MwSt.
zzgl. 6,90 € Versand (brutto)
einmalig pro Bestellung

Lieferzeit: 5 Werktage

Pos.
50
BOSCH Blechschraube DIN 7971-ST3,9x22-F | Ersatzteile für GWS 7-115 | 2910211021
Hersteller: BOSCH
Artikelnummer: EB-0601347150-2910211021
Netto: 3,94 € zzgl. MwSt.
zzgl. 6,90 € Versand (brutto)
einmalig pro Bestellung

Lieferzeit: 5 Werktage

Pos.
53
BOSCH Verbindungsleitung L=95 MM WEISS | Ersatzteile für GWS 7-115 | 1604448005
Hersteller: BOSCH
Artikelnummer: EB-0601347150-1604448005
Netto: 4,82 € zzgl. MwSt.
zzgl. 6,90 € Versand (brutto)
einmalig pro Bestellung

Lieferzeit: 5 Werktage

Pos.
54
BOSCH Verbindungsleitung L=40 MM WEISS | Ersatzteile für GWS 7-115 | 1604448006
Hersteller: BOSCH
Artikelnummer: EB-0601347150-1604448006
Netto: 4,53 € zzgl. MwSt.
zzgl. 6,90 € Versand (brutto)
einmalig pro Bestellung

Lieferzeit: 5 Werktage

Pos.
55
BOSCH Blechschraube DIN7981-ST3,9x22-C-Z | Ersatzteile für GWS 7-115 | 2912401021
Hersteller: BOSCH
Artikelnummer: EB-0601347150-2912401021
Netto: 3,63 € zzgl. MwSt.
zzgl. 6,90 € Versand (brutto)
einmalig pro Bestellung

Lieferzeit: 5 Werktage

Pos.
105
BOSCH Hinweisschild | Ersatzteile für GWS 7-115 | 1601110470
Hersteller: BOSCH
Artikelnummer: EB-0601347150-1601110470
Netto: 3,63 € zzgl. MwSt.
zzgl. 6,90 € Versand (brutto)
einmalig pro Bestellung

Lieferzeit: 5 Werktage

Pos.
107
BOSCH O-Ring 4,5x1,0 MM BLAU | Ersatzteile für GWS 7-115 | 1600210044
Hersteller: BOSCH
Artikelnummer: EB-0601347150-1600210044
Netto: 3,63 € zzgl. MwSt.
zzgl. 6,90 € Versand (brutto)
einmalig pro Bestellung

Lieferzeit: 5 Werktage

Pos.
652
BOSCH Schutzhaube Ø 115 MM | Ersatzteile für GWS 7-115 | 1605510201
Hersteller: BOSCH
Artikelnummer: EB-0601347150-1605510201
nur Informationsartikel
Nie mehr lieferbar
keine Alternativen
Pos.
803
BOSCH Anker Mit Lüfter 220-230V | Ersatzteile für GWS 7-115 | 1604010429
Hersteller: BOSCH
Artikelnummer: EB-0601347150-1604010429
nur Informationsartikel
Nie mehr lieferbar
keine Alternativen
Pos.
808
BOSCH Typschild | Ersatzteile für GWS 7-115 | 160111A3H3
Hersteller: BOSCH
Artikelnummer: EB-0601347150-160111A3H3
Netto: 4,53 € zzgl. MwSt.
zzgl. 6,90 € Versand (brutto)
einmalig pro Bestellung

Lieferzeit: 5 Werktage

Pos.
810
BOSCH Kohlebürstensatz | Ersatzteile für GWS 7-115 | 1607014116
Hersteller: BOSCH
Artikelnummer: EB-0601347150-1607014116
Netto: 9,95 € zzgl. MwSt.
zzgl. 6,90 € Versand (brutto)
einmalig pro Bestellung

Lieferzeit: 5 Werktage

Pos.
813
BOSCH Druckknopf SCHWARZ | Ersatzteile für GWS 7-115 | 1607000253
Hersteller: BOSCH
Artikelnummer: EB-0601347150-1607000253
Netto: 4,32 € zzgl. MwSt.
zzgl. 6,90 € Versand (brutto)
einmalig pro Bestellung

Lieferzeit: 5 Werktage

Pos.
816
BOSCH Bürstenhalter | Ersatzteile für GWS 7-115 | 1600A003G4
Hersteller: BOSCH
Artikelnummer: EB-0601347150-1600A003G4
Netto: 5,19 € zzgl. MwSt.
zzgl. 6,90 € Versand (brutto)
einmalig pro Bestellung

Lieferzeit: 5 Werktage

Pos.
821
BOSCH Getriebegehäuse | Ersatzteile für GWS 7-115 | 1605806480
Hersteller: BOSCH
Artikelnummer: EB-0601347150-1605806480
Netto: 42,86 € zzgl. MwSt.
zzgl. 6,90 € Versand (brutto)
einmalig pro Bestellung

Lieferzeit: 5 Werktage

Pos.
828
BOSCH Lagerflansch | Ersatzteile für GWS 7-115 | 1607000936
Hersteller: BOSCH
Artikelnummer: EB-0601347150-1607000936
Netto: 24,13 € zzgl. MwSt.
zzgl. 6,90 € Versand (brutto)
einmalig pro Bestellung

Lieferzeit: 5 Werktage

Pos.
896
BOSCH Schnellspannmutter M14, SDS-CLIC | Ersatzteile für GWS 7-115 | 1600A016PP
Hersteller: BOSCH
Artikelnummer: EB-0601347150-1600A016PP
Netto: 29,45 € zzgl. MwSt.
zzgl. 6,90 € Versand (brutto)
einmalig pro Bestellung

Lieferzeit: 28 Werktage

Angaben zur Produktsicherheit

Hersteller:
Robert Bosch Power Tools GmbH
Postfach 30 02 20
70442 Stuttgart

E-Mail:
kontakt@bosch.de