BOSCH Bürstenhalter | Ersatzteile für GWS 700 | 1619PB4671

Artikelnummer: EB-3601CA30E1-1619PB4671

Position: 816

Marke: BOSCH


Bitte Kompatibilität prüfen!

Bitte prüfen Sie unbedingt die 10-stellige Typennummer Ihrer Maschine / Ihres Gerätes. Das Ersatzteil ist nur kompatibel, wenn Sie die Typennummer Ihrer Maschine in der unten stehenden Produktbeschreibung finden.

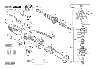
Bitte prüfen Sie ebenfalls detailliert die Explosionszeichnung mit Ihrem Artikelwunsch und der jeweiligen Pos-Nummer.

Alle Elemente, welche vom schwarzen Strich der Pos-Nummer ausgehend berührt / erfasst werden, gehören zu dieser Pos-Nummer und somit zu diesem Artikel. Jede Pos-Nummer ist ein eigenständiger Artikel, welchen Sie in der Auflistung finden.

Sie erhalten stets die aktuellste, neueste Produktversion zu der gewählten Pos-Nummer seitens des Herstellers. Es kann daher je nach Gerätealter vorkommen, dass Sie ggf. weitere, zugehörige Elemente, welche an diese Pos-Nummer grenzen, ebenfalls mittauschen müssen.

Nähere Informationen finden Sie unter dem Link
Hinweise zu Ihrer BOSCH Ersatzteilsuche

Preisübersicht

Einzelpreis: 3,94 €* (Brutto: 4,69 €)
Gesamtpreis: 3,94 €* 
Position:

Lieferzeit: 5 Werktage


Beschreibung

  • Bürstenhalter
  • Original Bosch Zubehör / BOSCH Ersatzteil (1619PB4671)
  • im Gerät verbaut: 1
Dieses BOSCH Ersatzteil ist mit folgendem Gerät und Modell kompatibel:
  • BOSCH Gerätename: GWS 700
  • BOSCH Explosionszeichnung: Position 816
  • BOSCH Typennummer: 3601CA30E1
  • BOSCH Typennummer alternative Schreibweisen: 3 601 CA3 0E1, 3601 CA3 0E1, 3.601.CA3.0E1, 3-601-CA3-0E1
    Bitte prüfen Sie diese Typennummer auf Ihrem Gerät um die Kompatibilität des BOSCH Ersatzteils zu gewährleisten.
Weitere BOSCH Ersatzteile des Gerätes GWS 700 (Winkelschleifer) mit der Typennummer 3601CA30E1 finden Sie in der nachfolgenden Darstellung und im Dropdown zu Ihrer Auswahl:

Pos.
1
BOSCH Motorgehäuse | Ersatzteile für GWS 700 | 1619PB4405
Hersteller: BOSCH
Artikelnummer: EB-3601CA30E1-1619PB4405
Netto: 6,15 € zzgl. MwSt.
zzgl. 6,90 € Versand (brutto)
einmalig pro Bestellung

Lieferzeit: 5 Werktage

Pos.
2
BOSCH Polschuh | Ersatzteile für GWS 700 | 1619PB4413
Hersteller: BOSCH
Artikelnummer: EB-3601CA30E1-1619PB4413
Netto: 12,98 € zzgl. MwSt.
zzgl. 6,90 € Versand (brutto)
einmalig pro Bestellung

Lieferzeit: 5 Werktage

Pos.
3
BOSCH Anker | Ersatzteile für GWS 700 | 1619PB4412
Hersteller: BOSCH
Artikelnummer: EB-3601CA30E1-1619PB4412
Netto: 15,75 € zzgl. MwSt.
zzgl. 6,90 € Versand (brutto)
einmalig pro Bestellung

Lieferzeit: 5 Werktage

Pos.
4
BOSCH Ein/Aus-Schalter | Ersatzteile für GWS 700 | 1619PB4414
Hersteller: BOSCH
Artikelnummer: EB-3601CA30E1-1619PB4414
Netto: 5,19 € zzgl. MwSt.
zzgl. 6,90 € Versand (brutto)
einmalig pro Bestellung

Lieferzeit: 5 Werktage

Pos.
5
BOSCH Netzanschlussleitung | Ersatzteile für GWS 700 | 1619PB7355
Hersteller: BOSCH
Artikelnummer: EB-3601CA30E1-1619PB7355
Netto: 6,70 € zzgl. MwSt.
zzgl. 6,90 € Versand (brutto)
einmalig pro Bestellung

Lieferzeit: 5 Werktage

Pos.
6
BOSCH Kabeltülle | Ersatzteile für GWS 700 | 1619PB4451
Hersteller: BOSCH
Artikelnummer: EB-3601CA30E1-1619PB4451
Netto: 3,63 € zzgl. MwSt.
zzgl. 6,90 € Versand (brutto)
einmalig pro Bestellung

Lieferzeit: 5 Werktage

Pos.
8
BOSCH Typschild | Ersatzteile für GWS 700 | 1619PB7213
Hersteller: BOSCH
Artikelnummer: EB-3601CA30E1-1619PB7213
Netto: 4,53 € zzgl. MwSt.
zzgl. 6,90 € Versand (brutto)
einmalig pro Bestellung

Lieferzeit: 5 Werktage

Pos.
9
BOSCH Firmenschild | Ersatzteile für GWS 700 | 1619PB4436
Hersteller: BOSCH
Artikelnummer: EB-3601CA30E1-1619PB4436
Netto: 4,53 € zzgl. MwSt.
zzgl. 6,90 € Versand (brutto)
einmalig pro Bestellung

Lieferzeit: 5 Werktage

Pos.
13
BOSCH Rillenkugellager | Ersatzteile für GWS 700 | 1619PB4422
Hersteller: BOSCH
Artikelnummer: EB-3601CA30E1-1619PB4422
Netto: 4,32 € zzgl. MwSt.
zzgl. 6,90 € Versand (brutto)
einmalig pro Bestellung

Lieferzeit: 5 Werktage

Pos.
14
BOSCH Rillenkugellager | Ersatzteile für GWS 700 | 1619PB4423
Hersteller: BOSCH
Artikelnummer: EB-3601CA30E1-1619PB4423
Netto: 5,19 € zzgl. MwSt.
zzgl. 6,90 € Versand (brutto)
einmalig pro Bestellung

Lieferzeit: 5 Werktage

Pos.
22
BOSCH Gummiring | Ersatzteile für GWS 700 | 1619PB4452
Hersteller: BOSCH
Artikelnummer: EB-3601CA30E1-1619PB4452
Netto: 3,94 € zzgl. MwSt.
zzgl. 6,90 € Versand (brutto)
einmalig pro Bestellung

Lieferzeit: 5 Werktage

Pos.
23
BOSCH Zwischenring | Ersatzteile für GWS 700 | 1619PB4443
Hersteller: BOSCH
Artikelnummer: EB-3601CA30E1-1619PB4443
Netto: 3,63 € zzgl. MwSt.
zzgl. 6,90 € Versand (brutto)
einmalig pro Bestellung

Lieferzeit: 5 Werktage

Pos.
24
BOSCH Sicherungsring | Ersatzteile für GWS 700 | 1619PB4463
Hersteller: BOSCH
Artikelnummer: EB-3601CA30E1-1619PB4463
Netto: 3,63 € zzgl. MwSt.
zzgl. 6,90 € Versand (brutto)
einmalig pro Bestellung

Lieferzeit: 5 Werktage

Pos.
25
BOSCH O-Ring | Ersatzteile für GWS 700 | 1619PB4469
Hersteller: BOSCH
Artikelnummer: EB-3601CA30E1-1619PB4469
Netto: 3,63 € zzgl. MwSt.
zzgl. 6,90 € Versand (brutto)
einmalig pro Bestellung

Lieferzeit: 5 Werktage

Pos.
27
BOSCH Sechskantmutter | Ersatzteile für GWS 700 | 1619PB4460
Hersteller: BOSCH
Artikelnummer: EB-3601CA30E1-1619PB4460
Netto: 3,63 € zzgl. MwSt.
zzgl. 6,90 € Versand (brutto)
einmalig pro Bestellung

Lieferzeit: 5 Werktage

Pos.
30
BOSCH Blechschraube | Ersatzteile für GWS 700 | 1619PB4458
Hersteller: BOSCH
Artikelnummer: EB-3601CA30E1-1619PB4458
Netto: 3,63 € zzgl. MwSt.
zzgl. 6,90 € Versand (brutto)
einmalig pro Bestellung

Lieferzeit: 5 Werktage

Pos.
46
BOSCH Luftleitring | Ersatzteile für GWS 700 | 1619PB4435
Hersteller: BOSCH
Artikelnummer: EB-3601CA30E1-1619PB4435
Netto: 3,63 € zzgl. MwSt.
zzgl. 6,90 € Versand (brutto)
einmalig pro Bestellung

Lieferzeit: 5 Werktage

Pos.
47
BOSCH Blechschraube | Ersatzteile für GWS 700 | 1619PB4456
Hersteller: BOSCH
Artikelnummer: EB-3601CA30E1-1619PB4456
Netto: 3,63 € zzgl. MwSt.
zzgl. 6,90 € Versand (brutto)
einmalig pro Bestellung

Lieferzeit: 5 Werktage

Pos.
50
BOSCH Schalterknopf | Ersatzteile für GWS 700 | 1619PB4406
Hersteller: BOSCH
Artikelnummer: EB-3601CA30E1-1619PB4406
Netto: 3,63 € zzgl. MwSt.
zzgl. 6,90 € Versand (brutto)
einmalig pro Bestellung

Lieferzeit: 5 Werktage

Pos.
51
BOSCH Verstellschieber | Ersatzteile für GWS 700 | 1619PB4408
Hersteller: BOSCH
Artikelnummer: EB-3601CA30E1-1619PB4408
Netto: 3,63 € zzgl. MwSt.
zzgl. 6,90 € Versand (brutto)
einmalig pro Bestellung

Lieferzeit: 5 Werktage

Pos.
52
BOSCH Gehäusedeckel | Ersatzteile für GWS 700 | 1619PB4407
Hersteller: BOSCH
Artikelnummer: EB-3601CA30E1-1619PB4407
Netto: 4,53 € zzgl. MwSt.
zzgl. 6,90 € Versand (brutto)
einmalig pro Bestellung

Lieferzeit: 5 Werktage

Pos.
53
BOSCH Blechschraube | Ersatzteile für GWS 700 | 1619PB4454
Hersteller: BOSCH
Artikelnummer: EB-3601CA30E1-1619PB4454
Netto: 3,63 € zzgl. MwSt.
zzgl. 6,90 € Versand (brutto)
einmalig pro Bestellung

Lieferzeit: 5 Werktage

Pos.
651
BOSCH Schutzhaube | Ersatzteile für GWS 700 | 1619PB6288
Hersteller: BOSCH
Artikelnummer: EB-3601CA30E1-1619PB6288
Netto: 9,95 € zzgl. MwSt.
zzgl. 6,90 € Versand (brutto)
einmalig pro Bestellung

Lieferzeit: 5 Werktage

Pos.
652
BOSCH Aufspannflansch | Ersatzteile für GWS 700 | 1619PB4411
Hersteller: BOSCH
Artikelnummer: EB-3601CA30E1-1619PB4411
Netto: 4,32 € zzgl. MwSt.
zzgl. 6,90 € Versand (brutto)
einmalig pro Bestellung

Lieferzeit: 5 Werktage

Pos.
653
BOSCH Rundmutter | Ersatzteile für GWS 700 | 1619PB4449
Hersteller: BOSCH
Artikelnummer: EB-3601CA30E1-1619PB4449
Netto: 3,94 € zzgl. MwSt.
zzgl. 6,90 € Versand (brutto)
einmalig pro Bestellung

Lieferzeit: 5 Werktage

Pos.
654
BOSCH Zweilochmutterndreher | Ersatzteile für GWS 700 | 1619PB4434
Hersteller: BOSCH
Artikelnummer: EB-3601CA30E1-1619PB4434
Netto: 5,67 € zzgl. MwSt.
zzgl. 6,90 € Versand (brutto)
einmalig pro Bestellung

Lieferzeit: 5 Werktage

Pos.
655
BOSCH Zusatzhandgriff | Ersatzteile für GWS 700 | 1619PB4409
Hersteller: BOSCH
Artikelnummer: EB-3601CA30E1-1619PB4409
Netto: 4,32 € zzgl. MwSt.
zzgl. 6,90 € Versand (brutto)
einmalig pro Bestellung

Lieferzeit: 5 Werktage

Pos.
810
BOSCH Kohlebürste | Ersatzteile für GWS 700 | 1619PB4749
Hersteller: BOSCH
Artikelnummer: EB-3601CA30E1-1619PB4749
Netto: 4,53 € zzgl. MwSt.
zzgl. 6,90 € Versand (brutto)
einmalig pro Bestellung

Lieferzeit: 5 Werktage

Pos.
816
BOSCH Bürstenhalter | Ersatzteile für GWS 700 | 1619PB4671
Hersteller: BOSCH
Artikelnummer: EB-3601CA30E1-1619PB4671
Netto: 3,94 € zzgl. MwSt.
zzgl. 6,90 € Versand (brutto)
einmalig pro Bestellung

Lieferzeit: 5 Werktage

Pos.
826
BOSCH Befestigungsschelle | Ersatzteile für GWS 700 | 1619PB4669
Hersteller: BOSCH
Artikelnummer: EB-3601CA30E1-1619PB4669
Netto: 3,63 € zzgl. MwSt.
zzgl. 6,90 € Versand (brutto)
einmalig pro Bestellung

Lieferzeit: 5 Werktage

Pos.
828
BOSCH Lagerflansch | Ersatzteile für GWS 700 | 1619PB4667
Hersteller: BOSCH
Artikelnummer: EB-3601CA30E1-1619PB4667
Netto: 7,30 € zzgl. MwSt.
zzgl. 6,90 € Versand (brutto)
einmalig pro Bestellung

Lieferzeit: 5 Werktage

Pos.
831
BOSCH Getriebegehäuse | Ersatzteile für GWS 700 | 1619PB4673
Hersteller: BOSCH
Artikelnummer: EB-3601CA30E1-1619PB4673
Netto: 8,33 € zzgl. MwSt.
zzgl. 6,90 € Versand (brutto)
einmalig pro Bestellung

Lieferzeit: 5 Werktage

Pos.
832
BOSCH Antriebswelle | Ersatzteile für GWS 700 | 1619PB4668
Hersteller: BOSCH
Artikelnummer: EB-3601CA30E1-1619PB4668
Netto: 4,53 € zzgl. MwSt.
zzgl. 6,90 € Versand (brutto)
einmalig pro Bestellung

Lieferzeit: 5 Werktage

Pos.
838
BOSCH Ritzel | Ersatzteile für GWS 700 | 1619PB4664
Hersteller: BOSCH
Artikelnummer: EB-3601CA30E1-1619PB4664
Netto: 7,76 € zzgl. MwSt.
zzgl. 6,90 € Versand (brutto)
einmalig pro Bestellung

Lieferzeit: 5 Werktage

Pos.
840
BOSCH Druckknopf | Ersatzteile für GWS 700 | 1619PB4665
Hersteller: BOSCH
Artikelnummer: EB-3601CA30E1-1619PB4665
Netto: 3,94 € zzgl. MwSt.
zzgl. 6,90 € Versand (brutto)
einmalig pro Bestellung

Lieferzeit: 5 Werktage

Angaben zur Produktsicherheit

Hersteller:
Robert Bosch Power Tools GmbH
Postfach 30 02 20
70442 Stuttgart

E-Mail:
kontakt@bosch.de