BOSCH Motorgehäuse | Ersatzteile für GWS 8-125 CE | 1619P09772

Artikelnummer: EB-06013787E3-1619P09772

Position: 1

Marke: BOSCH


Bitte Kompatibilität prüfen!

Bitte prüfen Sie unbedingt die 10-stellige Typennummer Ihrer Maschine / Ihres Gerätes. Das Ersatzteil ist nur kompatibel, wenn Sie die Typennummer Ihrer Maschine in der unten stehenden Produktbeschreibung finden.

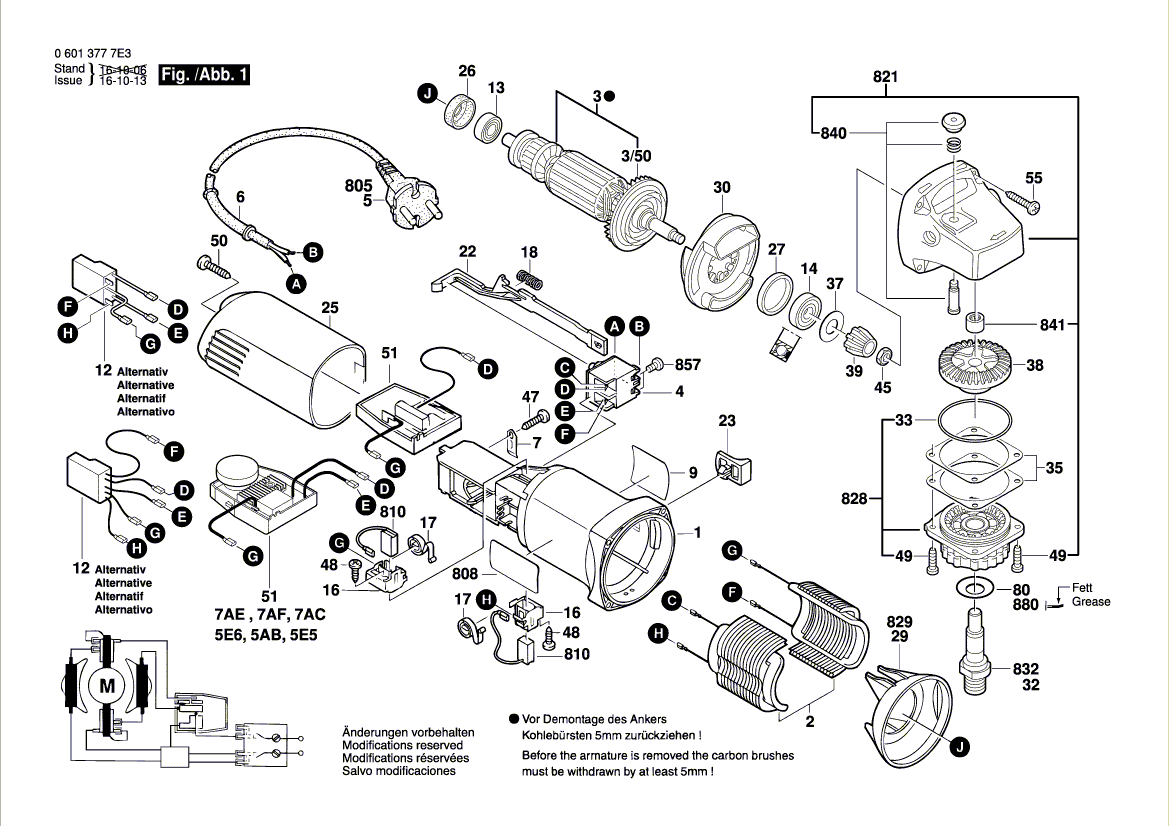
Bitte prüfen Sie ebenfalls detailliert die Explosionszeichnung mit Ihrem Artikelwunsch und der jeweiligen Pos-Nummer.

Alle Elemente, welche vom schwarzen Strich der Pos-Nummer ausgehend berührt / erfasst werden, gehören zu dieser Pos-Nummer und somit zu diesem Artikel. Jede Pos-Nummer ist ein eigenständiger Artikel, welchen Sie in der Auflistung finden.

Sie erhalten stets die aktuellste, neueste Produktversion zu der gewählten Pos-Nummer seitens des Herstellers. Es kann daher je nach Gerätealter vorkommen, dass Sie ggf. weitere, zugehörige Elemente, welche an diese Pos-Nummer grenzen, ebenfalls mittauschen müssen.

Nähere Informationen finden Sie unter dem Link
Hinweise zu Ihrer BOSCH Ersatzteilsuche

Preisübersicht

Einzelpreis: 11,92 €* (Brutto: 14,18 €)
Gesamtpreis: 11,92 €* 
Position:

Lieferzeit: 5 Werktage


Beschreibung

  • Motorgehäuse
  • Original Bosch Zubehör / BOSCH Ersatzteil (1619P09772)
  • im Gerät verbaut: 1
Dieses BOSCH Ersatzteil ist mit folgendem Gerät und Modell kompatibel:
  • BOSCH Gerätename: GWS 8-125 CE
  • BOSCH Explosionszeichnung: Position 1
  • BOSCH Typennummer: 06013787E3
  • BOSCH Typennummer alternative Schreibweisen: 0 601 378 7E3, 0601 378 7E3, 0.601.378.7E3, 0-601-378-7E3
    Bitte prüfen Sie diese Typennummer auf Ihrem Gerät um die Kompatibilität des BOSCH Ersatzteils zu gewährleisten.
Weitere BOSCH Ersatzteile des Gerätes GWS 8-125 CE (Winkelschleifer) mit der Typennummer 06013787E3 finden Sie in der nachfolgenden Darstellung und im Dropdown zu Ihrer Auswahl:

Pos.
1
BOSCH Motorgehäuse | Ersatzteile für GWS 8-125 CE | 1619P09772
Hersteller: BOSCH
Artikelnummer: EB-06013787E3-1619P09772
Netto: 11,92 € zzgl. MwSt.
zzgl. 6,90 € Versand (brutto)
einmalig pro Bestellung

Lieferzeit: 5 Werktage

Pos.
3/50
BOSCH Lüfter | Ersatzteile für GWS 8-125 CE | 1606610141
Hersteller: BOSCH
Artikelnummer: EB-06013787E3-1606610141
Netto: 5,67 € zzgl. MwSt.
zzgl. 6,90 € Versand (brutto)
einmalig pro Bestellung

Lieferzeit: 5 Werktage

Pos.
650/10
BOSCH Zusatzhandgriff | Ersatzteile für GWS 8-125 CE | 1619P16111
Hersteller: BOSCH
Artikelnummer: EB-06013787E3-1619P16111
Netto: 4,82 € zzgl. MwSt.
zzgl. 6,90 € Versand (brutto)
einmalig pro Bestellung

Lieferzeit: 25 Werktage

Pos.
650/10
BOSCH Zusatzhandgriff M10, Ø32,5x105 MM | Ersatzteile für GWS 8-125 CE | 2602025067
Hersteller: BOSCH
Artikelnummer: EB-06013787E3-2602025067
nur Informationsartikel
Nie mehr lieferbar
keine Alternativen
Pos.
650/20
BOSCH Rundmutter M14 | Ersatzteile für GWS 8-125 CE | 1603345043
Hersteller: BOSCH
Artikelnummer: EB-06013787E3-1603345043
Netto: 8,33 € zzgl. MwSt.
zzgl. 6,90 € Versand (brutto)
einmalig pro Bestellung

Lieferzeit: 5 Werktage

Pos.
650/30
BOSCH Zweilochmutterndreher | Ersatzteile für GWS 8-125 CE | 1619P08927
Hersteller: BOSCH
Artikelnummer: EB-06013787E3-1619P08927
Netto: 5,67 € zzgl. MwSt.
zzgl. 6,90 € Versand (brutto)
einmalig pro Bestellung

Lieferzeit: 5 Werktage

Pos.
650/50
BOSCH Aufspannflansch Ø22,3xØ42 MM | Ersatzteile für GWS 8-125 CE | 2605703014
Hersteller: BOSCH
Artikelnummer: EB-06013787E3-2605703014
nur Informationsartikel
Nie mehr lieferbar
keine Alternativen
Pos.
650/50/20
BOSCH O-Ring 20,35x1,78 MM | Ersatzteile für GWS 8-125 CE | 1600210039
Hersteller: BOSCH
Artikelnummer: EB-06013787E3-1600210039
Netto: 4,32 € zzgl. MwSt.
zzgl. 6,90 € Versand (brutto)
einmalig pro Bestellung

Lieferzeit: 5 Werktage

Pos.
2
BOSCH Polschuh 220-240V | Ersatzteile für GWS 8-125 CE | 1604220506
Hersteller: BOSCH
Artikelnummer: EB-06013787E3-1604220506
Netto: 14,36 € zzgl. MwSt.
zzgl. 6,90 € Versand (brutto)
einmalig pro Bestellung

Lieferzeit: 5 Werktage

Pos.
3
BOSCH Anker Mit Lüfter 220-240V | Ersatzteile für GWS 8-125 CE | 1604010667
Hersteller: BOSCH
Artikelnummer: EB-06013787E3-1604010667
Netto: 19,18 € zzgl. MwSt.
zzgl. 6,90 € Versand (brutto)
einmalig pro Bestellung

Lieferzeit: 5 Werktage

Pos.
4
BOSCH Schalter | Ersatzteile für GWS 8-125 CE | 1607200146
Hersteller: BOSCH
Artikelnummer: EB-06013787E3-1607200146
Netto: 9,18 € zzgl. MwSt.
zzgl. 6,90 € Versand (brutto)
einmalig pro Bestellung

Lieferzeit: 5 Werktage

Pos.
5
BOSCH Netzanschlussleitung CN 2,65m 2 x 0,75mm H05 W-F | Ersatzteile für GWS 8-125 CE | 1604460263
Hersteller: BOSCH
Artikelnummer: EB-06013787E3-1604460263
Netto: 5,67 € zzgl. MwSt.
zzgl. 6,90 € Versand (brutto)
einmalig pro Bestellung

Lieferzeit: 5 Werktage

Pos.
6
BOSCH Tülle Ø6,5-Ø6,9x95 MM | Ersatzteile für GWS 8-125 CE | 2600703012
Hersteller: BOSCH
Artikelnummer: EB-06013787E3-2600703012
Netto: 4,82 € zzgl. MwSt.
zzgl. 6,90 € Versand (brutto)
einmalig pro Bestellung

Lieferzeit: 5 Werktage

Pos.
7
BOSCH Befestigungsschelle | Ersatzteile für GWS 8-125 CE | 1601302017
Hersteller: BOSCH
Artikelnummer: EB-06013787E3-1601302017
Netto: 3,63 € zzgl. MwSt.
zzgl. 6,90 € Versand (brutto)
einmalig pro Bestellung

Lieferzeit: 5 Werktage

Pos.
9
BOSCH Firmenschild GWS 8-125 CE | Ersatzteile für GWS 8-125 CE | 2609130617
Hersteller: BOSCH
Artikelnummer: EB-06013787E3-2609130617
nur Informationsartikel
Nie mehr lieferbar
keine Alternativen
Pos.
12
BOSCH Entstörfilter | Ersatzteile für GWS 8-125 CE | 2609120008
Hersteller: BOSCH
Artikelnummer: EB-06013787E3-2609120008
Netto: 12,98 € zzgl. MwSt.
zzgl. 6,90 € Versand (brutto)
einmalig pro Bestellung

Lieferzeit: 5 Werktage

Pos.
13
BOSCH Rillenkugellager | Ersatzteile für GWS 8-125 CE | 1619P08829
Hersteller: BOSCH
Artikelnummer: EB-06013787E3-1619P08829
Netto: 7,30 € zzgl. MwSt.
zzgl. 6,90 € Versand (brutto)
einmalig pro Bestellung

Lieferzeit: 5 Werktage

Pos.
14
BOSCH Rillenkugellager | Ersatzteile für GWS 8-125 CE | 1619P11240
Hersteller: BOSCH
Artikelnummer: EB-06013787E3-1619P11240
Netto: 4,82 € zzgl. MwSt.
zzgl. 6,90 € Versand (brutto)
einmalig pro Bestellung

Lieferzeit: 5 Werktage

Pos.
16
BOSCH Bürstenhalter | Ersatzteile für GWS 8-125 CE | 1619P01811
Hersteller: BOSCH
Artikelnummer: EB-06013787E3-1619P01811
Netto: 4,82 € zzgl. MwSt.
zzgl. 6,90 € Versand (brutto)
einmalig pro Bestellung

Lieferzeit: 5 Werktage

Pos.
17
BOSCH Spiralfeder | Ersatzteile für GWS 8-125 CE | 1604652013
Hersteller: BOSCH
Artikelnummer: EB-06013787E3-1604652013
Netto: 3,94 € zzgl. MwSt.
zzgl. 6,90 € Versand (brutto)
einmalig pro Bestellung

Lieferzeit: 5 Werktage

Pos.
18
BOSCH Druckfeder | Ersatzteile für GWS 8-125 CE | 1604611031
Hersteller: BOSCH
Artikelnummer: EB-06013787E3-1604611031
Netto: 4,53 € zzgl. MwSt.
zzgl. 6,90 € Versand (brutto)
einmalig pro Bestellung

Lieferzeit: 5 Werktage

Pos.
22
BOSCH Verstellschieber | Ersatzteile für GWS 8-125 CE | 1602319009
Hersteller: BOSCH
Artikelnummer: EB-06013787E3-1602319009
Netto: 4,82 € zzgl. MwSt.
zzgl. 6,90 € Versand (brutto)
einmalig pro Bestellung

Lieferzeit: 5 Werktage

Pos.
23
BOSCH Schalterknopf SCHWARZ | Ersatzteile für GWS 8-125 CE | 1619P02762
Hersteller: BOSCH
Artikelnummer: EB-06013787E3-1619P02762
Netto: 4,53 € zzgl. MwSt.
zzgl. 6,90 € Versand (brutto)
einmalig pro Bestellung

Lieferzeit: 5 Werktage

Pos.
25
BOSCH Gehäusedeckel BLAU | Ersatzteile für GWS 8-125 CE | 1605500196
Hersteller: BOSCH
Artikelnummer: EB-06013787E3-1605500196
Netto: 9,18 € zzgl. MwSt.
zzgl. 6,90 € Versand (brutto)
einmalig pro Bestellung

Lieferzeit: 5 Werktage

Pos.
26
BOSCH Zwischenring | Ersatzteile für GWS 8-125 CE | 1600502023
Hersteller: BOSCH
Artikelnummer: EB-06013787E3-1600502023
Netto: 4,32 € zzgl. MwSt.
zzgl. 6,90 € Versand (brutto)
einmalig pro Bestellung

Lieferzeit: 5 Werktage

Pos.
27
BOSCH Gummiring | Ersatzteile für GWS 8-125 CE | 1600206025
Hersteller: BOSCH
Artikelnummer: EB-06013787E3-1600206025
Netto: 4,32 € zzgl. MwSt.
zzgl. 6,90 € Versand (brutto)
einmalig pro Bestellung

Lieferzeit: 5 Werktage

Pos.
29
BOSCH Luftleitring | Ersatzteile für GWS 8-125 CE | 1619P09921
Hersteller: BOSCH
Artikelnummer: EB-06013787E3-1619P09921
Netto: 4,53 € zzgl. MwSt.
zzgl. 6,90 € Versand (brutto)
einmalig pro Bestellung

Lieferzeit: 5 Werktage

Pos.
30
BOSCH Luftleitring | Ersatzteile für GWS 8-125 CE | 1600591024
Hersteller: BOSCH
Artikelnummer: EB-06013787E3-1600591024
Netto: 5,19 € zzgl. MwSt.
zzgl. 6,90 € Versand (brutto)
einmalig pro Bestellung

Lieferzeit: 5 Werktage

Pos.
32
BOSCH Schleifspindel M 14, SW 17 | Ersatzteile für GWS 8-125 CE | 1619P06419
Hersteller: BOSCH
Artikelnummer: EB-06013787E3-1619P06419
Netto: 9,95 € zzgl. MwSt.
zzgl. 6,90 € Versand (brutto)
einmalig pro Bestellung

Lieferzeit: 5 Werktage

Pos.
33
BOSCH O-Ring 42,0x1,1 MM | Ersatzteile für GWS 8-125 CE | 1600210041
Hersteller: BOSCH
Artikelnummer: EB-06013787E3-1600210041
Netto: 4,53 € zzgl. MwSt.
zzgl. 6,90 € Versand (brutto)
einmalig pro Bestellung

Lieferzeit: 5 Werktage

Pos.
35
BOSCH Ausgleichscheibe 0,1 MM DICK | Ersatzteile für GWS 8-125 CE | 1600136016
Hersteller: BOSCH
Artikelnummer: EB-06013787E3-1600136016
Netto: 4,53 € zzgl. MwSt.
zzgl. 6,90 € Versand (brutto)
einmalig pro Bestellung

Lieferzeit: 5 Werktage

Pos.
35
BOSCH Ausgleichscheibe 0,2 MM DICK | Ersatzteile für GWS 8-125 CE | 1600136017
Hersteller: BOSCH
Artikelnummer: EB-06013787E3-1600136017
Netto: 4,53 € zzgl. MwSt.
zzgl. 6,90 € Versand (brutto)
einmalig pro Bestellung

Lieferzeit: 5 Werktage

Pos.
37
BOSCH Abdeckscheibe | Ersatzteile für GWS 8-125 CE | 1600100033
Hersteller: BOSCH
Artikelnummer: EB-06013787E3-1600100033
Netto: 4,53 € zzgl. MwSt.
zzgl. 6,90 € Versand (brutto)
einmalig pro Bestellung

Lieferzeit: 5 Werktage

Pos.
38
BOSCH Umsetzgetriebe | Ersatzteile für GWS 8-125 CE | 2609110150
Hersteller: BOSCH
Artikelnummer: EB-06013787E3-2609110150
Netto: 7,30 € zzgl. MwSt.
zzgl. 6,90 € Versand (brutto)
einmalig pro Bestellung

Lieferzeit: 5 Werktage

Pos.
39
BOSCH Ritzel | Ersatzteile für GWS 8-125 CE | 2609110149
Hersteller: BOSCH
Artikelnummer: EB-06013787E3-2609110149
Netto: 5,67 € zzgl. MwSt.
zzgl. 6,90 € Versand (brutto)
einmalig pro Bestellung

Lieferzeit: 5 Werktage

Pos.
45
BOSCH Sechskantmutter DIN 934-M6-8-A | Ersatzteile für GWS 8-125 CE | 2915011007
Hersteller: BOSCH
Artikelnummer: EB-06013787E3-2915011007
Netto: 3,63 € zzgl. MwSt.
zzgl. 6,90 € Versand (brutto)
einmalig pro Bestellung

Lieferzeit: 5 Werktage

Pos.
47
BOSCH Spezialschraube | Ersatzteile für GWS 8-125 CE | 2609110052
Hersteller: BOSCH
Artikelnummer: EB-06013787E3-2609110052
Netto: 3,63 € zzgl. MwSt.
zzgl. 6,90 € Versand (brutto)
einmalig pro Bestellung

Lieferzeit: 5 Werktage

Pos.
48
BOSCH Torx-Linsenschraube 3x10 | Ersatzteile für GWS 8-125 CE | 1619P00220
Hersteller: BOSCH
Artikelnummer: EB-06013787E3-1619P00220
Netto: 3,63 € zzgl. MwSt.
zzgl. 6,90 € Versand (brutto)
einmalig pro Bestellung

Lieferzeit: 5 Werktage

Pos.
49
BOSCH Gewindefurchschraube DIN 7500, M4x10, SR10.2 | Ersatzteile für GWS 8-125 CE | 1603435068
Hersteller: BOSCH
Artikelnummer: EB-06013787E3-1603435068
Netto: 3,94 € zzgl. MwSt.
zzgl. 6,90 € Versand (brutto)
einmalig pro Bestellung

Lieferzeit: 5 Werktage

Pos.
50
BOSCH Blechschraube DIN 7981-ST3,9x19-C-H | Ersatzteile für GWS 8-125 CE | 2910611020
Hersteller: BOSCH
Artikelnummer: EB-06013787E3-2910611020
Netto: 3,94 € zzgl. MwSt.
zzgl. 6,90 € Versand (brutto)
einmalig pro Bestellung

Lieferzeit: 5 Werktage

Pos.
51
BOSCH Regler 220V | Ersatzteile für GWS 8-125 CE | 1607233137
Hersteller: BOSCH
Artikelnummer: EB-06013787E3-1607233137
Netto: 32,74 € zzgl. MwSt.
zzgl. 6,90 € Versand (brutto)
einmalig pro Bestellung

Lieferzeit: 5 Werktage

Pos.
55
BOSCH Blechschraube DIN 7981-ST3,9x25-C-H | Ersatzteile für GWS 8-125 CE | 2910611022
Hersteller: BOSCH
Artikelnummer: EB-06013787E3-2910611022
nur Informationsartikel
Nie mehr lieferbar
keine Alternativen
Pos.
80
BOSCH Abdeckscheibe | Ersatzteile für GWS 8-125 CE | 1619P09390
Hersteller: BOSCH
Artikelnummer: EB-06013787E3-1619P09390
Netto: 4,32 € zzgl. MwSt.
zzgl. 6,90 € Versand (brutto)
einmalig pro Bestellung

Lieferzeit: 5 Werktage

Pos.
131
BOSCH Sechskantschraubendreher 4x95 | Ersatzteile für GWS 8-125 CE | 1619P01598
Hersteller: BOSCH
Artikelnummer: EB-06013787E3-1619P01598
Netto: 4,53 € zzgl. MwSt.
zzgl. 6,90 € Versand (brutto)
einmalig pro Bestellung

Lieferzeit: 5 Werktage

Pos.
132
BOSCH Schlüsselhalter | Ersatzteile für GWS 8-125 CE | 3602311050
Hersteller: BOSCH
Artikelnummer: EB-06013787E3-3602311050
Netto: 4,32 € zzgl. MwSt.
zzgl. 6,90 € Versand (brutto)
einmalig pro Bestellung

Lieferzeit: 5 Werktage

Pos.
651
BOSCH Schutzhaube Ø125 MM SILBER | Ersatzteile für GWS 8-125 CE | 1600A00XU7
Hersteller: BOSCH
Artikelnummer: EB-06013787E3-1600A00XU7
Netto: 8,33 € zzgl. MwSt.
zzgl. 6,90 € Versand (brutto)
einmalig pro Bestellung

Lieferzeit: 5 Werktage

Pos.
808
BOSCH Typschild | Ersatzteile für GWS 8-125 CE | 1619P06697
Hersteller: BOSCH
Artikelnummer: EB-06013787E3-1619P06697
nur Informationsartikel
Nie mehr lieferbar
keine Alternativen
Pos.
810
BOSCH Kohlebürstensatz | Ersatzteile für GWS 8-125 CE | 1619P11715
Hersteller: BOSCH
Artikelnummer: EB-06013787E3-1619P11715
Netto: 6,70 € zzgl. MwSt.
zzgl. 6,90 € Versand (brutto)
einmalig pro Bestellung

Lieferzeit: 5 Werktage

Pos.
821
BOSCH Getriebegehäuse | Ersatzteile für GWS 8-125 CE | 1605806466
Hersteller: BOSCH
Artikelnummer: EB-06013787E3-1605806466
Netto: 14,36 € zzgl. MwSt.
zzgl. 6,90 € Versand (brutto)
einmalig pro Bestellung

Lieferzeit: 5 Werktage

Pos.
828
BOSCH Lagerflansch SCHWARZ | Ersatzteile für GWS 8-125 CE | 1619P02708
Hersteller: BOSCH
Artikelnummer: EB-06013787E3-1619P02708
Netto: 9,18 € zzgl. MwSt.
zzgl. 6,90 € Versand (brutto)
einmalig pro Bestellung

Lieferzeit: 5 Werktage

Pos.
840
BOSCH Druckknopf SCHWARZ | Ersatzteile für GWS 8-125 CE | 1607000298
Hersteller: BOSCH
Artikelnummer: EB-06013787E3-1607000298
Netto: 5,67 € zzgl. MwSt.
zzgl. 6,90 € Versand (brutto)
einmalig pro Bestellung

Lieferzeit: 5 Werktage

Pos.
841
BOSCH Nadelhülse Ø8xØ12x8 MM | Ersatzteile für GWS 8-125 CE | 1600910018
Hersteller: BOSCH
Artikelnummer: EB-06013787E3-1600910018
Netto: 6,15 € zzgl. MwSt.
zzgl. 6,90 € Versand (brutto)
einmalig pro Bestellung

Lieferzeit: 5 Werktage

Pos.
857
BOSCH Linsenschraube DIN7985-M3,5x5-4.8-H | Ersatzteile für GWS 8-125 CE | 2910641081
Hersteller: BOSCH
Artikelnummer: EB-06013787E3-2910641081
nur Informationsartikel
Nie mehr lieferbar
keine Alternativen

Angaben zur Produktsicherheit

Hersteller:
Robert Bosch Power Tools GmbH
Postfach 30 02 20
70442 Stuttgart

E-Mail:
kontakt@bosch.de