BOSCH Fetttube 225 ML | Ersatzteile für GWS 9-115 S | 1605430003

Artikelnummer: EB-3601C96171-1605430003

Position: 895

Marke: BOSCH


Bitte Kompatibilität prüfen!

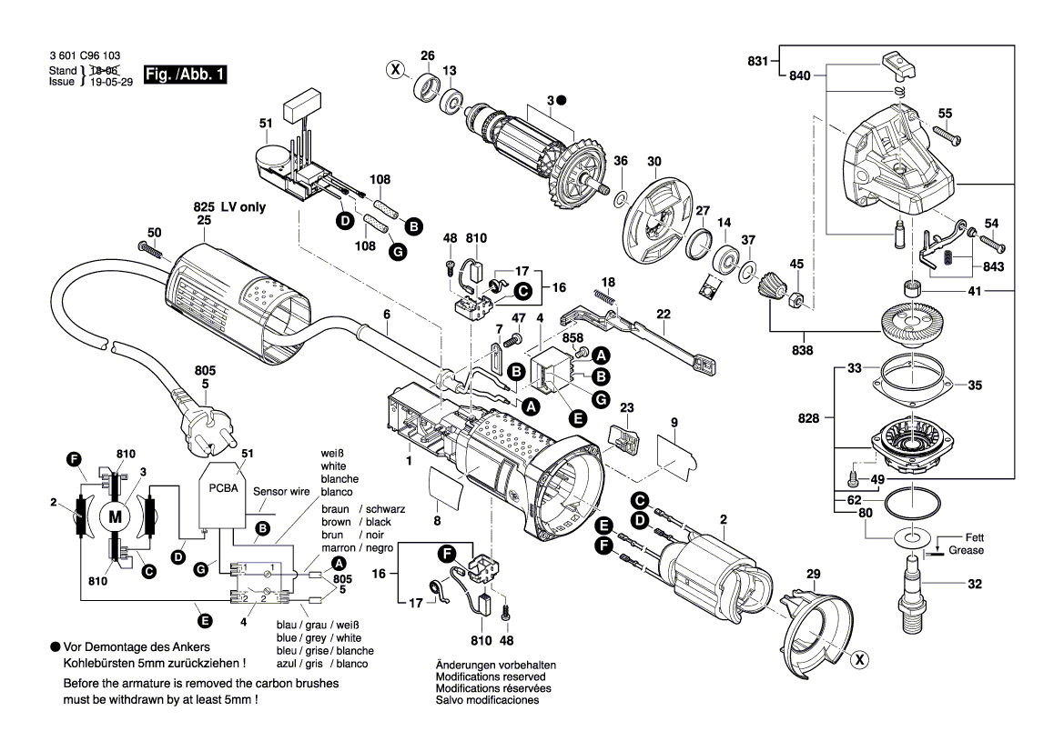
Bitte prüfen Sie unbedingt die 10-stellige Typennummer Ihrer Maschine / Ihres Gerätes. Das Ersatzteil ist nur kompatibel, wenn Sie die Typennummer Ihrer Maschine in der unten stehenden Produktbeschreibung finden.

Bitte prüfen Sie ebenfalls detailliert die Explosionszeichnung mit Ihrem Artikelwunsch und der jeweiligen Pos-Nummer.

Alle Elemente, welche vom schwarzen Strich der Pos-Nummer ausgehend berührt / erfasst werden, gehören zu dieser Pos-Nummer und somit zu diesem Artikel. Jede Pos-Nummer ist ein eigenständiger Artikel, welchen Sie in der Auflistung finden.

Sie erhalten stets die aktuellste, neueste Produktversion zu der gewählten Pos-Nummer seitens des Herstellers. Es kann daher je nach Gerätealter vorkommen, dass Sie ggf. weitere, zugehörige Elemente, welche an diese Pos-Nummer grenzen, ebenfalls mittauschen müssen.

Nähere Informationen finden Sie unter dem Link
Hinweise zu Ihrer BOSCH Ersatzteilsuche

Preisübersicht

Einzelpreis: 29,45 €* (Brutto: 35,05 €)
Gesamtpreis: 29,45 €* 
Position:

Lieferzeit: 5 Werktage


Beschreibung

  • Fetttube 225 ML
  • Original Bosch Zubehör / BOSCH Ersatzteil (1605430003)
  • im Gerät verbaut: 1
Dieses BOSCH Ersatzteil ist mit folgendem Gerät und Modell kompatibel:
  • BOSCH Gerätename: GWS 9-115 S
  • BOSCH Explosionszeichnung: Position 895
  • BOSCH Typennummer: 3601C96171
  • BOSCH Typennummer alternative Schreibweisen: 3 601 C96 171, 3601 C96 171, 3.601.C96.171, 3-601-C96-171
    Bitte prüfen Sie diese Typennummer auf Ihrem Gerät um die Kompatibilität des BOSCH Ersatzteils zu gewährleisten.
Weitere BOSCH Ersatzteile des Gerätes GWS 9-115 S (Winkelschleifer) mit der Typennummer 3601C96171 finden Sie in der nachfolgenden Darstellung und im Dropdown zu Ihrer Auswahl:

Pos.
1
BOSCH Motorgehäuse | Ersatzteile für GWS 9-115 S | 1619P10959
Hersteller: BOSCH
Artikelnummer: EB-3601C96171-1619P10959
Netto: 6,15 € zzgl. MwSt.
zzgl. 6,90 € Versand (brutto)
einmalig pro Bestellung

Lieferzeit: 5 Werktage

Pos.
650/1
BOSCH Zusatzhandgriff | Ersatzteile für GWS 9-115 S | 1619P10681
Hersteller: BOSCH
Artikelnummer: EB-3601C96171-1619P10681
Netto: 5,19 € zzgl. MwSt.
zzgl. 6,90 € Versand (brutto)
einmalig pro Bestellung

Lieferzeit: 5 Werktage

Pos.
650/2
BOSCH Rundmutter M14 | Ersatzteile für GWS 9-115 S | 1603345043
Hersteller: BOSCH
Artikelnummer: EB-3601C96171-1603345043
Netto: 8,33 € zzgl. MwSt.
zzgl. 6,90 € Versand (brutto)
einmalig pro Bestellung

Lieferzeit: 5 Werktage

Pos.
650/3
BOSCH Zweilochmutterndreher | Ersatzteile für GWS 9-115 S | 1619P08927
Hersteller: BOSCH
Artikelnummer: EB-3601C96171-1619P08927
Netto: 5,67 € zzgl. MwSt.
zzgl. 6,90 € Versand (brutto)
einmalig pro Bestellung

Lieferzeit: 5 Werktage

Pos.
650/5
BOSCH Aufspannflansch Ø22,3xØ42 MM | Ersatzteile für GWS 9-115 S | 2605703014
Hersteller: BOSCH
Artikelnummer: EB-3601C96171-2605703014
nur Informationsartikel
Nie mehr lieferbar
keine Alternativen
Pos.
650/5/2
BOSCH O-Ring 20,35x1,78 MM | Ersatzteile für GWS 9-115 S | 1600210039
Hersteller: BOSCH
Artikelnummer: EB-3601C96171-1600210039
Netto: 4,32 € zzgl. MwSt.
zzgl. 6,90 € Versand (brutto)
einmalig pro Bestellung

Lieferzeit: 5 Werktage

Pos.
2
BOSCH Polschuh | Ersatzteile für GWS 9-115 S | 160422059G
Hersteller: BOSCH
Artikelnummer: EB-3601C96171-160422059G
Netto: 21,16 € zzgl. MwSt.
zzgl. 6,90 € Versand (brutto)
einmalig pro Bestellung

Lieferzeit: 5 Werktage

Pos.
2
BOSCH Polschuh 220-240V | Ersatzteile für GWS 9-115 S | 1619P10953
Hersteller: BOSCH
Artikelnummer: EB-3601C96171-1619P10953
Netto: 16,44 € zzgl. MwSt.
zzgl. 6,90 € Versand (brutto)
einmalig pro Bestellung

Lieferzeit: 5 Werktage

Pos.
3
BOSCH Anker 220-240V | Ersatzteile für GWS 9-115 S | 1604010BN1
Hersteller: BOSCH
Artikelnummer: EB-3601C96171-1604010BN1
Netto: 19,18 € zzgl. MwSt.
zzgl. 6,90 € Versand (brutto)
einmalig pro Bestellung

Lieferzeit: 5 Werktage

Pos.
4
BOSCH Schalter | Ersatzteile für GWS 9-115 S | 160720031S
Hersteller: BOSCH
Artikelnummer: EB-3601C96171-160720031S
Netto: 7,30 € zzgl. MwSt.
zzgl. 6,90 € Versand (brutto)
einmalig pro Bestellung

Lieferzeit: 5 Werktage

Pos.
5
BOSCH Netzanschlussleitung GB 230V 4,15m 2 x 1,0mm H05 RN-F | Ersatzteile für GWS 9-115 S | 1604460196
Hersteller: BOSCH
Artikelnummer: EB-3601C96171-1604460196
nur Informationsartikel
Nie mehr lieferbar
keine Alternativen
Pos.
6
BOSCH Tülle Ø6,5-Ø6,9x95 MM | Ersatzteile für GWS 9-115 S | 2600703012
Hersteller: BOSCH
Artikelnummer: EB-3601C96171-2600703012
Netto: 4,82 € zzgl. MwSt.
zzgl. 6,90 € Versand (brutto)
einmalig pro Bestellung

Lieferzeit: 5 Werktage

Pos.
7
BOSCH Befestigungsschelle | Ersatzteile für GWS 9-115 S | 1601302017
Hersteller: BOSCH
Artikelnummer: EB-3601C96171-1601302017
Netto: 3,63 € zzgl. MwSt.
zzgl. 6,90 € Versand (brutto)
einmalig pro Bestellung

Lieferzeit: 5 Werktage

Pos.
8
BOSCH Typschild | Ersatzteile für GWS 9-115 S | 1619P32499
Hersteller: BOSCH
Artikelnummer: EB-3601C96171-1619PS4343
Netto: 4,56 € zzgl. MwSt.
zzgl. 6,90 € Versand (brutto)
einmalig pro Bestellung

Lieferzeit: 5 Werktage

Pos.
9
BOSCH Firmenschild GWS 9-115 S | Ersatzteile für GWS 9-115 S | 1619P11143
Hersteller: BOSCH
Artikelnummer: EB-3601C96171-1619P11143
Netto: 4,53 € zzgl. MwSt.
zzgl. 6,90 € Versand (brutto)
einmalig pro Bestellung

Lieferzeit: 5 Werktage

Pos.
13
BOSCH Rillenkugellager | Ersatzteile für GWS 9-115 S | 1619P08829
Hersteller: BOSCH
Artikelnummer: EB-3601C96171-1619P08829
Netto: 7,30 € zzgl. MwSt.
zzgl. 6,90 € Versand (brutto)
einmalig pro Bestellung

Lieferzeit: 5 Werktage

Pos.
14
BOSCH Rillenkugellager | Ersatzteile für GWS 9-115 S | 1619P13103
Hersteller: BOSCH
Artikelnummer: EB-3601C96171-1619P13103
Netto: 4,82 € zzgl. MwSt.
zzgl. 6,90 € Versand (brutto)
einmalig pro Bestellung

Lieferzeit: 5 Werktage

Pos.
16
BOSCH Bürstenhalter | Ersatzteile für GWS 9-115 S | 1619P01811
Hersteller: BOSCH
Artikelnummer: EB-3601C96171-1619P01811
Netto: 4,82 € zzgl. MwSt.
zzgl. 6,90 € Versand (brutto)
einmalig pro Bestellung

Lieferzeit: 5 Werktage

Pos.
17
BOSCH Spiralfeder | Ersatzteile für GWS 9-115 S | 1604652013
Hersteller: BOSCH
Artikelnummer: EB-3601C96171-1604652013
Netto: 3,94 € zzgl. MwSt.
zzgl. 6,90 € Versand (brutto)
einmalig pro Bestellung

Lieferzeit: 5 Werktage

Pos.
18
BOSCH Druckfeder | Ersatzteile für GWS 9-115 S | 1619P11487
Hersteller: BOSCH
Artikelnummer: EB-3601C96171-1619P11487
Netto: 3,63 € zzgl. MwSt.
zzgl. 6,90 € Versand (brutto)
einmalig pro Bestellung

Lieferzeit: 5 Werktage

Pos.
22
BOSCH Verstellschieber | Ersatzteile für GWS 9-115 S | 1619P10968
Hersteller: BOSCH
Artikelnummer: EB-3601C96171-1619P10968
Netto: 3,63 € zzgl. MwSt.
zzgl. 6,90 € Versand (brutto)
einmalig pro Bestellung

Lieferzeit: 5 Werktage

Pos.
23
BOSCH Schalterknopf | Ersatzteile für GWS 9-115 S | 1619P10969
Hersteller: BOSCH
Artikelnummer: EB-3601C96171-1619P10969
Netto: 3,63 € zzgl. MwSt.
zzgl. 6,90 € Versand (brutto)
einmalig pro Bestellung

Lieferzeit: 5 Werktage

Pos.
25
BOSCH Gehäusedeckel | Ersatzteile für GWS 9-115 S | 1619P13557
Hersteller: BOSCH
Artikelnummer: EB-3601C96171-1619P13557
Netto: 6,15 € zzgl. MwSt.
zzgl. 6,90 € Versand (brutto)
einmalig pro Bestellung

Lieferzeit: 5 Werktage

Pos.
26
BOSCH Zwischenring | Ersatzteile für GWS 9-115 S | 1600502023
Hersteller: BOSCH
Artikelnummer: EB-3601C96171-1600502023
Netto: 4,32 € zzgl. MwSt.
zzgl. 6,90 € Versand (brutto)
einmalig pro Bestellung

Lieferzeit: 5 Werktage

Pos.
27
BOSCH Gummiring | Ersatzteile für GWS 9-115 S | 1600206025
Hersteller: BOSCH
Artikelnummer: EB-3601C96171-1600206025
Netto: 4,32 € zzgl. MwSt.
zzgl. 6,90 € Versand (brutto)
einmalig pro Bestellung

Lieferzeit: 5 Werktage

Pos.
29
BOSCH Luftleitring | Ersatzteile für GWS 9-115 S | 1619P10970
Hersteller: BOSCH
Artikelnummer: EB-3601C96171-1619P10970
Netto: 3,63 € zzgl. MwSt.
zzgl. 6,90 € Versand (brutto)
einmalig pro Bestellung

Lieferzeit: 5 Werktage

Pos.
30
BOSCH Luftverteiler | Ersatzteile für GWS 9-115 S | 1619P14139
Hersteller: BOSCH
Artikelnummer: EB-3601C96171-1619P14139
Netto: 3,94 € zzgl. MwSt.
zzgl. 6,90 € Versand (brutto)
einmalig pro Bestellung

Lieferzeit: 5 Werktage

Pos.
32
BOSCH Schleifspindel M 14, SW 17 | Ersatzteile für GWS 9-115 S | 1619P06419
Hersteller: BOSCH
Artikelnummer: EB-3601C96171-1619P06419
Netto: 9,95 € zzgl. MwSt.
zzgl. 6,90 € Versand (brutto)
einmalig pro Bestellung

Lieferzeit: 5 Werktage

Pos.
33
BOSCH O-Ring 44,0x1,0 MM | Ersatzteile für GWS 9-115 S | 1619P02820
Hersteller: BOSCH
Artikelnummer: EB-3601C96171-1619P02820
Netto: 3,94 € zzgl. MwSt.
zzgl. 6,90 € Versand (brutto)
einmalig pro Bestellung

Lieferzeit: 5 Werktage

Pos.
35
BOSCH Ausgleichscheibe 0,1 MM | Ersatzteile für GWS 9-115 S | 1619P02821
Hersteller: BOSCH
Artikelnummer: EB-3601C96171-1619P02821
Netto: 3,63 € zzgl. MwSt.
zzgl. 6,90 € Versand (brutto)
einmalig pro Bestellung

Lieferzeit: 5 Werktage

Pos.
35
BOSCH Ausgleichscheibe 0,2 MM | Ersatzteile für GWS 9-115 S | 1619P02822
Hersteller: BOSCH
Artikelnummer: EB-3601C96171-1619P02822
Netto: 3,94 € zzgl. MwSt.
zzgl. 6,90 € Versand (brutto)
einmalig pro Bestellung

Lieferzeit: 5 Werktage

Pos.
36
BOSCH Vorlegscheibe | Ersatzteile für GWS 9-115 S | 1619P00987
Hersteller: BOSCH
Artikelnummer: EB-3601C96171-1619P00987
Netto: 3,63 € zzgl. MwSt.
zzgl. 6,90 € Versand (brutto)
einmalig pro Bestellung

Lieferzeit: 5 Werktage

Pos.
37
BOSCH Abdeckscheibe | Ersatzteile für GWS 9-115 S | 1600100033
Hersteller: BOSCH
Artikelnummer: EB-3601C96171-1600100033
Netto: 4,53 € zzgl. MwSt.
zzgl. 6,90 € Versand (brutto)
einmalig pro Bestellung

Lieferzeit: 5 Werktage

Pos.
41
BOSCH Nadelhülse Ø8xØ12x8 MM | Ersatzteile für GWS 9-115 S | 1600910018
Hersteller: BOSCH
Artikelnummer: EB-3601C96171-1600910018
Netto: 6,15 € zzgl. MwSt.
zzgl. 6,90 € Versand (brutto)
einmalig pro Bestellung

Lieferzeit: 5 Werktage

Pos.
45
BOSCH Sechskantmutter DIN 934-M6-8-A | Ersatzteile für GWS 9-115 S | 2915011007
Hersteller: BOSCH
Artikelnummer: EB-3601C96171-2915011007
Netto: 3,63 € zzgl. MwSt.
zzgl. 6,90 € Versand (brutto)
einmalig pro Bestellung

Lieferzeit: 5 Werktage

Pos.
47
BOSCH Spezialschraube | Ersatzteile für GWS 9-115 S | 2609110052
Hersteller: BOSCH
Artikelnummer: EB-3601C96171-2609110052
Netto: 3,63 € zzgl. MwSt.
zzgl. 6,90 € Versand (brutto)
einmalig pro Bestellung

Lieferzeit: 5 Werktage

Pos.
48
BOSCH Torx-Linsenschraube 3x10 | Ersatzteile für GWS 9-115 S | 1619P00220
Hersteller: BOSCH
Artikelnummer: EB-3601C96171-1619P00220
Netto: 3,63 € zzgl. MwSt.
zzgl. 6,90 € Versand (brutto)
einmalig pro Bestellung

Lieferzeit: 5 Werktage

Pos.
49
BOSCH Gewindefurchschraube | Ersatzteile für GWS 9-115 S | 1619P11118
Hersteller: BOSCH
Artikelnummer: EB-3601C96171-1619P11118
Netto: 3,94 € zzgl. MwSt.
zzgl. 6,90 € Versand (brutto)
einmalig pro Bestellung

Lieferzeit: 5 Werktage

Pos.
50
BOSCH Torx-Linsenschraube 4x20 | Ersatzteile für GWS 9-115 S | 1619P00105
Hersteller: BOSCH
Artikelnummer: EB-3601C96171-1619P00105
Netto: 3,94 € zzgl. MwSt.
zzgl. 6,90 € Versand (brutto)
einmalig pro Bestellung

Lieferzeit: 5 Werktage

Pos.
51
BOSCH Drehzahlregler | Ersatzteile für GWS 9-115 S | 160723358M
Hersteller: BOSCH
Artikelnummer: EB-3601C96171-160723358M
Netto: 24,13 € zzgl. MwSt.
zzgl. 6,90 € Versand (brutto)
einmalig pro Bestellung

Lieferzeit: 5 Werktage

Pos.
54
BOSCH Torx-Linsenschraube 4x30 | Ersatzteile für GWS 9-115 S | 2603490025
Hersteller: BOSCH
Artikelnummer: EB-3601C96171-2603490025
Netto: 3,63 € zzgl. MwSt.
zzgl. 6,90 € Versand (brutto)
einmalig pro Bestellung

Lieferzeit: 5 Werktage

Pos.
55
BOSCH Torx-Linsenschraube 4x25 | Ersatzteile für GWS 9-115 S | 1619P01066
Hersteller: BOSCH
Artikelnummer: EB-3601C96171-1619P01066
Netto: 3,63 € zzgl. MwSt.
zzgl. 6,90 € Versand (brutto)
einmalig pro Bestellung

Lieferzeit: 5 Werktage

Pos.
62
BOSCH O-Ring 38,0x1,5 MM | Ersatzteile für GWS 9-115 S | 1600210038
Hersteller: BOSCH
Artikelnummer: EB-3601C96171-1600210038
Netto: 4,53 € zzgl. MwSt.
zzgl. 6,90 € Versand (brutto)
einmalig pro Bestellung

Lieferzeit: 5 Werktage

Pos.
80
BOSCH Abdeckscheibe | Ersatzteile für GWS 9-115 S | 1619P09390
Hersteller: BOSCH
Artikelnummer: EB-3601C96171-1619P09390
Netto: 4,32 € zzgl. MwSt.
zzgl. 6,90 € Versand (brutto)
einmalig pro Bestellung

Lieferzeit: 5 Werktage

Pos.
108
BOSCH Schrumpfschlauch | Ersatzteile für GWS 9-115 S | 1619P02866
Hersteller: BOSCH
Artikelnummer: EB-3601C96171-1619P02866
Netto: 3,63 € zzgl. MwSt.
zzgl. 6,90 € Versand (brutto)
einmalig pro Bestellung

Lieferzeit: 5 Werktage

Pos.
651
BOSCH Schutzhaube Ø115 MM SILBER | Ersatzteile für GWS 9-115 S | 1619P14538
Hersteller: BOSCH
Artikelnummer: EB-3601C96171-1619P14538
Netto: 9,18 € zzgl. MwSt.
zzgl. 6,90 € Versand (brutto)
einmalig pro Bestellung

Lieferzeit: 5 Werktage

Pos.
810
BOSCH Kohlebürstensatz | Ersatzteile für GWS 9-115 S | 1619P11715
Hersteller: BOSCH
Artikelnummer: EB-3601C96171-1619P11715
Netto: 6,70 € zzgl. MwSt.
zzgl. 6,90 € Versand (brutto)
einmalig pro Bestellung

Lieferzeit: 5 Werktage

Pos.
828
BOSCH Lagerflansch | Ersatzteile für GWS 9-115 S | 1619P11094
Hersteller: BOSCH
Artikelnummer: EB-3601C96171-1619P11094
Netto: 12,98 € zzgl. MwSt.
zzgl. 6,90 € Versand (brutto)
einmalig pro Bestellung

Lieferzeit: 5 Werktage

Pos.
831
BOSCH Getriebegehäuse | Ersatzteile für GWS 9-115 S | 1619P11096
Hersteller: BOSCH
Artikelnummer: EB-3601C96171-1619P11096
Netto: 11,92 € zzgl. MwSt.
zzgl. 6,90 € Versand (brutto)
einmalig pro Bestellung

Lieferzeit: 5 Werktage

Pos.
838
BOSCH Zahnradsatz | Ersatzteile für GWS 9-115 S | 1619P14111
Hersteller: BOSCH
Artikelnummer: EB-3601C96171-1619P14111
Netto: 10,92 € zzgl. MwSt.
zzgl. 6,90 € Versand (brutto)
einmalig pro Bestellung

Lieferzeit: 5 Werktage

Pos.
840
BOSCH Tastknopf | Ersatzteile für GWS 9-115 S | 1619P12188
Hersteller: BOSCH
Artikelnummer: EB-3601C96171-1619P12188
Netto: 3,94 € zzgl. MwSt.
zzgl. 6,90 € Versand (brutto)
einmalig pro Bestellung

Lieferzeit: 5 Werktage

Pos.
843
BOSCH Rasthebel | Ersatzteile für GWS 9-115 S | 1619P11076
Hersteller: BOSCH
Artikelnummer: EB-3601C96171-1619P11076
Netto: 15,75 € zzgl. MwSt.
zzgl. 6,90 € Versand (brutto)
einmalig pro Bestellung

Lieferzeit: 5 Werktage

Pos.
858
BOSCH Linsenschraube DIN7985-M3,5x5-4.8-H | Ersatzteile für GWS 9-115 S | 2910641081
Hersteller: BOSCH
Artikelnummer: EB-3601C96171-2910641081
nur Informationsartikel
Nie mehr lieferbar
keine Alternativen
Pos.
894
BOSCH Fetttube 225 ML | Ersatzteile für GWS 9-115 S | 1615430020
Hersteller: BOSCH
Artikelnummer: EB-3601C96171-1615430020
Netto: 17,38 € zzgl. MwSt.
zzgl. 6,90 € Versand (brutto)
einmalig pro Bestellung

Lieferzeit: 5 Werktage

Pos.
895
BOSCH Fetttube 225 ML | Ersatzteile für GWS 9-115 S | 1605430003
Hersteller: BOSCH
Artikelnummer: EB-3601C96171-1605430003
Netto: 29,45 € zzgl. MwSt.
zzgl. 6,90 € Versand (brutto)
einmalig pro Bestellung

Lieferzeit: 5 Werktage

Angaben zur Produktsicherheit

Hersteller:
Robert Bosch Power Tools GmbH
Postfach 30 02 20
70442 Stuttgart

E-Mail:
kontakt@bosch.de