BOSCH Einmaulschlüssel | Ersatzteile für Handhobel | 2607950504

Artikelnummer: EB-0603252034-2607950504

Position: 650

Marke: BOSCH


Bitte Kompatibilität prüfen!

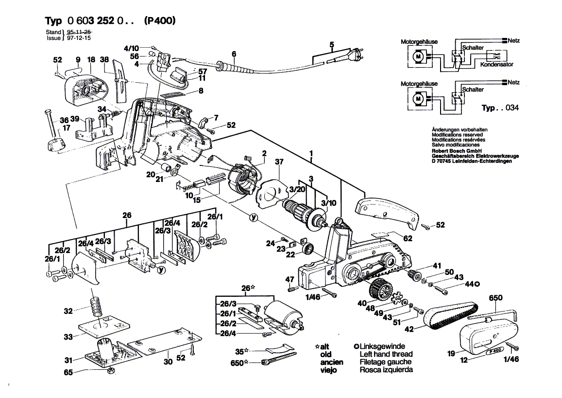
Bitte prüfen Sie unbedingt die 10-stellige Typennummer Ihrer Maschine / Ihres Gerätes. Das Ersatzteil ist nur kompatibel, wenn Sie die Typennummer Ihrer Maschine in der unten stehenden Produktbeschreibung finden.

Bitte prüfen Sie ebenfalls detailliert die Explosionszeichnung mit Ihrem Artikelwunsch und der jeweiligen Pos-Nummer.

Alle Elemente, welche vom schwarzen Strich der Pos-Nummer ausgehend berührt / erfasst werden, gehören zu dieser Pos-Nummer und somit zu diesem Artikel. Jede Pos-Nummer ist ein eigenständiger Artikel, welchen Sie in der Auflistung finden.

Sie erhalten stets die aktuellste, neueste Produktversion zu der gewählten Pos-Nummer seitens des Herstellers. Es kann daher je nach Gerätealter vorkommen, dass Sie ggf. weitere, zugehörige Elemente, welche an diese Pos-Nummer grenzen, ebenfalls mittauschen müssen.

Nähere Informationen finden Sie unter dem Link
Hinweise zu Ihrer BOSCH Ersatzteilsuche

Preisübersicht

Einzelpreis: 4,36 €* (Brutto: 5,19 €)
Gesamtpreis: 4,36 €* 
Position:

Lieferzeit: 5 Werktage


Beschreibung

  • Einmaulschlüssel
  • Original Bosch Zubehör / BOSCH Ersatzteil (2607950504)
  • im Gerät verbaut: 1
Dieses BOSCH Ersatzteil ist mit folgendem Gerät und Modell kompatibel:
  • BOSCH Gerätename: Handhobel
  • BOSCH Explosionszeichnung: Position 650
  • BOSCH Typennummer: 0603252034
  • BOSCH Typennummer alternative Schreibweisen: 0 603 252 034, 0603 252 034, 0.603.252.034, 0-603-252-034
    Bitte prüfen Sie diese Typennummer auf Ihrem Gerät um die Kompatibilität des BOSCH Ersatzteils zu gewährleisten.
Weitere BOSCH Ersatzteile des Gerätes Handhobel mit der Typennummer 0603252034 finden Sie in der nachfolgenden Darstellung und im Dropdown zu Ihrer Auswahl:

Pos.
1
BOSCH Motorgehäuse GRUEN | Ersatzteile für Handhobel | 1609200638
Hersteller: BOSCH
Artikelnummer: EB-0603252034-1609200638
nur Informationsartikel
Nie mehr lieferbar
keine Alternativen
Pos.
1/46
BOSCH Blechschraube B 3,9x32 DIN 7981 | Ersatzteile für Handhobel | 2910611082
Hersteller: BOSCH
Artikelnummer: EB-0603252034-2910611082
nur Informationsartikel
Nie mehr lieferbar
keine Alternativen
Pos.
26/1
BOSCH Aufnahmeleiste | Ersatzteile für Handhobel | 1609201129
Hersteller: BOSCH
Artikelnummer: EB-0603252034-1609201129
nur Informationsartikel
Nie mehr lieferbar
keine Alternativen
Pos.
26/2
BOSCH Hobelmesser | Ersatzteile für Handhobel | 1609200978
Hersteller: BOSCH
Artikelnummer: EB-0603252034-1609200978
nur Informationsartikel
Nie mehr lieferbar
keine Alternativen
Pos.
26/3
BOSCH Innensechskantschraube | Ersatzteile für Handhobel | 1609201086
Hersteller: BOSCH
Artikelnummer: EB-0603252034-1609201086
nur Informationsartikel
Nie mehr lieferbar
keine Alternativen
Pos.
26/4
BOSCH Unterlegscheibe DIN 126-9-A2 | Ersatzteile für Handhobel | 2918660004
Hersteller: BOSCH
Artikelnummer: EB-0603252034-2918660004
nur Informationsartikel
Nie mehr lieferbar
keine Alternativen
Pos.
3/10
BOSCH Rillenkugellager 6 001 LLU C 3/3K DIN 625 | Ersatzteile für Handhobel | 1609200715
Hersteller: BOSCH
Artikelnummer: EB-0603252034-1609200715
nur Informationsartikel
Nie mehr lieferbar
keine Alternativen
Pos.
3/20
BOSCH Rillenkugellager 607 LLB C3/3K DIN 625 | Ersatzteile für Handhobel | 1609200716
Hersteller: BOSCH
Artikelnummer: EB-0603252034-1609200716
nur Informationsartikel
Nie mehr lieferbar
keine Alternativen
Pos.
60/1
BOSCH Anschlagwinkel | Ersatzteile für Handhobel | 1609200029
Hersteller: BOSCH
Artikelnummer: EB-0603252034-1609200029
nur Informationsartikel
Nie mehr lieferbar
keine Alternativen
Pos.
60/3
BOSCH Flügelschraube M6x20 MM | Ersatzteile für Handhobel | 1609234016
Hersteller: BOSCH
Artikelnummer: EB-0603252034-1609234016
nur Informationsartikel
Nie mehr lieferbar
keine Alternativen
Pos.
60/4
BOSCH Flügelmutter M6 | Ersatzteile für Handhobel | 1609233000
Hersteller: BOSCH
Artikelnummer: EB-0603252034-1609233000
nur Informationsartikel
Nie mehr lieferbar
keine Alternativen
Pos.
60/5
BOSCH Flachrundschraube DIN 603-M6x25 | Ersatzteile für Handhobel | 2910281203
Hersteller: BOSCH
Artikelnummer: EB-0603252034-2910281203
Netto: 4,56 € zzgl. MwSt.
zzgl. 6,90 € Versand (brutto)
einmalig pro Bestellung

Lieferzeit: 5 Werktage

Pos.
60/6
BOSCH Flachrundschraube M6x15 DIN 603 | Ersatzteile für Handhobel | 2910281196
Hersteller: BOSCH
Artikelnummer: EB-0603252034-2910281196
nur Informationsartikel
Nie mehr lieferbar
keine Alternativen
Pos.
60/7
BOSCH Unterlegscheibe Ø6,4xØ16x2 MM | Ersatzteile für Handhobel | 1609201082
Hersteller: BOSCH
Artikelnummer: EB-0603252034-1609201082
nur Informationsartikel
Nie mehr lieferbar
keine Alternativen
Pos.
60/8
BOSCH Unterlegscheibe DIN 125-A 6,4-ST | Ersatzteile für Handhobel | 2916011014
Hersteller: BOSCH
Artikelnummer: EB-0603252034-2916011014
Netto: 3,60 € zzgl. MwSt.
zzgl. 6,90 € Versand (brutto)
einmalig pro Bestellung

Lieferzeit: 5 Werktage

Pos.
60/9
BOSCH Breitenanschlag | Ersatzteile für Handhobel | 1609200054
Hersteller: BOSCH
Artikelnummer: EB-0603252034-1609200054
nur Informationsartikel
Nie mehr lieferbar
keine Alternativen
Pos.
61/1
BOSCH Anschlagwinkel | Ersatzteile für Handhobel | 1601331039
Hersteller: BOSCH
Artikelnummer: EB-0603252034-1601331039
nur Informationsartikel
Nie mehr lieferbar
keine Alternativen
Pos.
61/2
BOSCH Flügelschraube | Ersatzteile für Handhobel | 1609234017
Hersteller: BOSCH
Artikelnummer: EB-0603252034-1609234017
nur Informationsartikel
Nie mehr lieferbar
keine Alternativen
Pos.
61/3
BOSCH Gummiring G 9x13x3 MM | Ersatzteile für Handhobel | 1609200056
Hersteller: BOSCH
Artikelnummer: EB-0603252034-1609200056
nur Informationsartikel
Nie mehr lieferbar
keine Alternativen
Pos.
2
BOSCH Polschuh 110-115V | Ersatzteile für Handhobel | 1609200652
Hersteller: BOSCH
Artikelnummer: EB-0603252034-1609200652
nur Informationsartikel
Nie mehr lieferbar
keine Alternativen
Pos.
3
BOSCH Anker 110-115V | Ersatzteile für Handhobel | 1609200653
Hersteller: BOSCH
Artikelnummer: EB-0603252034-1609200653
nur Informationsartikel
Nie mehr lieferbar
keine Alternativen
Pos.
4
BOSCH Ein/Aus-Schalter | Ersatzteile für Handhobel | 1609200748
Hersteller: BOSCH
Artikelnummer: EB-0603252034-1609200751
nur Informationsartikel
Nie mehr lieferbar
keine Alternativen
Pos.
5
BOSCH Netzanschlussleitung USA/CDN 2,15m 2 x 082mm SJ 18/2 | Ersatzteile für Handhobel | 1604460022
Hersteller: BOSCH
Artikelnummer: EB-0603252034-1604460022
nur Informationsartikel
Nie mehr lieferbar
keine Alternativen
Pos.
6
BOSCH Tülle Ø9x90 MM | Ersatzteile für Handhobel | 1609207001
Hersteller: BOSCH
Artikelnummer: EB-0603252034-1609207001
nur Informationsartikel
Nie mehr lieferbar
keine Alternativen
Pos.
7
BOSCH Befestigungsschelle | Ersatzteile für Handhobel | 1609213000
Hersteller: BOSCH
Artikelnummer: EB-0603252034-1609213000
nur Informationsartikel
Nie mehr lieferbar
keine Alternativen
Pos.
8
BOSCH Typschild | Ersatzteile für Handhobel | 1601105099
Hersteller: BOSCH
Artikelnummer: EB-0603252034-1601105099
nur Informationsartikel
Nie mehr lieferbar
keine Alternativen
Pos.
9
BOSCH Hinweisschild | Ersatzteile für Handhobel | 1601110044
Hersteller: BOSCH
Artikelnummer: EB-0603252034-1601110044
nur Informationsartikel
Nie mehr lieferbar
keine Alternativen
Pos.
10
BOSCH Kohlebürstensatz | Ersatzteile für Handhobel | 1609202417
Hersteller: BOSCH
Artikelnummer: EB-0603252034-1609202417
nur Informationsartikel
Nie mehr lieferbar
keine Alternativen
Pos.
12
BOSCH Klebeschild | Ersatzteile für Handhobel | 1609200656
Hersteller: BOSCH
Artikelnummer: EB-0603252034-1609200656
nur Informationsartikel
Nie mehr lieferbar
keine Alternativen
Pos.
15
BOSCH Bürstenhalter | Ersatzteile für Handhobel | 1609200032
Hersteller: BOSCH
Artikelnummer: EB-0603252034-1609200032
nur Informationsartikel
Nie mehr lieferbar
keine Alternativen
Pos.
17
BOSCH Handgriff | Ersatzteile für Handhobel | 1609200642
Hersteller: BOSCH
Artikelnummer: EB-0603252034-1609200642
nur Informationsartikel
Nie mehr lieferbar
keine Alternativen
Pos.
18
BOSCH Lagerdeckel | Ersatzteile für Handhobel | 1609200643
Hersteller: BOSCH
Artikelnummer: EB-0603252034-1609200643
nur Informationsartikel
Nie mehr lieferbar
keine Alternativen
Pos.
19
BOSCH Getriebedeckel | Ersatzteile für Handhobel | 1609200644
Hersteller: BOSCH
Artikelnummer: EB-0603252034-1609200644
nur Informationsartikel
Nie mehr lieferbar
keine Alternativen
Pos.
20
BOSCH Nadelhülse | Ersatzteile für Handhobel | 1609209006
Hersteller: BOSCH
Artikelnummer: EB-0603252034-1609209006
nur Informationsartikel
Nie mehr lieferbar
keine Alternativen
Pos.
21
BOSCH Dichtring | Ersatzteile für Handhobel | 1609202009
Hersteller: BOSCH
Artikelnummer: EB-0603252034-1609202009
nur Informationsartikel
Nie mehr lieferbar
keine Alternativen
Pos.
23
BOSCH Spannplatte | Ersatzteile für Handhobel | 1609200039
Hersteller: BOSCH
Artikelnummer: EB-0603252034-1609200039
nur Informationsartikel
Nie mehr lieferbar
keine Alternativen
Pos.
24
BOSCH Torx-Linsenschraube 3x10 | Ersatzteile für Handhobel | 2603490017
Hersteller: BOSCH
Artikelnummer: EB-0603252034-2603490017
Netto: 4,36 € zzgl. MwSt.
zzgl. 6,90 € Versand (brutto)
einmalig pro Bestellung

Lieferzeit: 5 Werktage

Pos.
26
BOSCH Messerkopf | Ersatzteile für Handhobel | 1609201113
Hersteller: BOSCH
Artikelnummer: EB-0603252034-1609201113
nur Informationsartikel
Nie mehr lieferbar
keine Alternativen
Pos.
30
BOSCH Grundplatte | Ersatzteile für Handhobel | 1609200648
Hersteller: BOSCH
Artikelnummer: EB-0603252034-1609200648
nur Informationsartikel
Nie mehr lieferbar
keine Alternativen
Pos.
31
BOSCH Verstellschieber | Ersatzteile für Handhobel | 1609201076
Hersteller: BOSCH
Artikelnummer: EB-0603252034-1609201076
nur Informationsartikel
Nie mehr lieferbar
keine Alternativen
Pos.
32
BOSCH Druckfeder | Ersatzteile für Handhobel | 1604619017
Hersteller: BOSCH
Artikelnummer: EB-0603252034-1604619017
Netto: 4,36 € zzgl. MwSt.
zzgl. 6,90 € Versand (brutto)
einmalig pro Bestellung

Lieferzeit: 5 Werktage

Pos.
33
BOSCH Dichtplatte | Ersatzteile für Handhobel | 1609200043
Hersteller: BOSCH
Artikelnummer: EB-0603252034-1609200043
nur Informationsartikel
Nie mehr lieferbar
keine Alternativen
Pos.
34
BOSCH Schenkelfeder | Ersatzteile für Handhobel | 1609200044
Hersteller: BOSCH
Artikelnummer: EB-0603252034-1609200044
nur Informationsartikel
Nie mehr lieferbar
keine Alternativen
Pos.
36
BOSCH Sechskantschraube M 10x70 DIN 933-8.8 | Ersatzteile für Handhobel | 2911061307
Hersteller: BOSCH
Artikelnummer: EB-0603252034-2911061307
nur Informationsartikel
Nie mehr lieferbar
keine Alternativen
Pos.
37
BOSCH Zwischenplatte | Ersatzteile für Handhobel | 1609200649
Hersteller: BOSCH
Artikelnummer: EB-0603252034-1609200649
nur Informationsartikel
Nie mehr lieferbar
keine Alternativen
Pos.
38
BOSCH Klappe | Ersatzteile für Handhobel | 1609200031
Hersteller: BOSCH
Artikelnummer: EB-0603252034-1609200031
nur Informationsartikel
Nie mehr lieferbar
keine Alternativen
Pos.
39
BOSCH Klappe | Ersatzteile für Handhobel | 1609200021
Hersteller: BOSCH
Artikelnummer: EB-0603252034-1609200021
nur Informationsartikel
Nie mehr lieferbar
keine Alternativen
Pos.
40
BOSCH Riemenscheibe Z=31 | Ersatzteile für Handhobel | 1609200650
Hersteller: BOSCH
Artikelnummer: EB-0603252034-1609200650
nur Informationsartikel
Nie mehr lieferbar
keine Alternativen
Pos.
41
BOSCH Riemenscheibe Z=13 | Ersatzteile für Handhobel | 1609200016
Hersteller: BOSCH
Artikelnummer: EB-0603252034-1609200016
nur Informationsartikel
Nie mehr lieferbar
keine Alternativen
Pos.
42
BOSCH Zahnriemen Z= 60 | Ersatzteile für Handhobel | 1609201215
Hersteller: BOSCH
Artikelnummer: EB-0603252034-1609201215
nur Informationsartikel
Nie mehr lieferbar
keine Alternativen
Pos.
43
BOSCH Federscheibe DIN 137-A5-FST | Ersatzteile für Handhobel | 2916060006
Hersteller: BOSCH
Artikelnummer: EB-0603252034-2916060006
nur Informationsartikel
Nie mehr lieferbar
keine Alternativen
Pos.
44
BOSCH Innensechskantschraube M 5x16 MM LINKSGEWINDE | Ersatzteile für Handhobel | 1609234023
Hersteller: BOSCH
Artikelnummer: EB-0603252034-1609234023
nur Informationsartikel
Nie mehr lieferbar
keine Alternativen
Pos.
47
BOSCH Gewindestift M 4x16 DIN 915-45H | Ersatzteile für Handhobel | 2912081126
Hersteller: BOSCH
Artikelnummer: EB-0603252034-2912081126
nur Informationsartikel
Nie mehr lieferbar
keine Alternativen
Pos.
48
BOSCH Mitnehmerscheibe | Ersatzteile für Handhobel | 1609200052
Hersteller: BOSCH
Artikelnummer: EB-0603252034-1609200052
nur Informationsartikel
Nie mehr lieferbar
keine Alternativen
Pos.
49
BOSCH Unterlegscheibe 5,3 DIN 7349 | Ersatzteile für Handhobel | 2916201003
Hersteller: BOSCH
Artikelnummer: EB-0603252034-2916201003
nur Informationsartikel
Nie mehr lieferbar
keine Alternativen
Pos.
50
BOSCH Unterlegscheibe DIN 433-5,3-ST | Ersatzteile für Handhobel | 2916011011
Hersteller: BOSCH
Artikelnummer: EB-0603252034-2916011011
nur Informationsartikel
Nie mehr lieferbar
keine Alternativen
Pos.
51
BOSCH Innensechskantschraube DIN 912-M5x12-8.8 | Ersatzteile für Handhobel | 2910141154
Hersteller: BOSCH
Artikelnummer: EB-0603252034-2910141154
nur Informationsartikel
Nie mehr lieferbar
keine Alternativen
Pos.
52
BOSCH Blechschraube DIN 7981-3,9x19-C-Z-ST | Ersatzteile für Handhobel | 2912401020
Hersteller: BOSCH
Artikelnummer: EB-0603252034-2912401020
Netto: 4,36 € zzgl. MwSt.
zzgl. 6,90 € Versand (brutto)
einmalig pro Bestellung

Lieferzeit: 5 Werktage

Pos.
56
BOSCH Verschlussstopfen | Ersatzteile für Handhobel | 1609200048
Hersteller: BOSCH
Artikelnummer: EB-0603252034-1609200048
nur Informationsartikel
Nie mehr lieferbar
keine Alternativen
Pos.
57
BOSCH Klebeband | Ersatzteile für Handhobel | 1609200550
Hersteller: BOSCH
Artikelnummer: EB-0603252034-1609200550
nur Informationsartikel
Nie mehr lieferbar
keine Alternativen
Pos.
61
BOSCH Tiefenanschlag | Ersatzteile für Handhobel | 1608132006
Hersteller: BOSCH
Artikelnummer: EB-0603252034-1608132006
Netto: 10,56 € zzgl. MwSt.
zzgl. 6,90 € Versand (brutto)
einmalig pro Bestellung

Lieferzeit: 5 Werktage

Pos.
62
BOSCH Hinweisschild | Ersatzteile für Handhobel | 1610110058
Hersteller: BOSCH
Artikelnummer: EB-0603252034-1610110058
nur Informationsartikel
Nie mehr lieferbar
keine Alternativen
Pos.
65
BOSCH Sechskantmutter DIN 934-M 10-m-8 | Ersatzteile für Handhobel | 2915011010
Hersteller: BOSCH
Artikelnummer: EB-0603252034-2915011010
nur Informationsartikel
Nie mehr lieferbar
keine Alternativen
Pos.
650
BOSCH Einmaulschlüssel | Ersatzteile für Handhobel | 2607950504
Hersteller: BOSCH
Artikelnummer: EB-0603252034-2607950504
Netto: 4,36 € zzgl. MwSt.
zzgl. 6,90 € Versand (brutto)
einmalig pro Bestellung

Lieferzeit: 5 Werktage

Pos.
650
BOSCH Schraubendreher SW5 | Ersatzteile für Handhobel | 1609201069
Hersteller: BOSCH
Artikelnummer: EB-0603252034-1609201069
nur Informationsartikel
Nie mehr lieferbar
keine Alternativen
Pos.
700
BOSCH Untergestell | Ersatzteile für Handhobel | 1609200980
Hersteller: BOSCH
Artikelnummer: EB-0603252034-1609200980
nur Informationsartikel
Nie mehr lieferbar
keine Alternativen

Angaben zur Produktsicherheit

Hersteller:
Robert Bosch Power Tools GmbH
Postfach 30 02 20
70442 Stuttgart

E-Mail:
kontakt@bosch.de