BOSCH Flachrundschraube DIN 603-M6x25 | Ersatzteile für Handkreissäge | 2910281203

Artikelnummer: EB-0600551048-2910281203

Position: 62

Marke: BOSCH


Bitte Kompatibilität prüfen!

Bitte prüfen Sie unbedingt die 10-stellige Typennummer Ihrer Maschine / Ihres Gerätes. Das Ersatzteil ist nur kompatibel, wenn Sie die Typennummer Ihrer Maschine in der unten stehenden Produktbeschreibung finden.

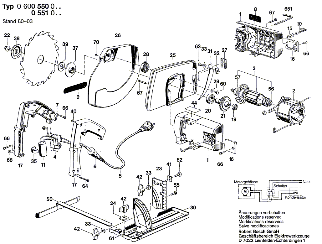
Bitte prüfen Sie ebenfalls detailliert die Explosionszeichnung mit Ihrem Artikelwunsch und der jeweiligen Pos-Nummer.

Alle Elemente, welche vom schwarzen Strich der Pos-Nummer ausgehend berührt / erfasst werden, gehören zu dieser Pos-Nummer und somit zu diesem Artikel. Jede Pos-Nummer ist ein eigenständiger Artikel, welchen Sie in der Auflistung finden.

Sie erhalten stets die aktuellste, neueste Produktversion zu der gewählten Pos-Nummer seitens des Herstellers. Es kann daher je nach Gerätealter vorkommen, dass Sie ggf. weitere, zugehörige Elemente, welche an diese Pos-Nummer grenzen, ebenfalls mittauschen müssen.

Nähere Informationen finden Sie unter dem Link
Hinweise zu Ihrer BOSCH Ersatzteilsuche

Preisübersicht

Einzelpreis: 4,53 €* (Brutto: 5,39 €)
Gesamtpreis: 4,53 €* 
Position:

Lieferzeit: 5 Werktage


Beschreibung

  • Flachrundschraube DIN 603-M6x25
  • Original Bosch Zubehör / BOSCH Ersatzteil (2910281203)
  • im Gerät verbaut: 1
Dieses BOSCH Ersatzteil ist mit folgendem Gerät und Modell kompatibel:
  • BOSCH Gerätename: Handkreissäge
  • BOSCH Explosionszeichnung: Position 62
  • BOSCH Typennummer: 0600551048
  • BOSCH Typennummer alternative Schreibweisen: 0 600 551 048, 0600 551 048, 0.600.551.048, 0-600-551-048
    Bitte prüfen Sie diese Typennummer auf Ihrem Gerät um die Kompatibilität des BOSCH Ersatzteils zu gewährleisten.
Weitere BOSCH Ersatzteile des Gerätes Handkreissäge mit der Typennummer 0600551048 finden Sie in der nachfolgenden Darstellung und im Dropdown zu Ihrer Auswahl:

Pos.
1
BOSCH Motorgehäuse | Ersatzteile für Handkreissäge | 1609200074
Hersteller: BOSCH
Artikelnummer: EB-0600551048-1609200074
nur Informationsartikel
Nie mehr lieferbar
keine Alternativen
Pos.
2
BOSCH Polschuh 220-240V | Ersatzteile für Handkreissäge | 1609220514
Hersteller: BOSCH
Artikelnummer: EB-0600551048-1609220514
nur Informationsartikel
Nie mehr lieferbar
keine Alternativen
Pos.
3
BOSCH Anker 220-240V | Ersatzteile für Handkreissäge | 1609200663
Hersteller: BOSCH
Artikelnummer: EB-0600551048-1609200663
nur Informationsartikel
Nie mehr lieferbar
keine Alternativen
Pos.
4
BOSCH Ein/Aus-Schalter | Ersatzteile für Handkreissäge | 1609200748
Hersteller: BOSCH
Artikelnummer: EB-0600551048-1609200748
nur Informationsartikel
Nie mehr lieferbar
keine Alternativen
Pos.
5
BOSCH Netzanschlussleitung EU 4,15m 2 x 1,0mm H07 RN-F | Ersatzteile für Handkreissäge | 1607000227
Hersteller: BOSCH
Artikelnummer: EB-0600551048-1607000227
Netto: 21,16 € zzgl. MwSt.
zzgl. 6,90 € Versand (brutto)
einmalig pro Bestellung

Lieferzeit: 5 Werktage

Pos.
6
BOSCH Tülle Ø9x90 MM | Ersatzteile für Handkreissäge | 1609207001
Hersteller: BOSCH
Artikelnummer: EB-0600551048-1609207001
nur Informationsartikel
Nie mehr lieferbar
keine Alternativen
Pos.
7
BOSCH Befestigungsschelle | Ersatzteile für Handkreissäge | 1609213000
Hersteller: BOSCH
Artikelnummer: EB-0600551048-1609213000
nur Informationsartikel
Nie mehr lieferbar
keine Alternativen
Pos.
9
BOSCH Firmenschild | Ersatzteile für Handkreissäge | 1601110017
Hersteller: BOSCH
Artikelnummer: EB-0600551048-1601110017
nur Informationsartikel
Nie mehr lieferbar
keine Alternativen
Pos.
9
BOSCH Typschild | Ersatzteile für Handkreissäge | 160111A3H3
Hersteller: BOSCH
Artikelnummer: EB-0600551048-160111A3H3
Netto: 4,53 € zzgl. MwSt.
zzgl. 6,90 € Versand (brutto)
einmalig pro Bestellung

Lieferzeit: 5 Werktage

Pos.
10
BOSCH Kohlebürstensatz | Ersatzteile für Handkreissäge | 1609202417
Hersteller: BOSCH
Artikelnummer: EB-0600551048-1609202417
nur Informationsartikel
Nie mehr lieferbar
keine Alternativen
Pos.
11
BOSCH Entstörkondensator | Ersatzteile für Handkreissäge | 1609200750
Hersteller: BOSCH
Artikelnummer: EB-0600551048-1609200750
nur Informationsartikel
Nie mehr lieferbar
keine Alternativen
Pos.
12
BOSCH Kontaktfeder | Ersatzteile für Handkreissäge | 1609200049
Hersteller: BOSCH
Artikelnummer: EB-0600551048-1609200049
nur Informationsartikel
Nie mehr lieferbar
keine Alternativen
Pos.
15
BOSCH Bürstenhalter | Ersatzteile für Handkreissäge | 1609200032
Hersteller: BOSCH
Artikelnummer: EB-0600551048-1609200032
nur Informationsartikel
Nie mehr lieferbar
keine Alternativen
Pos.
16
BOSCH Verschlussdeckel | Ersatzteile für Handkreissäge | 1609200079
Hersteller: BOSCH
Artikelnummer: EB-0600551048-1609200079
nur Informationsartikel
Nie mehr lieferbar
keine Alternativen
Pos.
17
BOSCH Handgriff | Ersatzteile für Handkreissäge | 1609200075
Hersteller: BOSCH
Artikelnummer: EB-0600551048-1609200075
nur Informationsartikel
Nie mehr lieferbar
keine Alternativen
Pos.
19
BOSCH Kugellager 7x19x6 | Ersatzteile für Handkreissäge | 2600905032
Hersteller: BOSCH
Artikelnummer: EB-0600551048-2600905032
Netto: 6,15 € zzgl. MwSt.
zzgl. 6,90 € Versand (brutto)
einmalig pro Bestellung

Lieferzeit: 26 Werktage

Pos.
20
BOSCH Rillenkugellager 17x35x10 | Ersatzteile für Handkreissäge | 1900905163
Hersteller: BOSCH
Artikelnummer: EB-0600551048-1900905163
Netto: 9,95 € zzgl. MwSt.
zzgl. 6,90 € Versand (brutto)
einmalig pro Bestellung

Lieferzeit: 5 Werktage

Pos.
21
BOSCH Stirnrad Z=37 | Ersatzteile für Handkreissäge | 1609200665
Hersteller: BOSCH
Artikelnummer: EB-0600551048-1609200665
nur Informationsartikel
Nie mehr lieferbar
keine Alternativen
Pos.
22
BOSCH Innensechskantschraube M6x14 MM | Ersatzteile für Handkreissäge | 1603414007
Hersteller: BOSCH
Artikelnummer: EB-0600551048-1603414007
Netto: 3,94 € zzgl. MwSt.
zzgl. 6,90 € Versand (brutto)
einmalig pro Bestellung

Lieferzeit: 5 Werktage

Pos.
23
BOSCH Skalenträger | Ersatzteile für Handkreissäge | 1608000076
Hersteller: BOSCH
Artikelnummer: EB-0600551048-1608000076
nur Informationsartikel
Nie mehr lieferbar
keine Alternativen
Pos.
24
BOSCH Klemmstück | Ersatzteile für Handkreissäge | 1601030024
Hersteller: BOSCH
Artikelnummer: EB-0600551048-1601030024
nur Informationsartikel
Nie mehr lieferbar
keine Alternativen
Pos.
25
BOSCH Schutzhaube | Ersatzteile für Handkreissäge | 1609200518
Hersteller: BOSCH
Artikelnummer: EB-0600551048-1609200518
nur Informationsartikel
Nie mehr lieferbar
keine Alternativen
Pos.
26
BOSCH Pendelschutzhaube | Ersatzteile für Handkreissäge | 1609200519
Hersteller: BOSCH
Artikelnummer: EB-0600551048-1609200519
nur Informationsartikel
Nie mehr lieferbar
keine Alternativen
Pos.
27
BOSCH Gummipuffer | Ersatzteile für Handkreissäge | 1602386002
Hersteller: BOSCH
Artikelnummer: EB-0600551048-1602386002
nur Informationsartikel
Nie mehr lieferbar
keine Alternativen
Pos.
28
BOSCH Spiralfeder | Ersatzteile für Handkreissäge | 1609246001
Hersteller: BOSCH
Artikelnummer: EB-0600551048-1609246001
nur Informationsartikel
Nie mehr lieferbar
keine Alternativen
Pos.
29
BOSCH Unterlegscheibe 0,3 MM DICK | Ersatzteile für Handkreissäge | 1600100633
Hersteller: BOSCH
Artikelnummer: EB-0600551048-1600100633
nur Informationsartikel
Nie mehr lieferbar
keine Alternativen
Pos.
30
BOSCH Grundplatte 110x298 MM | Ersatzteile für Handkreissäge | 1608000075
Hersteller: BOSCH
Artikelnummer: EB-0600551048-1608000075
nur Informationsartikel
Nie mehr lieferbar
keine Alternativen
Pos.
31
BOSCH Spaltkeil | Ersatzteile für Handkreissäge | 1600025012
Hersteller: BOSCH
Artikelnummer: EB-0600551048-1600025012
nur Informationsartikel
Nie mehr lieferbar
keine Alternativen
Pos.
32
BOSCH Lochplatte M6-20x10x5 MM | Ersatzteile für Handkreissäge | 1601030025
Hersteller: BOSCH
Artikelnummer: EB-0600551048-1601030025
nur Informationsartikel
Nie mehr lieferbar
keine Alternativen
Pos.
33
BOSCH Unterlegscheibe Ø6,4xØ16x2 MM | Ersatzteile für Handkreissäge | 1609201082
Hersteller: BOSCH
Artikelnummer: EB-0600551048-1609201082
nur Informationsartikel
Nie mehr lieferbar
keine Alternativen
Pos.
34
BOSCH Klemmenleiste | Ersatzteile für Handkreissäge | 1901091110
Hersteller: BOSCH
Artikelnummer: EB-0600551048-1901091110
Netto: 3,94 € zzgl. MwSt.
zzgl. 6,90 € Versand (brutto)
einmalig pro Bestellung

Lieferzeit: 5 Werktage

Pos.
37
BOSCH Zwischenflansch | Ersatzteile für Handkreissäge | 1609257000
Hersteller: BOSCH
Artikelnummer: EB-0600551048-1609257000
nur Informationsartikel
Nie mehr lieferbar
keine Alternativen
Pos.
38
BOSCH Spannscheibe | Ersatzteile für Handkreissäge | 1609257001
Hersteller: BOSCH
Artikelnummer: EB-0600551048-1609257001
nur Informationsartikel
Nie mehr lieferbar
keine Alternativen
Pos.
39
BOSCH Zwischenring | Ersatzteile für Handkreissäge | 1609201003
Hersteller: BOSCH
Artikelnummer: EB-0600551048-1609201003
nur Informationsartikel
Nie mehr lieferbar
keine Alternativen
Pos.
40
BOSCH Verschlussstopfen | Ersatzteile für Handkreissäge | 1609200048
Hersteller: BOSCH
Artikelnummer: EB-0600551048-1609200048
nur Informationsartikel
Nie mehr lieferbar
keine Alternativen
Pos.
41
BOSCH Gleitblech | Ersatzteile für Handkreissäge | 1601030026
Hersteller: BOSCH
Artikelnummer: EB-0600551048-1601030026
nur Informationsartikel
Nie mehr lieferbar
keine Alternativen
Pos.
42
BOSCH Flügelmutter M6 | Ersatzteile für Handkreissäge | 1609233000
Hersteller: BOSCH
Artikelnummer: EB-0600551048-1609233000
nur Informationsartikel
Nie mehr lieferbar
keine Alternativen
Pos.
50
BOSCH Anschlag | Ersatzteile für Handkreissäge | 1601036004
Hersteller: BOSCH
Artikelnummer: EB-0600551048-1601036004
nur Informationsartikel
Nie mehr lieferbar
keine Alternativen
Pos.
55
BOSCH Senkschraube M6x20 MM | Ersatzteile für Handkreissäge | 1603490000
Hersteller: BOSCH
Artikelnummer: EB-0600551048-1603490000
nur Informationsartikel
Nie mehr lieferbar
keine Alternativen
Pos.
56
BOSCH Rillenkugellager 607 LLB C3/3K DIN 625 | Ersatzteile für Handkreissäge | 1609200716
Hersteller: BOSCH
Artikelnummer: EB-0600551048-1609200716
nur Informationsartikel
Nie mehr lieferbar
keine Alternativen
Pos.
57
BOSCH Rillenkugellager | Ersatzteile für Handkreissäge | 1609200717
Hersteller: BOSCH
Artikelnummer: EB-0600551048-1609200717
nur Informationsartikel
Nie mehr lieferbar
keine Alternativen
Pos.
60
BOSCH Flachkopfschraube DIN 923-M5x5-5.8 | Ersatzteile für Handkreissäge | 2910271147
Hersteller: BOSCH
Artikelnummer: EB-0600551048-2910271147
nur Informationsartikel
Nie mehr lieferbar
keine Alternativen
Pos.
61
BOSCH Flachrundschraube M6x15 DIN 603 | Ersatzteile für Handkreissäge | 2910281196
Hersteller: BOSCH
Artikelnummer: EB-0600551048-2910281196
nur Informationsartikel
Nie mehr lieferbar
keine Alternativen
Pos.
62
BOSCH Flachrundschraube DIN 603-M6x25 | Ersatzteile für Handkreissäge | 2910281203
Hersteller: BOSCH
Artikelnummer: EB-0600551048-2910281203
Netto: 4,53 € zzgl. MwSt.
zzgl. 6,90 € Versand (brutto)
einmalig pro Bestellung

Lieferzeit: 5 Werktage

Pos.
63
BOSCH Innensechskantschraube DIN 6912 M6x12-8.8 | Ersatzteile für Handkreissäge | 2910375193
Hersteller: BOSCH
Artikelnummer: EB-0600551048-2910375193
nur Informationsartikel
Nie mehr lieferbar
keine Alternativen
Pos.
64
BOSCH Senkschraube DIN 63-BM4x30-5.8 | Ersatzteile für Handkreissäge | 2910501134
Hersteller: BOSCH
Artikelnummer: EB-0600551048-2910501134
nur Informationsartikel
Nie mehr lieferbar
keine Alternativen
Pos.
66
BOSCH Blechschraube DIN 7981-3,9x19-C-Z-ST | Ersatzteile für Handkreissäge | 2912401020
Hersteller: BOSCH
Artikelnummer: EB-0600551048-2912401020
Netto: 3,63 € zzgl. MwSt.
zzgl. 6,90 € Versand (brutto)
einmalig pro Bestellung

Lieferzeit: 5 Werktage

Pos.
67
BOSCH Blechschraube B 3,9x32 DIN 7981 | Ersatzteile für Handkreissäge | 2910611082
Hersteller: BOSCH
Artikelnummer: EB-0600551048-2910611082
nur Informationsartikel
Nie mehr lieferbar
keine Alternativen
Pos.
68
BOSCH Sechskantmutter DIN 934-M6-8-A | Ersatzteile für Handkreissäge | 2915011007
Hersteller: BOSCH
Artikelnummer: EB-0600551048-2915011007
Netto: 3,63 € zzgl. MwSt.
zzgl. 6,90 € Versand (brutto)
einmalig pro Bestellung

Lieferzeit: 5 Werktage

Pos.
70
BOSCH Halbrundkerbnagel 2,6x3 DIN 1476-ST | Ersatzteile für Handkreissäge | 2917721051
Hersteller: BOSCH
Artikelnummer: EB-0600551048-2917721051
nur Informationsartikel
Nie mehr lieferbar
keine Alternativen
Pos.
651
BOSCH Innensechskantschlüssel 5 MM | Ersatzteile für Handkreissäge | 2610364015
Hersteller: BOSCH
Artikelnummer: EB-0600551048-2610364015
Netto: 5,19 € zzgl. MwSt.
zzgl. 6,90 € Versand (brutto)
einmalig pro Bestellung

Lieferzeit: 5 Werktage

Angaben zur Produktsicherheit

Hersteller:
Robert Bosch Power Tools GmbH
Postfach 30 02 20
70442 Stuttgart

E-Mail:
kontakt@bosch.de