BOSCH Sicherungsring DIN 472-32x1,2 MM | Ersatzteile für Hf-Abbauhammer | 2916660013

Artikelnummer: EB-0612311040-2916660013

Position: 75

Marke: BOSCH


Bitte Kompatibilität prüfen!

Bitte prüfen Sie unbedingt die 10-stellige Typennummer Ihrer Maschine / Ihres Gerätes. Das Ersatzteil ist nur kompatibel, wenn Sie die Typennummer Ihrer Maschine in der unten stehenden Produktbeschreibung finden.

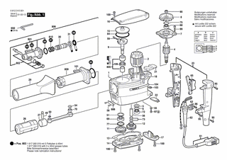
Bitte prüfen Sie ebenfalls detailliert die Explosionszeichnung mit Ihrem Artikelwunsch und der jeweiligen Pos-Nummer.

Alle Elemente, welche vom schwarzen Strich der Pos-Nummer ausgehend berührt / erfasst werden, gehören zu dieser Pos-Nummer und somit zu diesem Artikel. Jede Pos-Nummer ist ein eigenständiger Artikel, welchen Sie in der Auflistung finden.

Sie erhalten stets die aktuellste, neueste Produktversion zu der gewählten Pos-Nummer seitens des Herstellers. Es kann daher je nach Gerätealter vorkommen, dass Sie ggf. weitere, zugehörige Elemente, welche an diese Pos-Nummer grenzen, ebenfalls mittauschen müssen.

Nähere Informationen finden Sie unter dem Link
Hinweise zu Ihrer BOSCH Ersatzteilsuche

Preisübersicht

Einzelpreis: 4,36 €* (Brutto: 5,19 €)
Gesamtpreis: 4,36 €* 
Position:

Lieferzeit: 5 Werktage


Beschreibung

  • Sicherungsring DIN 472-32x1,2 MM
  • Original Bosch Zubehör / BOSCH Ersatzteil (2916660013)
  • im Gerät verbaut: 1
Dieses BOSCH Ersatzteil ist mit folgendem Gerät und Modell kompatibel:
  • BOSCH Gerätename: Hf-Abbauhammer
  • BOSCH Explosionszeichnung: Position 75
  • BOSCH Typennummer: 0612311040
  • BOSCH Typennummer alternative Schreibweisen: 0 612 311 040, 0612 311 040, 0.612.311.040, 0-612-311-040
    Bitte prüfen Sie diese Typennummer auf Ihrem Gerät um die Kompatibilität des BOSCH Ersatzteils zu gewährleisten.
Weitere BOSCH Ersatzteile des Gerätes Hf-Abbauhammer mit der Typennummer 0612311040 finden Sie in der nachfolgenden Darstellung und im Dropdown zu Ihrer Auswahl:

Pos.
1
BOSCH Motorgehäuse | Ersatzteile für Hf-Abbauhammer | 1615106016
Hersteller: BOSCH
Artikelnummer: EB-0612311040-1615106016
Netto: 287,12 € zzgl. MwSt.
zzgl. 6,90 € Versand (brutto)
einmalig pro Bestellung

Lieferzeit: 5 Werktage

Pos.
2
BOSCH Ständer | Ersatzteile für Hf-Abbauhammer | 1614229154
Hersteller: BOSCH
Artikelnummer: EB-0612311040-1614229154
nur Informationsartikel
Nie mehr lieferbar
keine Alternativen
Pos.
4
BOSCH Laeufer Ohne Wicklung | Ersatzteile für Hf-Abbauhammer | 1614080024
Hersteller: BOSCH
Artikelnummer: EB-0612311040-1614080024
Netto: 108,06 € zzgl. MwSt.
zzgl. 6,90 € Versand (brutto)
einmalig pro Bestellung

Lieferzeit: 5 Werktage

Pos.
5
BOSCH Dichtscheibe | Ersatzteile für Hf-Abbauhammer | 1610108012
Hersteller: BOSCH
Artikelnummer: EB-0612311040-1610108012
Netto: 3,94 € zzgl. MwSt.
zzgl. 6,90 € Versand (brutto)
einmalig pro Bestellung

Lieferzeit: 5 Werktage

Pos.
6
BOSCH Ausgleichscheibe 1,0 MM DICK | Ersatzteile für Hf-Abbauhammer | 1610102013
Hersteller: BOSCH
Artikelnummer: EB-0612311040-1610102013
Netto: 3,60 € zzgl. MwSt.
zzgl. 6,90 € Versand (brutto)
einmalig pro Bestellung

Lieferzeit: 5 Werktage

Pos.
8
BOSCH Lüfter | Ersatzteile für Hf-Abbauhammer | 1616610045
Hersteller: BOSCH
Artikelnummer: EB-0612311040-1616610045
Netto: 31,62 € zzgl. MwSt.
zzgl. 6,90 € Versand (brutto)
einmalig pro Bestellung

Lieferzeit: 5 Werktage

Pos.
9
BOSCH Exzenterwelle | Ersatzteile für Hf-Abbauhammer | 1616110032
Hersteller: BOSCH
Artikelnummer: EB-0612311040-1616110032
nur Informationsartikel
Nie mehr lieferbar
keine Alternativen
Pos.
13
BOSCH Dichtplatte | Ersatzteile für Hf-Abbauhammer | 1611015012
Hersteller: BOSCH
Artikelnummer: EB-0612311040-1611015012
Netto: 3,94 € zzgl. MwSt.
zzgl. 6,90 € Versand (brutto)
einmalig pro Bestellung

Lieferzeit: 5 Werktage

Pos.
7
BOSCH Lagerflansch | Ersatzteile für Hf-Abbauhammer | 1615805048
Hersteller: BOSCH
Artikelnummer: EB-0612311040-1615805048
nur Informationsartikel
Nie mehr lieferbar
keine Alternativen
Pos.
15
BOSCH Verschlussdeckel | Ersatzteile für Hf-Abbauhammer | 1615500168
Hersteller: BOSCH
Artikelnummer: EB-0612311040-1615500168
Netto: 4,36 € zzgl. MwSt.
zzgl. 6,90 € Versand (brutto)
einmalig pro Bestellung

Lieferzeit: 5 Werktage

Pos.
16
BOSCH Lüfterdeckel | Ersatzteile für Hf-Abbauhammer | 1615500276
Hersteller: BOSCH
Artikelnummer: EB-0612311040-1615500276
nur Informationsartikel
Nie mehr lieferbar
keine Alternativen
Pos.
17
BOSCH Schalterdeckel | Ersatzteile für Hf-Abbauhammer | 1615500261
Hersteller: BOSCH
Artikelnummer: EB-0612311040-1615500261
Netto: 7,26 € zzgl. MwSt.
zzgl. 6,90 € Versand (brutto)
einmalig pro Bestellung

Lieferzeit: 5 Werktage

Pos.
11
BOSCH Stirnrad | Ersatzteile für Hf-Abbauhammer | 1616317017
Hersteller: BOSCH
Artikelnummer: EB-0612311040-1616317017
nur Informationsartikel
Nie mehr lieferbar
keine Alternativen
Pos.
18
BOSCH Verschlussdeckel | Ersatzteile für Hf-Abbauhammer | 1615500282
Hersteller: BOSCH
Artikelnummer: EB-0612311040-1615500282
nur Informationsartikel
Nie mehr lieferbar
keine Alternativen
Pos.
12
BOSCH Stirnrad | Ersatzteile für Hf-Abbauhammer | 1616328026
Hersteller: BOSCH
Artikelnummer: EB-0612311040-1616328026
nur Informationsartikel
Nie mehr lieferbar
keine Alternativen
Pos.
21
BOSCH Gummiplatte | Ersatzteile für Hf-Abbauhammer | 1612392001
Hersteller: BOSCH
Artikelnummer: EB-0612311040-1612392001
nur Informationsartikel
Nie mehr lieferbar
keine Alternativen
Pos.
22
BOSCH Gummiplatte | Ersatzteile für Hf-Abbauhammer | 1612392000
Hersteller: BOSCH
Artikelnummer: EB-0612311040-1612392000
nur Informationsartikel
Nie mehr lieferbar
keine Alternativen
Pos.
14
BOSCH Getriebedeckel | Ersatzteile für Hf-Abbauhammer | 1615808039
Hersteller: BOSCH
Artikelnummer: EB-0612311040-1615808039
nur Informationsartikel
Nie mehr lieferbar
keine Alternativen
Pos.
23
BOSCH Handgriff SCHWARZ | Ersatzteile für Hf-Abbauhammer | 1615133021
Hersteller: BOSCH
Artikelnummer: EB-0612311040-1615133021
Netto: 16,70 € zzgl. MwSt.
zzgl. 6,90 € Versand (brutto)
einmalig pro Bestellung

Lieferzeit: 5 Werktage

Pos.
29
BOSCH Schutzrohr | Ersatzteile für Hf-Abbauhammer | 1615190020
Hersteller: BOSCH
Artikelnummer: EB-0612311040-1615190020
Netto: 13,61 € zzgl. MwSt.
zzgl. 6,90 € Versand (brutto)
einmalig pro Bestellung

Lieferzeit: 5 Werktage

Pos.
54
BOSCH Abdeckscheibe Ø12xØ26x2,0 MM | Ersatzteile für Hf-Abbauhammer | 1610113005
Hersteller: BOSCH
Artikelnummer: EB-0612311040-1610113005
Netto: 3,94 € zzgl. MwSt.
zzgl. 6,90 € Versand (brutto)
einmalig pro Bestellung

Lieferzeit: 5 Werktage

Pos.
55
BOSCH Federscheibe DIN 137-A4 | Ersatzteile für Hf-Abbauhammer | 1600150006
Hersteller: BOSCH
Artikelnummer: EB-0612311040-1600150006
nur Informationsartikel
Nie mehr lieferbar
keine Alternativen
Pos.
56
BOSCH Lagerbolzen | Ersatzteile für Hf-Abbauhammer | 1610300057
Hersteller: BOSCH
Artikelnummer: EB-0612311040-1610300057
nur Informationsartikel
Nie mehr lieferbar
keine Alternativen
Pos.
58
BOSCH Halbrundkerbnagel 2x6 DIN 1476-ST | Ersatzteile für Hf-Abbauhammer | 2917721034
Hersteller: BOSCH
Artikelnummer: EB-0612311040-2917721034
Netto: 3,60 € zzgl. MwSt.
zzgl. 6,90 € Versand (brutto)
einmalig pro Bestellung

Lieferzeit: 5 Werktage

Pos.
59
BOSCH Splint 3,2x18 DIN 94-ST | Ersatzteile für Hf-Abbauhammer | 1904681350
Hersteller: BOSCH
Artikelnummer: EB-0612311040-1904681350
Netto: 3,94 € zzgl. MwSt.
zzgl. 6,90 € Versand (brutto)
einmalig pro Bestellung

Lieferzeit: 5 Werktage

Pos.
62
BOSCH Tülle Ø11,5-Ø15,0x150 MM | Ersatzteile für Hf-Abbauhammer | 1600703009
Hersteller: BOSCH
Artikelnummer: EB-0612311040-1600703009
Netto: 6,75 € zzgl. MwSt.
zzgl. 6,90 € Versand (brutto)
einmalig pro Bestellung

Lieferzeit: 5 Werktage

Pos.
65
BOSCH Ein/Aus-Schalter | Ersatzteile für Hf-Abbauhammer | 1617200024
Hersteller: BOSCH
Artikelnummer: EB-0612311040-1617200024
nur Informationsartikel
Nie mehr lieferbar
keine Alternativen
Pos.
68
BOSCH Rillenkugellager 10x32x12 | Ersatzteile für Hf-Abbauhammer | 1610905001
Hersteller: BOSCH
Artikelnummer: EB-0612311040-1610905001
Netto: 12,50 € zzgl. MwSt.
zzgl. 6,90 € Versand (brutto)
einmalig pro Bestellung

Lieferzeit: 5 Werktage

Pos.
69
BOSCH Rillenkugellager | Ersatzteile für Hf-Abbauhammer | 1610900013
Hersteller: BOSCH
Artikelnummer: EB-0612311040-1610900013
Netto: 9,75 € zzgl. MwSt.
zzgl. 6,90 € Versand (brutto)
einmalig pro Bestellung

Lieferzeit: 5 Werktage

Pos.
70
BOSCH Nadellager | Ersatzteile für Hf-Abbauhammer | 1610910049
Hersteller: BOSCH
Artikelnummer: EB-0612311040-1610910049
Netto: 32,16 € zzgl. MwSt.
zzgl. 6,90 € Versand (brutto)
einmalig pro Bestellung

Lieferzeit: 5 Werktage

Pos.
26
BOSCH Schläger | Ersatzteile für Hf-Abbauhammer | 1618710031
Hersteller: BOSCH
Artikelnummer: EB-0612311040-1618710031
nur Informationsartikel
Nie mehr lieferbar
keine Alternativen
Pos.
72
BOSCH Nadellager | Ersatzteile für Hf-Abbauhammer | 1610910007
Hersteller: BOSCH
Artikelnummer: EB-0612311040-1610910007
Netto: 18,86 € zzgl. MwSt.
zzgl. 6,90 € Versand (brutto)
einmalig pro Bestellung

Lieferzeit: 5 Werktage

Pos.
73
BOSCH Nadelkranz | Ersatzteile für Hf-Abbauhammer | 1610913001
Hersteller: BOSCH
Artikelnummer: EB-0612311040-1610913001
nur Informationsartikel
Nie mehr lieferbar
keine Alternativen
Pos.
28
BOSCH Führungsrohr | Ersatzteile für Hf-Abbauhammer | 1615806020
Hersteller: BOSCH
Artikelnummer: EB-0612311040-1615806020
nur Informationsartikel
Nie mehr lieferbar
keine Alternativen
Pos.
75
BOSCH Sicherungsring DIN 472-32x1,2 MM | Ersatzteile für Hf-Abbauhammer | 2916660013
Hersteller: BOSCH
Artikelnummer: EB-0612311040-2916660013
Netto: 4,36 € zzgl. MwSt.
zzgl. 6,90 € Versand (brutto)
einmalig pro Bestellung

Lieferzeit: 5 Werktage

Pos.
77
BOSCH Sicherungsring 40x1,75 MM, DIN 472 | Ersatzteile für Hf-Abbauhammer | 2916660018
Hersteller: BOSCH
Artikelnummer: EB-0612311040-2916660018
Netto: 4,56 € zzgl. MwSt.
zzgl. 6,90 € Versand (brutto)
einmalig pro Bestellung

Lieferzeit: 5 Werktage

Pos.
30
BOSCH Schlagbolzen | Ersatzteile für Hf-Abbauhammer | 1613120013
Hersteller: BOSCH
Artikelnummer: EB-0612311040-1613120013
nur Informationsartikel
Nie mehr lieferbar
keine Alternativen
Pos.
84
BOSCH O-Ring 70x3 MM | Ersatzteile für Hf-Abbauhammer | 1900210160
Hersteller: BOSCH
Artikelnummer: EB-0612311040-1900210160
Netto: 6,75 € zzgl. MwSt.
zzgl. 6,90 € Versand (brutto)
einmalig pro Bestellung

Lieferzeit: 5 Werktage

Pos.
31
BOSCH Zwischenscheibe | Ersatzteile für Hf-Abbauhammer | 1610114011
Hersteller: BOSCH
Artikelnummer: EB-0612311040-1610114011
nur Informationsartikel
Nie mehr lieferbar
keine Alternativen
Pos.
85
BOSCH O-Ring 55x3 MM | Ersatzteile für Hf-Abbauhammer | 1900210152
Hersteller: BOSCH
Artikelnummer: EB-0612311040-1900210152
Netto: 5,17 € zzgl. MwSt.
zzgl. 6,90 € Versand (brutto)
einmalig pro Bestellung

Lieferzeit: 5 Werktage

Pos.
86
BOSCH O-Ring 30x2 MM | Ersatzteile für Hf-Abbauhammer | 1900210130
Hersteller: BOSCH
Artikelnummer: EB-0612311040-1900210130
Netto: 5,17 € zzgl. MwSt.
zzgl. 6,90 € Versand (brutto)
einmalig pro Bestellung

Lieferzeit: 5 Werktage

Pos.
90
BOSCH Sechskantmutter DIN 985-M8-8 | Ersatzteile für Hf-Abbauhammer | 2915061005
Hersteller: BOSCH
Artikelnummer: EB-0612311040-2915061005
Netto: 4,56 € zzgl. MwSt.
zzgl. 6,90 € Versand (brutto)
einmalig pro Bestellung

Lieferzeit: 5 Werktage

Pos.
95
BOSCH Blechschraube DIN 7971-BZ3,5x13 | Ersatzteile für Hf-Abbauhammer | 2910211011
Hersteller: BOSCH
Artikelnummer: EB-0612311040-2910211011
Netto: 3,60 € zzgl. MwSt.
zzgl. 6,90 € Versand (brutto)
einmalig pro Bestellung

Lieferzeit: 5 Werktage

Pos.
96
BOSCH Zylinderschraube DIN 84-AM4x8-8.8 | Ersatzteile für Hf-Abbauhammer | 2910021118
Hersteller: BOSCH
Artikelnummer: EB-0612311040-2910021118
Netto: 3,60 € zzgl. MwSt.
zzgl. 6,90 € Versand (brutto)
einmalig pro Bestellung

Lieferzeit: 5 Werktage

Pos.
97
BOSCH Flachkopfschraube DIN 85 AM 4x6-MS | Ersatzteile für Hf-Abbauhammer | 2910110116
Hersteller: BOSCH
Artikelnummer: EB-0612311040-2910110116
Netto: 3,60 € zzgl. MwSt.
zzgl. 6,90 € Versand (brutto)
einmalig pro Bestellung

Lieferzeit: 5 Werktage

Pos.
100
BOSCH Innensechskantschraube DIN 912-M6x18-8.8 | Ersatzteile für Hf-Abbauhammer | 2910141199
Hersteller: BOSCH
Artikelnummer: EB-0612311040-2910141199
Netto: 5,17 € zzgl. MwSt.
zzgl. 6,90 € Versand (brutto)
einmalig pro Bestellung

Lieferzeit: 5 Werktage

Pos.
101
BOSCH Innensechskantschraube DIN 912-M8x25-8.8 | Ersatzteile für Hf-Abbauhammer | 2910141244
Hersteller: BOSCH
Artikelnummer: EB-0612311040-2910141244
Netto: 3,94 € zzgl. MwSt.
zzgl. 6,90 € Versand (brutto)
einmalig pro Bestellung

Lieferzeit: 5 Werktage

Pos.
103
BOSCH Gewindestift DIN 417-M8x15-5.8 | Ersatzteile für Hf-Abbauhammer | 2912051237
Hersteller: BOSCH
Artikelnummer: EB-0612311040-2912051237
Netto: 3,75 € zzgl. MwSt.
zzgl. 6,90 € Versand (brutto)
einmalig pro Bestellung

Lieferzeit: 5 Werktage

Pos.
650
BOSCH Winkelschraubendreher DIN 911 SW6 | Ersatzteile für Hf-Abbauhammer | 1907950007
Hersteller: BOSCH
Artikelnummer: EB-0612311040-1907950007
Netto: 6,27 € zzgl. MwSt.
zzgl. 6,90 € Versand (brutto)
einmalig pro Bestellung

Lieferzeit: 5 Werktage

Pos.
802
BOSCH Sperrbolzen-Set | Ersatzteile für Hf-Abbauhammer | 1617000014
Hersteller: BOSCH
Artikelnummer: EB-0612311040-1617000014
nur Informationsartikel
Nie mehr lieferbar
keine Alternativen
Pos.
806
BOSCH Schlagwerk | Ersatzteile für Hf-Abbauhammer | 1617000917
Hersteller: BOSCH
Artikelnummer: EB-0612311040-1617000917
Netto: 562,40 € zzgl. MwSt.
zzgl. 6,90 € Versand (brutto)
einmalig pro Bestellung

Lieferzeit: 5 Werktage

Pos.
888
BOSCH Typschild 26x52 MM | Ersatzteile für Hf-Abbauhammer | 1601106032
Hersteller: BOSCH
Artikelnummer: EB-0612311040-1601106032
nur Informationsartikel
Nie mehr lieferbar
keine Alternativen
Pos.
49
BOSCH Kolbenbolzen | Ersatzteile für Hf-Abbauhammer | 1613105009
Hersteller: BOSCH
Artikelnummer: EB-0612311040-1613105009
nur Informationsartikel
Nie mehr lieferbar
keine Alternativen
Pos.
50
BOSCH Sicherungsscheibe | Ersatzteile für Hf-Abbauhammer | 1610113008
Hersteller: BOSCH
Artikelnummer: EB-0612311040-1610113008
nur Informationsartikel
Nie mehr lieferbar
keine Alternativen
Pos.
51
BOSCH Ausgleichscheibe | Ersatzteile für Hf-Abbauhammer | 1610102014
Hersteller: BOSCH
Artikelnummer: EB-0612311040-1610102014
nur Informationsartikel
Nie mehr lieferbar
keine Alternativen
Pos.
61
BOSCH Netzanschlussleitung | Ersatzteile für Hf-Abbauhammer | 1614422053
Hersteller: BOSCH
Artikelnummer: EB-0612311040-1614422053
nur Informationsartikel
Nie mehr lieferbar
keine Alternativen
Pos.
63
BOSCH Befestigungsschelle | Ersatzteile für Hf-Abbauhammer | 1611302007
Hersteller: BOSCH
Artikelnummer: EB-0612311040-1611302007
nur Informationsartikel
Nie mehr lieferbar
keine Alternativen
Pos.
82
BOSCH Federring | Ersatzteile für Hf-Abbauhammer | 2916680009
Hersteller: BOSCH
Artikelnummer: EB-0612311040-2916680009
nur Informationsartikel
Nie mehr lieferbar
keine Alternativen
Pos.
88
BOSCH Dichtring | Ersatzteile für Hf-Abbauhammer | 1610280001
Hersteller: BOSCH
Artikelnummer: EB-0612311040-1610280001
nur Informationsartikel
Nie mehr lieferbar
keine Alternativen
Pos.
99
BOSCH Innensechskantschraube | Ersatzteile für Hf-Abbauhammer | 2910141196
Hersteller: BOSCH
Artikelnummer: EB-0612311040-2910141196
nur Informationsartikel
Nie mehr lieferbar
keine Alternativen
Pos.
104
BOSCH Firmenschild | Ersatzteile für Hf-Abbauhammer | 1601110004
Hersteller: BOSCH
Artikelnummer: EB-0612311040-1601110004
nur Informationsartikel
Nie mehr lieferbar
keine Alternativen
Pos.
109
BOSCH Radial-Wellendichtring | Ersatzteile für Hf-Abbauhammer | 1610283007
Hersteller: BOSCH
Artikelnummer: EB-0612311040-1610283007
nur Informationsartikel
Nie mehr lieferbar
keine Alternativen
Pos.
651
BOSCH Tragkasten | Ersatzteile für Hf-Abbauhammer | 1615438017
Hersteller: BOSCH
Artikelnummer: EB-0612311040-1615438017
nur Informationsartikel
Nie mehr lieferbar
keine Alternativen
Pos.
652
BOSCH Spitzmeissel | Ersatzteile für Hf-Abbauhammer | 1618630000
Hersteller: BOSCH
Artikelnummer: EB-0612311040-1618630000
Netto: 27,49 € zzgl. MwSt.
zzgl. 6,90 € Versand (brutto)
einmalig pro Bestellung

Lieferzeit: 5 Werktage

Pos.
801
BOSCH Werkzeughalter-Set | Ersatzteile für Hf-Abbauhammer | 1617000017
Hersteller: BOSCH
Artikelnummer: EB-0612311040-1617000017
nur Informationsartikel
Nie mehr lieferbar
keine Alternativen
Pos.
803
BOSCH Service-Box | Ersatzteile für Hf-Abbauhammer | 1617000019
Hersteller: BOSCH
Artikelnummer: EB-0612311040-1617000019
nur Informationsartikel
Nie mehr lieferbar
keine Alternativen
Pos.
805
BOSCH Dichtungssatz | Ersatzteile für Hf-Abbauhammer | 1617031004
Hersteller: BOSCH
Artikelnummer: EB-0612311040-1617031004
nur Informationsartikel
Nie mehr lieferbar
keine Alternativen
Pos.
810
BOSCH Teilesatz | Ersatzteile für Hf-Abbauhammer | 1617000104
Hersteller: BOSCH
Artikelnummer: EB-0612311040-1617000104
nur Informationsartikel
Nie mehr lieferbar
keine Alternativen
Pos.
888
BOSCH Typschild | Ersatzteile für Hf-Abbauhammer | 160111A3H3
Hersteller: BOSCH
Artikelnummer: EB-0612311040-160111A3H3
Netto: 4,56 € zzgl. MwSt.
zzgl. 6,90 € Versand (brutto)
einmalig pro Bestellung

Lieferzeit: 5 Werktage

Angaben zur Produktsicherheit

Hersteller:
Robert Bosch Power Tools GmbH
Postfach 30 02 20
70442 Stuttgart

E-Mail:
kontakt@bosch.de