BOSCH Typschild | Ersatzteile für Hf-Geradschleifer | 3601106053

Artikelnummer: EB-0602227185-3601106053

Position: 28

Marke: BOSCH


Bitte Kompatibilität prüfen!

Bitte prüfen Sie unbedingt die 10-stellige Typennummer Ihrer Maschine / Ihres Gerätes. Das Ersatzteil ist nur kompatibel, wenn Sie die Typennummer Ihrer Maschine in der unten stehenden Produktbeschreibung finden.

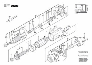
Bitte prüfen Sie ebenfalls detailliert die Explosionszeichnung mit Ihrem Artikelwunsch und der jeweiligen Pos-Nummer.

Alle Elemente, welche vom schwarzen Strich der Pos-Nummer ausgehend berührt / erfasst werden, gehören zu dieser Pos-Nummer und somit zu diesem Artikel. Jede Pos-Nummer ist ein eigenständiger Artikel, welchen Sie in der Auflistung finden.

Sie erhalten stets die aktuellste, neueste Produktversion zu der gewählten Pos-Nummer seitens des Herstellers. Es kann daher je nach Gerätealter vorkommen, dass Sie ggf. weitere, zugehörige Elemente, welche an diese Pos-Nummer grenzen, ebenfalls mittauschen müssen.

Nähere Informationen finden Sie unter dem Link
Hinweise zu Ihrer BOSCH Ersatzteilsuche

Preisübersicht

Einzelpreis: 6,27 €* (Brutto: 7,46 €)
Gesamtpreis: 6,27 €* 
Position:

Lieferzeit: 5 Werktage


Beschreibung

  • Typschild
  • Original Bosch Zubehör / BOSCH Ersatzteil (3601106053)
  • im Gerät verbaut: 1
Dieses BOSCH Ersatzteil ist mit folgendem Gerät und Modell kompatibel:
  • BOSCH Gerätename: Hf-Geradschleifer
  • BOSCH Explosionszeichnung: Position 28
  • BOSCH Typennummer: 0602227185
  • BOSCH Typennummer alternative Schreibweisen: 0 602 227 185, 0602 227 185, 0.602.227.185, 0-602-227-185
    Bitte prüfen Sie diese Typennummer auf Ihrem Gerät um die Kompatibilität des BOSCH Ersatzteils zu gewährleisten.
Weitere BOSCH Ersatzteile des Gerätes Hf-Geradschleifer mit der Typennummer 0602227185 finden Sie in der nachfolgenden Darstellung und im Dropdown zu Ihrer Auswahl:

Pos.
1
BOSCH Motorgehäuse | Ersatzteile für Hf-Geradschleifer | 1605102085
Hersteller: BOSCH
Artikelnummer: EB-0602227185-1605102085
nur Informationsartikel
Nie mehr lieferbar
keine Alternativen
Pos.
27/3
BOSCH Spannzange | Ersatzteile für Hf-Geradschleifer | 2608570085
Hersteller: BOSCH
Artikelnummer: EB-0602227185-2608570085
Netto: 30,67 € zzgl. MwSt.
zzgl. 6,90 € Versand (brutto)
einmalig pro Bestellung

Lieferzeit: 5 Werktage

Pos.
3
BOSCH Ständer 220V/360HZ | Ersatzteile für Hf-Geradschleifer | 1604229204
Hersteller: BOSCH
Artikelnummer: EB-0602227185-1604229204
nur Informationsartikel
Nie mehr lieferbar
keine Alternativen
Pos.
4
BOSCH Luftleitring | Ersatzteile für Hf-Geradschleifer | 1600502005
Hersteller: BOSCH
Artikelnummer: EB-0602227185-1600502005
Netto: 4,56 € zzgl. MwSt.
zzgl. 6,90 € Versand (brutto)
einmalig pro Bestellung

Lieferzeit: 5 Werktage

Pos.
5
BOSCH Läufer Ohne Wicklung | Ersatzteile für Hf-Geradschleifer | 3604080003
Hersteller: BOSCH
Artikelnummer: EB-0602227185-3604080003
Netto: 150,24 € zzgl. MwSt.
zzgl. 6,90 € Versand (brutto)
einmalig pro Bestellung

Lieferzeit: 5 Werktage

Pos.
5/4
BOSCH Zwischenring | Ersatzteile für Hf-Geradschleifer | 3600202008
Hersteller: BOSCH
Artikelnummer: EB-0602227185-3600202008
Netto: 4,56 € zzgl. MwSt.
zzgl. 6,90 € Versand (brutto)
einmalig pro Bestellung

Lieferzeit: 5 Werktage

Pos.
6
BOSCH Rillenkugellager 5x16x5 | Ersatzteile für Hf-Geradschleifer | 1900900232
Hersteller: BOSCH
Artikelnummer: EB-0602227185-1900900232
Netto: 11,58 € zzgl. MwSt.
zzgl. 6,90 € Versand (brutto)
einmalig pro Bestellung

Lieferzeit: 5 Werktage

Pos.
7
BOSCH Sprengring 5 DIN 9045 | Ersatzteile für Hf-Geradschleifer | 2916600002
Hersteller: BOSCH
Artikelnummer: EB-0602227185-2916600002
nur Informationsartikel
Nie mehr lieferbar
keine Alternativen
Pos.
8
BOSCH Rillenkugellager 9x24x7 | Ersatzteile für Hf-Geradschleifer | 1900905017
Hersteller: BOSCH
Artikelnummer: EB-0602227185-1900905017
Netto: 20,80 € zzgl. MwSt.
zzgl. 6,90 € Versand (brutto)
einmalig pro Bestellung

Lieferzeit: 5 Werktage

Pos.
9/1
BOSCH Zwischenlager | Ersatzteile für Hf-Geradschleifer | 3605820062
Hersteller: BOSCH
Artikelnummer: EB-0602227185-3605820062
Netto: 101,78 € zzgl. MwSt.
zzgl. 6,90 € Versand (brutto)
einmalig pro Bestellung

Lieferzeit: 5 Werktage

Pos.
12
BOSCH Netzanschlussleitung | Ersatzteile für Hf-Geradschleifer | 1604462061
Hersteller: BOSCH
Artikelnummer: EB-0602227185-1604462061
nur Informationsartikel
Nie mehr lieferbar
keine Alternativen
Pos.
13
BOSCH Tülle Ø9,2-Ø12x120 MM | Ersatzteile für Hf-Geradschleifer | 3600703011
Hersteller: BOSCH
Artikelnummer: EB-0602227185-3600703011
Netto: 4,80 € zzgl. MwSt.
zzgl. 6,90 € Versand (brutto)
einmalig pro Bestellung

Lieferzeit: 5 Werktage

Pos.
14
BOSCH Befestigungsschelle | Ersatzteile für Hf-Geradschleifer | 1601302014
Hersteller: BOSCH
Artikelnummer: EB-0602227185-1601302014
Netto: 4,56 € zzgl. MwSt.
zzgl. 6,90 € Versand (brutto)
einmalig pro Bestellung

Lieferzeit: 5 Werktage

Pos.
17/1
BOSCH Rillenkugellager 12x28x8 | Ersatzteile für Hf-Geradschleifer | 1900905121
Hersteller: BOSCH
Artikelnummer: EB-0602227185-1900905121
Netto: 16,70 € zzgl. MwSt.
zzgl. 6,90 € Versand (brutto)
einmalig pro Bestellung

Lieferzeit: 5 Werktage

Pos.
18/1
BOSCH Spindellager | Ersatzteile für Hf-Geradschleifer | 3605806120
Hersteller: BOSCH
Artikelnummer: EB-0602227185-3605806120
Netto: 239,58 € zzgl. MwSt.
zzgl. 6,90 € Versand (brutto)
einmalig pro Bestellung

Lieferzeit: 5 Werktage

Pos.
18/90
BOSCH Schrumpfschlauch L=120 MM | Ersatzteile für Hf-Geradschleifer | 3600712007
Hersteller: BOSCH
Artikelnummer: EB-0602227185-3600712007
nur Informationsartikel
Nie mehr lieferbar
keine Alternativen
Pos.
19/1
BOSCH Schleifspindel | Ersatzteile für Hf-Geradschleifer | 1603523082
Hersteller: BOSCH
Artikelnummer: EB-0602227185-1603523082
Netto: 150,24 € zzgl. MwSt.
zzgl. 6,90 € Versand (brutto)
einmalig pro Bestellung

Lieferzeit: 5 Werktage

Pos.
20/1
BOSCH Tellerfeder | Ersatzteile für Hf-Geradschleifer | 1600550008
Hersteller: BOSCH
Artikelnummer: EB-0602227185-1600550008
Netto: 4,80 € zzgl. MwSt.
zzgl. 6,90 € Versand (brutto)
einmalig pro Bestellung

Lieferzeit: 5 Werktage

Pos.
21/1
BOSCH Distanzbuchse | Ersatzteile für Hf-Geradschleifer | 1600300083
Hersteller: BOSCH
Artikelnummer: EB-0602227185-1600300083
Netto: 15,15 € zzgl. MwSt.
zzgl. 6,90 € Versand (brutto)
einmalig pro Bestellung

Lieferzeit: 5 Werktage

Pos.
22/1
BOSCH Distanzscheibe | Ersatzteile für Hf-Geradschleifer | 1600103027
Hersteller: BOSCH
Artikelnummer: EB-0602227185-1600103027
Netto: 23,72 € zzgl. MwSt.
zzgl. 6,90 € Versand (brutto)
einmalig pro Bestellung

Lieferzeit: 5 Werktage

Pos.
23/1
BOSCH Kugellager 9x26x8 | Ersatzteile für Hf-Geradschleifer | 1900905025
Hersteller: BOSCH
Artikelnummer: EB-0602227185-1900905025
Netto: 16,70 € zzgl. MwSt.
zzgl. 6,90 € Versand (brutto)
einmalig pro Bestellung

Lieferzeit: 5 Werktage

Pos.
24/1
BOSCH Gewindering | Ersatzteile für Hf-Geradschleifer | 1603344053
Hersteller: BOSCH
Artikelnummer: EB-0602227185-1603344053
Netto: 46,22 € zzgl. MwSt.
zzgl. 6,90 € Versand (brutto)
einmalig pro Bestellung

Lieferzeit: 5 Werktage

Pos.
25
BOSCH Stirnrad Z=29 | Ersatzteile für Hf-Geradschleifer | 1606329020
Hersteller: BOSCH
Artikelnummer: EB-0602227185-1606329020
Netto: 74,05 € zzgl. MwSt.
zzgl. 6,90 € Versand (brutto)
einmalig pro Bestellung

Lieferzeit: 5 Werktage

Pos.
26
BOSCH Stirnrad Z=47 | Ersatzteile für Hf-Geradschleifer | 1606329016
Hersteller: BOSCH
Artikelnummer: EB-0602227185-1606329016
Netto: 116,63 € zzgl. MwSt.
zzgl. 6,90 € Versand (brutto)
einmalig pro Bestellung

Lieferzeit: 5 Werktage

Pos.
28
BOSCH Typschild | Ersatzteile für Hf-Geradschleifer | 3601106053
Hersteller: BOSCH
Artikelnummer: EB-0602227185-3601106053
Netto: 6,27 € zzgl. MwSt.
zzgl. 6,90 € Versand (brutto)
einmalig pro Bestellung

Lieferzeit: 5 Werktage

Pos.
29
BOSCH Kerbnagel | Ersatzteile für Hf-Geradschleifer | 3603133000
Hersteller: BOSCH
Artikelnummer: EB-0602227185-3603133000
Netto: 4,56 € zzgl. MwSt.
zzgl. 6,90 € Versand (brutto)
einmalig pro Bestellung

Lieferzeit: 5 Werktage

Pos.
30
BOSCH Federscheibe A 3 DIN 137-ST | Ersatzteile für Hf-Geradschleifer | 2916060003
Hersteller: BOSCH
Artikelnummer: EB-0602227185-2916060003
nur Informationsartikel
Nie mehr lieferbar
keine Alternativen
Pos.
31
BOSCH Unterlegscheibe DIN 46 255-DPG 9 | Ersatzteile für Hf-Geradschleifer | 2916010409
Hersteller: BOSCH
Artikelnummer: EB-0602227185-2916010409
nur Informationsartikel
Nie mehr lieferbar
keine Alternativen
Pos.
32
BOSCH Federscheibe Ø4,2 MM | Ersatzteile für Hf-Geradschleifer | 3600150006
Hersteller: BOSCH
Artikelnummer: EB-0602227185-3600150006
Netto: 4,56 € zzgl. MwSt.
zzgl. 6,90 € Versand (brutto)
einmalig pro Bestellung

Lieferzeit: 5 Werktage

Pos.
33
BOSCH Flachkopfschraube DIN 85 AM 4x6-MS | Ersatzteile für Hf-Geradschleifer | 2910110116
Hersteller: BOSCH
Artikelnummer: EB-0602227185-2910110116
Netto: 3,60 € zzgl. MwSt.
zzgl. 6,90 € Versand (brutto)
einmalig pro Bestellung

Lieferzeit: 5 Werktage

Pos.
34
BOSCH Flachkopfschraube DIN 85-AM3x6-CUZN | Ersatzteile für Hf-Geradschleifer | 2910110048
Hersteller: BOSCH
Artikelnummer: EB-0602227185-2910110048
Netto: 3,60 € zzgl. MwSt.
zzgl. 6,90 € Versand (brutto)
einmalig pro Bestellung

Lieferzeit: 5 Werktage

Pos.
35
BOSCH Zylinderschraube DIN 84-AM4x6-8.8 | Ersatzteile für Hf-Geradschleifer | 2910021116
Hersteller: BOSCH
Artikelnummer: EB-0602227185-2910021116
Netto: 4,36 € zzgl. MwSt.
zzgl. 6,90 € Versand (brutto)
einmalig pro Bestellung

Lieferzeit: 5 Werktage

Pos.
36
BOSCH Innensechskantschraube DIN 912-M 4x12-8.8 | Ersatzteile für Hf-Geradschleifer | 2910141122
Hersteller: BOSCH
Artikelnummer: EB-0602227185-2910141122
Netto: 4,36 € zzgl. MwSt.
zzgl. 6,90 € Versand (brutto)
einmalig pro Bestellung

Lieferzeit: 5 Werktage

Pos.
37
BOSCH Innensechskantschraube DIN 912-M 4x45-8.8 | Ersatzteile für Hf-Geradschleifer | 2910141140
Hersteller: BOSCH
Artikelnummer: EB-0602227185-2910141140
Netto: 3,94 € zzgl. MwSt.
zzgl. 6,90 € Versand (brutto)
einmalig pro Bestellung

Lieferzeit: 5 Werktage

Pos.
38
BOSCH Innensechskantschraube DIN 912-M 4x35-8.8 | Ersatzteile für Hf-Geradschleifer | 2910141136
Hersteller: BOSCH
Artikelnummer: EB-0602227185-2910141136
Netto: 4,80 € zzgl. MwSt.
zzgl. 6,90 € Versand (brutto)
einmalig pro Bestellung

Lieferzeit: 5 Werktage

Pos.
39
BOSCH Innensechskantschraube DIN 912-M 4x22-8.8 | Ersatzteile für Hf-Geradschleifer | 2910141131
Hersteller: BOSCH
Artikelnummer: EB-0602227185-2910141131
Netto: 4,36 € zzgl. MwSt.
zzgl. 6,90 € Versand (brutto)
einmalig pro Bestellung

Lieferzeit: 5 Werktage

Pos.
45
BOSCH Gewindestift | Ersatzteile für Hf-Geradschleifer | 3603402000
Hersteller: BOSCH
Artikelnummer: EB-0602227185-3603402000
Netto: 3,94 € zzgl. MwSt.
zzgl. 6,90 € Versand (brutto)
einmalig pro Bestellung

Lieferzeit: 5 Werktage

Pos.
99
BOSCH Hinweisschild | Ersatzteile für Hf-Geradschleifer | 3601119236
Hersteller: BOSCH
Artikelnummer: EB-0602227185-3601119236
Netto: 5,17 € zzgl. MwSt.
zzgl. 6,90 € Versand (brutto)
einmalig pro Bestellung

Lieferzeit: 5 Werktage

Pos.
650
BOSCH Einmaulschlüssel SW17 | Ersatzteile für Hf-Geradschleifer | 2607950511
Hersteller: BOSCH
Artikelnummer: EB-0602227185-2607950511
Netto: 5,65 € zzgl. MwSt.
zzgl. 6,90 € Versand (brutto)
einmalig pro Bestellung

Lieferzeit: 5 Werktage

Pos.
700
BOSCH Spannzange Ø 8 MM | Ersatzteile für Hf-Geradschleifer | 2608570081
Hersteller: BOSCH
Artikelnummer: EB-0602227185-2608570081
Netto: 18,86 € zzgl. MwSt.
zzgl. 6,90 € Versand (brutto)
einmalig pro Bestellung

Lieferzeit: 5 Werktage

Pos.
800
BOSCH Spindellager | Ersatzteile für Hf-Geradschleifer | 1606120008
Hersteller: BOSCH
Artikelnummer: EB-0602227185-1606120008
nur Informationsartikel
Nie mehr lieferbar
keine Alternativen
Pos.
42
BOSCH Schutzring | Ersatzteile für Hf-Geradschleifer | 1600250001
Hersteller: BOSCH
Artikelnummer: EB-0602227185-3600250007
Netto: 11,77 € zzgl. MwSt.
zzgl. 6,90 € Versand (brutto)
einmalig pro Bestellung

Lieferzeit: 5 Werktage

Pos.
805
BOSCH Handgriff | Ersatzteile für Hf-Geradschleifer | 3607031145
Hersteller: BOSCH
Artikelnummer: EB-0602227185-3607031145
nur Informationsartikel
Nie mehr lieferbar
keine Alternativen
Pos.
805/11
BOSCH Anschlussgehäuse | Ersatzteile für Hf-Geradschleifer | 3600099004
Hersteller: BOSCH
Artikelnummer: EB-0602227185-3600099004
Netto: 18,86 € zzgl. MwSt.
zzgl. 6,90 € Versand (brutto)
einmalig pro Bestellung

Lieferzeit: 5 Werktage

Pos.
805/15
BOSCH Verschlusskappe | Ersatzteile für Hf-Geradschleifer | 3605500074
Hersteller: BOSCH
Artikelnummer: EB-0602227185-3605500074
Netto: 18,86 € zzgl. MwSt.
zzgl. 6,90 € Versand (brutto)
einmalig pro Bestellung

Lieferzeit: 5 Werktage

Pos.
805/16
BOSCH Schalter | Ersatzteile für Hf-Geradschleifer | 3607200001
Hersteller: BOSCH
Artikelnummer: EB-0602227185-3607200001
Netto: 61,64 € zzgl. MwSt.
zzgl. 6,90 € Versand (brutto)
einmalig pro Bestellung

Lieferzeit: 5 Werktage

Angaben zur Produktsicherheit

Hersteller:
Robert Bosch Power Tools GmbH
Postfach 30 02 20
70442 Stuttgart

E-Mail:
kontakt@bosch.de