BOSCH Sicherungsring DIN 472 62x2 MM | Ersatzteile für Hf-Schweisskantenformer | 2916660027

Artikelnummer: EB-0602530006-2916660027

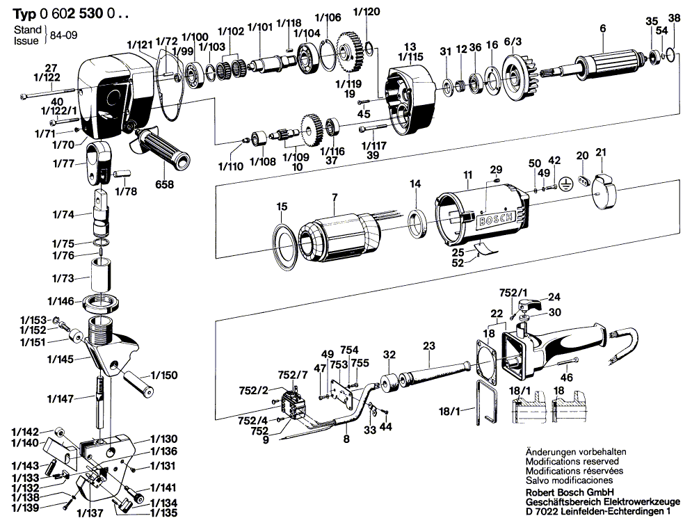
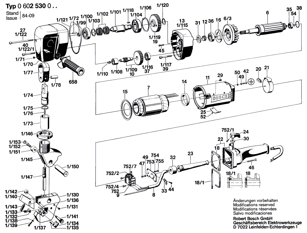
Position: 1/106

Marke: BOSCH


Bitte Kompatibilität prüfen!

Bitte prüfen Sie unbedingt die 10-stellige Typennummer Ihrer Maschine / Ihres Gerätes. Das Ersatzteil ist nur kompatibel, wenn Sie die Typennummer Ihrer Maschine in der unten stehenden Produktbeschreibung finden.

Bitte prüfen Sie ebenfalls detailliert die Explosionszeichnung mit Ihrem Artikelwunsch und der jeweiligen Pos-Nummer.

Alle Elemente, welche vom schwarzen Strich der Pos-Nummer ausgehend berührt / erfasst werden, gehören zu dieser Pos-Nummer und somit zu diesem Artikel. Jede Pos-Nummer ist ein eigenständiger Artikel, welchen Sie in der Auflistung finden.

Sie erhalten stets die aktuellste, neueste Produktversion zu der gewählten Pos-Nummer seitens des Herstellers. Es kann daher je nach Gerätealter vorkommen, dass Sie ggf. weitere, zugehörige Elemente, welche an diese Pos-Nummer grenzen, ebenfalls mittauschen müssen.

Nähere Informationen finden Sie unter dem Link
Hinweise zu Ihrer BOSCH Ersatzteilsuche

Preisübersicht

Einzelpreis: 5,65 €* (Brutto: 6,72 €)
Gesamtpreis: 5,65 €* 
Position:

Lieferzeit: 5 Werktage


Beschreibung

  • Sicherungsring DIN 472 62x2 MM
  • Original Bosch Zubehör / BOSCH Ersatzteil (2916660027)
  • im Gerät verbaut: 1
Dieses BOSCH Ersatzteil ist mit folgendem Gerät und Modell kompatibel:
  • BOSCH Gerätename: Hf-Schweisskantenformer
  • BOSCH Explosionszeichnung: Position 1/106
  • BOSCH Typennummer: 0602530006
  • BOSCH Typennummer alternative Schreibweisen: 0 602 530 006, 0602 530 006, 0.602.530.006, 0-602-530-006
    Bitte prüfen Sie diese Typennummer auf Ihrem Gerät um die Kompatibilität des BOSCH Ersatzteils zu gewährleisten.
Weitere BOSCH Ersatzteile des Gerätes Hf-Schweisskantenformer mit der Typennummer 0602530006 finden Sie in der nachfolgenden Darstellung und im Dropdown zu Ihrer Auswahl:

Pos.
1
BOSCH Getriebekopf | Ersatzteile für Hf-Schweisskantenformer | 1608584006
Hersteller: BOSCH
Artikelnummer: EB-0602530006-1608584006
nur Informationsartikel
Nie mehr lieferbar
keine Alternativen
Pos.
1/130
BOSCH Führungsbügel | Ersatzteile für Hf-Schweisskantenformer | 1608040075
Hersteller: BOSCH
Artikelnummer: EB-0602530006-1608040082
nur Informationsartikel
Nie mehr lieferbar
keine Alternativen
Pos.
1/136
BOSCH Auflageplatte | Ersatzteile für Hf-Schweisskantenformer | 1602307005
Hersteller: BOSCH
Artikelnummer: EB-0602530006-1602309001
nur Informationsartikel
Nie mehr lieferbar
keine Alternativen
Pos.
1/137
BOSCH Zwischenplatte | Ersatzteile für Hf-Schweisskantenformer | 1600100014
Hersteller: BOSCH
Artikelnummer: EB-0602530006-1600100015
nur Informationsartikel
Nie mehr lieferbar
keine Alternativen
Pos.
1/140
BOSCH Abstreifer | Ersatzteile für Hf-Schweisskantenformer | 1602308010
Hersteller: BOSCH
Artikelnummer: EB-0602530006-1602310012
nur Informationsartikel
Nie mehr lieferbar
keine Alternativen
Pos.
1/143
BOSCH Gewindestift | Ersatzteile für Hf-Schweisskantenformer | 1603402008
Hersteller: BOSCH
Artikelnummer: EB-0602530006-1603402012
nur Informationsartikel
Nie mehr lieferbar
keine Alternativen
Pos.
1/147
BOSCH Abschneidstempel | Ersatzteile für Hf-Schweisskantenformer | 1607930001
Hersteller: BOSCH
Artikelnummer: EB-0602530006-1607930002
nur Informationsartikel
Nie mehr lieferbar
keine Alternativen
Pos.
1/100
BOSCH Pendelrollenlager | Ersatzteile für Hf-Schweisskantenformer | 1900910531
Hersteller: BOSCH
Artikelnummer: EB-0602530006-1900910531
nur Informationsartikel
Nie mehr lieferbar
keine Alternativen
Pos.
1/101
BOSCH Exzenterwelle | Ersatzteile für Hf-Schweisskantenformer | 1606110000
Hersteller: BOSCH
Artikelnummer: EB-0602530006-1606110000
nur Informationsartikel
Nie mehr lieferbar
keine Alternativen
Pos.
1/103
BOSCH Klemmring | Ersatzteile für Hf-Schweisskantenformer | 1600224029
Hersteller: BOSCH
Artikelnummer: EB-0602530006-1600224029
nur Informationsartikel
Nie mehr lieferbar
keine Alternativen
Pos.
1/104
BOSCH Pendelrollenlager | Ersatzteile für Hf-Schweisskantenformer | 1900910532
Hersteller: BOSCH
Artikelnummer: EB-0602530006-1900910532
nur Informationsartikel
Nie mehr lieferbar
keine Alternativen
Pos.
1/106
BOSCH Sicherungsring DIN 472 62x2 MM | Ersatzteile für Hf-Schweisskantenformer | 2916660027
Hersteller: BOSCH
Artikelnummer: EB-0602530006-2916660027
Netto: 5,65 € zzgl. MwSt.
zzgl. 6,90 € Versand (brutto)
einmalig pro Bestellung

Lieferzeit: 5 Werktage

Pos.
1/110
BOSCH Druckbolzen | Ersatzteile für Hf-Schweisskantenformer | 1603203026
Hersteller: BOSCH
Artikelnummer: EB-0602530006-1603203026
nur Informationsartikel
Nie mehr lieferbar
keine Alternativen
Pos.
1/115
BOSCH Lagergehäuse | Ersatzteile für Hf-Schweisskantenformer | 1605820157
Hersteller: BOSCH
Artikelnummer: EB-0602530006-1605820157
nur Informationsartikel
Nie mehr lieferbar
keine Alternativen
Pos.
1/116
BOSCH Rillenkugellager 12x32x10 | Ersatzteile für Hf-Schweisskantenformer | 1900900302
Hersteller: BOSCH
Artikelnummer: EB-0602530006-1900900302
nur Informationsartikel
Nie mehr lieferbar
keine Alternativen
Pos.
1/118
BOSCH Passfeder | Ersatzteile für Hf-Schweisskantenformer | 1902300284
Hersteller: BOSCH
Artikelnummer: EB-0602530006-1902300284
nur Informationsartikel
Nie mehr lieferbar
keine Alternativen
Pos.
1/120
BOSCH Sicherungsring DIN 471 20x1,2 | Ersatzteile für Hf-Schweisskantenformer | 2916650011
Hersteller: BOSCH
Artikelnummer: EB-0602530006-2916650011
Netto: 4,36 € zzgl. MwSt.
zzgl. 6,90 € Versand (brutto)
einmalig pro Bestellung

Lieferzeit: 5 Werktage

Pos.
1/121
BOSCH Dichtung | Ersatzteile für Hf-Schweisskantenformer | 1601015005
Hersteller: BOSCH
Artikelnummer: EB-0602530006-1601015005
nur Informationsartikel
Nie mehr lieferbar
keine Alternativen
Pos.
1/122
BOSCH Innensechskantschraube | Ersatzteile für Hf-Schweisskantenformer | 1603414003
Hersteller: BOSCH
Artikelnummer: EB-0602530006-1603414003
nur Informationsartikel
Nie mehr lieferbar
keine Alternativen
Pos.
1/132
BOSCH Klemmhalter | Ersatzteile für Hf-Schweisskantenformer | 1602305015
Hersteller: BOSCH
Artikelnummer: EB-0602530006-1602305015
nur Informationsartikel
Nie mehr lieferbar
keine Alternativen
Pos.
1/133
BOSCH Spiralspannstift 4x12-DIN 1481 | Ersatzteile für Hf-Schweisskantenformer | 2917760095
Hersteller: BOSCH
Artikelnummer: EB-0602530006-2917760095
nur Informationsartikel
Nie mehr lieferbar
keine Alternativen
Pos.
1/134
BOSCH Gegenhalter | Ersatzteile für Hf-Schweisskantenformer | 1609280001
Hersteller: BOSCH
Artikelnummer: EB-0602530006-1609280001
nur Informationsartikel
Nie mehr lieferbar
keine Alternativen
Pos.
1/138
BOSCH Federring B 8 DIN 127 | Ersatzteile für Hf-Schweisskantenformer | 2916680009
Hersteller: BOSCH
Artikelnummer: EB-0602530006-2916680009
nur Informationsartikel
Nie mehr lieferbar
keine Alternativen
Pos.
1/139
BOSCH Innensechskantschraube DIN 912-M8x18-8.8 | Ersatzteile für Hf-Schweisskantenformer | 2910141240
Hersteller: BOSCH
Artikelnummer: EB-0602530006-2910141240
nur Informationsartikel
Nie mehr lieferbar
keine Alternativen
Pos.
1/141
BOSCH Innensechskantschraube | Ersatzteile für Hf-Schweisskantenformer | 1603414004
Hersteller: BOSCH
Artikelnummer: EB-0602530006-1603414004
nur Informationsartikel
Nie mehr lieferbar
keine Alternativen
Pos.
1/142
BOSCH Gewindebuchse | Ersatzteile für Hf-Schweisskantenformer | 1600363009
Hersteller: BOSCH
Artikelnummer: EB-0602530006-1600363009
nur Informationsartikel
Nie mehr lieferbar
keine Alternativen
Pos.
1/145
BOSCH Querhalter | Ersatzteile für Hf-Schweisskantenformer | 1608010009
Hersteller: BOSCH
Artikelnummer: EB-0602530006-1608010009
nur Informationsartikel
Nie mehr lieferbar
keine Alternativen
Pos.
1/146
BOSCH Nutmutter | Ersatzteile für Hf-Schweisskantenformer | 1603342005
Hersteller: BOSCH
Artikelnummer: EB-0602530006-1603342005
nur Informationsartikel
Nie mehr lieferbar
keine Alternativen
Pos.
1/150
BOSCH Stössel | Ersatzteile für Hf-Schweisskantenformer | 1603121013
Hersteller: BOSCH
Artikelnummer: EB-0602530006-1603121013
nur Informationsartikel
Nie mehr lieferbar
keine Alternativen
Pos.
1/151
BOSCH Führungshülse | Ersatzteile für Hf-Schweisskantenformer | 1600506012
Hersteller: BOSCH
Artikelnummer: EB-0602530006-1600506012
nur Informationsartikel
Nie mehr lieferbar
keine Alternativen
Pos.
1/152
BOSCH Innensechskantschraube DIN 912-M8x15-8.8 | Ersatzteile für Hf-Schweisskantenformer | 2910141237
Hersteller: BOSCH
Artikelnummer: EB-0602530006-2910141237
nur Informationsartikel
Nie mehr lieferbar
keine Alternativen
Pos.
1/153
BOSCH Sicherungsring DIN 472-14x1MM | Ersatzteile für Hf-Schweisskantenformer | 2916660002
Hersteller: BOSCH
Artikelnummer: EB-0602530006-2916660002
nur Informationsartikel
Nie mehr lieferbar
keine Alternativen
Pos.
1/70
BOSCH Getriebegehäuse | Ersatzteile für Hf-Schweisskantenformer | 1605110020
Hersteller: BOSCH
Artikelnummer: EB-0602530006-1605110020
nur Informationsartikel
Nie mehr lieferbar
keine Alternativen
Pos.
1/71
BOSCH Schmiernippel | Ersatzteile für Hf-Schweisskantenformer | 1609274002
Hersteller: BOSCH
Artikelnummer: EB-0602530006-1609274002
nur Informationsartikel
Nie mehr lieferbar
keine Alternativen
Pos.
1/72
BOSCH Zylinderstift DIN 7-5m 6x16-St | Ersatzteile für Hf-Schweisskantenformer | 2917510120
Hersteller: BOSCH
Artikelnummer: EB-0602530006-2917510120
nur Informationsartikel
Nie mehr lieferbar
keine Alternativen
Pos.
1/73
BOSCH Lagerbuchse | Ersatzteile für Hf-Schweisskantenformer | 1600300070
Hersteller: BOSCH
Artikelnummer: EB-0602530006-1600300070
nur Informationsartikel
Nie mehr lieferbar
keine Alternativen
Pos.
1/74
BOSCH Stössel | Ersatzteile für Hf-Schweisskantenformer | 1603121012
Hersteller: BOSCH
Artikelnummer: EB-0602530006-1603121012
nur Informationsartikel
Nie mehr lieferbar
keine Alternativen
Pos.
1/76
BOSCH Gewindestift DIN 913-M5x20-45h | Ersatzteile für Hf-Schweisskantenformer | 2912040162
Hersteller: BOSCH
Artikelnummer: EB-0602530006-2912040162
nur Informationsartikel
Nie mehr lieferbar
keine Alternativen
Pos.
1/77
BOSCH Pleuelstange | Ersatzteile für Hf-Schweisskantenformer | 1602001001
Hersteller: BOSCH
Artikelnummer: EB-0602530006-1602001001
nur Informationsartikel
Nie mehr lieferbar
keine Alternativen
Pos.
1/78
BOSCH Pleuelbolzen | Ersatzteile für Hf-Schweisskantenformer | 1603100022
Hersteller: BOSCH
Artikelnummer: EB-0602530006-1603100022
nur Informationsartikel
Nie mehr lieferbar
keine Alternativen
Pos.
6
BOSCH Läufer | Ersatzteile für Hf-Schweisskantenformer | 1604080081
Hersteller: BOSCH
Artikelnummer: EB-0602530006-1604080081
nur Informationsartikel
Nie mehr lieferbar
keine Alternativen
Pos.
7
BOSCH Ständer 265V/200HZ | Ersatzteile für Hf-Schweisskantenformer | 1604229160
Hersteller: BOSCH
Artikelnummer: EB-0602530006-1604229160
nur Informationsartikel
Nie mehr lieferbar
keine Alternativen
Pos.
8
BOSCH Elktr Leitg M Anschluss | Ersatzteile für Hf-Schweisskantenformer | 3604462043
Hersteller: BOSCH
Artikelnummer: EB-0602530006-3604462043
Netto: 46,22 € zzgl. MwSt.
zzgl. 6,90 € Versand (brutto)
einmalig pro Bestellung

Lieferzeit: 5 Werktage

Pos.
10
BOSCH Welle Mit Zahnrad | Ersatzteile für Hf-Schweisskantenformer | 1606328083
Hersteller: BOSCH
Artikelnummer: EB-0602530006-1606328083
nur Informationsartikel
Nie mehr lieferbar
keine Alternativen
Pos.
11
BOSCH Motorgehäuse | Ersatzteile für Hf-Schweisskantenformer | 1605102082
Hersteller: BOSCH
Artikelnummer: EB-0602530006-1605102082
nur Informationsartikel
Nie mehr lieferbar
keine Alternativen
Pos.
12
BOSCH Gewindering | Ersatzteile für Hf-Schweisskantenformer | 1603344037
Hersteller: BOSCH
Artikelnummer: EB-0602530006-1603344037
nur Informationsartikel
Nie mehr lieferbar
keine Alternativen
Pos.
14
BOSCH Dichtring | Ersatzteile für Hf-Schweisskantenformer | 1600209009
Hersteller: BOSCH
Artikelnummer: EB-0602530006-1600209009
Netto: 7,26 € zzgl. MwSt.
zzgl. 6,90 € Versand (brutto)
einmalig pro Bestellung

Lieferzeit: 5 Werktage

Pos.
15
BOSCH Leitscheibe | Ersatzteile für Hf-Schweisskantenformer | 1600500014
Hersteller: BOSCH
Artikelnummer: EB-0602530006-1600500014
nur Informationsartikel
Nie mehr lieferbar
keine Alternativen
Pos.
16
BOSCH Abdeckscheibe | Ersatzteile für Hf-Schweisskantenformer | 1600134000
Hersteller: BOSCH
Artikelnummer: EB-0602530006-1600134000
nur Informationsartikel
Nie mehr lieferbar
keine Alternativen
Pos.
18
BOSCH Dichtung | Ersatzteile für Hf-Schweisskantenformer | 1601015011
Hersteller: BOSCH
Artikelnummer: EB-0602530006-1601015011
Netto: 4,75 € zzgl. MwSt.
zzgl. 6,90 € Versand (brutto)
einmalig pro Bestellung

Lieferzeit: 5 Werktage

Pos.
18/1
BOSCH Profilstreifen | Ersatzteile für Hf-Schweisskantenformer | 1601014001
Hersteller: BOSCH
Artikelnummer: EB-0602530006-1601014001
nur Informationsartikel
Nie mehr lieferbar
keine Alternativen
Pos.
19
BOSCH Stirnrad Z=51 | Ersatzteile für Hf-Schweisskantenformer | 1606317058
Hersteller: BOSCH
Artikelnummer: EB-0602530006-1606317058
nur Informationsartikel
Nie mehr lieferbar
keine Alternativen
Pos.
20
BOSCH Tülle | Ersatzteile für Hf-Schweisskantenformer | 1600306000
Hersteller: BOSCH
Artikelnummer: EB-0602530006-1600306000
Netto: 4,50 € zzgl. MwSt.
zzgl. 6,90 € Versand (brutto)
einmalig pro Bestellung

Lieferzeit: 5 Werktage

Pos.
21
BOSCH Schutzhaube | Ersatzteile für Hf-Schweisskantenformer | 1600502004
Hersteller: BOSCH
Artikelnummer: EB-0602530006-1600502004
Netto: 5,65 € zzgl. MwSt.
zzgl. 6,90 € Versand (brutto)
einmalig pro Bestellung

Lieferzeit: 5 Werktage

Pos.
22
BOSCH Handgriff | Ersatzteile für Hf-Schweisskantenformer | 1605132067
Hersteller: BOSCH
Artikelnummer: EB-0602530006-1605132067
nur Informationsartikel
Nie mehr lieferbar
keine Alternativen
Pos.
23
BOSCH Tülle Ø11,5-Ø15,0x150 MM | Ersatzteile für Hf-Schweisskantenformer | 1600703009
Hersteller: BOSCH
Artikelnummer: EB-0602530006-1600703009
Netto: 6,75 € zzgl. MwSt.
zzgl. 6,90 € Versand (brutto)
einmalig pro Bestellung

Lieferzeit: 5 Werktage

Pos.
24
BOSCH Schalthebel | Ersatzteile für Hf-Schweisskantenformer | 1602026038
Hersteller: BOSCH
Artikelnummer: EB-0602530006-1602026038
nur Informationsartikel
Nie mehr lieferbar
keine Alternativen
Pos.
25
BOSCH Typschild | Ersatzteile für Hf-Schweisskantenformer | 3601106053
Hersteller: BOSCH
Artikelnummer: EB-0602530006-3601106053
Netto: 6,27 € zzgl. MwSt.
zzgl. 6,90 € Versand (brutto)
einmalig pro Bestellung

Lieferzeit: 5 Werktage

Pos.
29
BOSCH Gewindestift | Ersatzteile für Hf-Schweisskantenformer | 1603402004
Hersteller: BOSCH
Artikelnummer: EB-0602530006-1603402004
Netto: 4,56 € zzgl. MwSt.
zzgl. 6,90 € Versand (brutto)
einmalig pro Bestellung

Lieferzeit: 5 Werktage

Pos.
30
BOSCH Dichtscheibe Ø18xØ10x4 MM | Ersatzteile für Hf-Schweisskantenformer | 1600108024
Hersteller: BOSCH
Artikelnummer: EB-0602530006-1600108024
Netto: 3,59 € zzgl. MwSt.
zzgl. 6,90 € Versand (brutto)
einmalig pro Bestellung

Lieferzeit: 5 Werktage

Pos.
31
BOSCH Dichtscheibe | Ersatzteile für Hf-Schweisskantenformer | 1600108048
Hersteller: BOSCH
Artikelnummer: EB-0602530006-1600108048
Netto: 3,94 € zzgl. MwSt.
zzgl. 6,90 € Versand (brutto)
einmalig pro Bestellung

Lieferzeit: 5 Werktage

Pos.
32
BOSCH Dichtplatte | Ersatzteile für Hf-Schweisskantenformer | 1600113003
Hersteller: BOSCH
Artikelnummer: EB-0602530006-1600113003
Netto: 4,80 € zzgl. MwSt.
zzgl. 6,90 € Versand (brutto)
einmalig pro Bestellung

Lieferzeit: 5 Werktage

Pos.
33
BOSCH Befestigungsschelle | Ersatzteile für Hf-Schweisskantenformer | 1601303003
Hersteller: BOSCH
Artikelnummer: EB-0602530006-1601303003
Netto: 4,36 € zzgl. MwSt.
zzgl. 6,90 € Versand (brutto)
einmalig pro Bestellung

Lieferzeit: 5 Werktage

Pos.
35
BOSCH Rillenkugellager 12x28x8 | Ersatzteile für Hf-Schweisskantenformer | 1900900287
Hersteller: BOSCH
Artikelnummer: EB-0602530006-1900900287
Netto: 18,86 € zzgl. MwSt.
zzgl. 6,90 € Versand (brutto)
einmalig pro Bestellung

Lieferzeit: 5 Werktage

Pos.
36
BOSCH Rillenkugellager | Ersatzteile für Hf-Schweisskantenformer | 1600900019
Hersteller: BOSCH
Artikelnummer: EB-0602530006-1600900019
nur Informationsartikel
Nie mehr lieferbar
keine Alternativen
Pos.
38
BOSCH O-Ring | Ersatzteile für Hf-Schweisskantenformer | 1120210000
Hersteller: BOSCH
Artikelnummer: EB-0602530006-1120210000
nur Informationsartikel
Nie mehr lieferbar
keine Alternativen
Pos.
39
BOSCH Innensechskantschraube DIN 912-M6x45-8.8 | Ersatzteile für Hf-Schweisskantenformer | 2910141211
Hersteller: BOSCH
Artikelnummer: EB-0602530006-2910141211
nur Informationsartikel
Nie mehr lieferbar
keine Alternativen
Pos.
40
BOSCH Innensechskantschraube DIN 912-M6x55-8.8 | Ersatzteile für Hf-Schweisskantenformer | 2910141215
Hersteller: BOSCH
Artikelnummer: EB-0602530006-2910141215
Netto: 5,17 € zzgl. MwSt.
zzgl. 6,90 € Versand (brutto)
einmalig pro Bestellung

Lieferzeit: 5 Werktage

Pos.
42
BOSCH Flachkopfschraube DIN 85-MS-M 4x12 | Ersatzteile für Hf-Schweisskantenformer | 2910110122
Hersteller: BOSCH
Artikelnummer: EB-0602530006-2910110122
Netto: 3,60 € zzgl. MwSt.
zzgl. 6,90 € Versand (brutto)
einmalig pro Bestellung

Lieferzeit: 5 Werktage

Pos.
45
BOSCH Zylinderschraube DIN 84-AM4x20-8.8 | Ersatzteile für Hf-Schweisskantenformer | 2910021130
Hersteller: BOSCH
Artikelnummer: EB-0602530006-2910021130
Netto: 3,60 € zzgl. MwSt.
zzgl. 6,90 € Versand (brutto)
einmalig pro Bestellung

Lieferzeit: 5 Werktage

Pos.
46
BOSCH Innensechskantschraube DIN 912-M6x40-8.8 | Ersatzteile für Hf-Schweisskantenformer | 2910141209
Hersteller: BOSCH
Artikelnummer: EB-0602530006-2910141209
Netto: 4,54 € zzgl. MwSt.
zzgl. 6,90 € Versand (brutto)
einmalig pro Bestellung

Lieferzeit: 5 Werktage

Pos.
49
BOSCH Federscheibe Ø4,2 MM | Ersatzteile für Hf-Schweisskantenformer | 3600150006
Hersteller: BOSCH
Artikelnummer: EB-0602530006-3600150006
Netto: 4,56 € zzgl. MwSt.
zzgl. 6,90 € Versand (brutto)
einmalig pro Bestellung

Lieferzeit: 5 Werktage

Pos.
50
BOSCH Klemmbügel | Ersatzteile für Hf-Schweisskantenformer | 3601321001
Hersteller: BOSCH
Artikelnummer: EB-0602530006-3601321001
Netto: 5,17 € zzgl. MwSt.
zzgl. 6,90 € Versand (brutto)
einmalig pro Bestellung

Lieferzeit: 5 Werktage

Pos.
52
BOSCH Kerbnagel DIN 1476-2x5 MM | Ersatzteile für Hf-Schweisskantenformer | 3603133001
Hersteller: BOSCH
Artikelnummer: EB-0602530006-3603133001
Netto: 4,56 € zzgl. MwSt.
zzgl. 6,90 € Versand (brutto)
einmalig pro Bestellung

Lieferzeit: 5 Werktage

Pos.
54
BOSCH Sprengring | Ersatzteile für Hf-Schweisskantenformer | 2916610007
Hersteller: BOSCH
Artikelnummer: EB-0602530006-2916610007
nur Informationsartikel
Nie mehr lieferbar
keine Alternativen
Pos.
201
BOSCH Anschlagwinkel | Ersatzteile für Hf-Schweisskantenformer | 1601331031
Hersteller: BOSCH
Artikelnummer: EB-0602530006-1601331031
nur Informationsartikel
Nie mehr lieferbar
keine Alternativen
Pos.
202
BOSCH Federring DIN 127-A 8 | Ersatzteile für Hf-Schweisskantenformer | 2916680035
Hersteller: BOSCH
Artikelnummer: EB-0602530006-2916680035
nur Informationsartikel
Nie mehr lieferbar
keine Alternativen
Pos.
651
BOSCH Hakenschlüssel | Ersatzteile für Hf-Schweisskantenformer | 1907950564
Hersteller: BOSCH
Artikelnummer: EB-0602530006-1907950564
nur Informationsartikel
Nie mehr lieferbar
keine Alternativen
Pos.
652
BOSCH Winkelschraubendreher DIN 911 SW6 | Ersatzteile für Hf-Schweisskantenformer | 1907950007
Hersteller: BOSCH
Artikelnummer: EB-0602530006-1907950007
Netto: 6,27 € zzgl. MwSt.
zzgl. 6,90 € Versand (brutto)
einmalig pro Bestellung

Lieferzeit: 5 Werktage

Pos.
653
BOSCH Spannstift 4x12 DIN 1481 | Ersatzteile für Hf-Schweisskantenformer | 2917761095
Hersteller: BOSCH
Artikelnummer: EB-0602530006-2917761095
nur Informationsartikel
Nie mehr lieferbar
keine Alternativen
Pos.
654
BOSCH Innensechskantschraube DIN 912-M8x20-8.8 | Ersatzteile für Hf-Schweisskantenformer | 2910141242
Hersteller: BOSCH
Artikelnummer: EB-0602530006-2910141242
Netto: 3,94 € zzgl. MwSt.
zzgl. 6,90 € Versand (brutto)
einmalig pro Bestellung

Lieferzeit: 5 Werktage

Pos.
656
BOSCH Fettpresse | Ersatzteile für Hf-Schweisskantenformer | 1615437500
Hersteller: BOSCH
Artikelnummer: EB-0602530006-1615437500
nur Informationsartikel
Nie mehr lieferbar
keine Alternativen
Pos.
657
BOSCH Schraubendreher DIN 5270 1,6 | Ersatzteile für Hf-Schweisskantenformer | 1907959021
Hersteller: BOSCH
Artikelnummer: EB-0602530006-1907959021
nur Informationsartikel
Nie mehr lieferbar
keine Alternativen
Pos.
658
BOSCH Zusatzhandgriff M14 SCHWARZ | Ersatzteile für Hf-Schweisskantenformer | 1602025022
Hersteller: BOSCH
Artikelnummer: EB-0602530006-1602025022
Netto: 11,41 € zzgl. MwSt.
zzgl. 6,90 € Versand (brutto)
einmalig pro Bestellung

Lieferzeit: 5 Werktage

Pos.
658
BOSCH Zusatzhandgriff M14, Ø37x115 MM SCHWARZ | Ersatzteile für Hf-Schweisskantenformer | 1602025030
Hersteller: BOSCH
Artikelnummer: EB-0602530006-1602025030
Netto: 14,92 € zzgl. MwSt.
zzgl. 6,90 € Versand (brutto)
einmalig pro Bestellung

Lieferzeit: 5 Werktage

Pos.
752
BOSCH Ein/Aus-Schalter | Ersatzteile für Hf-Schweisskantenformer | 1607200006
Hersteller: BOSCH
Artikelnummer: EB-0602530006-1607200006
Netto: 74,05 € zzgl. MwSt.
zzgl. 6,90 € Versand (brutto)
einmalig pro Bestellung

Lieferzeit: 5 Werktage

Pos.
752/1
BOSCH Zylinderschraube DIN 84-AM3x10-4.8 | Ersatzteile für Hf-Schweisskantenformer | 2910001052
Hersteller: BOSCH
Artikelnummer: EB-0602530006-2910001052
Netto: 4,36 € zzgl. MwSt.
zzgl. 6,90 € Versand (brutto)
einmalig pro Bestellung

Lieferzeit: 5 Werktage

Pos.
752/2
BOSCH Zugfeder | Ersatzteile für Hf-Schweisskantenformer | 1604650009
Hersteller: BOSCH
Artikelnummer: EB-0602530006-1604650009
Netto: 3,59 € zzgl. MwSt.
zzgl. 6,90 € Versand (brutto)
einmalig pro Bestellung

Lieferzeit: 5 Werktage

Pos.
752/4
BOSCH Flachkopfschraube DIN 85-AM4x8-4.8 | Ersatzteile für Hf-Schweisskantenformer | 2910091118
Hersteller: BOSCH
Artikelnummer: EB-0602530006-2910091118
Netto: 3,60 € zzgl. MwSt.
zzgl. 6,90 € Versand (brutto)
einmalig pro Bestellung

Lieferzeit: 5 Werktage

Pos.
752/7
BOSCH Rastrolle | Ersatzteile für Hf-Schweisskantenformer | 1603200007
Hersteller: BOSCH
Artikelnummer: EB-0602530006-1603200007
nur Informationsartikel
Nie mehr lieferbar
keine Alternativen
Pos.
753
BOSCH Befestigungsplatte | Ersatzteile für Hf-Schweisskantenformer | 3601023015
Hersteller: BOSCH
Artikelnummer: EB-0602530006-3601023015
Netto: 18,86 € zzgl. MwSt.
zzgl. 6,90 € Versand (brutto)
einmalig pro Bestellung

Lieferzeit: 5 Werktage

Pos.
754
BOSCH Federring DIN 128-A4-FST | Ersatzteile für Hf-Schweisskantenformer | 2916690003
Hersteller: BOSCH
Artikelnummer: EB-0602530006-2916690003
Netto: 3,60 € zzgl. MwSt.
zzgl. 6,90 € Versand (brutto)
einmalig pro Bestellung

Lieferzeit: 5 Werktage

Pos.
755
BOSCH Zylinderschraube DIN 84-AM4x8-8.8 | Ersatzteile für Hf-Schweisskantenformer | 2910021118
Hersteller: BOSCH
Artikelnummer: EB-0602530006-2910021118
Netto: 3,60 € zzgl. MwSt.
zzgl. 6,90 € Versand (brutto)
einmalig pro Bestellung

Lieferzeit: 5 Werktage

Pos.
658
BOSCH Zusatzhandgriff | Ersatzteile für Hf-Schweisskantenformer | 160202509Z
Hersteller: BOSCH
Artikelnummer: EB-0602530006-16020250A1
Netto: 13,81 € zzgl. MwSt.
zzgl. 6,90 € Versand (brutto)
einmalig pro Bestellung

Lieferzeit: 5 Werktage

Angaben zur Produktsicherheit

Hersteller:
Robert Bosch Power Tools GmbH
Postfach 30 02 20
70442 Stuttgart

E-Mail:
kontakt@bosch.de