BOSCH Innensechskantschraube DIN 912-M5x18-8.8 | Ersatzteile für Hf-Tellerschleifer | 2910141160

Artikelnummer: EB-0602373007-2910141160

Position: 29

Marke: BOSCH


Bitte Kompatibilität prüfen!

Bitte prüfen Sie unbedingt die 10-stellige Typennummer Ihrer Maschine / Ihres Gerätes. Das Ersatzteil ist nur kompatibel, wenn Sie die Typennummer Ihrer Maschine in der unten stehenden Produktbeschreibung finden.

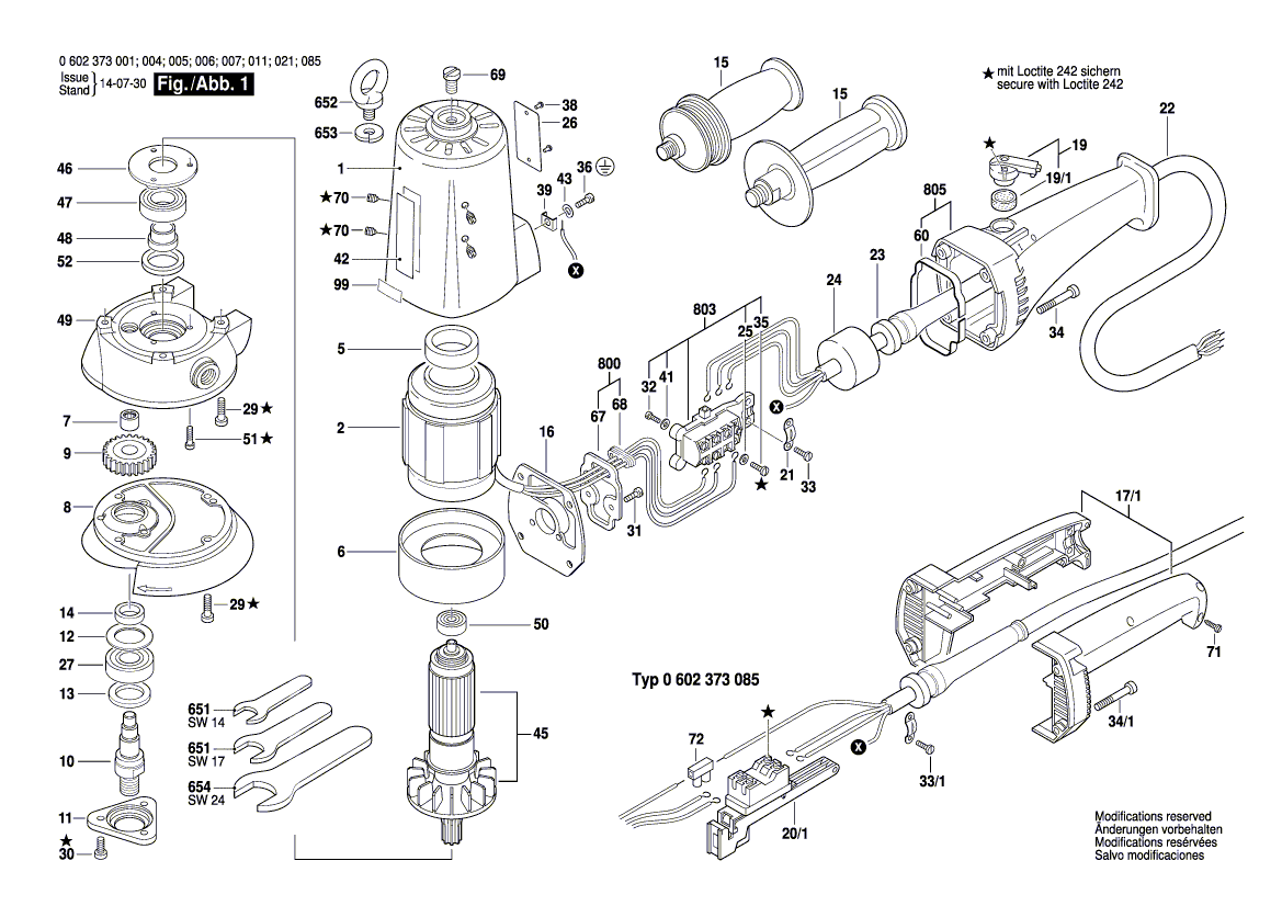
Bitte prüfen Sie ebenfalls detailliert die Explosionszeichnung mit Ihrem Artikelwunsch und der jeweiligen Pos-Nummer.

Alle Elemente, welche vom schwarzen Strich der Pos-Nummer ausgehend berührt / erfasst werden, gehören zu dieser Pos-Nummer und somit zu diesem Artikel. Jede Pos-Nummer ist ein eigenständiger Artikel, welchen Sie in der Auflistung finden.

Sie erhalten stets die aktuellste, neueste Produktversion zu der gewählten Pos-Nummer seitens des Herstellers. Es kann daher je nach Gerätealter vorkommen, dass Sie ggf. weitere, zugehörige Elemente, welche an diese Pos-Nummer grenzen, ebenfalls mittauschen müssen.

Nähere Informationen finden Sie unter dem Link
Hinweise zu Ihrer BOSCH Ersatzteilsuche

Preisübersicht

Einzelpreis: 4,36 €* (Brutto: 5,19 €)
Gesamtpreis: 4,36 €* 
Position:

Lieferzeit: 5 Werktage


Beschreibung

  • Innensechskantschraube DIN 912-M5x18-8.8
  • Original Bosch Zubehör / BOSCH Ersatzteil (2910141160)
  • im Gerät verbaut: 8
Dieses BOSCH Ersatzteil ist mit folgendem Gerät und Modell kompatibel:
  • BOSCH Gerätename: Hf-Tellerschleifer
  • BOSCH Explosionszeichnung: Position 29
  • BOSCH Typennummer: 0602373007
  • BOSCH Typennummer alternative Schreibweisen: 0 602 373 007, 0602 373 007, 0.602.373.007, 0-602-373-007
    Bitte prüfen Sie diese Typennummer auf Ihrem Gerät um die Kompatibilität des BOSCH Ersatzteils zu gewährleisten.
Weitere BOSCH Ersatzteile des Gerätes Hf-Tellerschleifer mit der Typennummer 0602373007 finden Sie in der nachfolgenden Darstellung und im Dropdown zu Ihrer Auswahl:

Pos.
1
BOSCH Motorgehäuse | Ersatzteile für Hf-Tellerschleifer | 3605102055
Hersteller: BOSCH
Artikelnummer: EB-0602373007-3605102055
nur Informationsartikel
Nie mehr lieferbar
keine Alternativen
Pos.
2
BOSCH Ständer | Ersatzteile für Hf-Tellerschleifer | 1604229194
Hersteller: BOSCH
Artikelnummer: EB-0602373007-1604229194
nur Informationsartikel
Nie mehr lieferbar
keine Alternativen
Pos.
5
BOSCH Dichtring | Ersatzteile für Hf-Tellerschleifer | 1600209004
Hersteller: BOSCH
Artikelnummer: EB-0602373007-1600209004
Netto: 4,80 € zzgl. MwSt.
zzgl. 6,90 € Versand (brutto)
einmalig pro Bestellung

Lieferzeit: 5 Werktage

Pos.
6
BOSCH Luftleitring | Ersatzteile für Hf-Tellerschleifer | 1600209002
Hersteller: BOSCH
Artikelnummer: EB-0602373007-1600209002
Netto: 6,27 € zzgl. MwSt.
zzgl. 6,90 € Versand (brutto)
einmalig pro Bestellung

Lieferzeit: 5 Werktage

Pos.
7
BOSCH Nadelhülse | Ersatzteile für Hf-Tellerschleifer | 1600910007
Hersteller: BOSCH
Artikelnummer: EB-0602373007-1600910007
Netto: 11,58 € zzgl. MwSt.
zzgl. 6,90 € Versand (brutto)
einmalig pro Bestellung

Lieferzeit: 5 Werktage

Pos.
8
BOSCH Lagerdeckel | Ersatzteile für Hf-Tellerschleifer | 3605808006
Hersteller: BOSCH
Artikelnummer: EB-0602373007-3605808006
Netto: 185,46 € zzgl. MwSt.
zzgl. 6,90 € Versand (brutto)
einmalig pro Bestellung

Lieferzeit: 5 Werktage

Pos.
9
BOSCH Stirnrad | Ersatzteile für Hf-Tellerschleifer | 1606320040
Hersteller: BOSCH
Artikelnummer: EB-0602373007-1606320040
Netto: 91,88 € zzgl. MwSt.
zzgl. 6,90 € Versand (brutto)
einmalig pro Bestellung

Lieferzeit: 5 Werktage

Pos.
11
BOSCH Lagerdeckel | Ersatzteile für Hf-Tellerschleifer | 1605808041
Hersteller: BOSCH
Artikelnummer: EB-0602373007-1605808041
nur Informationsartikel
Nie mehr lieferbar
keine Alternativen
Pos.
15
BOSCH Zusatzhandgriff M14 SCHWARZ | Ersatzteile für Hf-Tellerschleifer | 1602025022
Hersteller: BOSCH
Artikelnummer: EB-0602373007-1602025022
Netto: 11,41 € zzgl. MwSt.
zzgl. 6,90 € Versand (brutto)
einmalig pro Bestellung

Lieferzeit: 5 Werktage

Pos.
12
BOSCH Ausgleichscheibe 0,4 MM DICK | Ersatzteile für Hf-Tellerschleifer | 1600102641
Hersteller: BOSCH
Artikelnummer: EB-0602373007-1600102641
nur Informationsartikel
Nie mehr lieferbar
keine Alternativen
Pos.
15
BOSCH Zusatzhandgriff M14, Ø37x115 MM SCHWARZ | Ersatzteile für Hf-Tellerschleifer | 1602025030
Hersteller: BOSCH
Artikelnummer: EB-0602373007-1602025030
Netto: 14,92 € zzgl. MwSt.
zzgl. 6,90 € Versand (brutto)
einmalig pro Bestellung

Lieferzeit: 5 Werktage

Pos.
14
BOSCH Zwischenring | Ersatzteile für Hf-Tellerschleifer | 1600202027
Hersteller: BOSCH
Artikelnummer: EB-0602373007-1600202027
nur Informationsartikel
Nie mehr lieferbar
keine Alternativen
Pos.
19
BOSCH Schalthebel | Ersatzteile für Hf-Tellerschleifer | 1602026030
Hersteller: BOSCH
Artikelnummer: EB-0602373007-1602026030
Netto: 9,05 € zzgl. MwSt.
zzgl. 6,90 € Versand (brutto)
einmalig pro Bestellung

Lieferzeit: 5 Werktage

Pos.
15
BOSCH Zusatzhandgriff | Ersatzteile für Hf-Tellerschleifer | 160202509Z
Hersteller: BOSCH
Artikelnummer: EB-0602373007-16020250A1
Netto: 13,81 € zzgl. MwSt.
zzgl. 6,90 € Versand (brutto)
einmalig pro Bestellung

Lieferzeit: 5 Werktage

Pos.
19/1
BOSCH Filzring | Ersatzteile für Hf-Tellerschleifer | 1600205008
Hersteller: BOSCH
Artikelnummer: EB-0602373007-1600205008
Netto: 3,94 € zzgl. MwSt.
zzgl. 6,90 € Versand (brutto)
einmalig pro Bestellung

Lieferzeit: 5 Werktage

Pos.
16
BOSCH Verschlussplatte | Ersatzteile für Hf-Tellerschleifer | 3601038010
Hersteller: BOSCH
Artikelnummer: EB-0602373007-3601038010
nur Informationsartikel
Nie mehr lieferbar
keine Alternativen
Pos.
21
BOSCH Befestigungsschelle | Ersatzteile für Hf-Tellerschleifer | 1601303003
Hersteller: BOSCH
Artikelnummer: EB-0602373007-1601303003
Netto: 4,36 € zzgl. MwSt.
zzgl. 6,90 € Versand (brutto)
einmalig pro Bestellung

Lieferzeit: 5 Werktage

Pos.
23
BOSCH Tülle Ø11,5-Ø15,0x150 MM | Ersatzteile für Hf-Tellerschleifer | 1600703009
Hersteller: BOSCH
Artikelnummer: EB-0602373007-1600703009
Netto: 6,75 € zzgl. MwSt.
zzgl. 6,90 € Versand (brutto)
einmalig pro Bestellung

Lieferzeit: 5 Werktage

Pos.
24
BOSCH Dichtplatte | Ersatzteile für Hf-Tellerschleifer | 1600113003
Hersteller: BOSCH
Artikelnummer: EB-0602373007-1600113003
Netto: 4,80 € zzgl. MwSt.
zzgl. 6,90 € Versand (brutto)
einmalig pro Bestellung

Lieferzeit: 5 Werktage

Pos.
25
BOSCH Federscheibe DIN 137-A4 | Ersatzteile für Hf-Tellerschleifer | 1600150006
Hersteller: BOSCH
Artikelnummer: EB-0602373007-1600150006
nur Informationsartikel
Nie mehr lieferbar
keine Alternativen
Pos.
26
BOSCH Typschild | Ersatzteile für Hf-Tellerschleifer | 3601106053
Hersteller: BOSCH
Artikelnummer: EB-0602373007-3601106053
Netto: 6,27 € zzgl. MwSt.
zzgl. 6,90 € Versand (brutto)
einmalig pro Bestellung

Lieferzeit: 5 Werktage

Pos.
27
BOSCH Rillenkugellager 15x35x11 | Ersatzteile für Hf-Tellerschleifer | 1900905226
Hersteller: BOSCH
Artikelnummer: EB-0602373007-1900905226
Netto: 23,72 € zzgl. MwSt.
zzgl. 6,90 € Versand (brutto)
einmalig pro Bestellung

Lieferzeit: 5 Werktage

Pos.
29
BOSCH Innensechskantschraube DIN 912-M5x18-8.8 | Ersatzteile für Hf-Tellerschleifer | 2910141160
Hersteller: BOSCH
Artikelnummer: EB-0602373007-2910141160
Netto: 4,36 € zzgl. MwSt.
zzgl. 6,90 € Versand (brutto)
einmalig pro Bestellung

Lieferzeit: 5 Werktage

Pos.
30
BOSCH Zylinderschraube DIN 84-AM5x12-8.8 | Ersatzteile für Hf-Tellerschleifer | 2910021154
Hersteller: BOSCH
Artikelnummer: EB-0602373007-2910021154
Netto: 3,60 € zzgl. MwSt.
zzgl. 6,90 € Versand (brutto)
einmalig pro Bestellung

Lieferzeit: 5 Werktage

Pos.
31
BOSCH Zylinderschraube DIN 84-AM5x10-5.8 | Ersatzteile für Hf-Tellerschleifer | 2910011152
Hersteller: BOSCH
Artikelnummer: EB-0602373007-2910011152
Netto: 3,60 € zzgl. MwSt.
zzgl. 6,90 € Versand (brutto)
einmalig pro Bestellung

Lieferzeit: 5 Werktage

Pos.
32
BOSCH Blechschraube DIN 7971-BZ2,9x13 | Ersatzteile für Hf-Tellerschleifer | 2910211006
Hersteller: BOSCH
Artikelnummer: EB-0602373007-2910211006
Netto: 3,60 € zzgl. MwSt.
zzgl. 6,90 € Versand (brutto)
einmalig pro Bestellung

Lieferzeit: 5 Werktage

Pos.
33
BOSCH Zylinderschraube DIN 84-AM4x8-8.8 | Ersatzteile für Hf-Tellerschleifer | 2910021118
Hersteller: BOSCH
Artikelnummer: EB-0602373007-2910021118
Netto: 3,60 € zzgl. MwSt.
zzgl. 6,90 € Versand (brutto)
einmalig pro Bestellung

Lieferzeit: 5 Werktage

Pos.
34
BOSCH Innensechskantschraube DIN 912-M 5x35-8.8 | Ersatzteile für Hf-Tellerschleifer | 2910141168
Hersteller: BOSCH
Artikelnummer: EB-0602373007-2910141168
Netto: 4,80 € zzgl. MwSt.
zzgl. 6,90 € Versand (brutto)
einmalig pro Bestellung

Lieferzeit: 5 Werktage

Pos.
35
BOSCH Flachkopfschraube DIN 85-AM4x8-4.8 | Ersatzteile für Hf-Tellerschleifer | 2910091118
Hersteller: BOSCH
Artikelnummer: EB-0602373007-2910091118
Netto: 3,60 € zzgl. MwSt.
zzgl. 6,90 € Versand (brutto)
einmalig pro Bestellung

Lieferzeit: 5 Werktage

Pos.
36
BOSCH Flachkopfschraube DIN 85-MS-M 4x12 | Ersatzteile für Hf-Tellerschleifer | 2910110122
Hersteller: BOSCH
Artikelnummer: EB-0602373007-2910110122
Netto: 3,60 € zzgl. MwSt.
zzgl. 6,90 € Versand (brutto)
einmalig pro Bestellung

Lieferzeit: 5 Werktage

Pos.
38
BOSCH Kerbnagel DIN 1476-2x5 MM | Ersatzteile für Hf-Tellerschleifer | 3603133001
Hersteller: BOSCH
Artikelnummer: EB-0602373007-3603133001
Netto: 4,56 € zzgl. MwSt.
zzgl. 6,90 € Versand (brutto)
einmalig pro Bestellung

Lieferzeit: 5 Werktage

Pos.
39
BOSCH Klemmbügel | Ersatzteile für Hf-Tellerschleifer | 3601321001
Hersteller: BOSCH
Artikelnummer: EB-0602373007-3601321001
Netto: 5,17 € zzgl. MwSt.
zzgl. 6,90 € Versand (brutto)
einmalig pro Bestellung

Lieferzeit: 5 Werktage

Pos.
41
BOSCH Unterlegscheibe DIN 433-3,2-ST 50 | Ersatzteile für Hf-Tellerschleifer | 2916011005
Hersteller: BOSCH
Artikelnummer: EB-0602373007-2916011005
Netto: 3,60 € zzgl. MwSt.
zzgl. 6,90 € Versand (brutto)
einmalig pro Bestellung

Lieferzeit: 5 Werktage

Pos.
43
BOSCH Federscheibe Ø4,2 MM | Ersatzteile für Hf-Tellerschleifer | 3600150006
Hersteller: BOSCH
Artikelnummer: EB-0602373007-3600150006
Netto: 4,56 € zzgl. MwSt.
zzgl. 6,90 € Versand (brutto)
einmalig pro Bestellung

Lieferzeit: 5 Werktage

Pos.
45
BOSCH Laeufer Ohne Wicklung | Ersatzteile für Hf-Tellerschleifer | 1604080079
Hersteller: BOSCH
Artikelnummer: EB-0602373007-1604080079
Netto: 301,21 € zzgl. MwSt.
zzgl. 6,90 € Versand (brutto)
einmalig pro Bestellung

Lieferzeit: 5 Werktage

Pos.
46
BOSCH Lagerdeckel | Ersatzteile für Hf-Tellerschleifer | 1600501019
Hersteller: BOSCH
Artikelnummer: EB-0602373007-1600501019
Netto: 20,80 € zzgl. MwSt.
zzgl. 6,90 € Versand (brutto)
einmalig pro Bestellung

Lieferzeit: 5 Werktage

Pos.
47
BOSCH Rillenkugellager 17x35x10 | Ersatzteile für Hf-Tellerschleifer | 1600900001
Hersteller: BOSCH
Artikelnummer: EB-0602373007-1600900001
nur Informationsartikel
Nie mehr lieferbar
keine Alternativen
Pos.
49
BOSCH Lagergehaeuse | Ersatzteile für Hf-Tellerschleifer | 1605820152
Hersteller: BOSCH
Artikelnummer: EB-0602373007-1605820152
nur Informationsartikel
Nie mehr lieferbar
keine Alternativen
Pos.
50
BOSCH Rillenkugellager 7x22x7 | Ersatzteile für Hf-Tellerschleifer | 1610900025
Hersteller: BOSCH
Artikelnummer: EB-0602373007-1610900025
Netto: 13,81 € zzgl. MwSt.
zzgl. 6,90 € Versand (brutto)
einmalig pro Bestellung

Lieferzeit: 5 Werktage

Pos.
51
BOSCH Zylinderschraube DIN 84-AM4x15-8.8 | Ersatzteile für Hf-Tellerschleifer | 2910021125
Hersteller: BOSCH
Artikelnummer: EB-0602373007-2910021125
Netto: 3,60 € zzgl. MwSt.
zzgl. 6,90 € Versand (brutto)
einmalig pro Bestellung

Lieferzeit: 5 Werktage

Pos.
42
BOSCH Firmenschild | Ersatzteile für Hf-Tellerschleifer | 3601110104
Hersteller: BOSCH
Artikelnummer: EB-0602373007-3601110104
nur Informationsartikel
Nie mehr lieferbar
keine Alternativen
Pos.
52
BOSCH Filzring | Ersatzteile für Hf-Tellerschleifer | 3600205002
Hersteller: BOSCH
Artikelnummer: EB-0602373007-3600205002
Netto: 4,56 € zzgl. MwSt.
zzgl. 6,90 € Versand (brutto)
einmalig pro Bestellung

Lieferzeit: 5 Werktage

Pos.
60
BOSCH Dichtschnur | Ersatzteile für Hf-Tellerschleifer | 1601014000
Hersteller: BOSCH
Artikelnummer: EB-0602373007-1601014000
Netto: 4,80 € zzgl. MwSt.
zzgl. 6,90 € Versand (brutto)
einmalig pro Bestellung

Lieferzeit: 5 Werktage

Pos.
67
BOSCH Dichtplatte | Ersatzteile für Hf-Tellerschleifer | 1602388006
Hersteller: BOSCH
Artikelnummer: EB-0602373007-1602388006
Netto: 6,75 € zzgl. MwSt.
zzgl. 6,90 € Versand (brutto)
einmalig pro Bestellung

Lieferzeit: 5 Werktage

Pos.
68
BOSCH Tülle | Ersatzteile für Hf-Tellerschleifer | 1600306001
Hersteller: BOSCH
Artikelnummer: EB-0602373007-1600306001
Netto: 4,56 € zzgl. MwSt.
zzgl. 6,90 € Versand (brutto)
einmalig pro Bestellung

Lieferzeit: 5 Werktage

Pos.
70
BOSCH Gewindestift | Ersatzteile für Hf-Tellerschleifer | 1603402002
Hersteller: BOSCH
Artikelnummer: EB-0602373007-1603402002
Netto: 3,94 € zzgl. MwSt.
zzgl. 6,90 € Versand (brutto)
einmalig pro Bestellung

Lieferzeit: 5 Werktage

Pos.
48
BOSCH Zwischenring | Ersatzteile für Hf-Tellerschleifer | 1600420003
Hersteller: BOSCH
Artikelnummer: EB-0602373007-1600420003
nur Informationsartikel
Nie mehr lieferbar
keine Alternativen
Pos.
71
BOSCH Blechschraube DIN 7971-ST3,9x22-F | Ersatzteile für Hf-Tellerschleifer | 2910211021
Hersteller: BOSCH
Artikelnummer: EB-0602373007-2910211021
Netto: 3,94 € zzgl. MwSt.
zzgl. 6,90 € Versand (brutto)
einmalig pro Bestellung

Lieferzeit: 5 Werktage

Pos.
99
BOSCH Hinweisschild | Ersatzteile für Hf-Tellerschleifer | 3601119236
Hersteller: BOSCH
Artikelnummer: EB-0602373007-3601119236
Netto: 5,17 € zzgl. MwSt.
zzgl. 6,90 € Versand (brutto)
einmalig pro Bestellung

Lieferzeit: 5 Werktage

Pos.
651
BOSCH Einmaulschlüssel SW17 | Ersatzteile für Hf-Tellerschleifer | 2607950511
Hersteller: BOSCH
Artikelnummer: EB-0602373007-2607950511
Netto: 5,65 € zzgl. MwSt.
zzgl. 6,90 € Versand (brutto)
einmalig pro Bestellung

Lieferzeit: 5 Werktage

Pos.
652
BOSCH Ringschraube DIN 580-M 8 | Ersatzteile für Hf-Tellerschleifer | 2912521237
Hersteller: BOSCH
Artikelnummer: EB-0602373007-2912521237
Netto: 10,20 € zzgl. MwSt.
zzgl. 6,90 € Versand (brutto)
einmalig pro Bestellung

Lieferzeit: 5 Werktage

Pos.
653
BOSCH Federring | Ersatzteile für Hf-Tellerschleifer | 2916680011
Hersteller: BOSCH
Artikelnummer: EB-0602373007-2916680011
nur Informationsartikel
Nie mehr lieferbar
keine Alternativen
Pos.
654
BOSCH Einmaulschlüssel DIN 894 SW24 | Ersatzteile für Hf-Tellerschleifer | 1907950513
Hersteller: BOSCH
Artikelnummer: EB-0602373007-1907950513
Netto: 13,81 € zzgl. MwSt.
zzgl. 6,90 € Versand (brutto)
einmalig pro Bestellung

Lieferzeit: 5 Werktage

Pos.
800
BOSCH Dichtplatte | Ersatzteile für Hf-Tellerschleifer | 1602388007
Hersteller: BOSCH
Artikelnummer: EB-0602373007-1602388007
Netto: 10,62 € zzgl. MwSt.
zzgl. 6,90 € Versand (brutto)
einmalig pro Bestellung

Lieferzeit: 5 Werktage

Pos.
803
BOSCH Schaltersatz | Ersatzteile für Hf-Tellerschleifer | 1607000036
Hersteller: BOSCH
Artikelnummer: EB-0602373007-1607000036
nur Informationsartikel
Nie mehr lieferbar
keine Alternativen
Pos.
805
BOSCH Handgriff DUNKELBLAU | Ersatzteile für Hf-Tellerschleifer | 3605132048
Hersteller: BOSCH
Artikelnummer: EB-0602373007-3605132048
Netto: 55,88 € zzgl. MwSt.
zzgl. 6,90 € Versand (brutto)
einmalig pro Bestellung

Lieferzeit: 5 Werktage

Pos.
69
BOSCH Zylinderschraube DIN 84-AM8x10-8.8 | Ersatzteile für Hf-Tellerschleifer | 2910021232
Hersteller: BOSCH
Artikelnummer: EB-0602373007-2910021232
Netto: 3,94 € zzgl. MwSt.
zzgl. 6,90 € Versand (brutto)
einmalig pro Bestellung

Lieferzeit: 5 Werktage

Angaben zur Produktsicherheit

Hersteller:
Robert Bosch Power Tools GmbH
Postfach 30 02 20
70442 Stuttgart

E-Mail:
kontakt@bosch.de