BOSCH Sprengring Ø22 MM | Ersatzteile für Hf-Winkelschleifer | 2916620011

Artikelnummer: EB-0602309032-2916620011

Position: 35

Marke: BOSCH


Bitte Kompatibilität prüfen!

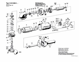
Bitte prüfen Sie unbedingt die 10-stellige Typennummer Ihrer Maschine / Ihres Gerätes. Das Ersatzteil ist nur kompatibel, wenn Sie die Typennummer Ihrer Maschine in der unten stehenden Produktbeschreibung finden.

Bitte prüfen Sie ebenfalls detailliert die Explosionszeichnung mit Ihrem Artikelwunsch und der jeweiligen Pos-Nummer.

Alle Elemente, welche vom schwarzen Strich der Pos-Nummer ausgehend berührt / erfasst werden, gehören zu dieser Pos-Nummer und somit zu diesem Artikel. Jede Pos-Nummer ist ein eigenständiger Artikel, welchen Sie in der Auflistung finden.

Sie erhalten stets die aktuellste, neueste Produktversion zu der gewählten Pos-Nummer seitens des Herstellers. Es kann daher je nach Gerätealter vorkommen, dass Sie ggf. weitere, zugehörige Elemente, welche an diese Pos-Nummer grenzen, ebenfalls mittauschen müssen.

Nähere Informationen finden Sie unter dem Link
Hinweise zu Ihrer BOSCH Ersatzteilsuche

Preisübersicht

Einzelpreis: 3,94 €* (Brutto: 4,69 €)
Gesamtpreis: 3,94 €* 
Position:

Lieferzeit: 5 Werktage


Beschreibung

  • Sprengring Ø22 MM
  • Original Bosch Zubehör / BOSCH Ersatzteil (2916620011)
  • im Gerät verbaut: 1
Dieses BOSCH Ersatzteil ist mit folgendem Gerät und Modell kompatibel:
  • BOSCH Gerätename: Hf-Winkelschleifer
  • BOSCH Explosionszeichnung: Position 35
  • BOSCH Typennummer: 0602309032
  • BOSCH Typennummer alternative Schreibweisen: 0 602 309 032, 0602 309 032, 0.602.309.032, 0-602-309-032
    Bitte prüfen Sie diese Typennummer auf Ihrem Gerät um die Kompatibilität des BOSCH Ersatzteils zu gewährleisten.
Weitere BOSCH Ersatzteile des Gerätes Hf-Winkelschleifer mit der Typennummer 0602309032 finden Sie in der nachfolgenden Darstellung und im Dropdown zu Ihrer Auswahl:

Pos.
1
BOSCH Motorgehäuse | Ersatzteile für Hf-Winkelschleifer | 1605102106
Hersteller: BOSCH
Artikelnummer: EB-0602309032-1605102106
nur Informationsartikel
Nie mehr lieferbar
keine Alternativen
Pos.
752/5
BOSCH Rollensatz | Ersatzteile für HF-WINKELSCHLE | 1619P01375
Hersteller: BOSCH
Artikelnummer: EB-0602309032-1619P01375
Netto: 9,75 € zzgl. MwSt.
zzgl. 6,90 € Versand (brutto)
einmalig pro Bestellung

Lieferzeit: 5 Werktage

Pos.
2
BOSCH Ständer | Ersatzteile für Hf-Winkelschleifer | 1604229161
Hersteller: BOSCH
Artikelnummer: EB-0602309032-1604229161
nur Informationsartikel
Nie mehr lieferbar
keine Alternativen
Pos.
4
BOSCH Handgriff | Ersatzteile für Hf-Winkelschleifer | 3605132035
Hersteller: BOSCH
Artikelnummer: EB-0602309032-3605132035
Netto: 35,13 € zzgl. MwSt.
zzgl. 6,90 € Versand (brutto)
einmalig pro Bestellung

Lieferzeit: 5 Werktage

Pos.
5
BOSCH Getriebegehäuse | Ersatzteile für Hf-Winkelschleifer | 1605806159
Hersteller: BOSCH
Artikelnummer: EB-0602309032-1605806159
nur Informationsartikel
Nie mehr lieferbar
keine Alternativen
Pos.
6
BOSCH Lagerflansch | Ersatzteile für Hf-Winkelschleifer | 1605805022
Hersteller: BOSCH
Artikelnummer: EB-0602309032-1605805022
nur Informationsartikel
Nie mehr lieferbar
keine Alternativen
Pos.
7
BOSCH Spannscheibe | Ersatzteile für Hf-Winkelschleifer | 1600521013
Hersteller: BOSCH
Artikelnummer: EB-0602309032-1600521013
nur Informationsartikel
Nie mehr lieferbar
keine Alternativen
Pos.
8
BOSCH Ein/Aus-Schalter | Ersatzteile für Hf-Winkelschleifer | 1607200017
Hersteller: BOSCH
Artikelnummer: EB-0602309032-1607200017
Netto: 91,88 € zzgl. MwSt.
zzgl. 6,90 € Versand (brutto)
einmalig pro Bestellung

Lieferzeit: 5 Werktage

Pos.
9
BOSCH Schalthebel | Ersatzteile für Hf-Winkelschleifer | 1602026038
Hersteller: BOSCH
Artikelnummer: EB-0602309032-1602026038
nur Informationsartikel
Nie mehr lieferbar
keine Alternativen
Pos.
11
BOSCH Schleifspindel | Ersatzteile für Hf-Winkelschleifer | 1603523029
Hersteller: BOSCH
Artikelnummer: EB-0602309032-1603523029
nur Informationsartikel
Nie mehr lieferbar
keine Alternativen
Pos.
12
BOSCH Leitscheibe | Ersatzteile für Hf-Winkelschleifer | 1600500014
Hersteller: BOSCH
Artikelnummer: EB-0602309032-1600500014
nur Informationsartikel
Nie mehr lieferbar
keine Alternativen
Pos.
13
BOSCH Elktr Leitg M Anschluss | Ersatzteile für Hf-Winkelschleifer | 3607030236
Hersteller: BOSCH
Artikelnummer: EB-0602309032-3607030236
Netto: 70,01 € zzgl. MwSt.
zzgl. 6,90 € Versand (brutto)
einmalig pro Bestellung

Lieferzeit: 5 Werktage

Pos.
15
BOSCH Tülle Ø11,5-Ø15,0x150 MM | Ersatzteile für Hf-Winkelschleifer | 1600703009
Hersteller: BOSCH
Artikelnummer: EB-0602309032-1600703009
Netto: 6,75 € zzgl. MwSt.
zzgl. 6,90 € Versand (brutto)
einmalig pro Bestellung

Lieferzeit: 5 Werktage

Pos.
16
BOSCH Befestigungsschelle | Ersatzteile für Hf-Winkelschleifer | 1601303003
Hersteller: BOSCH
Artikelnummer: EB-0602309032-1601303003
Netto: 4,36 € zzgl. MwSt.
zzgl. 6,90 € Versand (brutto)
einmalig pro Bestellung

Lieferzeit: 5 Werktage

Pos.
17
BOSCH Dichtplatte | Ersatzteile für Hf-Winkelschleifer | 1600113003
Hersteller: BOSCH
Artikelnummer: EB-0602309032-1600113003
Netto: 4,80 € zzgl. MwSt.
zzgl. 6,90 € Versand (brutto)
einmalig pro Bestellung

Lieferzeit: 5 Werktage

Pos.
18
BOSCH Dichtring | Ersatzteile für Hf-Winkelschleifer | 1600209009
Hersteller: BOSCH
Artikelnummer: EB-0602309032-1600209009
Netto: 7,26 € zzgl. MwSt.
zzgl. 6,90 € Versand (brutto)
einmalig pro Bestellung

Lieferzeit: 5 Werktage

Pos.
19
BOSCH O-Ring 45x3MM | Ersatzteile für Hf-Winkelschleifer | 1900210146
Hersteller: BOSCH
Artikelnummer: EB-0602309032-1900210146
Netto: 5,65 € zzgl. MwSt.
zzgl. 6,90 € Versand (brutto)
einmalig pro Bestellung

Lieferzeit: 5 Werktage

Pos.
20
BOSCH Dichtscheibe | Ersatzteile für Hf-Winkelschleifer | 1600108048
Hersteller: BOSCH
Artikelnummer: EB-0602309032-1600108048
Netto: 3,94 € zzgl. MwSt.
zzgl. 6,90 € Versand (brutto)
einmalig pro Bestellung

Lieferzeit: 5 Werktage

Pos.
21
BOSCH Unterlegscheibe | Ersatzteile für Hf-Winkelschleifer | 2100551000
Hersteller: BOSCH
Artikelnummer: EB-0602309032-2100551000
nur Informationsartikel
Nie mehr lieferbar
keine Alternativen
Pos.
22
BOSCH Ausgleichscheibe 0,05 MM DICK | Ersatzteile für Hf-Winkelschleifer | 1600101619
Hersteller: BOSCH
Artikelnummer: EB-0602309032-1600101619
Netto: 4,36 € zzgl. MwSt.
zzgl. 6,90 € Versand (brutto)
einmalig pro Bestellung

Lieferzeit: 5 Werktage

Pos.
22
BOSCH Ausgleichscheibe 0,1 MM DICK | Ersatzteile für Hf-Winkelschleifer | 1600101616
Hersteller: BOSCH
Artikelnummer: EB-0602309032-1600101616
Netto: 4,56 € zzgl. MwSt.
zzgl. 6,90 € Versand (brutto)
einmalig pro Bestellung

Lieferzeit: 5 Werktage

Pos.
22
BOSCH Ausgleichscheibe 0,2 MM DICK | Ersatzteile für Hf-Winkelschleifer | 1600101617
Hersteller: BOSCH
Artikelnummer: EB-0602309032-1600101617
Netto: 3,94 € zzgl. MwSt.
zzgl. 6,90 € Versand (brutto)
einmalig pro Bestellung

Lieferzeit: 5 Werktage

Pos.
22
BOSCH Ausgleichscheibe 0,3 MM DICK | Ersatzteile für Hf-Winkelschleifer | 1600101618
Hersteller: BOSCH
Artikelnummer: EB-0602309032-1600101618
nur Informationsartikel
Nie mehr lieferbar
keine Alternativen
Pos.
23
BOSCH Ausgleichscheibe 0,05 MM DICK | Ersatzteile für Hf-Winkelschleifer | 1600102638
Hersteller: BOSCH
Artikelnummer: EB-0602309032-1600102638
Netto: 3,92 € zzgl. MwSt.
zzgl. 6,90 € Versand (brutto)
einmalig pro Bestellung

Lieferzeit: 5 Werktage

Pos.
23
BOSCH Ausgleichscheibe 0,1 MM DICK | Ersatzteile für Hf-Winkelschleifer | 1600102639
Hersteller: BOSCH
Artikelnummer: EB-0602309032-1600102639
Netto: 4,10 € zzgl. MwSt.
zzgl. 6,90 € Versand (brutto)
einmalig pro Bestellung

Lieferzeit: 5 Werktage

Pos.
23
BOSCH Ausgleichscheibe 0,15 MM DICK | Ersatzteile für Hf-Winkelschleifer | 1600102640
Hersteller: BOSCH
Artikelnummer: EB-0602309032-1600102640
Netto: 4,10 € zzgl. MwSt.
zzgl. 6,90 € Versand (brutto)
einmalig pro Bestellung

Lieferzeit: 5 Werktage

Pos.
24
BOSCH Typschild | Ersatzteile für Hf-Winkelschleifer | 3601106053
Hersteller: BOSCH
Artikelnummer: EB-0602309032-3601106053
Netto: 6,27 € zzgl. MwSt.
zzgl. 6,90 € Versand (brutto)
einmalig pro Bestellung

Lieferzeit: 5 Werktage

Pos.
26
BOSCH O-Ring | Ersatzteile für Hf-Winkelschleifer | 1120210000
Hersteller: BOSCH
Artikelnummer: EB-0602309032-1120210000
nur Informationsartikel
Nie mehr lieferbar
keine Alternativen
Pos.
27
BOSCH Nadelhülse Ø22x11,3 MM | Ersatzteile für Hf-Winkelschleifer | 1600910010
Hersteller: BOSCH
Artikelnummer: EB-0602309032-1600910010
Netto: 38,40 € zzgl. MwSt.
zzgl. 6,90 € Versand (brutto)
einmalig pro Bestellung

Lieferzeit: 5 Werktage

Pos.
28
BOSCH Rillenkugellager 17x47x14 | Ersatzteile für Hf-Winkelschleifer | 1900900352
Hersteller: BOSCH
Artikelnummer: EB-0602309032-1900900352
Netto: 23,72 € zzgl. MwSt.
zzgl. 6,90 € Versand (brutto)
einmalig pro Bestellung

Lieferzeit: 5 Werktage

Pos.
29
BOSCH Gewindestift | Ersatzteile für Hf-Winkelschleifer | 1603402004
Hersteller: BOSCH
Artikelnummer: EB-0602309032-1603402004
Netto: 4,56 € zzgl. MwSt.
zzgl. 6,90 € Versand (brutto)
einmalig pro Bestellung

Lieferzeit: 5 Werktage

Pos.
31
BOSCH Innensechskantschraube DIN 912-M6x50-8.8 | Ersatzteile für Hf-Winkelschleifer | 2910141213
Hersteller: BOSCH
Artikelnummer: EB-0602309032-2910141213
Netto: 4,56 € zzgl. MwSt.
zzgl. 6,90 € Versand (brutto)
einmalig pro Bestellung

Lieferzeit: 5 Werktage

Pos.
32
BOSCH Innensechskantschraube DIN 912-M6x40-8.8 | Ersatzteile für Hf-Winkelschleifer | 2910141209
Hersteller: BOSCH
Artikelnummer: EB-0602309032-2910141209
Netto: 4,54 € zzgl. MwSt.
zzgl. 6,90 € Versand (brutto)
einmalig pro Bestellung

Lieferzeit: 5 Werktage

Pos.
33
BOSCH Innensechskantschraube DIN 912-M 5x25-8.8 | Ersatzteile für Hf-Winkelschleifer | 2910141164
Hersteller: BOSCH
Artikelnummer: EB-0602309032-2910141164
Netto: 4,36 € zzgl. MwSt.
zzgl. 6,90 € Versand (brutto)
einmalig pro Bestellung

Lieferzeit: 5 Werktage

Pos.
34
BOSCH Innensechskantschraube DIN 912-M5X16-8.8 | Ersatzteile für Hf-Winkelschleifer | 2910141158
Hersteller: BOSCH
Artikelnummer: EB-0602309032-2910141158
Netto: 3,60 € zzgl. MwSt.
zzgl. 6,90 € Versand (brutto)
einmalig pro Bestellung

Lieferzeit: 5 Werktage

Pos.
35
BOSCH Sprengring Ø22 MM | Ersatzteile für Hf-Winkelschleifer | 2916620011
Hersteller: BOSCH
Artikelnummer: EB-0602309032-2916620011
Netto: 3,94 € zzgl. MwSt.
zzgl. 6,90 € Versand (brutto)
einmalig pro Bestellung

Lieferzeit: 5 Werktage

Pos.
36
BOSCH Federscheibe Ø4,2 MM | Ersatzteile für Hf-Winkelschleifer | 3600150006
Hersteller: BOSCH
Artikelnummer: EB-0602309032-3600150006
Netto: 4,56 € zzgl. MwSt.
zzgl. 6,90 € Versand (brutto)
einmalig pro Bestellung

Lieferzeit: 5 Werktage

Pos.
37
BOSCH Klemmbügel | Ersatzteile für Hf-Winkelschleifer | 3601321001
Hersteller: BOSCH
Artikelnummer: EB-0602309032-3601321001
Netto: 5,17 € zzgl. MwSt.
zzgl. 6,90 € Versand (brutto)
einmalig pro Bestellung

Lieferzeit: 5 Werktage

Pos.
38
BOSCH Kerbnagel DIN 1476-2x5 MM | Ersatzteile für Hf-Winkelschleifer | 3603133001
Hersteller: BOSCH
Artikelnummer: EB-0602309032-3603133001
Netto: 4,56 € zzgl. MwSt.
zzgl. 6,90 € Versand (brutto)
einmalig pro Bestellung

Lieferzeit: 5 Werktage

Pos.
39
BOSCH Flachkopfschraube DIN 85-MS-M 4x12 | Ersatzteile für Hf-Winkelschleifer | 2910110122
Hersteller: BOSCH
Artikelnummer: EB-0602309032-2910110122
Netto: 3,60 € zzgl. MwSt.
zzgl. 6,90 € Versand (brutto)
einmalig pro Bestellung

Lieferzeit: 5 Werktage

Pos.
40
BOSCH O-Ring 74,0x3,0 MM | Ersatzteile für Hf-Winkelschleifer | 1600210006
Hersteller: BOSCH
Artikelnummer: EB-0602309032-1600210006
Netto: 3,94 € zzgl. MwSt.
zzgl. 6,90 € Versand (brutto)
einmalig pro Bestellung

Lieferzeit: 5 Werktage

Pos.
41
BOSCH Filzring | Ersatzteile für Hf-Winkelschleifer | 1600205027
Hersteller: BOSCH
Artikelnummer: EB-0602309032-1600205027
nur Informationsartikel
Nie mehr lieferbar
keine Alternativen
Pos.
43
BOSCH Tülle | Ersatzteile für Hf-Winkelschleifer | 1600306000
Hersteller: BOSCH
Artikelnummer: EB-0602309032-1600306000
Netto: 4,50 € zzgl. MwSt.
zzgl. 6,90 € Versand (brutto)
einmalig pro Bestellung

Lieferzeit: 5 Werktage

Pos.
44
BOSCH Schutzhaube | Ersatzteile für Hf-Winkelschleifer | 1600502004
Hersteller: BOSCH
Artikelnummer: EB-0602309032-1600502004
Netto: 5,65 € zzgl. MwSt.
zzgl. 6,90 € Versand (brutto)
einmalig pro Bestellung

Lieferzeit: 5 Werktage

Pos.
45
BOSCH Dichtung | Ersatzteile für Hf-Winkelschleifer | 1601015011
Hersteller: BOSCH
Artikelnummer: EB-0602309032-1601015011
Netto: 4,75 € zzgl. MwSt.
zzgl. 6,90 € Versand (brutto)
einmalig pro Bestellung

Lieferzeit: 5 Werktage

Pos.
56
BOSCH Läufer Ohne Wicklung | Ersatzteile für Hf-Winkelschleifer | 3604080004
Hersteller: BOSCH
Artikelnummer: EB-0602309032-3604080004
nur Informationsartikel
Nie mehr lieferbar
keine Alternativen
Pos.
56/3
BOSCH Lüfter | Ersatzteile für Hf-Winkelschleifer | 1606610069
Hersteller: BOSCH
Artikelnummer: EB-0602309032-1606610069
Netto: 26,41 € zzgl. MwSt.
zzgl. 6,90 € Versand (brutto)
einmalig pro Bestellung

Lieferzeit: 5 Werktage

Pos.
57
BOSCH Lagergehäuse | Ersatzteile für Hf-Winkelschleifer | 1605820145
Hersteller: BOSCH
Artikelnummer: EB-0602309032-1605820145
nur Informationsartikel
Nie mehr lieferbar
keine Alternativen
Pos.
58
BOSCH Lagerdeckel | Ersatzteile für Hf-Winkelschleifer | 1600501019
Hersteller: BOSCH
Artikelnummer: EB-0602309032-1600501019
Netto: 20,80 € zzgl. MwSt.
zzgl. 6,90 € Versand (brutto)
einmalig pro Bestellung

Lieferzeit: 5 Werktage

Pos.
59
BOSCH Abdeckscheibe | Ersatzteile für Hf-Winkelschleifer | 1600501024
Hersteller: BOSCH
Artikelnummer: EB-0602309032-1600501024
Netto: 13,81 € zzgl. MwSt.
zzgl. 6,90 € Versand (brutto)
einmalig pro Bestellung

Lieferzeit: 5 Werktage

Pos.
60
BOSCH Filzscheibe | Ersatzteile für Hf-Winkelschleifer | 1600108018
Hersteller: BOSCH
Artikelnummer: EB-0602309032-1600108018
Netto: 4,56 € zzgl. MwSt.
zzgl. 6,90 € Versand (brutto)
einmalig pro Bestellung

Lieferzeit: 5 Werktage

Pos.
62
BOSCH Rillenkugellager | Ersatzteile für Hf-Winkelschleifer | 1900905121
Hersteller: BOSCH
Artikelnummer: EB-0602309032-1900905121
Netto: 16,70 € zzgl. MwSt.
zzgl. 6,90 € Versand (brutto)
einmalig pro Bestellung

Lieferzeit: 5 Werktage

Pos.
62
BOSCH Rillenkugellager 12x28x8 | Ersatzteile für Hf-Winkelschleifer | 1900905103
Hersteller: BOSCH
Artikelnummer: EB-0602309032-1900905103
Netto: 15,85 € zzgl. MwSt.
zzgl. 6,90 € Versand (brutto)
einmalig pro Bestellung

Lieferzeit: 5 Werktage

Pos.
63
BOSCH Torx-Senkschraube M4x20 | Ersatzteile für Hf-Winkelschleifer | 3603435051
Hersteller: BOSCH
Artikelnummer: EB-0602309032-3603435051
Netto: 3,94 € zzgl. MwSt.
zzgl. 6,90 € Versand (brutto)
einmalig pro Bestellung

Lieferzeit: 5 Werktage

Pos.
64
BOSCH Sprengring 12 DIN 9045 | Ersatzteile für Hf-Winkelschleifer | 2916600007
Hersteller: BOSCH
Artikelnummer: EB-0602309032-2916600007
Netto: 4,80 € zzgl. MwSt.
zzgl. 6,90 € Versand (brutto)
einmalig pro Bestellung

Lieferzeit: 5 Werktage

Pos.
65
BOSCH Kegelrad | Ersatzteile für Hf-Winkelschleifer | 1606333053
Hersteller: BOSCH
Artikelnummer: EB-0602309032-1606333053
nur Informationsartikel
Nie mehr lieferbar
keine Alternativen
Pos.
66
BOSCH Kegelrad | Ersatzteile für Hf-Winkelschleifer | 3606333031
Hersteller: BOSCH
Artikelnummer: EB-0602309032-3606333031
nur Informationsartikel
Nie mehr lieferbar
keine Alternativen
Pos.
67
BOSCH Sechskantmutter M12x1,5 MM | Ersatzteile für Hf-Winkelschleifer | 1603300009
Hersteller: BOSCH
Artikelnummer: EB-0602309032-1603300009
Netto: 3,94 € zzgl. MwSt.
zzgl. 6,90 € Versand (brutto)
einmalig pro Bestellung

Lieferzeit: 5 Werktage

Pos.
651
BOSCH Winkelschraubendreher DIN 911;SW6 | Ersatzteile für Hf-Winkelschleifer | 1907950007
Hersteller: BOSCH
Artikelnummer: EB-0602309032-1907950007
Netto: 6,27 € zzgl. MwSt.
zzgl. 6,90 € Versand (brutto)
einmalig pro Bestellung

Lieferzeit: 5 Werktage

Pos.
61
BOSCH Rillenkugellager | Ersatzteile für Hf-Winkelschleifer | 3600900022
Hersteller: BOSCH
Artikelnummer: EB-0602309032-3600900022
nur Informationsartikel
Nie mehr lieferbar
keine Alternativen
Pos.
654
BOSCH Zusatzhandgriff M14 SCHWARZ | Ersatzteile für Hf-Winkelschleifer | 1602025022
Hersteller: BOSCH
Artikelnummer: EB-0602309032-1602025022
Netto: 11,41 € zzgl. MwSt.
zzgl. 6,90 € Versand (brutto)
einmalig pro Bestellung

Lieferzeit: 5 Werktage

Pos.
654
BOSCH Zusatzhandgriff M14, Ø37x115 MM SCHWARZ | Ersatzteile für Hf-Winkelschleifer | 1602025030
Hersteller: BOSCH
Artikelnummer: EB-0602309032-1602025030
Netto: 14,92 € zzgl. MwSt.
zzgl. 6,90 € Versand (brutto)
einmalig pro Bestellung

Lieferzeit: 5 Werktage

Pos.
655
BOSCH Schutzhaube | Ersatzteile für Hf-Winkelschleifer | 2605510082
Hersteller: BOSCH
Artikelnummer: EB-0602309032-2605510082
nur Informationsartikel
Nie mehr lieferbar
keine Alternativen
Pos.
656
BOSCH Aufnahmeflansch Ø45 MM | Ersatzteile für Hf-Winkelschleifer | 2600501006
Hersteller: BOSCH
Artikelnummer: EB-0602309032-2600501006
Netto: 15,15 € zzgl. MwSt.
zzgl. 6,90 € Versand (brutto)
einmalig pro Bestellung

Lieferzeit: 5 Werktage

Pos.
657
BOSCH Rundmutter M14 | Ersatzteile für Hf-Winkelschleifer | 2603345004
Hersteller: BOSCH
Artikelnummer: EB-0602309032-2603345004
Netto: 7,26 € zzgl. MwSt.
zzgl. 6,90 € Versand (brutto)
einmalig pro Bestellung

Lieferzeit: 5 Werktage

Pos.
752
BOSCH Ein/Aus-Schalter | Ersatzteile für Hf-Winkelschleifer | 1607200006
Hersteller: BOSCH
Artikelnummer: EB-0602309032-1607200006
Netto: 74,05 € zzgl. MwSt.
zzgl. 6,90 € Versand (brutto)
einmalig pro Bestellung

Lieferzeit: 5 Werktage

Pos.
752/1
BOSCH Zylinderschraube DIN 84-AM3x10-4.8 | Ersatzteile für Hf-Winkelschleifer | 2910001052
Hersteller: BOSCH
Artikelnummer: EB-0602309032-2910001052
Netto: 4,36 € zzgl. MwSt.
zzgl. 6,90 € Versand (brutto)
einmalig pro Bestellung

Lieferzeit: 5 Werktage

Pos.
752/2
BOSCH Zugfeder | Ersatzteile für Hf-Winkelschleifer | 1604650009
Hersteller: BOSCH
Artikelnummer: EB-0602309032-1604650009
Netto: 3,59 € zzgl. MwSt.
zzgl. 6,90 € Versand (brutto)
einmalig pro Bestellung

Lieferzeit: 5 Werktage

Pos.
752/3
BOSCH Druckfeder | Ersatzteile für Hf-Winkelschleifer | 1604617001
Hersteller: BOSCH
Artikelnummer: EB-0602309032-1604617001
Netto: 4,80 € zzgl. MwSt.
zzgl. 6,90 € Versand (brutto)
einmalig pro Bestellung

Lieferzeit: 5 Werktage

Pos.
752/4
BOSCH Flachkopfschraube DIN 85-AM4x8-4.8 | Ersatzteile für Hf-Winkelschleifer | 2910091118
Hersteller: BOSCH
Artikelnummer: EB-0602309032-2910091118
Netto: 3,60 € zzgl. MwSt.
zzgl. 6,90 € Versand (brutto)
einmalig pro Bestellung

Lieferzeit: 5 Werktage

Pos.
752/5
BOSCH Sicherungsscheibe DIN 6799-2,3 | Ersatzteile für Hf-Winkelschleifer | 2916080005
Hersteller: BOSCH
Artikelnummer: EB-0602309032-2916080005
nur Informationsartikel
Nie mehr lieferbar
keine Alternativen
Pos.
752/7
BOSCH Rastrolle | Ersatzteile für Hf-Winkelschleifer | 1603200007
Hersteller: BOSCH
Artikelnummer: EB-0602309032-1603200007
nur Informationsartikel
Nie mehr lieferbar
keine Alternativen
Pos.
753
BOSCH Befestigungsplatte | Ersatzteile für Hf-Winkelschleifer | 3601023015
Hersteller: BOSCH
Artikelnummer: EB-0602309032-3601023015
Netto: 18,86 € zzgl. MwSt.
zzgl. 6,90 € Versand (brutto)
einmalig pro Bestellung

Lieferzeit: 5 Werktage

Pos.
754
BOSCH Federring DIN 128-A4-FST | Ersatzteile für Hf-Winkelschleifer | 2916690003
Hersteller: BOSCH
Artikelnummer: EB-0602309032-2916690003
Netto: 3,60 € zzgl. MwSt.
zzgl. 6,90 € Versand (brutto)
einmalig pro Bestellung

Lieferzeit: 5 Werktage

Pos.
755
BOSCH Zylinderschraube DIN 84-AM4x8-8.8 | Ersatzteile für Hf-Winkelschleifer | 2910021118
Hersteller: BOSCH
Artikelnummer: EB-0602309032-2910021118
Netto: 3,60 € zzgl. MwSt.
zzgl. 6,90 € Versand (brutto)
einmalig pro Bestellung

Lieferzeit: 5 Werktage

Pos.
800
BOSCH Handgriff | Ersatzteile für Hf-Winkelschleifer | 1605132067
Hersteller: BOSCH
Artikelnummer: EB-0602309032-1605132067
nur Informationsartikel
Nie mehr lieferbar
keine Alternativen
Pos.
802
BOSCH Ersatzteilgruppe | Ersatzteile für Hf-Winkelschleifer | 3607031146
Hersteller: BOSCH
Artikelnummer: EB-0602309032-3607031146
nur Informationsartikel
Nie mehr lieferbar
keine Alternativen
Pos.
99
BOSCH Hinweisschild | Ersatzteile für Hf-Winkelschleifer | 3601119236
Hersteller: BOSCH
Artikelnummer: EB-0602309032-3601119236
Netto: 5,17 € zzgl. MwSt.
zzgl. 6,90 € Versand (brutto)
einmalig pro Bestellung

Lieferzeit: 5 Werktage

Pos.
652
BOSCH Zweilochmutterndreher | Ersatzteile für Hf-Winkelschleifer | 1607950061
Hersteller: BOSCH
Artikelnummer: EB-0602309032-1607950061
Netto: 5,60 € zzgl. MwSt.
zzgl. 6,90 € Versand (brutto)
einmalig pro Bestellung

Lieferzeit: 5 Werktage

Pos.
653
BOSCH Einmaulschlüssel SW17 | Ersatzteile für Hf-Winkelschleifer | 2607950511
Hersteller: BOSCH
Artikelnummer: EB-0602309032-2607950511
Netto: 5,65 € zzgl. MwSt.
zzgl. 6,90 € Versand (brutto)
einmalig pro Bestellung

Lieferzeit: 5 Werktage

Pos.
654
BOSCH Zusatzhandgriff | Ersatzteile für HF-WINKELSCHLE | 160202509Z
Hersteller: BOSCH
Artikelnummer: EB-0602309032-16020250A1
Netto: 13,81 € zzgl. MwSt.
zzgl. 6,90 € Versand (brutto)
einmalig pro Bestellung

Lieferzeit: 5 Werktage

Angaben zur Produktsicherheit

Hersteller:
Robert Bosch Power Tools GmbH
Postfach 30 02 20
70442 Stuttgart

E-Mail:
kontakt@bosch.de