BOSCH Kohlebürstensatz | Ersatzteile für HV 79 | 1607014103

Artikelnummer: EB-0601341003-1607014103

Position: 800

Marke: BOSCH


Bitte Kompatibilität prüfen!

Bitte prüfen Sie unbedingt die 10-stellige Typennummer Ihrer Maschine / Ihres Gerätes. Das Ersatzteil ist nur kompatibel, wenn Sie die Typennummer Ihrer Maschine in der unten stehenden Produktbeschreibung finden.

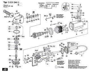
Bitte prüfen Sie ebenfalls detailliert die Explosionszeichnung mit Ihrem Artikelwunsch und der jeweiligen Pos-Nummer.

Alle Elemente, welche vom schwarzen Strich der Pos-Nummer ausgehend berührt / erfasst werden, gehören zu dieser Pos-Nummer und somit zu diesem Artikel. Jede Pos-Nummer ist ein eigenständiger Artikel, welchen Sie in der Auflistung finden.

Sie erhalten stets die aktuellste, neueste Produktversion zu der gewählten Pos-Nummer seitens des Herstellers. Es kann daher je nach Gerätealter vorkommen, dass Sie ggf. weitere, zugehörige Elemente, welche an diese Pos-Nummer grenzen, ebenfalls mittauschen müssen.

Nähere Informationen finden Sie unter dem Link
Hinweise zu Ihrer BOSCH Ersatzteilsuche

Preisübersicht

Einzelpreis: 12,50 €* (Brutto: 14,88 €)
Gesamtpreis: 12,50 €* 
Position:

Lieferzeit: 5 Werktage


Beschreibung

  • Kohlebürstensatz
  • Original Bosch Zubehör / BOSCH Ersatzteil (1607014103)
  • im Gerät verbaut: 1
Dieses BOSCH Ersatzteil ist mit folgendem Gerät und Modell kompatibel:
  • BOSCH Gerätename: HV 79
  • BOSCH Explosionszeichnung: Position 800
  • BOSCH Typennummer: 0601341003
  • BOSCH Typennummer alternative Schreibweisen: 0 601 341 003, 0601 341 003, 0.601.341.003, 0-601-341-003
    Bitte prüfen Sie diese Typennummer auf Ihrem Gerät um die Kompatibilität des BOSCH Ersatzteils zu gewährleisten.
Weitere BOSCH Ersatzteile des Gerätes HV 79 (Winkelschleifer) mit der Typennummer 0601341003 finden Sie in der nachfolgenden Darstellung und im Dropdown zu Ihrer Auswahl:

Pos.
2
BOSCH Polschuh | Ersatzteile für HV 79 | 1604220248
Hersteller: BOSCH
Artikelnummer: EB-0601341003-1604220248
nur Informationsartikel
Nie mehr lieferbar
keine Alternativen
Pos.
2/8
BOSCH Kabelschuh 1,5-4x4 | Ersatzteile für HV 79 | 1901350003
Hersteller: BOSCH
Artikelnummer: EB-0601341003-1901350003
Netto: 3,60 € zzgl. MwSt.
zzgl. 6,90 € Versand (brutto)
einmalig pro Bestellung

Lieferzeit: 5 Werktage

Pos.
5/20
BOSCH Aderendhülse DIN 46 228-A1-6 | Ersatzteile für HV 79 | 1900452012
Hersteller: BOSCH
Artikelnummer: EB-0601341003-1900452012
Netto: 3,94 € zzgl. MwSt.
zzgl. 6,90 € Versand (brutto)
einmalig pro Bestellung

Lieferzeit: 5 Werktage

Pos.
6
BOSCH Tülle Ø9,2-Ø12x120 MM | Ersatzteile für HV 79 | 3600703011
Hersteller: BOSCH
Artikelnummer: EB-0601341003-3600703011
Netto: 4,80 € zzgl. MwSt.
zzgl. 6,90 € Versand (brutto)
einmalig pro Bestellung

Lieferzeit: 5 Werktage

Pos.
7
BOSCH Befestigungsschelle | Ersatzteile für HV 79 | 1601302013
Hersteller: BOSCH
Artikelnummer: EB-0601341003-1601302013
Netto: 3,94 € zzgl. MwSt.
zzgl. 6,90 € Versand (brutto)
einmalig pro Bestellung

Lieferzeit: 5 Werktage

Pos.
9
BOSCH Firmenschild | Ersatzteile für HV 79 | 1601110003
Hersteller: BOSCH
Artikelnummer: EB-0601341003-1601110003
nur Informationsartikel
Nie mehr lieferbar
keine Alternativen
Pos.
11
BOSCH Entstörfilter | Ersatzteile für HV 79 | 1607328034
Hersteller: BOSCH
Artikelnummer: EB-0601341003-1607328034
Netto: 5,65 € zzgl. MwSt.
zzgl. 6,90 € Versand (brutto)
einmalig pro Bestellung

Lieferzeit: 5 Werktage

Pos.
15
BOSCH Dichtung | Ersatzteile für HV 79 | 1600113002
Hersteller: BOSCH
Artikelnummer: EB-0601341003-1600113002
Netto: 3,94 € zzgl. MwSt.
zzgl. 6,90 € Versand (brutto)
einmalig pro Bestellung

Lieferzeit: 5 Werktage

Pos.
16
BOSCH Bürstenhalter | Ersatzteile für HV 79 | 1604336008
Hersteller: BOSCH
Artikelnummer: EB-0601341003-1604336008
Netto: 16,70 € zzgl. MwSt.
zzgl. 6,90 € Versand (brutto)
einmalig pro Bestellung

Lieferzeit: 5 Werktage

Pos.
17
BOSCH Abdeckplatte | Ersatzteile für HV 79 | 1601037006
Hersteller: BOSCH
Artikelnummer: EB-0601341003-1601037006
nur Informationsartikel
Nie mehr lieferbar
keine Alternativen
Pos.
18
BOSCH Profilstreifen | Ersatzteile für HV 79 | 1601014005
Hersteller: BOSCH
Artikelnummer: EB-0601341003-1601014005
nur Informationsartikel
Nie mehr lieferbar
keine Alternativen
Pos.
19
BOSCH Schalthebel | Ersatzteile für HV 79 | 1602026041
Hersteller: BOSCH
Artikelnummer: EB-0601341003-1602026041
nur Informationsartikel
Nie mehr lieferbar
keine Alternativen
Pos.
19/80
BOSCH Filzring | Ersatzteile für HV 79 | 1600205019
Hersteller: BOSCH
Artikelnummer: EB-0601341003-1600205019
Netto: 3,94 € zzgl. MwSt.
zzgl. 6,90 € Versand (brutto)
einmalig pro Bestellung

Lieferzeit: 5 Werktage

Pos.
20
BOSCH Lagerdeckel | Ersatzteile für HV 79 | 1605808054
Hersteller: BOSCH
Artikelnummer: EB-0601341003-1605808054
nur Informationsartikel
Nie mehr lieferbar
keine Alternativen
Pos.
21
BOSCH Abdeckscheibe | Ersatzteile für HV 79 | 1600102012
Hersteller: BOSCH
Artikelnummer: EB-0601341003-1600102012
nur Informationsartikel
Nie mehr lieferbar
keine Alternativen
Pos.
22
BOSCH Schleifspindel M14x1,5 MM | Ersatzteile für HV 79 | 1603523032
Hersteller: BOSCH
Artikelnummer: EB-0601341003-1603523032
Netto: 32,16 € zzgl. MwSt.
zzgl. 6,90 € Versand (brutto)
einmalig pro Bestellung

Lieferzeit: 5 Werktage

Pos.
23
BOSCH Dichtscheibe | Ersatzteile für HV 79 | 1600108055
Hersteller: BOSCH
Artikelnummer: EB-0601341003-1600108055
Netto: 3,60 € zzgl. MwSt.
zzgl. 6,90 € Versand (brutto)
einmalig pro Bestellung

Lieferzeit: 5 Werktage

Pos.
25
BOSCH Tülle | Ersatzteile für HV 79 | 1600306001
Hersteller: BOSCH
Artikelnummer: EB-0601341003-1600306001
Netto: 4,56 € zzgl. MwSt.
zzgl. 6,90 € Versand (brutto)
einmalig pro Bestellung

Lieferzeit: 5 Werktage

Pos.
26
BOSCH Getriebegehäuse | Ersatzteile für HV 79 | 1602806394
Hersteller: BOSCH
Artikelnummer: EB-0601341003-1602806394
nur Informationsartikel
Nie mehr lieferbar
keine Alternativen
Pos.
27
BOSCH Nadelhülse Ø22x11,3 MM | Ersatzteile für HV 79 | 1600910010
Hersteller: BOSCH
Artikelnummer: EB-0601341003-1600910010
Netto: 38,40 € zzgl. MwSt.
zzgl. 6,90 € Versand (brutto)
einmalig pro Bestellung

Lieferzeit: 5 Werktage

Pos.
28
BOSCH Haltering | Ersatzteile für HV 79 | 1600206019
Hersteller: BOSCH
Artikelnummer: EB-0601341003-1600206019
nur Informationsartikel
Nie mehr lieferbar
keine Alternativen
Pos.
29
BOSCH Leitscheibe | Ersatzteile für HV 79 | 1600502013
Hersteller: BOSCH
Artikelnummer: EB-0601341003-1600502013
nur Informationsartikel
Nie mehr lieferbar
keine Alternativen
Pos.
30
BOSCH Sicherungsring | Ersatzteile für HV 79 | 1600119004
Hersteller: BOSCH
Artikelnummer: EB-0601341003-1600119004
Netto: 4,80 € zzgl. MwSt.
zzgl. 6,90 € Versand (brutto)
einmalig pro Bestellung

Lieferzeit: 5 Werktage

Pos.
31
BOSCH Spiralfeder | Ersatzteile für HV 79 | 1604652015
Hersteller: BOSCH
Artikelnummer: EB-0601341003-1604652015
Netto: 4,80 € zzgl. MwSt.
zzgl. 6,90 € Versand (brutto)
einmalig pro Bestellung

Lieferzeit: 5 Werktage

Pos.
32
BOSCH Radial-Wellendichtring WEISS | Ersatzteile für HV 79 | 1600290008
Hersteller: BOSCH
Artikelnummer: EB-0601341003-1600290008
Netto: 4,56 € zzgl. MwSt.
zzgl. 6,90 € Versand (brutto)
einmalig pro Bestellung

Lieferzeit: 5 Werktage

Pos.
34
BOSCH Ausgleichscheibe | Ersatzteile für HV 79 | 1600190004
Hersteller: BOSCH
Artikelnummer: EB-0601341003-1600190004
nur Informationsartikel
Nie mehr lieferbar
keine Alternativen
Pos.
34
BOSCH Ausgleichscheibe 0,2 MM DICK | Ersatzteile für HV 79 | 1600190005
Hersteller: BOSCH
Artikelnummer: EB-0601341003-1600190005
Netto: 3,75 € zzgl. MwSt.
zzgl. 6,90 € Versand (brutto)
einmalig pro Bestellung

Lieferzeit: 5 Werktage

Pos.
35
BOSCH Sicherungsblech | Ersatzteile für HV 79 | 1601030022
Hersteller: BOSCH
Artikelnummer: EB-0601341003-1601030022
Netto: 3,94 € zzgl. MwSt.
zzgl. 6,90 € Versand (brutto)
einmalig pro Bestellung

Lieferzeit: 5 Werktage

Pos.
36
BOSCH Gummibuchse | Ersatzteile für HV 79 | 1600502006
Hersteller: BOSCH
Artikelnummer: EB-0601341003-1600502006
nur Informationsartikel
Nie mehr lieferbar
keine Alternativen
Pos.
40
BOSCH Federscheibe Ø32,3xØ43,5x0,6 MM | Ersatzteile für HV 79 | 1600150009
Hersteller: BOSCH
Artikelnummer: EB-0601341003-1600150009
Netto: 4,80 € zzgl. MwSt.
zzgl. 6,90 € Versand (brutto)
einmalig pro Bestellung

Lieferzeit: 5 Werktage

Pos.
41
BOSCH Verschlussdeckel | Ersatzteile für HV 79 | 1605500089
Hersteller: BOSCH
Artikelnummer: EB-0601341003-1605500089
nur Informationsartikel
Nie mehr lieferbar
keine Alternativen
Pos.
42
BOSCH Handgriff | Ersatzteile für HV 79 | 1605132079
Hersteller: BOSCH
Artikelnummer: EB-0601341003-1605132079
nur Informationsartikel
Nie mehr lieferbar
keine Alternativen
Pos.
44
BOSCH Planscheibe | Ersatzteile für HV 79 | 1600120070
Hersteller: BOSCH
Artikelnummer: EB-0601341003-1600120070
nur Informationsartikel
Nie mehr lieferbar
keine Alternativen
Pos.
45
BOSCH Haltewinkel | Ersatzteile für HV 79 | 1601331032
Hersteller: BOSCH
Artikelnummer: EB-0601341003-1601331032
nur Informationsartikel
Nie mehr lieferbar
keine Alternativen
Pos.
50
BOSCH Rillenkugellager 6203-2 Z DIN 625 | Ersatzteile für HV 79 | 1900905227
Hersteller: BOSCH
Artikelnummer: EB-0601341003-1900905227
nur Informationsartikel
Nie mehr lieferbar
keine Alternativen
Pos.
51
BOSCH Sprengring Ø22 MM | Ersatzteile für HV 79 | 2916620011
Hersteller: BOSCH
Artikelnummer: EB-0601341003-2916620011
Netto: 3,94 € zzgl. MwSt.
zzgl. 6,90 € Versand (brutto)
einmalig pro Bestellung

Lieferzeit: 5 Werktage

Pos.
52
BOSCH Rillenkugellager | Ersatzteile für HV 79 | 1900900413
Hersteller: BOSCH
Artikelnummer: EB-0601341003-1900900413
nur Informationsartikel
Nie mehr lieferbar
keine Alternativen
Pos.
53
BOSCH Rillenkugellager | Ersatzteile für HV 79 | 1600900029
Hersteller: BOSCH
Artikelnummer: EB-0601341003-1600900029
nur Informationsartikel
Nie mehr lieferbar
keine Alternativen
Pos.
54
BOSCH Zylinderschraube DIN 84-AM4x8-8.8 | Ersatzteile für HV 79 | 2910021118
Hersteller: BOSCH
Artikelnummer: EB-0601341003-2910021118
Netto: 3,60 € zzgl. MwSt.
zzgl. 6,90 € Versand (brutto)
einmalig pro Bestellung

Lieferzeit: 5 Werktage

Pos.
55
BOSCH Blechschraube DIN 7971-BZ2,9x13 | Ersatzteile für HV 79 | 2910211006
Hersteller: BOSCH
Artikelnummer: EB-0601341003-2910211006
Netto: 3,60 € zzgl. MwSt.
zzgl. 6,90 € Versand (brutto)
einmalig pro Bestellung

Lieferzeit: 5 Werktage

Pos.
56
BOSCH Unterlegscheibe DIN 433-3,2-ST 50 | Ersatzteile für HV 79 | 2916011005
Hersteller: BOSCH
Artikelnummer: EB-0601341003-2916011005
Netto: 3,60 € zzgl. MwSt.
zzgl. 6,90 € Versand (brutto)
einmalig pro Bestellung

Lieferzeit: 5 Werktage

Pos.
57
BOSCH Zylinderschraube | Ersatzteile für HV 79 | 2910011157
Hersteller: BOSCH
Artikelnummer: EB-0601341003-2910011157
nur Informationsartikel
Nie mehr lieferbar
keine Alternativen
Pos.
58
BOSCH Sechskantmutter DIN 934 -M4-m-8 | Ersatzteile für HV 79 | 2915011005
Hersteller: BOSCH
Artikelnummer: EB-0601341003-2915011005
Netto: 3,60 € zzgl. MwSt.
zzgl. 6,90 € Versand (brutto)
einmalig pro Bestellung

Lieferzeit: 5 Werktage

Pos.
59
BOSCH Gewindefurchschraube B 4,8x45 MM | Ersatzteile für HV 79 | 3603415560
Hersteller: BOSCH
Artikelnummer: EB-0601341003-3603415560
Netto: 3,60 € zzgl. MwSt.
zzgl. 6,90 € Versand (brutto)
einmalig pro Bestellung

Lieferzeit: 5 Werktage

Pos.
60
BOSCH Blechschraube DIN 7971-ST4,8x25-F | Ersatzteile für HV 79 | 2910211036
Hersteller: BOSCH
Artikelnummer: EB-0601341003-2910211036
Netto: 3,60 € zzgl. MwSt.
zzgl. 6,90 € Versand (brutto)
einmalig pro Bestellung

Lieferzeit: 5 Werktage

Pos.
61
BOSCH Zylinderschraube DIN 84-AM5x20-5.8 | Ersatzteile für HV 79 | 2910011162
Hersteller: BOSCH
Artikelnummer: EB-0601341003-2910011162
Netto: 3,60 € zzgl. MwSt.
zzgl. 6,90 € Versand (brutto)
einmalig pro Bestellung

Lieferzeit: 5 Werktage

Pos.
62
BOSCH Sechskantmutter M12x1,5 MM | Ersatzteile für HV 79 | 1603300009
Hersteller: BOSCH
Artikelnummer: EB-0601341003-1603300009
Netto: 3,94 € zzgl. MwSt.
zzgl. 6,90 € Versand (brutto)
einmalig pro Bestellung

Lieferzeit: 5 Werktage

Pos.
63
BOSCH Blechschraube | Ersatzteile für HV 79 | 1603429001
Hersteller: BOSCH
Artikelnummer: EB-0601341003-1603429001
nur Informationsartikel
Nie mehr lieferbar
keine Alternativen
Pos.
66
BOSCH Zylinderschraube DIN 84-AM4x12-8.8 | Ersatzteile für HV 79 | 2910021122
Hersteller: BOSCH
Artikelnummer: EB-0601341003-2910021122
Netto: 4,36 € zzgl. MwSt.
zzgl. 6,90 € Versand (brutto)
einmalig pro Bestellung

Lieferzeit: 5 Werktage

Pos.
69
BOSCH Blechschraube DIN 7971-BZ3,5x13 | Ersatzteile für HV 79 | 2910211011
Hersteller: BOSCH
Artikelnummer: EB-0601341003-2910211011
Netto: 3,60 € zzgl. MwSt.
zzgl. 6,90 € Versand (brutto)
einmalig pro Bestellung

Lieferzeit: 5 Werktage

Pos.
650
BOSCH Zusatzhandgriff M14 SCHWARZ | Ersatzteile für HV 79 | 1602025022
Hersteller: BOSCH
Artikelnummer: EB-0601341003-1602025022
Netto: 11,41 € zzgl. MwSt.
zzgl. 6,90 € Versand (brutto)
einmalig pro Bestellung

Lieferzeit: 5 Werktage

Pos.
650
BOSCH Zusatzhandgriff M14, Ø37x115 MM SCHWARZ | Ersatzteile für HV 79 | 1602025030
Hersteller: BOSCH
Artikelnummer: EB-0601341003-1602025030
Netto: 14,92 € zzgl. MwSt.
zzgl. 6,90 € Versand (brutto)
einmalig pro Bestellung

Lieferzeit: 5 Werktage

Pos.
651
BOSCH Einmaulschlüssel SW17 | Ersatzteile für HV 79 | 2607950511
Hersteller: BOSCH
Artikelnummer: EB-0601341003-2607950511
Netto: 5,65 € zzgl. MwSt.
zzgl. 6,90 € Versand (brutto)
einmalig pro Bestellung

Lieferzeit: 5 Werktage

Pos.
652
BOSCH Schutzhaube | Ersatzteile für HV 79 | 2605510083
Hersteller: BOSCH
Artikelnummer: EB-0601341003-2605510083
nur Informationsartikel
Nie mehr lieferbar
keine Alternativen
Pos.
652/20
BOSCH Innensechskantschraube DIN 912-M8x18-8.8 | Ersatzteile für HV 79 | 2910141240
Hersteller: BOSCH
Artikelnummer: EB-0601341003-2910141240
nur Informationsartikel
Nie mehr lieferbar
keine Alternativen
Pos.
653
BOSCH Winkelschraubendreher DIN 911-4 | Ersatzteile für HV 79 | 2607950004
Hersteller: BOSCH
Artikelnummer: EB-0601341003-2607950004
Netto: 3,94 € zzgl. MwSt.
zzgl. 6,90 € Versand (brutto)
einmalig pro Bestellung

Lieferzeit: 5 Werktage

Pos.
654
BOSCH Aufnahmeflansch Ø45 MM | Ersatzteile für HV 79 | 2600501006
Hersteller: BOSCH
Artikelnummer: EB-0601341003-2600501006
Netto: 15,15 € zzgl. MwSt.
zzgl. 6,90 € Versand (brutto)
einmalig pro Bestellung

Lieferzeit: 5 Werktage

Pos.
655
BOSCH Rundmutter M14 | Ersatzteile für HV 79 | 2603345004
Hersteller: BOSCH
Artikelnummer: EB-0601341003-2603345004
Netto: 7,26 € zzgl. MwSt.
zzgl. 6,90 € Versand (brutto)
einmalig pro Bestellung

Lieferzeit: 5 Werktage

Pos.
656
BOSCH Winkelschraubendreher DIN 911 SW6 | Ersatzteile für HV 79 | 1907950007
Hersteller: BOSCH
Artikelnummer: EB-0601341003-1907950007
Netto: 6,27 € zzgl. MwSt.
zzgl. 6,90 € Versand (brutto)
einmalig pro Bestellung

Lieferzeit: 5 Werktage

Pos.
700
BOSCH Teilesatz | Ersatzteile für HV 79 | 1607000151
Hersteller: BOSCH
Artikelnummer: EB-0601341003-1607000151
nur Informationsartikel
Nie mehr lieferbar
keine Alternativen
Pos.
702
BOSCH Spannsatz | Ersatzteile für HV 79 | 1607000030
Hersteller: BOSCH
Artikelnummer: EB-0601341003-1607000030
Netto: 43,34 € zzgl. MwSt.
zzgl. 6,90 € Versand (brutto)
einmalig pro Bestellung

Lieferzeit: 5 Werktage

Pos.
712
BOSCH Teilesatz | Ersatzteile für HV 79 | 1607000176
Hersteller: BOSCH
Artikelnummer: EB-0601341003-1607000176
nur Informationsartikel
Nie mehr lieferbar
keine Alternativen
Pos.
800
BOSCH Kohlebürstensatz | Ersatzteile für HV 79 | 1607014103
Hersteller: BOSCH
Artikelnummer: EB-0601341003-1607014103
Netto: 12,50 € zzgl. MwSt.
zzgl. 6,90 € Versand (brutto)
einmalig pro Bestellung

Lieferzeit: 5 Werktage

Pos.
801
BOSCH Verbindungsleitung | Ersatzteile für HV 79 | 1604440004
Hersteller: BOSCH
Artikelnummer: EB-0601341003-1604440004
nur Informationsartikel
Nie mehr lieferbar
keine Alternativen
Pos.
801/020
BOSCH Kabelschuh | Ersatzteile für HV 79 | 1601353003
Hersteller: BOSCH
Artikelnummer: EB-0601341003-1601353003
nur Informationsartikel
Nie mehr lieferbar
keine Alternativen
Pos.
802
BOSCH Kegelrad | Ersatzteile für HV 79 | 1606333138
Hersteller: BOSCH
Artikelnummer: EB-0601341003-1606333138
nur Informationsartikel
Nie mehr lieferbar
keine Alternativen
Pos.
803
BOSCH Kegelrad | Ersatzteile für HV 79 | 1606333139
Hersteller: BOSCH
Artikelnummer: EB-0601341003-1606333139
nur Informationsartikel
Nie mehr lieferbar
keine Alternativen
Pos.
804
BOSCH Schaltersatz | Ersatzteile für HV 79 | 1607000034
Hersteller: BOSCH
Artikelnummer: EB-0601341003-1607000034
nur Informationsartikel
Nie mehr lieferbar
keine Alternativen
Pos.
804/010
BOSCH Flachkopfschraube DIN 85-AM4x8-4.8 | Ersatzteile für HV 79 | 2910091118
Hersteller: BOSCH
Artikelnummer: EB-0601341003-2910091118
Netto: 3,60 € zzgl. MwSt.
zzgl. 6,90 € Versand (brutto)
einmalig pro Bestellung

Lieferzeit: 5 Werktage

Pos.
805
BOSCH Dichtungssatz | Ersatzteile für HV 79 | 1607000060
Hersteller: BOSCH
Artikelnummer: EB-0601341003-1607000060
nur Informationsartikel
Nie mehr lieferbar
keine Alternativen
Pos.
808
BOSCH Motorgehäuse | Ersatzteile für HV 79 | 1605108124
Hersteller: BOSCH
Artikelnummer: EB-0601341003-1605108124
nur Informationsartikel
Nie mehr lieferbar
keine Alternativen
Pos.
817
BOSCH Lagerflansch | Ersatzteile für HV 79 | 1607000229
Hersteller: BOSCH
Artikelnummer: EB-0601341003-1607000229
nur Informationsartikel
Nie mehr lieferbar
keine Alternativen
Pos.
817/029
BOSCH O-Ring 79,0x1,78 MM | Ersatzteile für HV 79 | 1600210033
Hersteller: BOSCH
Artikelnummer: EB-0601341003-1600210033
Netto: 3,94 € zzgl. MwSt.
zzgl. 6,90 € Versand (brutto)
einmalig pro Bestellung

Lieferzeit: 5 Werktage

Pos.
830
BOSCH Anker | Ersatzteile für HV 79 | 1604012047
Hersteller: BOSCH
Artikelnummer: EB-0601341003-1604012047
nur Informationsartikel
Nie mehr lieferbar
keine Alternativen
Pos.
835
BOSCH Netzanschlussleitung EU 4,15m 2 x 1,5mm H07 RN-F | Ersatzteile für HV 79 | 1607000228
Hersteller: BOSCH
Artikelnummer: EB-0601341003-1607000228
Netto: 20,80 € zzgl. MwSt.
zzgl. 6,90 € Versand (brutto)
einmalig pro Bestellung

Lieferzeit: 5 Werktage

Pos.
835/020
BOSCH Aderendhülse | Ersatzteile für HV 79 | 3604477009
Hersteller: BOSCH
Artikelnummer: EB-0601341003-3604477009
Netto: 4,56 € zzgl. MwSt.
zzgl. 6,90 € Versand (brutto)
einmalig pro Bestellung

Lieferzeit: 5 Werktage

Pos.
888
BOSCH Typschild | Ersatzteile für HV 79 | 160111A3H3
Hersteller: BOSCH
Artikelnummer: EB-0601341003-160111A3H3
Netto: 4,56 € zzgl. MwSt.
zzgl. 6,90 € Versand (brutto)
einmalig pro Bestellung

Lieferzeit: 5 Werktage

Pos.
888
BOSCH Typschild 26x52 MM | Ersatzteile für HV 79 | 1601106032
Hersteller: BOSCH
Artikelnummer: EB-0601341003-1601106032
nur Informationsartikel
Nie mehr lieferbar
keine Alternativen
Pos.
650
BOSCH Zusatzhandgriff | Ersatzteile für WINKELSCHLEIFER | 160202509Z
Hersteller: BOSCH
Artikelnummer: EB-0601341003-16020250A1
Netto: 13,81 € zzgl. MwSt.
zzgl. 6,90 € Versand (brutto)
einmalig pro Bestellung

Lieferzeit: 5 Werktage

Angaben zur Produktsicherheit

Hersteller:
Robert Bosch Power Tools GmbH
Postfach 30 02 20
70442 Stuttgart

E-Mail:
kontakt@bosch.de