BOSCH Winkelschraubendreher DIN 911 SW6 | Ersatzteile für Hw-Handkreissäge | 1907950007

Artikelnummer: EB-0603236278-1907950007

Position: 661

Marke: BOSCH


Bitte Kompatibilität prüfen!

Bitte prüfen Sie unbedingt die 10-stellige Typennummer Ihrer Maschine / Ihres Gerätes. Das Ersatzteil ist nur kompatibel, wenn Sie die Typennummer Ihrer Maschine in der unten stehenden Produktbeschreibung finden.

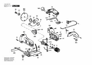
Bitte prüfen Sie ebenfalls detailliert die Explosionszeichnung mit Ihrem Artikelwunsch und der jeweiligen Pos-Nummer.

Alle Elemente, welche vom schwarzen Strich der Pos-Nummer ausgehend berührt / erfasst werden, gehören zu dieser Pos-Nummer und somit zu diesem Artikel. Jede Pos-Nummer ist ein eigenständiger Artikel, welchen Sie in der Auflistung finden.

Sie erhalten stets die aktuellste, neueste Produktversion zu der gewählten Pos-Nummer seitens des Herstellers. Es kann daher je nach Gerätealter vorkommen, dass Sie ggf. weitere, zugehörige Elemente, welche an diese Pos-Nummer grenzen, ebenfalls mittauschen müssen.

Nähere Informationen finden Sie unter dem Link
Hinweise zu Ihrer BOSCH Ersatzteilsuche

Preisübersicht

Einzelpreis: 6,15 €* (Brutto: 7,32 €)
Gesamtpreis: 6,15 €* 
Position:

Lieferzeit: 5 Werktage


Beschreibung

  • Winkelschraubendreher DIN 911 SW6
  • Original Bosch Zubehör / BOSCH Ersatzteil (1907950007)
  • im Gerät verbaut: 1
Dieses BOSCH Ersatzteil ist mit folgendem Gerät und Modell kompatibel:
  • BOSCH Gerätename: Hw-Handkreissäge
  • BOSCH Explosionszeichnung: Position 661
  • BOSCH Typennummer: 0603236278
  • BOSCH Typennummer alternative Schreibweisen: 0 603 236 278, 0603 236 278, 0.603.236.278, 0-603-236-278
    Bitte prüfen Sie diese Typennummer auf Ihrem Gerät um die Kompatibilität des BOSCH Ersatzteils zu gewährleisten.
Weitere BOSCH Ersatzteile des Gerätes Hw-Handkreissäge mit der Typennummer 0603236278 finden Sie in der nachfolgenden Darstellung und im Dropdown zu Ihrer Auswahl:

Pos.
2
BOSCH Polschuh 220V | Ersatzteile für Hw-Handkreissäge | 9618082081
Hersteller: BOSCH
Artikelnummer: EB-0603236278-9618082081
nur Informationsartikel
Nie mehr lieferbar
keine Alternativen
Pos.
3
BOSCH Anker 220V | Ersatzteile für Hw-Handkreissäge | 9618082084
Hersteller: BOSCH
Artikelnummer: EB-0603236278-9618082084
nur Informationsartikel
Nie mehr lieferbar
keine Alternativen
Pos.
4
BOSCH Ein/Aus-Schalter | Ersatzteile für Hw-Handkreissäge | 2607200262
Hersteller: BOSCH
Artikelnummer: EB-0603236278-2607200262
nur Informationsartikel
Nie mehr lieferbar
keine Alternativen
Pos.
5
BOSCH Netzanschlussleitung AR 2,00m 2 x 0,75mm H07 VV-F | Ersatzteile für Hw-Handkreissäge | F000600295
Hersteller: BOSCH
Artikelnummer: EB-0603236278-F000600295
nur Informationsartikel
Nie mehr lieferbar
keine Alternativen
Pos.
7
BOSCH Leitungshalter | Ersatzteile für Hw-Handkreissäge | 2601035001
Hersteller: BOSCH
Artikelnummer: EB-0603236278-2601035001
Netto: 3,94 € zzgl. MwSt.
zzgl. 6,90 € Versand (brutto)
einmalig pro Bestellung

Lieferzeit: 5 Werktage

Pos.
13
BOSCH Tülle | Ersatzteile für Hw-Handkreissäge | 9618084341
Hersteller: BOSCH
Artikelnummer: EB-0603236278-9618084341
nur Informationsartikel
Nie mehr lieferbar
keine Alternativen
Pos.
16
BOSCH Handgriff | Ersatzteile für Hw-Handkreissäge | 9618087122
Hersteller: BOSCH
Artikelnummer: EB-0603236278-9618087122
nur Informationsartikel
Nie mehr lieferbar
keine Alternativen
Pos.
21
BOSCH Unterlegscheibe | Ersatzteile für Hw-Handkreissäge | 9618082091
Hersteller: BOSCH
Artikelnummer: EB-0603236278-9618082091
nur Informationsartikel
Nie mehr lieferbar
keine Alternativen
Pos.
22
BOSCH Zugfeder | Ersatzteile für Hw-Handkreissäge | F000600592
Hersteller: BOSCH
Artikelnummer: EB-0603236278-F000600592
nur Informationsartikel
Nie mehr lieferbar
keine Alternativen
Pos.
23
BOSCH Grundplatte 120x214x2 MM | Ersatzteile für Hw-Handkreissäge | 1608000064
Hersteller: BOSCH
Artikelnummer: EB-0603236278-1608000064
nur Informationsartikel
Nie mehr lieferbar
keine Alternativen
Pos.
26
BOSCH Ausgleichscheibe 0,2 MM | Ersatzteile für Hw-Handkreissäge | 2600100621
Hersteller: BOSCH
Artikelnummer: EB-0603236278-2600100621
Netto: 3,94 € zzgl. MwSt.
zzgl. 6,90 € Versand (brutto)
einmalig pro Bestellung

Lieferzeit: 5 Werktage

Pos.
26
BOSCH Ausgleichscheibe 0,5 MM | Ersatzteile für Hw-Handkreissäge | 2600100623
Hersteller: BOSCH
Artikelnummer: EB-0603236278-2600100623
nur Informationsartikel
Nie mehr lieferbar
keine Alternativen
Pos.
29
BOSCH O-Ring 20x2,5 MM | Ersatzteile für Hw-Handkreissäge | 1900210119
Hersteller: BOSCH
Artikelnummer: EB-0603236278-1900210119
nur Informationsartikel
Nie mehr lieferbar
keine Alternativen
Pos.
31
BOSCH Spannstift 6x36 DIN 7346 | Ersatzteile für Hw-Handkreissäge | 2917780157
Hersteller: BOSCH
Artikelnummer: EB-0603236278-2917780157
Netto: 3,60 € zzgl. MwSt.
zzgl. 6,90 € Versand (brutto)
einmalig pro Bestellung

Lieferzeit: 5 Werktage

Pos.
32
BOSCH Schutzwinkel | Ersatzteile für Hw-Handkreissäge | 9618087123
Hersteller: BOSCH
Artikelnummer: EB-0603236278-9618087123
nur Informationsartikel
Nie mehr lieferbar
keine Alternativen
Pos.
34
BOSCH Unterlegscheibe | Ersatzteile für Hw-Handkreissäge | 9618082244
Hersteller: BOSCH
Artikelnummer: EB-0603236278-9618082244
nur Informationsartikel
Nie mehr lieferbar
keine Alternativen
Pos.
35
BOSCH Sechskantmutter DIN 934-M8-8-A | Ersatzteile für Hw-Handkreissäge | 2915011009
Hersteller: BOSCH
Artikelnummer: EB-0603236278-2915011009
Netto: 4,56 € zzgl. MwSt.
zzgl. 6,90 € Versand (brutto)
einmalig pro Bestellung

Lieferzeit: 5 Werktage

Pos.
41
BOSCH Blechschraube 4x16 MM | Ersatzteile für Hw-Handkreissäge | 9618087099
Hersteller: BOSCH
Artikelnummer: EB-0603236278-9618087099
nur Informationsartikel
Nie mehr lieferbar
keine Alternativen
Pos.
42
BOSCH Flügelmutter M6 | Ersatzteile für Hw-Handkreissäge | 1603339006
Hersteller: BOSCH
Artikelnummer: EB-0603236278-1603339006
nur Informationsartikel
Nie mehr lieferbar
keine Alternativen
Pos.
43
BOSCH Flachrundschraube M6x16 MM | Ersatzteile für Hw-Handkreissäge | 1603434003
Hersteller: BOSCH
Artikelnummer: EB-0603236278-1603434003
nur Informationsartikel
Nie mehr lieferbar
keine Alternativen
Pos.
46
BOSCH Innensechskantschraube DIN 912-M8x16-8.8 | Ersatzteile für Hw-Handkreissäge | 2910141238
Hersteller: BOSCH
Artikelnummer: EB-0603236278-2910141238
nur Informationsartikel
Nie mehr lieferbar
keine Alternativen
Pos.
48
BOSCH Motorlager | Ersatzteile für Hw-Handkreissäge | 9618088946
Hersteller: BOSCH
Artikelnummer: EB-0603236278-9618088946
nur Informationsartikel
Nie mehr lieferbar
keine Alternativen
Pos.
49
BOSCH Gewindefurchschraube | Ersatzteile für Hw-Handkreissäge | 9618084983
Hersteller: BOSCH
Artikelnummer: EB-0603236278-9618084983
nur Informationsartikel
Nie mehr lieferbar
keine Alternativen
Pos.
51
BOSCH Blechschraube 4x20 MM | Ersatzteile für Hw-Handkreissäge | 9618087100
Hersteller: BOSCH
Artikelnummer: EB-0603236278-9618087100
Netto: 3,94 € zzgl. MwSt.
zzgl. 6,90 € Versand (brutto)
einmalig pro Bestellung

Lieferzeit: 5 Werktage

Pos.
53
BOSCH Sicherungsring DIN 471-26x1,2-FSt | Ersatzteile für Hw-Handkreissäge | 2916650015
Hersteller: BOSCH
Artikelnummer: EB-0603236278-2916650015
nur Informationsartikel
Nie mehr lieferbar
keine Alternativen
Pos.
54
BOSCH Knebelschraube | Ersatzteile für Hw-Handkreissäge | 9618082478
Hersteller: BOSCH
Artikelnummer: EB-0603236278-9618082478
nur Informationsartikel
Nie mehr lieferbar
keine Alternativen
Pos.
58
BOSCH Blattfeder | Ersatzteile für Hw-Handkreissäge | 1601253007
Hersteller: BOSCH
Artikelnummer: EB-0603236278-1601253007
nur Informationsartikel
Nie mehr lieferbar
keine Alternativen
Pos.
660
BOSCH Handgriff | Ersatzteile für Hw-Handkreissäge | 9618089962
Hersteller: BOSCH
Artikelnummer: EB-0603236278-9618089962
nur Informationsartikel
Nie mehr lieferbar
keine Alternativen
Pos.
661
BOSCH Winkelschraubendreher DIN 911 SW6 | Ersatzteile für Hw-Handkreissäge | 1907950007
Hersteller: BOSCH
Artikelnummer: EB-0603236278-1907950007
Netto: 6,27 € zzgl. MwSt.
zzgl. 6,90 € Versand (brutto)
einmalig pro Bestellung

Lieferzeit: 5 Werktage

Pos.
662
BOSCH Anschlag | Ersatzteile für Hw-Handkreissäge | 2601336000
Hersteller: BOSCH
Artikelnummer: EB-0603236278-2601336000
nur Informationsartikel
Nie mehr lieferbar
keine Alternativen
Pos.
801
BOSCH Motorgehäuse | Ersatzteile für Hw-Handkreissäge | 9618087192
Hersteller: BOSCH
Artikelnummer: EB-0603236278-9618087192
nur Informationsartikel
Nie mehr lieferbar
keine Alternativen
Pos.
806
BOSCH Motorlager | Ersatzteile für Hw-Handkreissäge | 9618085228
Hersteller: BOSCH
Artikelnummer: EB-0603236278-9618085228
nur Informationsartikel
Nie mehr lieferbar
keine Alternativen
Pos.
807
BOSCH Lamelle | Ersatzteile für Hw-Handkreissäge | 9618086491
Hersteller: BOSCH
Artikelnummer: EB-0603236278-9618086491
nur Informationsartikel
Nie mehr lieferbar
keine Alternativen
Pos.
808
BOSCH Lamelle | Ersatzteile für Hw-Handkreissäge | 9618086492
Hersteller: BOSCH
Artikelnummer: EB-0603236278-9618086492
nur Informationsartikel
Nie mehr lieferbar
keine Alternativen
Pos.
810
BOSCH Kohlebürste | Ersatzteile für Hw-Handkreissäge | 1607014117
Hersteller: BOSCH
Artikelnummer: EB-0603236278-1607014117
nur Informationsartikel
Nie mehr lieferbar
keine Alternativen
Pos.
811
BOSCH Bürstenhalter | Ersatzteile für Hw-Handkreissäge | 9618086121
Hersteller: BOSCH
Artikelnummer: EB-0603236278-9618086121
nur Informationsartikel
Nie mehr lieferbar
keine Alternativen
Pos.
812
BOSCH Verbindungsleitung L=373 MM WEISS | Ersatzteile für Hw-Handkreissäge | 1604448000
Hersteller: BOSCH
Artikelnummer: EB-0603236278-1604448000
Netto: 4,36 € zzgl. MwSt.
zzgl. 6,90 € Versand (brutto)
einmalig pro Bestellung

Lieferzeit: 5 Werktage

Pos.
813
BOSCH Elektr Leitung | Ersatzteile für Hw-Handkreissäge | 9618082158
Hersteller: BOSCH
Artikelnummer: EB-0603236278-9618082158
nur Informationsartikel
Nie mehr lieferbar
keine Alternativen

Angaben zur Produktsicherheit

Hersteller:
Robert Bosch Power Tools GmbH
Postfach 30 02 20
70442 Stuttgart

E-Mail:
kontakt@bosch.de