BOSCH Rundmutter M14 | Ersatzteile für Mauernutfräse | 3603345005

Artikelnummer: EB-0601612639-3603345005

Position: 12

Marke: BOSCH


Bitte Kompatibilität prüfen!

Bitte prüfen Sie unbedingt die 10-stellige Typennummer Ihrer Maschine / Ihres Gerätes. Das Ersatzteil ist nur kompatibel, wenn Sie die Typennummer Ihrer Maschine in der unten stehenden Produktbeschreibung finden.

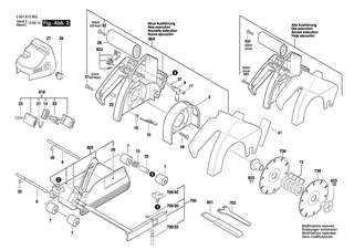
Bitte prüfen Sie ebenfalls detailliert die Explosionszeichnung mit Ihrem Artikelwunsch und der jeweiligen Pos-Nummer.

Alle Elemente, welche vom schwarzen Strich der Pos-Nummer ausgehend berührt / erfasst werden, gehören zu dieser Pos-Nummer und somit zu diesem Artikel. Jede Pos-Nummer ist ein eigenständiger Artikel, welchen Sie in der Auflistung finden.

Sie erhalten stets die aktuellste, neueste Produktversion zu der gewählten Pos-Nummer seitens des Herstellers. Es kann daher je nach Gerätealter vorkommen, dass Sie ggf. weitere, zugehörige Elemente, welche an diese Pos-Nummer grenzen, ebenfalls mittauschen müssen.

Nähere Informationen finden Sie unter dem Link
Hinweise zu Ihrer BOSCH Ersatzteilsuche

Preisübersicht

Einzelpreis: 16,70 €* (Brutto: 19,87 €)
Gesamtpreis: 16,70 €* 
Position:

Lieferzeit: 5 Werktage


Beschreibung

  • Rundmutter M14
  • Original Bosch Zubehör / BOSCH Ersatzteil (3603345005)
  • im Gerät verbaut: 1
Dieses BOSCH Ersatzteil ist mit folgendem Gerät und Modell kompatibel:
  • BOSCH Gerätename: Mauernutfräse
  • BOSCH Explosionszeichnung: Position 12
  • BOSCH Typennummer: 0601612639
  • BOSCH Typennummer alternative Schreibweisen: 0 601 612 639, 0601 612 639, 0.601.612.639, 0-601-612-639
    Bitte prüfen Sie diese Typennummer auf Ihrem Gerät um die Kompatibilität des BOSCH Ersatzteils zu gewährleisten.
Weitere BOSCH Ersatzteile des Gerätes Mauernutfräse mit der Typennummer 0601612639 finden Sie in der nachfolgenden Darstellung und im Dropdown zu Ihrer Auswahl:

Pos.
204/10
BOSCH Flachkopfschraube DIN 85-AM3x6-CUZN | Ersatzteile für Mauernutfräse | 2910110048
Hersteller: BOSCH
Artikelnummer: EB-0601612639-2910110048
Netto: 3,60 € zzgl. MwSt.
zzgl. 6,90 € Versand (brutto)
einmalig pro Bestellung

Lieferzeit: 5 Werktage

Pos.
700/20
BOSCH Anschlagstift | Ersatzteile für Mauernutfräse | 3603101002
Hersteller: BOSCH
Artikelnummer: EB-0601612639-3603101002
nur Informationsartikel
Nie mehr lieferbar
keine Alternativen
Pos.
700/30
BOSCH O-Ring 5,94x3,53 MM | Ersatzteile für Mauernutfräse | 3600210024
Hersteller: BOSCH
Artikelnummer: EB-0601612639-3600210024
Netto: 4,36 € zzgl. MwSt.
zzgl. 6,90 € Versand (brutto)
einmalig pro Bestellung

Lieferzeit: 5 Werktage

Pos.
700/40
BOSCH Flügelschraube M 6x16 MM | Ersatzteile für Mauernutfräse | 2603480003
Hersteller: BOSCH
Artikelnummer: EB-0601612639-2603480003
nur Informationsartikel
Nie mehr lieferbar
keine Alternativen
Pos.
3
BOSCH Schutzhaube | Ersatzteile für Mauernutfräse | 3605500081
Hersteller: BOSCH
Artikelnummer: EB-0601612639-3605500081
Netto: 10,62 € zzgl. MwSt.
zzgl. 6,90 € Versand (brutto)
einmalig pro Bestellung

Lieferzeit: 5 Werktage

Pos.
6
BOSCH Lagerachse | Ersatzteile für Mauernutfräse | 3603105005
Hersteller: BOSCH
Artikelnummer: EB-0601612639-3603105005
Netto: 7,26 € zzgl. MwSt.
zzgl. 6,90 € Versand (brutto)
einmalig pro Bestellung

Lieferzeit: 5 Werktage

Pos.
7
BOSCH Laufrolle | Ersatzteile für Mauernutfräse | 3600309003
Hersteller: BOSCH
Artikelnummer: EB-0601612639-3600309003
Netto: 6,27 € zzgl. MwSt.
zzgl. 6,90 € Versand (brutto)
einmalig pro Bestellung

Lieferzeit: 5 Werktage

Pos.
9
BOSCH Sperrhebel | Ersatzteile für Mauernutfräse | 3601902012
Hersteller: BOSCH
Artikelnummer: EB-0601612639-3601902012
Netto: 9,05 € zzgl. MwSt.
zzgl. 6,90 € Versand (brutto)
einmalig pro Bestellung

Lieferzeit: 5 Werktage

Pos.
10
BOSCH Sperrschieber | Ersatzteile für Mauernutfräse | 3601923001
Hersteller: BOSCH
Artikelnummer: EB-0601612639-3601923001
Netto: 8,23 € zzgl. MwSt.
zzgl. 6,90 € Versand (brutto)
einmalig pro Bestellung

Lieferzeit: 5 Werktage

Pos.
11
BOSCH Aufnahmeflansch | Ersatzteile für Mauernutfräse | 3600390023
Hersteller: BOSCH
Artikelnummer: EB-0601612639-3600390023
Netto: 35,13 € zzgl. MwSt.
zzgl. 6,90 € Versand (brutto)
einmalig pro Bestellung

Lieferzeit: 5 Werktage

Pos.
12
BOSCH Rundmutter M14 | Ersatzteile für Mauernutfräse | 3603345005
Hersteller: BOSCH
Artikelnummer: EB-0601612639-3603345005
Netto: 16,70 € zzgl. MwSt.
zzgl. 6,90 € Versand (brutto)
einmalig pro Bestellung

Lieferzeit: 5 Werktage

Pos.
13
BOSCH Unterlegscheibe Ø 42X22,2X4 MM | Ersatzteile für Mauernutfräse | 3609202041
Hersteller: BOSCH
Artikelnummer: EB-0601612639-3609202041
Netto: 6,75 € zzgl. MwSt.
zzgl. 6,90 € Versand (brutto)
einmalig pro Bestellung

Lieferzeit: 5 Werktage

Pos.
14
BOSCH Druckknopf | Ersatzteile für Mauernutfräse | 3602305011
Hersteller: BOSCH
Artikelnummer: EB-0601612639-3602305011
Netto: 4,36 € zzgl. MwSt.
zzgl. 6,90 € Versand (brutto)
einmalig pro Bestellung

Lieferzeit: 5 Werktage

Pos.
15
BOSCH Drehfeder | Ersatzteile für Mauernutfräse | 3604651004
Hersteller: BOSCH
Artikelnummer: EB-0601612639-3604651004
Netto: 6,27 € zzgl. MwSt.
zzgl. 6,90 € Versand (brutto)
einmalig pro Bestellung

Lieferzeit: 5 Werktage

Pos.
16
BOSCH Schenkelfeder | Ersatzteile für Mauernutfräse | 3604651006
Hersteller: BOSCH
Artikelnummer: EB-0601612639-3604651006
Netto: 4,80 € zzgl. MwSt.
zzgl. 6,90 € Versand (brutto)
einmalig pro Bestellung

Lieferzeit: 5 Werktage

Pos.
17
BOSCH Schenkelfeder | Ersatzteile für Mauernutfräse | 3604651005
Hersteller: BOSCH
Artikelnummer: EB-0601612639-3604651005
Netto: 4,56 € zzgl. MwSt.
zzgl. 6,90 € Versand (brutto)
einmalig pro Bestellung

Lieferzeit: 5 Werktage

Pos.
20
BOSCH Sperrklinke | Ersatzteile für Mauernutfräse | 3601023003
Hersteller: BOSCH
Artikelnummer: EB-0601612639-3601023003
Netto: 4,80 € zzgl. MwSt.
zzgl. 6,90 € Versand (brutto)
einmalig pro Bestellung

Lieferzeit: 5 Werktage

Pos.
21
BOSCH Biegeformfeder | Ersatzteile für Mauernutfräse | 3604680002
Hersteller: BOSCH
Artikelnummer: EB-0601612639-3604680002
Netto: 4,56 € zzgl. MwSt.
zzgl. 6,90 € Versand (brutto)
einmalig pro Bestellung

Lieferzeit: 5 Werktage

Pos.
22
BOSCH Abstandshülse | Ersatzteile für Mauernutfräse | 3600300029
Hersteller: BOSCH
Artikelnummer: EB-0601612639-3600300029
Netto: 5,65 € zzgl. MwSt.
zzgl. 6,90 € Versand (brutto)
einmalig pro Bestellung

Lieferzeit: 5 Werktage

Pos.
25
BOSCH Distanzhülse | Ersatzteile für Mauernutfräse | 3600300028
Hersteller: BOSCH
Artikelnummer: EB-0601612639-3600300028
Netto: 4,80 € zzgl. MwSt.
zzgl. 6,90 € Versand (brutto)
einmalig pro Bestellung

Lieferzeit: 5 Werktage

Pos.
26
BOSCH Handgriff | Ersatzteile für Mauernutfräse | 3601990002
Hersteller: BOSCH
Artikelnummer: EB-0601612639-3601990002
Netto: 9,05 € zzgl. MwSt.
zzgl. 6,90 € Versand (brutto)
einmalig pro Bestellung

Lieferzeit: 5 Werktage

Pos.
27
BOSCH Schutzkappe | Ersatzteile für Mauernutfräse | 3605500078
Hersteller: BOSCH
Artikelnummer: EB-0601612639-3605500078
Netto: 7,26 € zzgl. MwSt.
zzgl. 6,90 € Versand (brutto)
einmalig pro Bestellung

Lieferzeit: 5 Werktage

Pos.
28
BOSCH Flachkopfschraube M 10x12 MM | Ersatzteile für Mauernutfräse | 3603490015
Hersteller: BOSCH
Artikelnummer: EB-0601612639-3603490015
Netto: 5,65 € zzgl. MwSt.
zzgl. 6,90 € Versand (brutto)
einmalig pro Bestellung

Lieferzeit: 5 Werktage

Pos.
29
BOSCH Firmenschild | Ersatzteile für Mauernutfräse | 3601119425
Hersteller: BOSCH
Artikelnummer: EB-0601612639-3601119425
Netto: 4,56 € zzgl. MwSt.
zzgl. 6,90 € Versand (brutto)
einmalig pro Bestellung

Lieferzeit: 5 Werktage

Pos.
31
BOSCH Torx-Linsenschraube 4x20 | Ersatzteile für Mauernutfräse | 2603490023
Hersteller: BOSCH
Artikelnummer: EB-0601612639-2603490023
Netto: 3,60 € zzgl. MwSt.
zzgl. 6,90 € Versand (brutto)
einmalig pro Bestellung

Lieferzeit: 5 Werktage

Pos.
32
BOSCH Torx-Linsenschraube 4x40 | Ersatzteile für Mauernutfräse | 2603490027
Hersteller: BOSCH
Artikelnummer: EB-0601612639-2603490027
Netto: 3,60 € zzgl. MwSt.
zzgl. 6,90 € Versand (brutto)
einmalig pro Bestellung

Lieferzeit: 5 Werktage

Pos.
33
BOSCH Torx-Linsenschraube 3x10 | Ersatzteile für Mauernutfräse | 2603490017
Hersteller: BOSCH
Artikelnummer: EB-0601612639-2603490017
Netto: 4,36 € zzgl. MwSt.
zzgl. 6,90 € Versand (brutto)
einmalig pro Bestellung

Lieferzeit: 5 Werktage

Pos.
35
BOSCH Sicherungsscheibe | Ersatzteile für Mauernutfräse | 2916089079
Hersteller: BOSCH
Artikelnummer: EB-0601612639-2916089079
Netto: 4,56 € zzgl. MwSt.
zzgl. 6,90 € Versand (brutto)
einmalig pro Bestellung

Lieferzeit: 5 Werktage

Pos.
37
BOSCH Zylinderstift DIN 7-4MM6x28-C35K-RIKO | Ersatzteile für Mauernutfräse | 2917511104
Hersteller: BOSCH
Artikelnummer: EB-0601612639-2917511104
Netto: 3,94 € zzgl. MwSt.
zzgl. 6,90 € Versand (brutto)
einmalig pro Bestellung

Lieferzeit: 5 Werktage

Pos.
41
BOSCH Hinweisschild | Ersatzteile für Mauernutfräse | 3601119076
Hersteller: BOSCH
Artikelnummer: EB-0601612639-3601119076
Netto: 4,56 € zzgl. MwSt.
zzgl. 6,90 € Versand (brutto)
einmalig pro Bestellung

Lieferzeit: 5 Werktage

Pos.
49
BOSCH Gewindefurchschraube M4x30 DIN7500-1 T-20 | Ersatzteile für Mauernutfräse | 1613490017
Hersteller: BOSCH
Artikelnummer: EB-0601612639-1613490017
Netto: 4,56 € zzgl. MwSt.
zzgl. 6,90 € Versand (brutto)
einmalig pro Bestellung

Lieferzeit: 5 Werktage

Pos.
201
BOSCH Motorgehäuse | Ersatzteile für Mauernutfräse | 16051082CC
Hersteller: BOSCH
Artikelnummer: EB-0601612639-16051082CC
Netto: 11,58 € zzgl. MwSt.
zzgl. 6,90 € Versand (brutto)
einmalig pro Bestellung

Lieferzeit: 5 Werktage

Pos.
202
BOSCH Polschuh 110-120V | Ersatzteile für Mauernutfräse | 1604220222
Hersteller: BOSCH
Artikelnummer: EB-0601612639-1604220222
nur Informationsartikel
Nie mehr lieferbar
keine Alternativen
Pos.
204
BOSCH Ein/Aus-Schalter | Ersatzteile für Mauernutfräse | 1607200086
Hersteller: BOSCH
Artikelnummer: EB-0601612639-1607200086
Netto: 9,75 € zzgl. MwSt.
zzgl. 6,90 € Versand (brutto)
einmalig pro Bestellung

Lieferzeit: 5 Werktage

Pos.
205
BOSCH Netzanschlussleitung USA/CDN 2,15m 2 x 082mm SJ 18/2 | Ersatzteile für Mauernutfräse | 1604460138
Hersteller: BOSCH
Artikelnummer: EB-0601612639-1604460138
Netto: 18,86 € zzgl. MwSt.
zzgl. 6,90 € Versand (brutto)
einmalig pro Bestellung

Lieferzeit: 5 Werktage

Pos.
206
BOSCH Tülle Ø7,6-Ø8,2x95 MM | Ersatzteile für Mauernutfräse | 2600703013
Hersteller: BOSCH
Artikelnummer: EB-0601612639-2600703013
Netto: 4,56 € zzgl. MwSt.
zzgl. 6,90 € Versand (brutto)
einmalig pro Bestellung

Lieferzeit: 5 Werktage

Pos.
207
BOSCH Befestigungsschelle | Ersatzteile für Mauernutfräse | 1601302017
Hersteller: BOSCH
Artikelnummer: EB-0601612639-1601302017
Netto: 3,60 € zzgl. MwSt.
zzgl. 6,90 € Versand (brutto)
einmalig pro Bestellung

Lieferzeit: 5 Werktage

Pos.
209
BOSCH Firmenschild | Ersatzteile für Mauernutfräse | 1601110666
Hersteller: BOSCH
Artikelnummer: EB-0601612639-1601110666
nur Informationsartikel
Nie mehr lieferbar
keine Alternativen
Pos.
212
BOSCH Entstörfilter | Ersatzteile für Mauernutfräse | 1607328029
Hersteller: BOSCH
Artikelnummer: EB-0601612639-1607328029
nur Informationsartikel
Nie mehr lieferbar
keine Alternativen
Pos.
213
BOSCH Kugellager 7x19x6 | Ersatzteile für Mauernutfräse | 2600905032
Hersteller: BOSCH
Artikelnummer: EB-0601612639-2600905032
Netto: 6,27 € zzgl. MwSt.
zzgl. 6,90 € Versand (brutto)
einmalig pro Bestellung

Lieferzeit: 11 Werktage

Pos.
214
BOSCH Rillenkugellager 8x22x7 | Ersatzteile für Mauernutfräse | 1600905011
Hersteller: BOSCH
Artikelnummer: EB-0601612639-1600905011
Netto: 6,75 € zzgl. MwSt.
zzgl. 6,90 € Versand (brutto)
einmalig pro Bestellung

Lieferzeit: 5 Werktage

Pos.
215
BOSCH Lüfter | Ersatzteile für Mauernutfräse | 1606610121
Hersteller: BOSCH
Artikelnummer: EB-0601612639-1606610121
Netto: 3,94 € zzgl. MwSt.
zzgl. 6,90 € Versand (brutto)
einmalig pro Bestellung

Lieferzeit: 5 Werktage

Pos.
216
BOSCH Bürstenhalter | Ersatzteile für Mauernutfräse | 1600A003G4
Hersteller: BOSCH
Artikelnummer: EB-0601612639-1600A003G4
Netto: 5,17 € zzgl. MwSt.
zzgl. 6,90 € Versand (brutto)
einmalig pro Bestellung

Lieferzeit: 5 Werktage

Pos.
217
BOSCH Firmenschild | Ersatzteile für Mauernutfräse | 1601110669
Hersteller: BOSCH
Artikelnummer: EB-0601612639-1601110669
nur Informationsartikel
Nie mehr lieferbar
keine Alternativen
Pos.
218
BOSCH Druckfeder | Ersatzteile für Mauernutfräse | 1604611026
Hersteller: BOSCH
Artikelnummer: EB-0601612639-1604611026
Netto: 3,60 € zzgl. MwSt.
zzgl. 6,90 € Versand (brutto)
einmalig pro Bestellung

Lieferzeit: 5 Werktage

Pos.
222
BOSCH Verstellschieber | Ersatzteile für Mauernutfräse | 1602319002
Hersteller: BOSCH
Artikelnummer: EB-0601612639-1602319002
Netto: 4,56 € zzgl. MwSt.
zzgl. 6,90 € Versand (brutto)
einmalig pro Bestellung

Lieferzeit: 5 Werktage

Pos.
223
BOSCH Schaltergriff SCHWARZ | Ersatzteile für Mauernutfräse | 1602026057
Hersteller: BOSCH
Artikelnummer: EB-0601612639-1602026057
Netto: 3,94 € zzgl. MwSt.
zzgl. 6,90 € Versand (brutto)
einmalig pro Bestellung

Lieferzeit: 5 Werktage

Pos.
225
BOSCH Gehäusedeckel BLAU | Ersatzteile für Mauernutfräse | 1600508010
Hersteller: BOSCH
Artikelnummer: EB-0601612639-1600508010
Netto: 7,66 € zzgl. MwSt.
zzgl. 6,90 € Versand (brutto)
einmalig pro Bestellung

Lieferzeit: 5 Werktage

Pos.
226
BOSCH Gummibuchse | Ersatzteile für Mauernutfräse | 1600502020
Hersteller: BOSCH
Artikelnummer: EB-0601612639-1600502020
Netto: 4,56 € zzgl. MwSt.
zzgl. 6,90 € Versand (brutto)
einmalig pro Bestellung

Lieferzeit: 63 Werktage

Pos.
227
BOSCH Gummiring | Ersatzteile für Mauernutfräse | 1600206025
Hersteller: BOSCH
Artikelnummer: EB-0601612639-1600206025
Netto: 4,36 € zzgl. MwSt.
zzgl. 6,90 € Versand (brutto)
einmalig pro Bestellung

Lieferzeit: 5 Werktage

Pos.
229
BOSCH Luftleitring | Ersatzteile für Mauernutfräse | 1601328005
Hersteller: BOSCH
Artikelnummer: EB-0601612639-1601328005
Netto: 4,56 € zzgl. MwSt.
zzgl. 6,90 € Versand (brutto)
einmalig pro Bestellung

Lieferzeit: 5 Werktage

Pos.
231
BOSCH Sicherungsbügel DIN 472-32x1,2 MM | Ersatzteile für Mauernutfräse | 2916660013
Hersteller: BOSCH
Artikelnummer: EB-0601612639-2916660013
Netto: 4,36 € zzgl. MwSt.
zzgl. 6,90 € Versand (brutto)
einmalig pro Bestellung

Lieferzeit: 5 Werktage

Pos.
233
BOSCH O-Ring 46,0x1,1 MM ROT | Ersatzteile für Mauernutfräse | 3600210124
Hersteller: BOSCH
Artikelnummer: EB-0601612639-3600210124
Netto: 4,80 € zzgl. MwSt.
zzgl. 6,90 € Versand (brutto)
einmalig pro Bestellung

Lieferzeit: 5 Werktage

Pos.
235
BOSCH Ausgleichscheibe 0,1 MM DICK | Ersatzteile für Mauernutfräse | 1600136012
Hersteller: BOSCH
Artikelnummer: EB-0601612639-1600136012
Netto: 3,60 € zzgl. MwSt.
zzgl. 6,90 € Versand (brutto)
einmalig pro Bestellung

Lieferzeit: 5 Werktage

Pos.
235
BOSCH Ausgleichscheibe 0,2 MM DICK | Ersatzteile für Mauernutfräse | 1600136010
Hersteller: BOSCH
Artikelnummer: EB-0601612639-1600136010
Netto: 4,56 € zzgl. MwSt.
zzgl. 6,90 € Versand (brutto)
einmalig pro Bestellung

Lieferzeit: 5 Werktage

Pos.
235
BOSCH Ausgleichscheibe 0,3 MM DICK | Ersatzteile für Mauernutfräse | 1600136011
Hersteller: BOSCH
Artikelnummer: EB-0601612639-1600136011
Netto: 4,36 € zzgl. MwSt.
zzgl. 6,90 € Versand (brutto)
einmalig pro Bestellung

Lieferzeit: 5 Werktage

Pos.
236
BOSCH Federscheibe | Ersatzteile für Mauernutfräse | 1600150011
Hersteller: BOSCH
Artikelnummer: EB-0601612639-1600150011
Netto: 3,60 € zzgl. MwSt.
zzgl. 6,90 € Versand (brutto)
einmalig pro Bestellung

Lieferzeit: 5 Werktage

Pos.
237
BOSCH Radial-Wellendichtring | Ersatzteile für Mauernutfräse | 1600290016
Hersteller: BOSCH
Artikelnummer: EB-0601612639-1600290016
Netto: 4,56 € zzgl. MwSt.
zzgl. 6,90 € Versand (brutto)
einmalig pro Bestellung

Lieferzeit: 5 Werktage

Pos.
238
BOSCH Tellerrad Z=35 | Ersatzteile für Mauernutfräse | 1606333235
Hersteller: BOSCH
Artikelnummer: EB-0601612639-1606333235
Netto: 55,88 € zzgl. MwSt.
zzgl. 6,90 € Versand (brutto)
einmalig pro Bestellung

Lieferzeit: 5 Werktage

Pos.
239
BOSCH Spiralfeder | Ersatzteile für Mauernutfräse | 1604652013
Hersteller: BOSCH
Artikelnummer: EB-0601612639-1604652013
Netto: 3,94 € zzgl. MwSt.
zzgl. 6,90 € Versand (brutto)
einmalig pro Bestellung

Lieferzeit: 5 Werktage

Pos.
240
BOSCH Sicherungsring DIN 472-25x1,2MM | Ersatzteile für Mauernutfräse | 2916660009
Hersteller: BOSCH
Artikelnummer: EB-0601612639-2916660009
Netto: 4,36 € zzgl. MwSt.
zzgl. 6,90 € Versand (brutto)
einmalig pro Bestellung

Lieferzeit: 5 Werktage

Pos.
241
BOSCH Nadelhülse Ø8xØ12x8 MM | Ersatzteile für Mauernutfräse | 1600910018
Hersteller: BOSCH
Artikelnummer: EB-0601612639-1600910018
Netto: 6,27 € zzgl. MwSt.
zzgl. 6,90 € Versand (brutto)
einmalig pro Bestellung

Lieferzeit: 5 Werktage

Pos.
242
BOSCH Rillenkugellager 12x32x10 | Ersatzteile für Mauernutfräse | 1600905006
Hersteller: BOSCH
Artikelnummer: EB-0601612639-1600905006
Netto: 10,62 € zzgl. MwSt.
zzgl. 6,90 € Versand (brutto)
einmalig pro Bestellung

Lieferzeit: 5 Werktage

Pos.
243
BOSCH Kegelrad Z=9 | Ersatzteile für Mauernutfräse | 1606333234
Hersteller: BOSCH
Artikelnummer: EB-0601612639-1606333234
Netto: 32,16 € zzgl. MwSt.
zzgl. 6,90 € Versand (brutto)
einmalig pro Bestellung

Lieferzeit: 5 Werktage

Pos.
245
BOSCH Sechskantmutter M7, SW10 | Ersatzteile für Mauernutfräse | 1603300016
Hersteller: BOSCH
Artikelnummer: EB-0601612639-1603300016
Netto: 3,94 € zzgl. MwSt.
zzgl. 6,90 € Versand (brutto)
einmalig pro Bestellung

Lieferzeit: 5 Werktage

Pos.
247
BOSCH Blechschraube DIN 7971-ST3,9x13-F | Ersatzteile für Mauernutfräse | 2910211018
Hersteller: BOSCH
Artikelnummer: EB-0601612639-2910211018
Netto: 3,60 € zzgl. MwSt.
zzgl. 6,90 € Versand (brutto)
einmalig pro Bestellung

Lieferzeit: 5 Werktage

Pos.
248
BOSCH Linsenkopfschraube 3x10 ST | Ersatzteile für Mauernutfräse | 1613435034
Hersteller: BOSCH
Artikelnummer: EB-0601612639-1613435034
nur Informationsartikel
Nie mehr lieferbar
keine Alternativen
Pos.
249
BOSCH Gewindefurchschraube | Ersatzteile für Mauernutfräse | 1603435026
Hersteller: BOSCH
Artikelnummer: EB-0601612639-1603435026
Netto: 4,36 € zzgl. MwSt.
zzgl. 6,90 € Versand (brutto)
einmalig pro Bestellung

Lieferzeit: 5 Werktage

Pos.
251
BOSCH Drehzahlregler 110-120V | Ersatzteile für Mauernutfräse | 1607233009
Hersteller: BOSCH
Artikelnummer: EB-0601612639-1607233009
nur Informationsartikel
Nie mehr lieferbar
keine Alternativen
Pos.
253
BOSCH Verbindungsleitung L=95 MM WEISS | Ersatzteile für Mauernutfräse | 1604448005
Hersteller: BOSCH
Artikelnummer: EB-0601612639-1604448005
Netto: 4,80 € zzgl. MwSt.
zzgl. 6,90 € Versand (brutto)
einmalig pro Bestellung

Lieferzeit: 5 Werktage

Pos.
254
BOSCH Verbindungsleitung L=40 MM WEISS | Ersatzteile für Mauernutfräse | 1604448006
Hersteller: BOSCH
Artikelnummer: EB-0601612639-1604448006
Netto: 4,56 € zzgl. MwSt.
zzgl. 6,90 € Versand (brutto)
einmalig pro Bestellung

Lieferzeit: 5 Werktage

Pos.
255
BOSCH Torx-Linsenschraube | Ersatzteile für Mauernutfräse | 2914201508
Hersteller: BOSCH
Artikelnummer: EB-0601612639-2914201508
Netto: 3,60 € zzgl. MwSt.
zzgl. 6,90 € Versand (brutto)
einmalig pro Bestellung

Lieferzeit: 5 Werktage

Pos.
266
BOSCH Typschild ACHTUNG | Ersatzteile für Mauernutfräse | 1601110449
Hersteller: BOSCH
Artikelnummer: EB-0601612639-1601110449
nur Informationsartikel
Nie mehr lieferbar
keine Alternativen
Pos.
267
BOSCH Hinweisschild ACHTUNG | Ersatzteile für Mauernutfräse | 1601110358
Hersteller: BOSCH
Artikelnummer: EB-0601612639-1601110358
nur Informationsartikel
Nie mehr lieferbar
keine Alternativen
Pos.
304
BOSCH Isolierplatte | Ersatzteile für Mauernutfräse | 1601008003
Hersteller: BOSCH
Artikelnummer: EB-0601612639-1601008003
nur Informationsartikel
Nie mehr lieferbar
keine Alternativen
Pos.
651
BOSCH Spaltwerkzeug | Ersatzteile für Mauernutfräse | 3607959005
Hersteller: BOSCH
Artikelnummer: EB-0601612639-3607959005
Netto: 18,86 € zzgl. MwSt.
zzgl. 6,90 € Versand (brutto)
einmalig pro Bestellung

Lieferzeit: 5 Werktage

Pos.
700
BOSCH Parallelanschlag | Ersatzteile für Mauernutfräse | 3607000060
Hersteller: BOSCH
Artikelnummer: EB-0601612639-3607000060
Netto: 32,62 € zzgl. MwSt.
zzgl. 6,90 € Versand (brutto)
einmalig pro Bestellung

Lieferzeit: 5 Werktage

Pos.
739
BOSCH Mauernutenfräser Ø 115x22,2x2,2 MM | Ersatzteile für Mauernutfräse | 3608640001
Hersteller: BOSCH
Artikelnummer: EB-0601612639-3608640001
nur Informationsartikel
Nie mehr lieferbar
keine Alternativen
Pos.
752
BOSCH Zweilochmutterndreher | Ersatzteile für Mauernutfräse | 1607950043
Hersteller: BOSCH
Artikelnummer: EB-0601612639-1607950043
Netto: 7,74 € zzgl. MwSt.
zzgl. 6,90 € Versand (brutto)
einmalig pro Bestellung

Lieferzeit: 5 Werktage

Pos.
802
BOSCH Teilesatz | Ersatzteile für Mauernutfräse | 3607031206
Hersteller: BOSCH
Artikelnummer: EB-0601612639-3607031206
Netto: 35,13 € zzgl. MwSt.
zzgl. 6,90 € Versand (brutto)
einmalig pro Bestellung

Lieferzeit: 5 Werktage

Pos.
804
BOSCH Teilesatz | Ersatzteile für Mauernutfräse | 3607031656
Hersteller: BOSCH
Artikelnummer: EB-0601612639-3607031656
Netto: 42,08 € zzgl. MwSt.
zzgl. 6,90 € Versand (brutto)
einmalig pro Bestellung

Lieferzeit: 5 Werktage

Pos.
810
BOSCH Kohlebürste | Ersatzteile für Mauernutfräse | 1607014128
Hersteller: BOSCH
Artikelnummer: EB-0601612639-1607014128
nur Informationsartikel
Nie mehr lieferbar
keine Alternativen
Pos.
813
BOSCH Druckknopf SCHWARZ | Ersatzteile für Mauernutfräse | 1607000253
Hersteller: BOSCH
Artikelnummer: EB-0601612639-1607000253
Netto: 4,36 € zzgl. MwSt.
zzgl. 6,90 € Versand (brutto)
einmalig pro Bestellung

Lieferzeit: 5 Werktage

Pos.
818
BOSCH Teilesatz | Ersatzteile für Mauernutfräse | 3607031207
Hersteller: BOSCH
Artikelnummer: EB-0601612639-3607031207
Netto: 20,80 € zzgl. MwSt.
zzgl. 6,90 € Versand (brutto)
einmalig pro Bestellung

Lieferzeit: 5 Werktage

Pos.
821
BOSCH Getriebegehäuse | Ersatzteile für Mauernutfräse | 1605806480
Hersteller: BOSCH
Artikelnummer: EB-0601612639-1605806480
Netto: 42,08 € zzgl. MwSt.
zzgl. 6,90 € Versand (brutto)
einmalig pro Bestellung

Lieferzeit: 5 Werktage

Pos.
823
BOSCH Drehknopf | Ersatzteile für Mauernutfräse | 3607031547
Hersteller: BOSCH
Artikelnummer: EB-0601612639-3607031547
Netto: 9,75 € zzgl. MwSt.
zzgl. 6,90 € Versand (brutto)
einmalig pro Bestellung

Lieferzeit: 5 Werktage

Pos.
828
BOSCH Lagerflansch | Ersatzteile für Mauernutfräse | 1607000936
Hersteller: BOSCH
Artikelnummer: EB-0601612639-1607000936
Netto: 23,72 € zzgl. MwSt.
zzgl. 6,90 € Versand (brutto)
einmalig pro Bestellung

Lieferzeit: 5 Werktage

Pos.
830
BOSCH Anker Mit Lüfter 110-120V | Ersatzteile für Mauernutfräse | 1604010250
Hersteller: BOSCH
Artikelnummer: EB-0601612639-1604010250
nur Informationsartikel
Nie mehr lieferbar
keine Alternativen
Pos.
832
BOSCH Blechschraube DIN 7971-BZ3,9x38 | Ersatzteile für Mauernutfräse | 2910211093
Hersteller: BOSCH
Artikelnummer: EB-0601612639-2910211093
Netto: 3,94 € zzgl. MwSt.
zzgl. 6,90 € Versand (brutto)
einmalig pro Bestellung

Lieferzeit: 5 Werktage

Pos.
833
BOSCH Teilesatz | Ersatzteile für Mauernutfräse | 3607031208
Hersteller: BOSCH
Artikelnummer: EB-0601612639-3607031208
Netto: 55,88 € zzgl. MwSt.
zzgl. 6,90 € Versand (brutto)
einmalig pro Bestellung

Lieferzeit: 5 Werktage

Pos.
888
BOSCH Typschild | Ersatzteile für Mauernutfräse | 160111A3H3
Hersteller: BOSCH
Artikelnummer: EB-0601612639-160111A3H3
Netto: 4,56 € zzgl. MwSt.
zzgl. 6,90 € Versand (brutto)
einmalig pro Bestellung

Lieferzeit: 5 Werktage

Angaben zur Produktsicherheit

Hersteller:
Robert Bosch Power Tools GmbH
Postfach 30 02 20
70442 Stuttgart

E-Mail:
kontakt@bosch.de