BOSCH Tülle Ø11,6-Ø12,5x84 MM | Ersatzteile für PBH 2R | 2600707060

Artikelnummer: EB-0603295703-2600707060

Position: 6

Marke: BOSCH


Bitte Kompatibilität prüfen!

Bitte prüfen Sie unbedingt die 10-stellige Typennummer Ihrer Maschine / Ihres Gerätes. Das Ersatzteil ist nur kompatibel, wenn Sie die Typennummer Ihrer Maschine in der unten stehenden Produktbeschreibung finden.

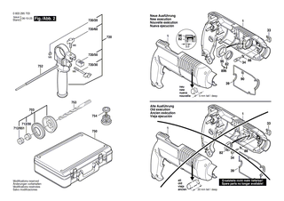
Bitte prüfen Sie ebenfalls detailliert die Explosionszeichnung mit Ihrem Artikelwunsch und der jeweiligen Pos-Nummer.

Alle Elemente, welche vom schwarzen Strich der Pos-Nummer ausgehend berührt / erfasst werden, gehören zu dieser Pos-Nummer und somit zu diesem Artikel. Jede Pos-Nummer ist ein eigenständiger Artikel, welchen Sie in der Auflistung finden.

Sie erhalten stets die aktuellste, neueste Produktversion zu der gewählten Pos-Nummer seitens des Herstellers. Es kann daher je nach Gerätealter vorkommen, dass Sie ggf. weitere, zugehörige Elemente, welche an diese Pos-Nummer grenzen, ebenfalls mittauschen müssen.

Nähere Informationen finden Sie unter dem Link
Hinweise zu Ihrer BOSCH Ersatzteilsuche

Preisübersicht

Einzelpreis: 4,56 €* (Brutto: 5,43 €)
Gesamtpreis: 4,56 €* 
Position:

Lieferzeit: 5 Werktage


Beschreibung

  • Tülle Ø11,6-Ø12,5x84 MM
  • Original Bosch Zubehör / BOSCH Ersatzteil (2600707060)
  • im Gerät verbaut: 1
Dieses BOSCH Ersatzteil ist mit folgendem Gerät und Modell kompatibel:
  • BOSCH Gerätename: PBH 2R
  • BOSCH Explosionszeichnung: Position 6
  • BOSCH Typennummer: 0603295703
  • BOSCH Typennummer alternative Schreibweisen: 0 603 295 703, 0603 295 703, 0.603.295.703, 0-603-295-703
    Bitte prüfen Sie diese Typennummer auf Ihrem Gerät um die Kompatibilität des BOSCH Ersatzteils zu gewährleisten.
Weitere BOSCH Ersatzteile des Gerätes PBH 2R (Hw-Bohrhammer) mit der Typennummer 0603295703 finden Sie in der nachfolgenden Darstellung und im Dropdown zu Ihrer Auswahl:

Pos.
2
BOSCH Polschuh 220-240V | Ersatzteile für PBH 2R | 1604220254
Hersteller: BOSCH
Artikelnummer: EB-0603295703-1604220254
Netto: 18,86 € zzgl. MwSt.
zzgl. 6,90 € Versand (brutto)
einmalig pro Bestellung

Lieferzeit: 5 Werktage

Pos.
712/30
BOSCH Gummibuchse | Ersatzteile für PBH 2R | 1610312001
Hersteller: BOSCH
Artikelnummer: EB-0603295703-1610312001
nur Informationsartikel
Nie mehr lieferbar
keine Alternativen
Pos.
712/651
BOSCH Gummibuchse | Ersatzteile für PBH 2R | 1610312002
Hersteller: BOSCH
Artikelnummer: EB-0603295703-1610312002
nur Informationsartikel
Nie mehr lieferbar
keine Alternativen
Pos.
3/60
BOSCH Lüfter | Ersatzteile für PBH 2R | 2606610029
Hersteller: BOSCH
Artikelnummer: EB-0603295703-2606610029
Netto: 4,56 € zzgl. MwSt.
zzgl. 6,90 € Versand (brutto)
einmalig pro Bestellung

Lieferzeit: 5 Werktage

Pos.
6
BOSCH Tülle Ø11,6-Ø12,5x84 MM | Ersatzteile für PBH 2R | 2600707060
Hersteller: BOSCH
Artikelnummer: EB-0603295703-2600707060
Netto: 4,56 € zzgl. MwSt.
zzgl. 6,90 € Versand (brutto)
einmalig pro Bestellung

Lieferzeit: 5 Werktage

Pos.
4
BOSCH Schalter | Ersatzteile für PBH 2R | 2607200404
Hersteller: BOSCH
Artikelnummer: EB-0603295703-2607200404
nur Informationsartikel
Nie mehr lieferbar
keine Alternativen
Pos.
6
BOSCH Tülle Ø6,9 MM | Ersatzteile für PBH 2R | 2600707059
Hersteller: BOSCH
Artikelnummer: EB-0603295703-2600707059
Netto: 5,17 € zzgl. MwSt.
zzgl. 6,90 € Versand (brutto)
einmalig pro Bestellung

Lieferzeit: 5 Werktage

Pos.
6
BOSCH Tülle Ø8,8 MM | Ersatzteile für PBH 2R | 2600707061
Hersteller: BOSCH
Artikelnummer: EB-0603295703-2600707061
Netto: 4,80 € zzgl. MwSt.
zzgl. 6,90 € Versand (brutto)
einmalig pro Bestellung

Lieferzeit: 5 Werktage

Pos.
7
BOSCH Leitungshalter | Ersatzteile für PBH 2R | 1611035005
Hersteller: BOSCH
Artikelnummer: EB-0603295703-1611035005
Netto: 4,36 € zzgl. MwSt.
zzgl. 6,90 € Versand (brutto)
einmalig pro Bestellung

Lieferzeit: 5 Werktage

Pos.
10
BOSCH Bürstenplatte | Ersatzteile für PBH 2R | 2605807060
Hersteller: BOSCH
Artikelnummer: EB-0603295703-2605807060
nur Informationsartikel
Nie mehr lieferbar
keine Alternativen
Pos.
12
BOSCH Entstörfilter | Ersatzteile für PBH 2R | 1607328040
Hersteller: BOSCH
Artikelnummer: EB-0603295703-1607328040
Netto: 7,26 € zzgl. MwSt.
zzgl. 6,90 € Versand (brutto)
einmalig pro Bestellung

Lieferzeit: 5 Werktage

Pos.
13
BOSCH Rillenkugellager 7x19x6 | Ersatzteile für PBH 2R | 1610905032
Hersteller: BOSCH
Artikelnummer: EB-0603295703-1610905032
Netto: 6,27 € zzgl. MwSt.
zzgl. 6,90 € Versand (brutto)
einmalig pro Bestellung

Lieferzeit: 5 Werktage

Pos.
9
BOSCH Firmenschild | Ersatzteile für PBH 2R | 1611110611
Hersteller: BOSCH
Artikelnummer: EB-0603295703-1611110611
nur Informationsartikel
Nie mehr lieferbar
keine Alternativen
Pos.
14
BOSCH Rillenkugellager 9x24x7 | Ersatzteile für PBH 2R | 1610905017
Hersteller: BOSCH
Artikelnummer: EB-0603295703-1610905017
Netto: 11,58 € zzgl. MwSt.
zzgl. 6,90 € Versand (brutto)
einmalig pro Bestellung

Lieferzeit: 5 Werktage

Pos.
11
BOSCH Hinweisschild | Ersatzteile für PBH 2R | 1611110913
Hersteller: BOSCH
Artikelnummer: EB-0603295703-1611110913
nur Informationsartikel
Nie mehr lieferbar
keine Alternativen
Pos.
36
BOSCH Stützscheibe 1,0 MM DICK | Ersatzteile für PBH 2R | 1610101626
Hersteller: BOSCH
Artikelnummer: EB-0603295703-1610101626
Netto: 3,94 € zzgl. MwSt.
zzgl. 6,90 € Versand (brutto)
einmalig pro Bestellung

Lieferzeit: 5 Werktage

Pos.
41
BOSCH Distanzscheibe 1,2 MM DICK | Ersatzteile für PBH 2R | 1610100608
Hersteller: BOSCH
Artikelnummer: EB-0603295703-1610100608
Netto: 3,94 € zzgl. MwSt.
zzgl. 6,90 € Versand (brutto)
einmalig pro Bestellung

Lieferzeit: 5 Werktage

Pos.
45
BOSCH Sicherungsscheibe DIN 6799-7-FSt | Ersatzteile für PBH 2R | 2916080910
Hersteller: BOSCH
Artikelnummer: EB-0603295703-2916080910
Netto: 4,36 € zzgl. MwSt.
zzgl. 6,90 € Versand (brutto)
einmalig pro Bestellung

Lieferzeit: 5 Werktage

Pos.
51
BOSCH Schutzkappe | Ersatzteile für PBH 2R | 1610508020
Hersteller: BOSCH
Artikelnummer: EB-0603295703-1610508020
nur Informationsartikel
Nie mehr lieferbar
keine Alternativen
Pos.
63
BOSCH Verbindungsleitung L=85 MM WEISS | Ersatzteile für PBH 2R | 2604448147
Hersteller: BOSCH
Artikelnummer: EB-0603295703-2604448147
Netto: 3,60 € zzgl. MwSt.
zzgl. 6,90 € Versand (brutto)
einmalig pro Bestellung

Lieferzeit: 5 Werktage

Pos.
16
BOSCH Hinweisschild | Ersatzteile für PBH 2R | 1611110613
Hersteller: BOSCH
Artikelnummer: EB-0603295703-1611110613
nur Informationsartikel
Nie mehr lieferbar
keine Alternativen
Pos.
64
BOSCH Verbindungsleitung L=88 MM WEISS | Ersatzteile für PBH 2R | 2604448034
Hersteller: BOSCH
Artikelnummer: EB-0603295703-2604448034
Netto: 3,94 € zzgl. MwSt.
zzgl. 6,90 € Versand (brutto)
einmalig pro Bestellung

Lieferzeit: 5 Werktage

Pos.
17
BOSCH Firmenschild | Ersatzteile für PBH 2R | 1611110614
Hersteller: BOSCH
Artikelnummer: EB-0603295703-1611110614
nur Informationsartikel
Nie mehr lieferbar
keine Alternativen
Pos.
65
BOSCH Elektr Leitung L=173 MM WEISS | Ersatzteile für PBH 2R | 2604448060
Hersteller: BOSCH
Artikelnummer: EB-0603295703-2604448060
nur Informationsartikel
Nie mehr lieferbar
keine Alternativen
Pos.
70
BOSCH Blechschraube DIN 7981-ST3,9x25-C-Z | Ersatzteile für PBH 2R | 2912401022
Hersteller: BOSCH
Artikelnummer: EB-0603295703-2912401022
Netto: 3,60 € zzgl. MwSt.
zzgl. 6,90 € Versand (brutto)
einmalig pro Bestellung

Lieferzeit: 5 Werktage

Pos.
19
BOSCH Zwischenwelle | Ersatzteile für PBH 2R | 1613022027
Hersteller: BOSCH
Artikelnummer: EB-0603295703-1613022027
nur Informationsartikel
Nie mehr lieferbar
keine Alternativen
Pos.
71
BOSCH Blechschraube DIN7981-ST3,9x16-C-Z | Ersatzteile für PBH 2R | 2912401019
Hersteller: BOSCH
Artikelnummer: EB-0603295703-2912401019
Netto: 3,60 € zzgl. MwSt.
zzgl. 6,90 € Versand (brutto)
einmalig pro Bestellung

Lieferzeit: 5 Werktage

Pos.
20
BOSCH Antriebslager | Ersatzteile für PBH 2R | 1615819019
Hersteller: BOSCH
Artikelnummer: EB-0603295703-1615819019
nur Informationsartikel
Nie mehr lieferbar
keine Alternativen
Pos.
72
BOSCH Blechschraube DIN7981-ST2,9x13-C-Z | Ersatzteile für PBH 2R | 2912401006
Hersteller: BOSCH
Artikelnummer: EB-0603295703-2912401006
Netto: 3,60 € zzgl. MwSt.
zzgl. 6,90 € Versand (brutto)
einmalig pro Bestellung

Lieferzeit: 5 Werktage

Pos.
73
BOSCH Zylinderschraube M3x6,5-4.8 | Ersatzteile für PBH 2R | 2603410001
Hersteller: BOSCH
Artikelnummer: EB-0603295703-2603410001
Netto: 3,94 € zzgl. MwSt.
zzgl. 6,90 € Versand (brutto)
einmalig pro Bestellung

Lieferzeit: 5 Werktage

Pos.
74
BOSCH Blechschraube DIN7981-ST3,9x22-C-Z | Ersatzteile für PBH 2R | 2912401021
Hersteller: BOSCH
Artikelnummer: EB-0603295703-2912401021
Netto: 3,60 € zzgl. MwSt.
zzgl. 6,90 € Versand (brutto)
einmalig pro Bestellung

Lieferzeit: 5 Werktage

Pos.
75
BOSCH Rillenkugellager 8x22x7 | Ersatzteile für PBH 2R | 1900900228
Hersteller: BOSCH
Artikelnummer: EB-0603295703-1900900228
Netto: 6,75 € zzgl. MwSt.
zzgl. 6,90 € Versand (brutto)
einmalig pro Bestellung

Lieferzeit: 5 Werktage

Pos.
77
BOSCH Axialzylinderrollenlager | Ersatzteile für PBH 2R | 1610920012
Hersteller: BOSCH
Artikelnummer: EB-0603295703-1610920012
nur Informationsartikel
Nie mehr lieferbar
keine Alternativen
Pos.
78
BOSCH Axialnadelkranz | Ersatzteile für PBH 2R | 1610920001
Hersteller: BOSCH
Artikelnummer: EB-0603295703-1610920001
Netto: 5,17 € zzgl. MwSt.
zzgl. 6,90 € Versand (brutto)
einmalig pro Bestellung

Lieferzeit: 5 Werktage

Pos.
26
BOSCH Stirnrad | Ersatzteile für PBH 2R | 1616317604
Hersteller: BOSCH
Artikelnummer: EB-0603295703-1616317604
nur Informationsartikel
Nie mehr lieferbar
keine Alternativen
Pos.
79
BOSCH Axiallagerscheibe | Ersatzteile für PBH 2R | 1610101608
Hersteller: BOSCH
Artikelnummer: EB-0603295703-1610101608
Netto: 4,36 € zzgl. MwSt.
zzgl. 6,90 € Versand (brutto)
einmalig pro Bestellung

Lieferzeit: 5 Werktage

Pos.
27
BOSCH Stirnrad | Ersatzteile für PBH 2R | 1616317605
Hersteller: BOSCH
Artikelnummer: EB-0603295703-1616317605
nur Informationsartikel
Nie mehr lieferbar
keine Alternativen
Pos.
88
BOSCH O-Ring 4,0x1,5 MM | Ersatzteile für PBH 2R | 1610210043
Hersteller: BOSCH
Artikelnummer: EB-0603295703-1610210043
Netto: 3,94 € zzgl. MwSt.
zzgl. 6,90 € Versand (brutto)
einmalig pro Bestellung

Lieferzeit: 5 Werktage

Pos.
28
BOSCH Stirnrad | Ersatzteile für PBH 2R | 1616317606
Hersteller: BOSCH
Artikelnummer: EB-0603295703-1616317606
nur Informationsartikel
Nie mehr lieferbar
keine Alternativen
Pos.
91
BOSCH Kugel DIN 5401-6 G28 | Ersatzteile für PBH 2R | 1903230011
Hersteller: BOSCH
Artikelnummer: EB-0603295703-1903230011
Netto: 4,56 € zzgl. MwSt.
zzgl. 6,90 € Versand (brutto)
einmalig pro Bestellung

Lieferzeit: 5 Werktage

Pos.
29
BOSCH Kupplungsring | Ersatzteile für PBH 2R | 1616409008
Hersteller: BOSCH
Artikelnummer: EB-0603295703-1616409008
nur Informationsartikel
Nie mehr lieferbar
keine Alternativen
Pos.
92
BOSCH Dämpfungsgummi | Ersatzteile für PBH 2R | 1610026001
Hersteller: BOSCH
Artikelnummer: EB-0603295703-1610026001
Netto: 3,60 € zzgl. MwSt.
zzgl. 6,90 € Versand (brutto)
einmalig pro Bestellung

Lieferzeit: 5 Werktage

Pos.
30
BOSCH Klauenring | Ersatzteile für PBH 2R | 1616409009
Hersteller: BOSCH
Artikelnummer: EB-0603295703-1616409009
nur Informationsartikel
Nie mehr lieferbar
keine Alternativen
Pos.
720
BOSCH Zusatzhandgriff Ø43 MM SCHWARZ | Ersatzteile für PBH 2R | 1612025031
Hersteller: BOSCH
Artikelnummer: EB-0603295703-1612025031
Netto: 8,13 € zzgl. MwSt.
zzgl. 6,90 € Versand (brutto)
einmalig pro Bestellung

Lieferzeit: 63 Werktage

Pos.
31
BOSCH Schaltgabel | Ersatzteile für PBH 2R | 1611329015
Hersteller: BOSCH
Artikelnummer: EB-0603295703-1611329015
nur Informationsartikel
Nie mehr lieferbar
keine Alternativen
Pos.
720/20
BOSCH Sechskantmutter DIN 934-M6-8-A | Ersatzteile für PBH 2R | 2915011007
Hersteller: BOSCH
Artikelnummer: EB-0603295703-2915011007
Netto: 3,60 € zzgl. MwSt.
zzgl. 6,90 € Versand (brutto)
einmalig pro Bestellung

Lieferzeit: 5 Werktage

Pos.
720/30
BOSCH Flügelschraube M6x(15)55 | Ersatzteile für PBH 2R | 1613480007
Hersteller: BOSCH
Artikelnummer: EB-0603295703-1613480007
Netto: 3,94 € zzgl. MwSt.
zzgl. 6,90 € Versand (brutto)
einmalig pro Bestellung

Lieferzeit: 5 Werktage

Pos.
720/50
BOSCH Spannplatte M6 | Ersatzteile für PBH 2R | 2608040014
Hersteller: BOSCH
Artikelnummer: EB-0603295703-2608040014
nur Informationsartikel
Nie mehr lieferbar
keine Alternativen
Pos.
720/60
BOSCH Flügelschraube M6x20 MM | Ersatzteile für PBH 2R | 1613480008
Hersteller: BOSCH
Artikelnummer: EB-0603295703-1613480008
Netto: 3,94 € zzgl. MwSt.
zzgl. 6,90 € Versand (brutto)
einmalig pro Bestellung

Lieferzeit: 5 Werktage

Pos.
35
BOSCH Stützring | Ersatzteile für PBH 2R | 1610250008
Hersteller: BOSCH
Artikelnummer: EB-0603295703-1610250008
nur Informationsartikel
Nie mehr lieferbar
keine Alternativen
Pos.
805
BOSCH Netzanschlussleitung EU 4,15m 2 x 1,0mm H07 RN-F | Ersatzteile für PBH 2R | 1607000227
Hersteller: BOSCH
Artikelnummer: EB-0603295703-1607000227
Netto: 20,80 € zzgl. MwSt.
zzgl. 6,90 € Versand (brutto)
einmalig pro Bestellung

Lieferzeit: 5 Werktage

Pos.
805/20
BOSCH Aderendhülse DIN 46 228-A1-6 | Ersatzteile für PBH 2R | 1900452012
Hersteller: BOSCH
Artikelnummer: EB-0603295703-1900452012
Netto: 3,94 € zzgl. MwSt.
zzgl. 6,90 € Versand (brutto)
einmalig pro Bestellung

Lieferzeit: 5 Werktage

Pos.
37
BOSCH Dichtscheibe | Ersatzteile für PBH 2R | 1610190015
Hersteller: BOSCH
Artikelnummer: EB-0603295703-1610190015
nur Informationsartikel
Nie mehr lieferbar
keine Alternativen
Pos.
808
BOSCH Typschild 26x42 MM | Ersatzteile für PBH 2R | 1601106035
Hersteller: BOSCH
Artikelnummer: EB-0603295703-1601106035
nur Informationsartikel
Nie mehr lieferbar
keine Alternativen
Pos.
38
BOSCH Rastschieber | Ersatzteile für PBH 2R | 1613231004
Hersteller: BOSCH
Artikelnummer: EB-0603295703-1613231004
nur Informationsartikel
Nie mehr lieferbar
keine Alternativen
Pos.
810/04
BOSCH Kohlebürstensatz | Ersatzteile für PBH 2R | 1617014136
Hersteller: BOSCH
Artikelnummer: EB-0603295703-1617014136
nur Informationsartikel
Nie mehr lieferbar
keine Alternativen
Pos.
810/06
BOSCH Rastkappe | Ersatzteile für PBH 2R | 2601322013
Hersteller: BOSCH
Artikelnummer: EB-0603295703-2601322013
Netto: 3,94 € zzgl. MwSt.
zzgl. 6,90 € Versand (brutto)
einmalig pro Bestellung

Lieferzeit: 5 Werktage

Pos.
40
BOSCH Kolbenbolzen | Ersatzteile für PBH 2R | 1613103006
Hersteller: BOSCH
Artikelnummer: EB-0603295703-1613103006
nur Informationsartikel
Nie mehr lieferbar
keine Alternativen
Pos.
810/06
BOSCH Rastkappe | Ersatzteile für PBH 2R | 2601322017
Hersteller: BOSCH
Artikelnummer: EB-0603295703-2601322017
Netto: 3,94 € zzgl. MwSt.
zzgl. 6,90 € Versand (brutto)
einmalig pro Bestellung

Lieferzeit: 5 Werktage

Pos.
850/07
BOSCH Bohrfutterschlüssel SG2 | Ersatzteile für PBH 2R | 2607950007
Hersteller: BOSCH
Artikelnummer: EB-0603295703-2607950007
Netto: 7,26 € zzgl. MwSt.
zzgl. 6,90 € Versand (brutto)
einmalig pro Bestellung

Lieferzeit: 5 Werktage

Pos.
42
BOSCH Lagerscheibe | Ersatzteile für PBH 2R | 1610102631
Hersteller: BOSCH
Artikelnummer: EB-0603295703-1610102631
nur Informationsartikel
Nie mehr lieferbar
keine Alternativen
Pos.
869
BOSCH Umschalter | Ersatzteile für PBH 2R | 2607200231
Hersteller: BOSCH
Artikelnummer: EB-0603295703-2607200231
Netto: 13,81 € zzgl. MwSt.
zzgl. 6,90 € Versand (brutto)
einmalig pro Bestellung

Lieferzeit: 5 Werktage

Pos.
43
BOSCH Stützscheibe | Ersatzteile für PBH 2R | 1610100610
Hersteller: BOSCH
Artikelnummer: EB-0603295703-1610100610
nur Informationsartikel
Nie mehr lieferbar
keine Alternativen
Pos.
44
BOSCH Distanzscheibe | Ersatzteile für PBH 2R | 1610100611
Hersteller: BOSCH
Artikelnummer: EB-0603295703-1610100611
nur Informationsartikel
Nie mehr lieferbar
keine Alternativen
Pos.
46
BOSCH Sprengring | Ersatzteile für PBH 2R | 1610116005
Hersteller: BOSCH
Artikelnummer: EB-0603295703-1610116005
nur Informationsartikel
Nie mehr lieferbar
keine Alternativen
Pos.
52
BOSCH Schenkelfeder | Ersatzteile für PBH 2R | 1614651015
Hersteller: BOSCH
Artikelnummer: EB-0603295703-1614651015
nur Informationsartikel
Nie mehr lieferbar
keine Alternativen
Pos.
53
BOSCH Druckfeder | Ersatzteile für PBH 2R | 1614611004
Hersteller: BOSCH
Artikelnummer: EB-0603295703-1614611004
nur Informationsartikel
Nie mehr lieferbar
keine Alternativen
Pos.
55
BOSCH Druckfeder | Ersatzteile für PBH 2R | 1614603002
Hersteller: BOSCH
Artikelnummer: EB-0603295703-1614603002
nur Informationsartikel
Nie mehr lieferbar
keine Alternativen
Pos.
56
BOSCH Druckfeder | Ersatzteile für PBH 2R | 1614643005
Hersteller: BOSCH
Artikelnummer: EB-0603295703-1614643005
nur Informationsartikel
Nie mehr lieferbar
keine Alternativen
Pos.
58
BOSCH Sprengring | Ersatzteile für PBH 2R | 1614601013
Hersteller: BOSCH
Artikelnummer: EB-0603295703-1614601013
nur Informationsartikel
Nie mehr lieferbar
keine Alternativen
Pos.
59
BOSCH Sprengring | Ersatzteile für PBH 2R | 1614601014
Hersteller: BOSCH
Artikelnummer: EB-0603295703-1614601014
nur Informationsartikel
Nie mehr lieferbar
keine Alternativen
Pos.
60
BOSCH O-Ring | Ersatzteile für PBH 2R | 1610210086
Hersteller: BOSCH
Artikelnummer: EB-0603295703-1610210086
nur Informationsartikel
Nie mehr lieferbar
keine Alternativen
Pos.
61
BOSCH Sprengring | Ersatzteile für PBH 2R | 1614601015
Hersteller: BOSCH
Artikelnummer: EB-0603295703-1614601015
nur Informationsartikel
Nie mehr lieferbar
keine Alternativen
Pos.
62
BOSCH Verbindungsleitung | Ersatzteile für PBH 2R | 2604448096
Hersteller: BOSCH
Artikelnummer: EB-0603295703-2604448096
nur Informationsartikel
Nie mehr lieferbar
keine Alternativen
Pos.
76
BOSCH Rillenkugellager | Ersatzteile für PBH 2R | 1610900024
Hersteller: BOSCH
Artikelnummer: EB-0603295703-1610900024
nur Informationsartikel
Nie mehr lieferbar
keine Alternativen
Pos.
80
BOSCH Nadelkranz | Ersatzteile für PBH 2R | 1610913008
Hersteller: BOSCH
Artikelnummer: EB-0603295703-1610913008
nur Informationsartikel
Nie mehr lieferbar
keine Alternativen
Pos.
82
BOSCH Nadelhülse | Ersatzteile für PBH 2R | 1610910075
Hersteller: BOSCH
Artikelnummer: EB-0603295703-1610910075
nur Informationsartikel
Nie mehr lieferbar
keine Alternativen
Pos.
89
BOSCH O-Ring | Ersatzteile für PBH 2R | 1610210112
Hersteller: BOSCH
Artikelnummer: EB-0603295703-1610210112
nur Informationsartikel
Nie mehr lieferbar
keine Alternativen
Pos.
95
BOSCH Führungsblech | Ersatzteile für PBH 2R | 1611321013
Hersteller: BOSCH
Artikelnummer: EB-0603295703-1611321013
nur Informationsartikel
Nie mehr lieferbar
keine Alternativen
Pos.
96
BOSCH Lagerflansch | Ersatzteile für PBH 2R | 1615719023
Hersteller: BOSCH
Artikelnummer: EB-0603295703-1615719023
nur Informationsartikel
Nie mehr lieferbar
keine Alternativen
Pos.
125
BOSCH Hinweisschild | Ersatzteile für PBH 2R | 1611110615
Hersteller: BOSCH
Artikelnummer: EB-0603295703-1611110615
nur Informationsartikel
Nie mehr lieferbar
keine Alternativen
Pos.
130
BOSCH Hinweisschild | Ersatzteile für PBH 2R | 1601110265
Hersteller: BOSCH
Artikelnummer: EB-0603295703-1601110265
nur Informationsartikel
Nie mehr lieferbar
keine Alternativen
Pos.
703
BOSCH Staubschale | Ersatzteile für PBH 2R | 1615439003
Hersteller: BOSCH
Artikelnummer: EB-0603295703-1615439003
nur Informationsartikel
Nie mehr lieferbar
keine Alternativen
Pos.
720
BOSCH Zusatzhandgriff | Ersatzteile für PBH 2R | 1612025034
Hersteller: BOSCH
Artikelnummer: EB-0603295703-1612025034
nur Informationsartikel
Nie mehr lieferbar
keine Alternativen
Pos.
750
BOSCH Tragkasten | Ersatzteile für PBH 2R | 2605438291
Hersteller: BOSCH
Artikelnummer: EB-0603295703-2605438291
nur Informationsartikel
Nie mehr lieferbar
keine Alternativen
Pos.
752
BOSCH Tiefenanschlag | Ersatzteile für PBH 2R | 1613001005
Hersteller: BOSCH
Artikelnummer: EB-0603295703-1613001005
nur Informationsartikel
Nie mehr lieferbar
keine Alternativen
Pos.
753
BOSCH Hammerbohrer | Ersatzteile für PBH 2R | 1618596166
Hersteller: BOSCH
Artikelnummer: EB-0603295703-1618596166
Netto: 7,00 € zzgl. MwSt.
zzgl. 6,90 € Versand (brutto)
einmalig pro Bestellung

Lieferzeit: 5 Werktage

Pos.
754
BOSCH Bohreraufnahme | Ersatzteile für PBH 2R | 2607000122
Hersteller: BOSCH
Artikelnummer: EB-0603295703-2607000122
nur Informationsartikel
Nie mehr lieferbar
keine Alternativen
Pos.
801
BOSCH Motorgehäuse | Ersatzteile für PBH 2R | 1617000800
Hersteller: BOSCH
Artikelnummer: EB-0603295703-1617000800
nur Informationsartikel
Nie mehr lieferbar
keine Alternativen
Pos.
803
BOSCH Anker Mit Lüfter | Ersatzteile für PBH 2R | 1614010119
Hersteller: BOSCH
Artikelnummer: EB-0603295703-1614010119
nur Informationsartikel
Nie mehr lieferbar
keine Alternativen
Pos.
808
BOSCH Typschild | Ersatzteile für PBH 2R | 160111A3H5
Hersteller: BOSCH
Artikelnummer: EB-0603295703-160111A3H5
Netto: 4,56 € zzgl. MwSt.
zzgl. 6,90 € Versand (brutto)
einmalig pro Bestellung

Lieferzeit: 5 Werktage

Pos.
819
BOSCH Zwischenwelle | Ersatzteile für PBH 2R | 1617000986
Hersteller: BOSCH
Artikelnummer: EB-0603295703-1617000986
nur Informationsartikel
Nie mehr lieferbar
keine Alternativen
Pos.
821
BOSCH Teilesatz | Ersatzteile für PBH 2R | 1617000187
Hersteller: BOSCH
Artikelnummer: EB-0603295703-1617000187
nur Informationsartikel
Nie mehr lieferbar
keine Alternativen
Pos.
824
BOSCH Schaltring | Ersatzteile für PBH 2R | 1610290020
Hersteller: BOSCH
Artikelnummer: EB-0603295703-1610290020
nur Informationsartikel
Nie mehr lieferbar
keine Alternativen
Pos.
832
BOSCH Teilesatz | Ersatzteile für PBH 2R | 1617000191
Hersteller: BOSCH
Artikelnummer: EB-0603295703-1617000191
nur Informationsartikel
Nie mehr lieferbar
keine Alternativen
Pos.
833
BOSCH Teilesatz | Ersatzteile für PBH 2R | 1617000268
Hersteller: BOSCH
Artikelnummer: EB-0603295703-1617000268
nur Informationsartikel
Nie mehr lieferbar
keine Alternativen
Pos.
839
BOSCH Dichtrahmen | Ersatzteile für PBH 2R | 1617000267
Hersteller: BOSCH
Artikelnummer: EB-0603295703-1617000267
nur Informationsartikel
Nie mehr lieferbar
keine Alternativen
Pos.
850
BOSCH Zahnkranzbohrfutter | Ersatzteile für PBH 2R | 1617000961
Hersteller: BOSCH
Artikelnummer: EB-0603295703-1617000961
nur Informationsartikel
Nie mehr lieferbar
keine Alternativen
Pos.
896
BOSCH Lagerflansch | Ersatzteile für PBH 2R | 1617000802
Hersteller: BOSCH
Artikelnummer: EB-0603295703-1617000802
nur Informationsartikel
Nie mehr lieferbar
keine Alternativen

Angaben zur Produktsicherheit

Hersteller:
Robert Bosch Power Tools GmbH
Postfach 30 02 20
70442 Stuttgart

E-Mail:
kontakt@bosch.de