BOSCH Netzanschlussleitung GB 230V 2,65m 2 x 1,0mm H05 VV-F | Ersatzteile für PBS 7 A | 2604460147

Artikelnummer: EB-0603391080-2604460147

Position: 5

Marke: BOSCH


Bitte Kompatibilität prüfen!

Bitte prüfen Sie unbedingt die 10-stellige Typennummer Ihrer Maschine / Ihres Gerätes. Das Ersatzteil ist nur kompatibel, wenn Sie die Typennummer Ihrer Maschine in der unten stehenden Produktbeschreibung finden.

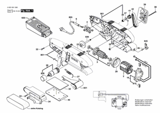
Bitte prüfen Sie ebenfalls detailliert die Explosionszeichnung mit Ihrem Artikelwunsch und der jeweiligen Pos-Nummer.

Alle Elemente, welche vom schwarzen Strich der Pos-Nummer ausgehend berührt / erfasst werden, gehören zu dieser Pos-Nummer und somit zu diesem Artikel. Jede Pos-Nummer ist ein eigenständiger Artikel, welchen Sie in der Auflistung finden.

Sie erhalten stets die aktuellste, neueste Produktversion zu der gewählten Pos-Nummer seitens des Herstellers. Es kann daher je nach Gerätealter vorkommen, dass Sie ggf. weitere, zugehörige Elemente, welche an diese Pos-Nummer grenzen, ebenfalls mittauschen müssen.

Nähere Informationen finden Sie unter dem Link
Hinweise zu Ihrer BOSCH Ersatzteilsuche

Preisübersicht

Einzelpreis: 14,36 €* (Brutto: 17,09 €)
Gesamtpreis: 14,36 €* 
Position:

Lieferzeit: 5 Werktage


Beschreibung

  • Netzanschlussleitung GB 230V 2,65m 2 x 1,0mm H05 VV-F / Achtung: bitte Landesversion beachten
  • Original Bosch Zubehör / BOSCH Ersatzteil (2604460147)
  • im Gerät verbaut: 1
Dieses BOSCH Ersatzteil ist mit folgendem Gerät und Modell kompatibel:
  • BOSCH Gerätename: PBS 7 A
  • BOSCH Explosionszeichnung: Position 5
  • BOSCH Typennummer: 0603391080
  • BOSCH Typennummer alternative Schreibweisen: 0 603 391 080, 0603 391 080, 0.603.391.080, 0-603-391-080
    Bitte prüfen Sie diese Typennummer auf Ihrem Gerät um die Kompatibilität des BOSCH Ersatzteils zu gewährleisten.
Weitere BOSCH Ersatzteile des Gerätes PBS 7 A (Bandschleifer) mit der Typennummer 0603391080 finden Sie in der nachfolgenden Darstellung und im Dropdown zu Ihrer Auswahl:

Pos.
2
BOSCH Polschuh 230V | Ersatzteile für PBS 7 A | 2610390992
Hersteller: BOSCH
Artikelnummer: EB-0603391080-2610390992
nur Informationsartikel
Nie mehr lieferbar
keine Alternativen
Pos.
3
BOSCH Anker 230V | Ersatzteile für PBS 7 A | 2610391052
Hersteller: BOSCH
Artikelnummer: EB-0603391080-2610391052
nur Informationsartikel
Nie mehr lieferbar
keine Alternativen
Pos.
4
BOSCH Schalter | Ersatzteile für PBS 7 A | 2610390848
Hersteller: BOSCH
Artikelnummer: EB-0603391080-2610390848
Netto: 9,95 € zzgl. MwSt.
zzgl. 6,90 € Versand (brutto)
einmalig pro Bestellung

Lieferzeit: 5 Werktage

Pos.
5
BOSCH Netzanschlussleitung EU 2,65m 2 x 1,0mm H05 RN-F | Ersatzteile für PBS 7 A | 1607000388
Hersteller: BOSCH
Artikelnummer: EB-0603391080-1607000388
Netto: 10,92 € zzgl. MwSt.
zzgl. 6,90 € Versand (brutto)
einmalig pro Bestellung

Lieferzeit: 5 Werktage

Pos.
5
BOSCH Netzanschlussleitung GB 230V 2,65m 2 x 1,0mm H05 VV-F | Ersatzteile für PBS 7 A | 2604460147
Hersteller: BOSCH
Artikelnummer: EB-0603391080-2604460147
Netto: 14,36 € zzgl. MwSt.
zzgl. 6,90 € Versand (brutto)
einmalig pro Bestellung

Lieferzeit: 5 Werktage

Pos.
6
BOSCH Tülle Ø6,5-Ø6,9x95 MM | Ersatzteile für PBS 7 A | 2600703012
Hersteller: BOSCH
Artikelnummer: EB-0603391080-2600703012
Netto: 4,82 € zzgl. MwSt.
zzgl. 6,90 € Versand (brutto)
einmalig pro Bestellung

Lieferzeit: 5 Werktage

Pos.
16
BOSCH Bürstenhalter | Ersatzteile für PBS 7 A | 2610391288
Hersteller: BOSCH
Artikelnummer: EB-0603391080-2610391288
Netto: 9,95 € zzgl. MwSt.
zzgl. 6,90 € Versand (brutto)
einmalig pro Bestellung

Lieferzeit: 5 Werktage

Pos.
8
BOSCH Typschild | Ersatzteile für PBS 7 A | 2610389977
Hersteller: BOSCH
Artikelnummer: EB-0603391080-2610389977
nur Informationsartikel
Nie mehr lieferbar
keine Alternativen
Pos.
22
BOSCH Torx-Linsenschraube T20-8x19 MM | Ersatzteile für PBS 7 A | 2610374919
Hersteller: BOSCH
Artikelnummer: EB-0603391080-2610374919
Netto: 3,63 € zzgl. MwSt.
zzgl. 6,90 € Versand (brutto)
einmalig pro Bestellung

Lieferzeit: 5 Werktage

Pos.
23
BOSCH Vierkantmutter | Ersatzteile für PBS 7 A | 2610385585
Hersteller: BOSCH
Artikelnummer: EB-0603391080-2610385585
Netto: 3,94 € zzgl. MwSt.
zzgl. 6,90 € Versand (brutto)
einmalig pro Bestellung

Lieferzeit: 5 Werktage

Pos.
24
BOSCH Abschlussplatte | Ersatzteile für PBS 7 A | 2610389694
Hersteller: BOSCH
Artikelnummer: EB-0603391080-2610389694
nur Informationsartikel
Nie mehr lieferbar
keine Alternativen
Pos.
27
BOSCH Feder | Ersatzteile für PBS 7 A | 2610392308
Hersteller: BOSCH
Artikelnummer: EB-0603391080-2610392308
Netto: 3,94 € zzgl. MwSt.
zzgl. 6,90 € Versand (brutto)
einmalig pro Bestellung

Lieferzeit: 5 Werktage

Pos.
28
BOSCH Riemenscheibe | Ersatzteile für PBS 7 A | 2609000812
Hersteller: BOSCH
Artikelnummer: EB-0603391080-2609000812
Netto: 17,38 € zzgl. MwSt.
zzgl. 6,90 € Versand (brutto)
einmalig pro Bestellung

Lieferzeit: 5 Werktage

Pos.
29
BOSCH Luftleitblech | Ersatzteile für PBS 7 A | 2610389927
Hersteller: BOSCH
Artikelnummer: EB-0603391080-2610389927
Netto: 4,50 € zzgl. MwSt.
zzgl. 6,90 € Versand (brutto)
einmalig pro Bestellung

Lieferzeit: 5 Werktage

Pos.
30
BOSCH Nadelhülse | Ersatzteile für PBS 7 A | 2610377223
Hersteller: BOSCH
Artikelnummer: EB-0603391080-2610377223
Netto: 5,65 € zzgl. MwSt.
zzgl. 6,90 € Versand (brutto)
einmalig pro Bestellung

Lieferzeit: 5 Werktage

Pos.
32
BOSCH Filzplatte | Ersatzteile für PBS 7 A | 2610389697
Hersteller: BOSCH
Artikelnummer: EB-0603391080-2610389697
nur Informationsartikel
Nie mehr lieferbar
keine Alternativen
Pos.
33
BOSCH Hebel | Ersatzteile für PBS 7 A | 2610390971
Hersteller: BOSCH
Artikelnummer: EB-0603391080-2610390971
nur Informationsartikel
Nie mehr lieferbar
keine Alternativen
Pos.
34
BOSCH Abdeckhaube | Ersatzteile für PBS 7 A | 2610387965
Hersteller: BOSCH
Artikelnummer: EB-0603391080-2610387965
Netto: 5,67 € zzgl. MwSt.
zzgl. 6,90 € Versand (brutto)
einmalig pro Bestellung

Lieferzeit: 5 Werktage

Pos.
37
BOSCH Tellerfeder | Ersatzteile für PBS 7 A | 2610391223
Hersteller: BOSCH
Artikelnummer: EB-0603391080-2610391223
Netto: 3,63 € zzgl. MwSt.
zzgl. 6,90 € Versand (brutto)
einmalig pro Bestellung

Lieferzeit: 5 Werktage

Pos.
38
BOSCH Torx-Linsenschraube 8x60 | Ersatzteile für PBS 7 A | 2610374994
Hersteller: BOSCH
Artikelnummer: EB-0603391080-2610374994
Netto: 3,94 € zzgl. MwSt.
zzgl. 6,90 € Versand (brutto)
einmalig pro Bestellung

Lieferzeit: 5 Werktage

Pos.
39
BOSCH Bandabdeckung | Ersatzteile für PBS 7 A | 2610389693
Hersteller: BOSCH
Artikelnummer: EB-0603391080-2610389693
Netto: 6,15 € zzgl. MwSt.
zzgl. 6,90 € Versand (brutto)
einmalig pro Bestellung

Lieferzeit: 5 Werktage

Pos.
40
BOSCH Unterlage | Ersatzteile für PBS 7 A | 2610389698
Hersteller: BOSCH
Artikelnummer: EB-0603391080-2610389698
Netto: 7,76 € zzgl. MwSt.
zzgl. 6,90 € Versand (brutto)
einmalig pro Bestellung

Lieferzeit: 5 Werktage

Pos.
41
BOSCH Zahnriemenrad | Ersatzteile für PBS 7 A | 2610387991
Hersteller: BOSCH
Artikelnummer: EB-0603391080-2610387991
Netto: 4,53 € zzgl. MwSt.
zzgl. 6,90 € Versand (brutto)
einmalig pro Bestellung

Lieferzeit: 5 Werktage

Pos.
42
BOSCH Zahnriemen | Ersatzteile für PBS 7 A | 2610387984
Hersteller: BOSCH
Artikelnummer: EB-0603391080-2610387984
Netto: 7,30 € zzgl. MwSt.
zzgl. 6,90 € Versand (brutto)
einmalig pro Bestellung

Lieferzeit: 5 Werktage

Pos.
46
BOSCH Torx-Linsenschraube 8x16 | Ersatzteile für PBS 7 A | 2610374916
Hersteller: BOSCH
Artikelnummer: EB-0603391080-2610374916
Netto: 3,94 € zzgl. MwSt.
zzgl. 6,90 € Versand (brutto)
einmalig pro Bestellung

Lieferzeit: 5 Werktage

Pos.
55
BOSCH Mutter M6 | Ersatzteile für PBS 7 A | 2610061550
Hersteller: BOSCH
Artikelnummer: EB-0603391080-2610061550
Netto: 3,78 € zzgl. MwSt.
zzgl. 6,90 € Versand (brutto)
einmalig pro Bestellung

Lieferzeit: 5 Werktage

Pos.
801
BOSCH Gehäusesatz | Ersatzteile für PBS 7 A | 2610391451
Hersteller: BOSCH
Artikelnummer: EB-0603391080-2610391451
Netto: 35,77 € zzgl. MwSt.
zzgl. 6,90 € Versand (brutto)
einmalig pro Bestellung

Lieferzeit: 5 Werktage

Pos.
810
BOSCH Kohlebürstensatz | Ersatzteile für PBS 7 A | 2610391290
Hersteller: BOSCH
Artikelnummer: EB-0603391080-2610391290
Netto: 6,15 € zzgl. MwSt.
zzgl. 6,90 € Versand (brutto)
einmalig pro Bestellung

Lieferzeit: 5 Werktage

Pos.
813
BOSCH Ringkugellager | Ersatzteile für PBS 7 A | 2610376473
Hersteller: BOSCH
Artikelnummer: EB-0603391080-2610376473
nur Informationsartikel
Nie mehr lieferbar
keine Alternativen
Pos.
828
BOSCH Gummiring | Ersatzteile für PBS 7 A | 2610391336
Hersteller: BOSCH
Artikelnummer: EB-0603391080-2610391336
nur Informationsartikel
Nie mehr lieferbar
keine Alternativen
Pos.
831
BOSCH Gabel | Ersatzteile für PBS 7 A | 2610376140
Hersteller: BOSCH
Artikelnummer: EB-0603391080-2610376140
nur Informationsartikel
Nie mehr lieferbar
keine Alternativen
Pos.
836
BOSCH Welle Mit Zahnrad | Ersatzteile für PBS 7 A | 2610387990
Hersteller: BOSCH
Artikelnummer: EB-0603391080-2610387990
nur Informationsartikel
Nie mehr lieferbar
keine Alternativen
Pos.
845
BOSCH Hebelarm | Ersatzteile für PBS 7 A | 2610392590
Hersteller: BOSCH
Artikelnummer: EB-0603391080-2610392590
Netto: 7,76 € zzgl. MwSt.
zzgl. 6,90 € Versand (brutto)
einmalig pro Bestellung

Lieferzeit: 5 Werktage

Pos.
650
BOSCH Staubkasten | Ersatzteile für PBS 7 A | 2605411129
Hersteller: BOSCH
Artikelnummer: EB-0603391080-2605411129
Netto: 11,92 € zzgl. MwSt.
zzgl. 6,90 € Versand (brutto)
einmalig pro Bestellung

Lieferzeit: 5 Werktage

Angaben zur Produktsicherheit

Hersteller:
Robert Bosch Power Tools GmbH
Postfach 30 02 20
70442 Stuttgart

E-Mail:
kontakt@bosch.de