BOSCH Innensechskantschlüssel | Ersatzteile für PCM 7S | 1609BP7026

Artikelnummer: EB-3603M01330-1609BP7026

Position: 37

Marke: BOSCH


Bitte Kompatibilität prüfen!

Bitte prüfen Sie unbedingt die 10-stellige Typennummer Ihrer Maschine / Ihres Gerätes. Das Ersatzteil ist nur kompatibel, wenn Sie die Typennummer Ihrer Maschine in der unten stehenden Produktbeschreibung finden.

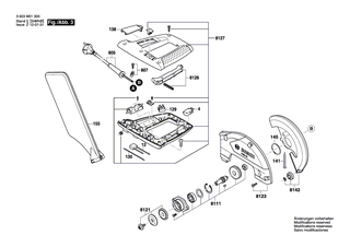
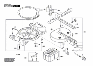
Bitte prüfen Sie ebenfalls detailliert die Explosionszeichnung mit Ihrem Artikelwunsch und der jeweiligen Pos-Nummer.

Alle Elemente, welche vom schwarzen Strich der Pos-Nummer ausgehend berührt / erfasst werden, gehören zu dieser Pos-Nummer und somit zu diesem Artikel. Jede Pos-Nummer ist ein eigenständiger Artikel, welchen Sie in der Auflistung finden.

Sie erhalten stets die aktuellste, neueste Produktversion zu der gewählten Pos-Nummer seitens des Herstellers. Es kann daher je nach Gerätealter vorkommen, dass Sie ggf. weitere, zugehörige Elemente, welche an diese Pos-Nummer grenzen, ebenfalls mittauschen müssen.

Nähere Informationen finden Sie unter dem Link
Hinweise zu Ihrer BOSCH Ersatzteilsuche

Preisübersicht

Einzelpreis: 4,82 €* (Brutto: 5,74 €)
Gesamtpreis: 4,82 €* 
Position:

Lieferzeit: 5 Werktage


Beschreibung

  • Innensechskantschlüssel
  • Original Bosch Zubehör / BOSCH Ersatzteil (1609BP7026)
  • im Gerät verbaut: 1
Dieses BOSCH Ersatzteil ist mit folgendem Gerät und Modell kompatibel:
  • BOSCH Gerätename: PCM 7S
  • BOSCH Explosionszeichnung: Position 37
  • BOSCH Typennummer: 3603M01330
  • BOSCH Typennummer alternative Schreibweisen: 3 603 M01 330, 3603 M01 330, 3.603.M01.330, 3-603-M01-330
    Bitte prüfen Sie diese Typennummer auf Ihrem Gerät um die Kompatibilität des BOSCH Ersatzteils zu gewährleisten.
Weitere BOSCH Ersatzteile des Gerätes PCM 7S (Kapp-/Gehrungssäge) mit der Typennummer 3603M01330 finden Sie in der nachfolgenden Darstellung und im Dropdown zu Ihrer Auswahl:

Pos.
4
BOSCH Hauptschalter | Ersatzteile für PCM 7S | 1609BP7225
Hersteller: BOSCH
Artikelnummer: EB-3603M01330-1609BP7225
Netto: 5,17 € zzgl. MwSt.
zzgl. 6,90 € Versand (brutto)
einmalig pro Bestellung

Lieferzeit: 5 Werktage

Pos.
12
BOSCH Motorkondensator | Ersatzteile für PCM 7S | 1609BP7165
Hersteller: BOSCH
Artikelnummer: EB-3603M01330-1609BP7165
Netto: 4,56 € zzgl. MwSt.
zzgl. 6,90 € Versand (brutto)
einmalig pro Bestellung

Lieferzeit: 5 Werktage

Pos.
37
BOSCH Innensechskantschlüssel | Ersatzteile für PCM 7S | 1609BP7026
Hersteller: BOSCH
Artikelnummer: EB-3603M01330-1609BP7026
Netto: 4,80 € zzgl. MwSt.
zzgl. 6,90 € Versand (brutto)
einmalig pro Bestellung

Lieferzeit: 5 Werktage

Pos.
42
BOSCH Handgriff | Ersatzteile für PCM 7S | 1609BP7313
Hersteller: BOSCH
Artikelnummer: EB-3603M01330-1609BP7313
Netto: 5,67 € zzgl. MwSt.
zzgl. 6,90 € Versand (brutto)
einmalig pro Bestellung

Lieferzeit: 5 Werktage

Pos.
44
BOSCH Einlage | Ersatzteile für PCM 7S | 1609BP7312
Hersteller: BOSCH
Artikelnummer: EB-3603M01330-1609BP7312
nur Informationsartikel
Nie mehr lieferbar
keine Alternativen
Pos.
45
BOSCH Schraube | Ersatzteile für PCM 7S | 1609B00634
Hersteller: BOSCH
Artikelnummer: EB-3603M01330-1609B00634
Netto: 3,63 € zzgl. MwSt.
zzgl. 6,90 € Versand (brutto)
einmalig pro Bestellung

Lieferzeit: 5 Werktage

Pos.
72
BOSCH Verschleissplatte | Ersatzteile für PCM 7S | 1609BP7351
Hersteller: BOSCH
Artikelnummer: EB-3603M01330-1609BP7351
Netto: 3,94 € zzgl. MwSt.
zzgl. 6,90 € Versand (brutto)
einmalig pro Bestellung

Lieferzeit: 5 Werktage

Pos.
97
BOSCH Abdeckung | Ersatzteile für PCM 7S | 1609BP7072
Hersteller: BOSCH
Artikelnummer: EB-3603M01330-1609BP7072
Netto: 3,92 € zzgl. MwSt.
zzgl. 6,90 € Versand (brutto)
einmalig pro Bestellung

Lieferzeit: 5 Werktage

Pos.
129
BOSCH Anschlussklotz | Ersatzteile für PCM 7S | 1609BP7059
Hersteller: BOSCH
Artikelnummer: EB-3603M01330-1609BP7059
Netto: 3,94 € zzgl. MwSt.
zzgl. 6,90 € Versand (brutto)
einmalig pro Bestellung

Lieferzeit: 5 Werktage

Pos.
130
BOSCH Elektr Leitung | Ersatzteile für PCM 7S | 1609BP7064
Hersteller: BOSCH
Artikelnummer: EB-3603M01330-1609BP7064
Netto: 3,94 € zzgl. MwSt.
zzgl. 6,90 € Versand (brutto)
einmalig pro Bestellung

Lieferzeit: 5 Werktage

Pos.
138
BOSCH Abdeckung | Ersatzteile für PCM 7S | 1609BP7109
Hersteller: BOSCH
Artikelnummer: EB-3603M01330-1609BP7109
Netto: 3,63 € zzgl. MwSt.
zzgl. 6,90 € Versand (brutto)
einmalig pro Bestellung

Lieferzeit: 5 Werktage

Pos.
141
BOSCH Kontaktlasche | Ersatzteile für PCM 7S | 1609BP7063
Hersteller: BOSCH
Artikelnummer: EB-3603M01330-1609BP7063
nur Informationsartikel
Nie mehr lieferbar
keine Alternativen
Pos.
145
BOSCH Sicherungsring | Ersatzteile für PCM 7S | 1609BP7049
Hersteller: BOSCH
Artikelnummer: EB-3603M01330-1609BP7049
Netto: 3,63 € zzgl. MwSt.
zzgl. 6,90 € Versand (brutto)
einmalig pro Bestellung

Lieferzeit: 5 Werktage

Pos.
155
BOSCH Staubbeutel | Ersatzteile für PCM 7S | 1609BP7021
Hersteller: BOSCH
Artikelnummer: EB-3603M01330-1609BP7021
Netto: 11,92 € zzgl. MwSt.
zzgl. 6,90 € Versand (brutto)
einmalig pro Bestellung

Lieferzeit: 5 Werktage

Pos.
156
BOSCH Klemmschelle | Ersatzteile für PCM 7S | 1609BP7164
Hersteller: BOSCH
Artikelnummer: EB-3603M01330-1609BP7164
Netto: 8,33 € zzgl. MwSt.
zzgl. 6,90 € Versand (brutto)
einmalig pro Bestellung

Lieferzeit: 5 Werktage

Pos.
801
BOSCH Motorgehäuse | Ersatzteile für PCM 7S | 1609BP7370
Hersteller: BOSCH
Artikelnummer: EB-3603M01330-1609BP7370
Netto: 16,44 € zzgl. MwSt.
zzgl. 6,90 € Versand (brutto)
einmalig pro Bestellung

Lieferzeit: 5 Werktage

Pos.
802
BOSCH Ständer 230V | Ersatzteile für PCM 7S | 1609BP7171
Hersteller: BOSCH
Artikelnummer: EB-3603M01330-1609BP7171
Netto: 35,77 € zzgl. MwSt.
zzgl. 6,90 € Versand (brutto)
einmalig pro Bestellung

Lieferzeit: 5 Werktage

Pos.
803
BOSCH Anker 230V | Ersatzteile für PCM 7S | 1609BP7172
Hersteller: BOSCH
Artikelnummer: EB-3603M01330-1609BP7172
Netto: 67,29 € zzgl. MwSt.
zzgl. 6,90 € Versand (brutto)
einmalig pro Bestellung

Lieferzeit: 5 Werktage

Pos.
805
BOSCH Netzanschlussleitung | Ersatzteile für PCM 7S | 1609BP7208
Hersteller: BOSCH
Artikelnummer: EB-3603M01330-1609BP7208
nur Informationsartikel
Nie mehr lieferbar
keine Alternativen
Pos.
807
BOSCH Zugentlastung | Ersatzteile für PCM 7S | 1609BP7174
Hersteller: BOSCH
Artikelnummer: EB-3603M01330-1609BP7174
Netto: 3,94 € zzgl. MwSt.
zzgl. 6,90 € Versand (brutto)
einmalig pro Bestellung

Lieferzeit: 5 Werktage

Pos.
810
BOSCH Kohlebürstensatz | Ersatzteile für PCM 7S | 1609BP7209
Hersteller: BOSCH
Artikelnummer: EB-3603M01330-1609BP7209
Netto: 9,95 € zzgl. MwSt.
zzgl. 6,90 € Versand (brutto)
einmalig pro Bestellung

Lieferzeit: 5 Werktage

Pos.
814
BOSCH Handgriff | Ersatzteile für PCM 7S | 1609BP7386
Hersteller: BOSCH
Artikelnummer: EB-3603M01330-1609BP7386
Netto: 11,92 € zzgl. MwSt.
zzgl. 6,90 € Versand (brutto)
einmalig pro Bestellung

Lieferzeit: 5 Werktage

Pos.
821
BOSCH Ergänzungsgestell | Ersatzteile für PCM 7S | 1609BP7392
Hersteller: BOSCH
Artikelnummer: EB-3603M01330-1609BP7392
Netto: 14,36 € zzgl. MwSt.
zzgl. 6,90 € Versand (brutto)
einmalig pro Bestellung

Lieferzeit: 5 Werktage

Pos.
822
BOSCH Sockel | Ersatzteile für PCM 7S | 1609BP7371
Hersteller: BOSCH
Artikelnummer: EB-3603M01330-1609BP7371
Netto: 70,50 € zzgl. MwSt.
zzgl. 6,90 € Versand (brutto)
einmalig pro Bestellung

Lieferzeit: 5 Werktage

Pos.
823
BOSCH Sägetisch | Ersatzteile für PCM 7S | 1609BP7372
Hersteller: BOSCH
Artikelnummer: EB-3603M01330-1609BP7372
Netto: 70,50 € zzgl. MwSt.
zzgl. 6,90 € Versand (brutto)
einmalig pro Bestellung

Lieferzeit: 5 Werktage

Pos.
824
BOSCH Gehrungslineal | Ersatzteile für PCM 7S | 1609BP7377
Hersteller: BOSCH
Artikelnummer: EB-3603M01330-1609BP7377
Netto: 19,18 € zzgl. MwSt.
zzgl. 6,90 € Versand (brutto)
einmalig pro Bestellung

Lieferzeit: 5 Werktage

Pos.
825
BOSCH Gummibuchse | Ersatzteile für PCM 7S | 1609BP7210
Hersteller: BOSCH
Artikelnummer: EB-3603M01330-1609BP7210
nur Informationsartikel
Nie mehr lieferbar
keine Alternativen
Pos.
826
BOSCH Kugel | Ersatzteile für PCM 7S | 1609BP7178
Hersteller: BOSCH
Artikelnummer: EB-3603M01330-1609BP7178
Netto: 3,94 € zzgl. MwSt.
zzgl. 6,90 € Versand (brutto)
einmalig pro Bestellung

Lieferzeit: 5 Werktage

Pos.
835
BOSCH Stütze | Ersatzteile für PCM 7S | 1609BP7393
Hersteller: BOSCH
Artikelnummer: EB-3603M01330-1609BP7393
Netto: 3,94 € zzgl. MwSt.
zzgl. 6,90 € Versand (brutto)
einmalig pro Bestellung

Lieferzeit: 5 Werktage

Pos.
840
BOSCH Verschleissplatte | Ersatzteile für PCM 7S | 1609BP7378
Hersteller: BOSCH
Artikelnummer: EB-3603M01330-1609BP7378
Netto: 6,15 € zzgl. MwSt.
zzgl. 6,90 € Versand (brutto)
einmalig pro Bestellung

Lieferzeit: 5 Werktage

Pos.
841
BOSCH Zeiger | Ersatzteile für PCM 7S | 1609BP7379
Hersteller: BOSCH
Artikelnummer: EB-3603M01330-1609BP7379
Netto: 3,63 € zzgl. MwSt.
zzgl. 6,90 € Versand (brutto)
einmalig pro Bestellung

Lieferzeit: 5 Werktage

Pos.
846
BOSCH Bolzen | Ersatzteile für PCM 7S | 1609BP7381
Hersteller: BOSCH
Artikelnummer: EB-3603M01330-1609BP7381
Netto: 3,94 € zzgl. MwSt.
zzgl. 6,90 € Versand (brutto)
einmalig pro Bestellung

Lieferzeit: 5 Werktage

Pos.
850
BOSCH Stütze | Ersatzteile für PCM 7S | 1609BP7375
Hersteller: BOSCH
Artikelnummer: EB-3603M01330-1609BP7375
Netto: 42,86 € zzgl. MwSt.
zzgl. 6,90 € Versand (brutto)
einmalig pro Bestellung

Lieferzeit: 5 Werktage

Pos.
853
BOSCH Anschlagplatte | Ersatzteile für PCM 7S | 1609BP7376
Hersteller: BOSCH
Artikelnummer: EB-3603M01330-1609BP7376
Netto: 9,95 € zzgl. MwSt.
zzgl. 6,90 € Versand (brutto)
einmalig pro Bestellung

Lieferzeit: 5 Werktage

Pos.
856
BOSCH Fingerwelle | Ersatzteile für PCM 7S | 1609BP7383
Hersteller: BOSCH
Artikelnummer: EB-3603M01330-1609BP7383
nur Informationsartikel
Nie mehr lieferbar
keine Alternativen
Pos.
861
BOSCH Zeiger | Ersatzteile für PCM 7S | 1609BP7384
Hersteller: BOSCH
Artikelnummer: EB-3603M01330-1609BP7384
nur Informationsartikel
Nie mehr lieferbar
keine Alternativen
Pos.
867
BOSCH Hebel | Ersatzteile für PCM 7S | 1609BP7373
Hersteller: BOSCH
Artikelnummer: EB-3603M01330-1609BP7373
Netto: 6,15 € zzgl. MwSt.
zzgl. 6,90 € Versand (brutto)
einmalig pro Bestellung

Lieferzeit: 5 Werktage

Pos.
869
BOSCH Rastbolzen | Ersatzteile für PCM 7S | 1609BP7188
Hersteller: BOSCH
Artikelnummer: EB-3603M01330-1609BP7188
Netto: 4,82 € zzgl. MwSt.
zzgl. 6,90 € Versand (brutto)
einmalig pro Bestellung

Lieferzeit: 5 Werktage

Pos.
871
BOSCH Abstützelement | Ersatzteile für PCM 7S | 1609BP7385
Hersteller: BOSCH
Artikelnummer: EB-3603M01330-1609BP7385
Netto: 52,31 € zzgl. MwSt.
zzgl. 6,90 € Versand (brutto)
einmalig pro Bestellung

Lieferzeit: 5 Werktage

Pos.
873
BOSCH Laser | Ersatzteile für PCM 7S | 1609BP7380
Hersteller: BOSCH
Artikelnummer: EB-3603M01330-1609BP7380
Netto: 12,98 € zzgl. MwSt.
zzgl. 6,90 € Versand (brutto)
einmalig pro Bestellung

Lieferzeit: 5 Werktage

Pos.
884
BOSCH Drehfeder | Ersatzteile für PCM 7S | 1609BP7191
Hersteller: BOSCH
Artikelnummer: EB-3603M01330-1609BP7191
Netto: 14,36 € zzgl. MwSt.
zzgl. 6,90 € Versand (brutto)
einmalig pro Bestellung

Lieferzeit: 5 Werktage

Pos.
885
BOSCH Klemmstück | Ersatzteile für PCM 7S | 1609BP7192
Hersteller: BOSCH
Artikelnummer: EB-3603M01330-1609BP7192
Netto: 4,53 € zzgl. MwSt.
zzgl. 6,90 € Versand (brutto)
einmalig pro Bestellung

Lieferzeit: 5 Werktage

Pos.
892
BOSCH Arretierung | Ersatzteile für PCM 7S | 1609BP7193
Hersteller: BOSCH
Artikelnummer: EB-3603M01330-1609BP7193
Netto: 6,70 € zzgl. MwSt.
zzgl. 6,90 € Versand (brutto)
einmalig pro Bestellung

Lieferzeit: 5 Werktage

Pos.
896
BOSCH Blechschraube | Ersatzteile für PCM 7S | 1609BP7211
Hersteller: BOSCH
Artikelnummer: EB-3603M01330-1609BP7211
Netto: 3,94 € zzgl. MwSt.
zzgl. 6,90 € Versand (brutto)
einmalig pro Bestellung

Lieferzeit: 5 Werktage

Pos.
899
BOSCH Arretierung | Ersatzteile für PCM 7S | 1609BP7194
Hersteller: BOSCH
Artikelnummer: EB-3603M01330-1609BP7194
Netto: 6,70 € zzgl. MwSt.
zzgl. 6,90 € Versand (brutto)
einmalig pro Bestellung

Lieferzeit: 5 Werktage

Pos.
8102
BOSCH Umlenkblech | Ersatzteile für PCM 7S | 1609BP7387
Hersteller: BOSCH
Artikelnummer: EB-3603M01330-1609BP7387
Netto: 4,53 € zzgl. MwSt.
zzgl. 6,90 € Versand (brutto)
einmalig pro Bestellung

Lieferzeit: 5 Werktage

Pos.
8103
BOSCH Gehäuse | Ersatzteile für PCM 7S | 1609BP7388
Hersteller: BOSCH
Artikelnummer: EB-3603M01330-1609BP7388
Netto: 42,86 € zzgl. MwSt.
zzgl. 6,90 € Versand (brutto)
einmalig pro Bestellung

Lieferzeit: 5 Werktage

Pos.
8107
BOSCH Knopf | Ersatzteile für PCM 7S | 1609BP7394
Hersteller: BOSCH
Artikelnummer: EB-3603M01330-1609BP7394
Netto: 4,53 € zzgl. MwSt.
zzgl. 6,90 € Versand (brutto)
einmalig pro Bestellung

Lieferzeit: 5 Werktage

Pos.
8111
BOSCH Getriebe | Ersatzteile für PCM 7S | 1609BP7197
Hersteller: BOSCH
Artikelnummer: EB-3603M01330-1609BP7197
Netto: 19,18 € zzgl. MwSt.
zzgl. 6,90 € Versand (brutto)
einmalig pro Bestellung

Lieferzeit: 5 Werktage

Pos.
8121
BOSCH Flansch | Ersatzteile für PCM 7S | 1609BP7198
Hersteller: BOSCH
Artikelnummer: EB-3603M01330-1609BP7198
nur Informationsartikel
Nie mehr lieferbar
keine Alternativen
Pos.
8123
BOSCH Schutzabdeckung | Ersatzteile für PCM 7S | 1609BP7389
Hersteller: BOSCH
Artikelnummer: EB-3603M01330-1609BP7389
Netto: 17,38 € zzgl. MwSt.
zzgl. 6,90 € Versand (brutto)
einmalig pro Bestellung

Lieferzeit: 5 Werktage

Pos.
8126
BOSCH Auslöser | Ersatzteile für PCM 7S | 1609BP7200
Hersteller: BOSCH
Artikelnummer: EB-3603M01330-1609BP7200
Netto: 3,94 € zzgl. MwSt.
zzgl. 6,90 € Versand (brutto)
einmalig pro Bestellung

Lieferzeit: 5 Werktage

Pos.
8127
BOSCH Handgriff-Set | Ersatzteile für PCM 7S | 1609BP7219
Hersteller: BOSCH
Artikelnummer: EB-3603M01330-1609BP7219
Netto: 15,75 € zzgl. MwSt.
zzgl. 6,90 € Versand (brutto)
einmalig pro Bestellung

Lieferzeit: 5 Werktage

Pos.
8142
BOSCH Schutzhaube | Ersatzteile für PCM 7S | 1609BP7390
Hersteller: BOSCH
Artikelnummer: EB-3603M01330-1609BP7390
nur Informationsartikel
Nie mehr lieferbar
keine Alternativen
Pos.
8146
BOSCH Gestänge | Ersatzteile für PCM 7S | 1609BP7391
Hersteller: BOSCH
Artikelnummer: EB-3603M01330-1609BP7391
Netto: 6,70 € zzgl. MwSt.
zzgl. 6,90 € Versand (brutto)
einmalig pro Bestellung

Lieferzeit: 5 Werktage

Pos.
8149
BOSCH Blattfeder | Ersatzteile für PCM 7S | 1609BP7382
Hersteller: BOSCH
Artikelnummer: EB-3603M01330-1609BP7382
Netto: 4,32 € zzgl. MwSt.
zzgl. 6,90 € Versand (brutto)
einmalig pro Bestellung

Lieferzeit: 5 Werktage

Pos.
8151
BOSCH Lager | Ersatzteile für PCM 7S | 1609BP7374
Hersteller: BOSCH
Artikelnummer: EB-3603M01330-1609BP7374
Netto: 29,45 € zzgl. MwSt.
zzgl. 6,90 € Versand (brutto)
einmalig pro Bestellung

Lieferzeit: 5 Werktage

Angaben zur Produktsicherheit

Hersteller:
Robert Bosch Power Tools GmbH
Postfach 30 02 20
70442 Stuttgart

E-Mail:
kontakt@bosch.de