BOSCH Netzanschlussleitung GB 230 V, 2,68m 2x1mm H05VV-F | Ersatzteile für PCM 8 SD | 1609B02673

Artikelnummer: EB-3603M11070-1609B02673

Position: 805

Marke: BOSCH


Bitte Kompatibilität prüfen!

Bitte prüfen Sie unbedingt die 10-stellige Typennummer Ihrer Maschine / Ihres Gerätes. Das Ersatzteil ist nur kompatibel, wenn Sie die Typennummer Ihrer Maschine in der unten stehenden Produktbeschreibung finden.

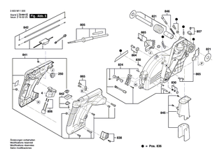
Bitte prüfen Sie ebenfalls detailliert die Explosionszeichnung mit Ihrem Artikelwunsch und der jeweiligen Pos-Nummer.

Alle Elemente, welche vom schwarzen Strich der Pos-Nummer ausgehend berührt / erfasst werden, gehören zu dieser Pos-Nummer und somit zu diesem Artikel. Jede Pos-Nummer ist ein eigenständiger Artikel, welchen Sie in der Auflistung finden.

Sie erhalten stets die aktuellste, neueste Produktversion zu der gewählten Pos-Nummer seitens des Herstellers. Es kann daher je nach Gerätealter vorkommen, dass Sie ggf. weitere, zugehörige Elemente, welche an diese Pos-Nummer grenzen, ebenfalls mittauschen müssen.

Nähere Informationen finden Sie unter dem Link
Hinweise zu Ihrer BOSCH Ersatzteilsuche

Preisübersicht

Einzelpreis: 9,95 €* (Brutto: 11,84 €)
Gesamtpreis: 9,95 €* 
Position:

Lieferzeit: 5 Werktage


Beschreibung

  • Netzanschlussleitung GB 230 V, 2,68m 2x1mm H05VV-F
  • Original Bosch Zubehör / BOSCH Ersatzteil (1609B02673)
  • im Gerät verbaut: 1
Dieses BOSCH Ersatzteil ist mit folgendem Gerät und Modell kompatibel:
  • BOSCH Gerätename: PCM 8 SD
  • BOSCH Explosionszeichnung: Position 805
  • BOSCH Typennummer: 3603M11070
  • BOSCH Typennummer alternative Schreibweisen: 3 603 M11 070, 3603 M11 070, 3.603.M11.070, 3-603-M11-070
    Bitte prüfen Sie diese Typennummer auf Ihrem Gerät um die Kompatibilität des BOSCH Ersatzteils zu gewährleisten.
Weitere BOSCH Ersatzteile des Gerätes PCM 8 SD (Kapp-/Gehrungssäge) mit der Typennummer 3603M11070 finden Sie in der nachfolgenden Darstellung und im Dropdown zu Ihrer Auswahl:

Pos.
4
BOSCH Ein/Aus-Schalter | Ersatzteile für PCM 8 SD | 1609B04011
Hersteller: BOSCH
Artikelnummer: EB-3603M11070-1609B04011
Netto: 12,98 € zzgl. MwSt.
zzgl. 6,90 € Versand (brutto)
einmalig pro Bestellung

Lieferzeit: 5 Werktage

Pos.
26
BOSCH Gurt | Ersatzteile für PCM 8 SD | 1609B01802
Hersteller: BOSCH
Artikelnummer: EB-3603M11070-1609B01802
Netto: 17,38 € zzgl. MwSt.
zzgl. 6,90 € Versand (brutto)
einmalig pro Bestellung

Lieferzeit: 5 Werktage

Pos.
35
BOSCH Innensechskantschlüssel | Ersatzteile für PCM 8 SD | 1609BP7026
Hersteller: BOSCH
Artikelnummer: EB-3603M11070-1609BP7026
Netto: 4,82 € zzgl. MwSt.
zzgl. 6,90 € Versand (brutto)
einmalig pro Bestellung

Lieferzeit: 5 Werktage

Pos.
106
BOSCH Knopf | Ersatzteile für PCM 8 SD | 1609B01839
Hersteller: BOSCH
Artikelnummer: EB-3603M11070-1609B01839
nur Informationsartikel
Nie mehr lieferbar
keine Alternativen
Pos.
148
BOSCH Verschleissplatte | Ersatzteile für PCM 8 SD | 1609B01457
Hersteller: BOSCH
Artikelnummer: EB-3603M11070-1609B01457
Netto: 3,63 € zzgl. MwSt.
zzgl. 6,90 € Versand (brutto)
einmalig pro Bestellung

Lieferzeit: 5 Werktage

Pos.
171
BOSCH Blechschraube | Ersatzteile für PCM 8 SD | 1609BP7087
Hersteller: BOSCH
Artikelnummer: EB-3603M11070-1609BP7087
Netto: 3,95 € zzgl. MwSt.
zzgl. 6,90 € Versand (brutto)
einmalig pro Bestellung

Lieferzeit: 5 Werktage

Pos.
172
BOSCH Aufspannplatte | Ersatzteile für PCM 8 SD | 1609B02264
Hersteller: BOSCH
Artikelnummer: EB-3603M11070-1609B02264
Netto: 12,98 € zzgl. MwSt.
zzgl. 6,90 € Versand (brutto)
einmalig pro Bestellung

Lieferzeit: 5 Werktage

Pos.
173
BOSCH Flanschbolzen | Ersatzteile für PCM 8 SD | 1609B00213
Hersteller: BOSCH
Artikelnummer: EB-3603M11070-1609B00213
Netto: 3,63 € zzgl. MwSt.
zzgl. 6,90 € Versand (brutto)
einmalig pro Bestellung

Lieferzeit: 5 Werktage

Pos.
229
BOSCH Staubbeutel | Ersatzteile für PCM 8 SD | 1609BP7021
Hersteller: BOSCH
Artikelnummer: EB-3603M11070-1609BP7021
Netto: 11,92 € zzgl. MwSt.
zzgl. 6,90 € Versand (brutto)
einmalig pro Bestellung

Lieferzeit: 5 Werktage

Pos.
250
BOSCH Anschlussklotz | Ersatzteile für PCM 8 SD | 1609BP7059
Hersteller: BOSCH
Artikelnummer: EB-3603M11070-1609BP7059
Netto: 3,94 € zzgl. MwSt.
zzgl. 6,90 € Versand (brutto)
einmalig pro Bestellung

Lieferzeit: 5 Werktage

Pos.
272
BOSCH Kontaktlasche | Ersatzteile für PCM 8 SD | 1609B02601
Hersteller: BOSCH
Artikelnummer: EB-3603M11070-1609B02601
Netto: 4,53 € zzgl. MwSt.
zzgl. 6,90 € Versand (brutto)
einmalig pro Bestellung

Lieferzeit: 5 Werktage

Pos.
273
BOSCH Bügelfeder | Ersatzteile für PCM 8 SD | 1609B01798
Hersteller: BOSCH
Artikelnummer: EB-3603M11070-1609B01798
Netto: 3,94 € zzgl. MwSt.
zzgl. 6,90 € Versand (brutto)
einmalig pro Bestellung

Lieferzeit: 5 Werktage

Pos.
354
BOSCH Sperre | Ersatzteile für PCM 8 SD | 1609B01789
Hersteller: BOSCH
Artikelnummer: EB-3603M11070-1609B01789
Netto: 7,30 € zzgl. MwSt.
zzgl. 6,90 € Versand (brutto)
einmalig pro Bestellung

Lieferzeit: 5 Werktage

Pos.
801
BOSCH Motorgehäuse | Ersatzteile für PCM 8 SD | 1609B02699
Hersteller: BOSCH
Artikelnummer: EB-3603M11070-1609B02699
Netto: 15,75 € zzgl. MwSt.
zzgl. 6,90 € Versand (brutto)
einmalig pro Bestellung

Lieferzeit: 5 Werktage

Pos.
802
BOSCH Polschuh | Ersatzteile für PCM 8 SD | 1609B02719
Hersteller: BOSCH
Artikelnummer: EB-3603M11070-1609B02719
Netto: 39,11 € zzgl. MwSt.
zzgl. 6,90 € Versand (brutto)
einmalig pro Bestellung

Lieferzeit: 5 Werktage

Pos.
803
BOSCH Anker | Ersatzteile für PCM 8 SD | 1609B02720
Hersteller: BOSCH
Artikelnummer: EB-3603M11070-1609B02720
Netto: 63,99 € zzgl. MwSt.
zzgl. 6,90 € Versand (brutto)
einmalig pro Bestellung

Lieferzeit: 5 Werktage

Pos.
805
BOSCH Netzanschlussleitung GB 230 V, 2,68m 2x1mm H05VV-F | Ersatzteile für PCM 8 SD | 1609B02673
Hersteller: BOSCH
Artikelnummer: EB-3603M11070-1609B02673
Netto: 9,95 € zzgl. MwSt.
zzgl. 6,90 € Versand (brutto)
einmalig pro Bestellung

Lieferzeit: 5 Werktage

Pos.
806
BOSCH Entstörkondensator | Ersatzteile für PCM 8 SD | 1609B02700
Hersteller: BOSCH
Artikelnummer: EB-3603M11070-1609B02700
Netto: 3,94 € zzgl. MwSt.
zzgl. 6,90 € Versand (brutto)
einmalig pro Bestellung

Lieferzeit: 5 Werktage

Pos.
808
BOSCH Typschild | Ersatzteile für PCM 8 SD | 1609BN0163
Hersteller: BOSCH
Artikelnummer: EB-3603M11070-1609BN0163
Netto: 4,53 € zzgl. MwSt.
zzgl. 6,90 € Versand (brutto)
einmalig pro Bestellung

Lieferzeit: 5 Werktage

Pos.
809
BOSCH Tisch | Ersatzteile für PCM 8 SD | 1609B02701
Hersteller: BOSCH
Artikelnummer: EB-3603M11070-1609B02701
Netto: 77,60 € zzgl. MwSt.
zzgl. 6,90 € Versand (brutto)
einmalig pro Bestellung

Lieferzeit: 5 Werktage

Pos.
810
BOSCH Kohlebürstensatz | Ersatzteile für PCM 8 SD | 1609BP7209
Hersteller: BOSCH
Artikelnummer: EB-3603M11070-1609BP7209
Netto: 9,95 € zzgl. MwSt.
zzgl. 6,90 € Versand (brutto)
einmalig pro Bestellung

Lieferzeit: 5 Werktage

Pos.
811
BOSCH Basiseinheit | Ersatzteile für PCM 8 SD | 1609B02734
Hersteller: BOSCH
Artikelnummer: EB-3603M11070-1609B02734
nur Informationsartikel
Nie mehr lieferbar
keine Alternativen
Pos.
812
BOSCH Gehrungslineal | Ersatzteile für PCM 8 SD | 1609B02659
Hersteller: BOSCH
Artikelnummer: EB-3603M11070-1609B02659
Netto: 17,38 € zzgl. MwSt.
zzgl. 6,90 € Versand (brutto)
einmalig pro Bestellung

Lieferzeit: 5 Werktage

Pos.
813
BOSCH Knopf | Ersatzteile für PCM 8 SD | 1609B02635
Hersteller: BOSCH
Artikelnummer: EB-3603M11070-1609B02635
Netto: 6,15 € zzgl. MwSt.
zzgl. 6,90 € Versand (brutto)
einmalig pro Bestellung

Lieferzeit: 5 Werktage

Pos.
814
BOSCH Gummibuchse | Ersatzteile für PCM 8 SD | 1609B02707
Hersteller: BOSCH
Artikelnummer: EB-3603M11070-1609B02707
Netto: 4,32 € zzgl. MwSt.
zzgl. 6,90 € Versand (brutto)
einmalig pro Bestellung

Lieferzeit: 5 Werktage

Pos.
815
BOSCH Raste | Ersatzteile für PCM 8 SD | 1609B02774
Hersteller: BOSCH
Artikelnummer: EB-3603M11070-1609B02774
Netto: 7,76 € zzgl. MwSt.
zzgl. 6,90 € Versand (brutto)
einmalig pro Bestellung

Lieferzeit: 5 Werktage

Pos.
816
BOSCH Gehrungslineal | Ersatzteile für PCM 8 SD | 1609B02773
Hersteller: BOSCH
Artikelnummer: EB-3603M11070-1609B02773
Netto: 29,45 € zzgl. MwSt.
zzgl. 6,90 € Versand (brutto)
einmalig pro Bestellung

Lieferzeit: 5 Werktage

Pos.
817
BOSCH Zeiger | Ersatzteile für PCM 8 SD | 1609B02737
Hersteller: BOSCH
Artikelnummer: EB-3603M11070-1609B02737
nur Informationsartikel
Nie mehr lieferbar
keine Alternativen
Pos.
818
BOSCH Einlage | Ersatzteile für PCM 8 SD | 1609B02776
Hersteller: BOSCH
Artikelnummer: EB-3603M11070-1609B02776
Netto: 5,19 € zzgl. MwSt.
zzgl. 6,90 € Versand (brutto)
einmalig pro Bestellung

Lieferzeit: 5 Werktage

Pos.
819
BOSCH Befestigungssatz | Ersatzteile für PCM 8 SD | 1609B02738
Hersteller: BOSCH
Artikelnummer: EB-3603M11070-1609B02738
nur Informationsartikel
Nie mehr lieferbar
keine Alternativen
Pos.
821
BOSCH Drehfeder | Ersatzteile für PCM 8 SD | 1609B02777
Hersteller: BOSCH
Artikelnummer: EB-3603M11070-1609B02777
Netto: 14,36 € zzgl. MwSt.
zzgl. 6,90 € Versand (brutto)
einmalig pro Bestellung

Lieferzeit: 5 Werktage

Pos.
822
BOSCH Knopf | Ersatzteile für PCM 8 SD | 1609B02715
Hersteller: BOSCH
Artikelnummer: EB-3603M11070-1609B02715
nur Informationsartikel
Nie mehr lieferbar
keine Alternativen
Pos.
823
BOSCH Abstützelement | Ersatzteile für PCM 8 SD | 1609B02778
Hersteller: BOSCH
Artikelnummer: EB-3603M11070-1609B02778
Netto: 45,41 € zzgl. MwSt.
zzgl. 6,90 € Versand (brutto)
einmalig pro Bestellung

Lieferzeit: 5 Werktage

Pos.
824
BOSCH Lasermodul | Ersatzteile für PCM 8 SD | 1609B02338
Hersteller: BOSCH
Artikelnummer: EB-3603M11070-1609B02338
Netto: 19,18 € zzgl. MwSt.
zzgl. 6,90 € Versand (brutto)
einmalig pro Bestellung

Lieferzeit: 5 Werktage

Pos.
825
BOSCH Fingerwelle | Ersatzteile für PCM 8 SD | 1609B02779
Hersteller: BOSCH
Artikelnummer: EB-3603M11070-1609B02779
Netto: 6,15 € zzgl. MwSt.
zzgl. 6,90 € Versand (brutto)
einmalig pro Bestellung

Lieferzeit: 5 Werktage

Pos.
826
BOSCH Knopf | Ersatzteile für PCM 8 SD | 1609B02687
Hersteller: BOSCH
Artikelnummer: EB-3603M11070-1609B02687
Netto: 4,32 € zzgl. MwSt.
zzgl. 6,90 € Versand (brutto)
einmalig pro Bestellung

Lieferzeit: 5 Werktage

Pos.
827
BOSCH Klemmschelle | Ersatzteile für PCM 8 SD | 1609B01797
Hersteller: BOSCH
Artikelnummer: EB-3603M11070-1609B01797
Netto: 24,13 € zzgl. MwSt.
zzgl. 6,90 € Versand (brutto)
einmalig pro Bestellung

Lieferzeit: 5 Werktage

Pos.
828
BOSCH Sperrhebel | Ersatzteile für PCM 8 SD | 1609B02780
Hersteller: BOSCH
Artikelnummer: EB-3603M11070-1609B02780
Netto: 7,30 € zzgl. MwSt.
zzgl. 6,90 € Versand (brutto)
einmalig pro Bestellung

Lieferzeit: 5 Werktage

Pos.
830
BOSCH Arretierung | Ersatzteile für PCM 8 SD | 1609B02783
Hersteller: BOSCH
Artikelnummer: EB-3603M11070-1609B02783
Netto: 3,94 € zzgl. MwSt.
zzgl. 6,90 € Versand (brutto)
einmalig pro Bestellung

Lieferzeit: 5 Werktage

Pos.
833
BOSCH Arretierung | Ersatzteile für PCM 8 SD | 1609B02784
Hersteller: BOSCH
Artikelnummer: EB-3603M11070-1609B02784
Netto: 29,45 € zzgl. MwSt.
zzgl. 6,90 € Versand (brutto)
einmalig pro Bestellung

Lieferzeit: 5 Werktage

Pos.
834
BOSCH Getriebe | Ersatzteile für PCM 8 SD | 1609B02785
Hersteller: BOSCH
Artikelnummer: EB-3603M11070-1609B02785
Netto: 24,13 € zzgl. MwSt.
zzgl. 6,90 € Versand (brutto)
einmalig pro Bestellung

Lieferzeit: 5 Werktage

Pos.
836
BOSCH Gehäuse | Ersatzteile für PCM 8 SD | 1609B02786
Hersteller: BOSCH
Artikelnummer: EB-3603M11070-1609B02786
Netto: 77,60 € zzgl. MwSt.
zzgl. 6,90 € Versand (brutto)
einmalig pro Bestellung

Lieferzeit: 5 Werktage

Pos.
837
BOSCH Flansch | Ersatzteile für PCM 8 SD | 1609B02726
Hersteller: BOSCH
Artikelnummer: EB-3603M11070-1609B02726
nur Informationsartikel
Nie mehr lieferbar
keine Alternativen
Pos.
838
BOSCH Abdeckung | Ersatzteile für PCM 8 SD | 1609B02794
Hersteller: BOSCH
Artikelnummer: EB-3603M11070-1609B02794
Netto: 3,63 € zzgl. MwSt.
zzgl. 6,90 € Versand (brutto)
einmalig pro Bestellung

Lieferzeit: 5 Werktage

Pos.
839
BOSCH Schutzhaube | Ersatzteile für PCM 8 SD | 1609B02795
Hersteller: BOSCH
Artikelnummer: EB-3603M11070-1609B02795
Netto: 14,36 € zzgl. MwSt.
zzgl. 6,90 € Versand (brutto)
einmalig pro Bestellung

Lieferzeit: 5 Werktage

Pos.
840
BOSCH Gestänge | Ersatzteile für PCM 8 SD | 1609B01796
Hersteller: BOSCH
Artikelnummer: EB-3603M11070-1609B01796
Netto: 11,92 € zzgl. MwSt.
zzgl. 6,90 € Versand (brutto)
einmalig pro Bestellung

Lieferzeit: 5 Werktage

Pos.
841
BOSCH Handgriff-Set | Ersatzteile für PCM 8 SD | 1609B02793
Hersteller: BOSCH
Artikelnummer: EB-3603M11070-1609B02793
Netto: 17,38 € zzgl. MwSt.
zzgl. 6,90 € Versand (brutto)
einmalig pro Bestellung

Lieferzeit: 5 Werktage

Pos.
842
BOSCH Stromversorgung | Ersatzteile für PCM 8 SD | 1609B02789
Hersteller: BOSCH
Artikelnummer: EB-3603M11070-1609B02789
Netto: 19,18 € zzgl. MwSt.
zzgl. 6,90 € Versand (brutto)
einmalig pro Bestellung

Lieferzeit: 5 Werktage

Pos.
843
BOSCH Blattfeder | Ersatzteile für PCM 8 SD | 1609B02731
Hersteller: BOSCH
Artikelnummer: EB-3603M11070-1609B02731
nur Informationsartikel
Nie mehr lieferbar
keine Alternativen
Pos.
844
BOSCH Stab | Ersatzteile für PCM 8 SD | 1609B02732
Hersteller: BOSCH
Artikelnummer: EB-3603M11070-1609B02732
nur Informationsartikel
Nie mehr lieferbar
keine Alternativen
Pos.
845
BOSCH Stab | Ersatzteile für PCM 8 SD | 1609B02747
Hersteller: BOSCH
Artikelnummer: EB-3603M11070-1609B02747
Netto: 5,67 € zzgl. MwSt.
zzgl. 6,90 € Versand (brutto)
einmalig pro Bestellung

Lieferzeit: 5 Werktage

Pos.
846
BOSCH Knopf | Ersatzteile für PCM 8 SD | 1609B02788
Hersteller: BOSCH
Artikelnummer: EB-3603M11070-1609B02788
Netto: 3,60 € zzgl. MwSt.
zzgl. 6,90 € Versand (brutto)
einmalig pro Bestellung

Lieferzeit: 5 Werktage

Pos.
847
BOSCH Joch | Ersatzteile für PCM 8 SD | 1609B02787
Hersteller: BOSCH
Artikelnummer: EB-3603M11070-1609B02787
Netto: 57,47 € zzgl. MwSt.
zzgl. 6,90 € Versand (brutto)
einmalig pro Bestellung

Lieferzeit: 5 Werktage

Pos.
848
BOSCH Endkappe | Ersatzteile für PCM 8 SD | 1609B02632
Hersteller: BOSCH
Artikelnummer: EB-3603M11070-1609B02632
Netto: 5,67 € zzgl. MwSt.
zzgl. 6,90 € Versand (brutto)
einmalig pro Bestellung

Lieferzeit: 5 Werktage

Pos.
849
BOSCH Lager | Ersatzteile für PCM 8 SD | 1609B02790
Hersteller: BOSCH
Artikelnummer: EB-3603M11070-1609B02790
Netto: 26,88 € zzgl. MwSt.
zzgl. 6,90 € Versand (brutto)
einmalig pro Bestellung

Lieferzeit: 5 Werktage

Pos.
850
BOSCH Traggriff | Ersatzteile für PCM 8 SD | 1609B02791
Hersteller: BOSCH
Artikelnummer: EB-3603M11070-1609B02791
Netto: 6,15 € zzgl. MwSt.
zzgl. 6,90 € Versand (brutto)
einmalig pro Bestellung

Lieferzeit: 5 Werktage

Pos.
851
BOSCH Ergänzungsgestell | Ersatzteile für PCM 8 SD | 1609B02750
Hersteller: BOSCH
Artikelnummer: EB-3603M11070-1609B02750
Netto: 9,18 € zzgl. MwSt.
zzgl. 6,90 € Versand (brutto)
einmalig pro Bestellung

Lieferzeit: 5 Werktage

Pos.
852
BOSCH Schiebeblech | Ersatzteile für PCM 8 SD | 1609B02736
Hersteller: BOSCH
Artikelnummer: EB-3603M11070-1609B02736
nur Informationsartikel
Nie mehr lieferbar
keine Alternativen
Pos.
853
BOSCH Gerätefuss | Ersatzteile für PCM 8 SD | 1609B02775
Hersteller: BOSCH
Artikelnummer: EB-3603M11070-1609B02775
Netto: 3,94 € zzgl. MwSt.
zzgl. 6,90 € Versand (brutto)
einmalig pro Bestellung

Lieferzeit: 5 Werktage

Pos.
854
BOSCH Gehrungslineal | Ersatzteile für PCM 8 SD | 1609B02660
Hersteller: BOSCH
Artikelnummer: EB-3603M11070-1609B02660
Netto: 17,38 € zzgl. MwSt.
zzgl. 6,90 € Versand (brutto)
einmalig pro Bestellung

Lieferzeit: 5 Werktage

Pos.
855
BOSCH Zeiger | Ersatzteile für PCM 8 SD | 1609B01818
Hersteller: BOSCH
Artikelnummer: EB-3603M11070-1609B01818
Netto: 3,63 € zzgl. MwSt.
zzgl. 6,90 € Versand (brutto)
einmalig pro Bestellung

Lieferzeit: 5 Werktage

Pos.
856
BOSCH Zeiger | Ersatzteile für PCM 8 SD | 1609B02765
Hersteller: BOSCH
Artikelnummer: EB-3603M11070-1609B02765
Netto: 3,63 € zzgl. MwSt.
zzgl. 6,90 € Versand (brutto)
einmalig pro Bestellung

Lieferzeit: 5 Werktage

Pos.
858
BOSCH Klemmstück | Ersatzteile für PCM 8 SD | 1609B02782
Hersteller: BOSCH
Artikelnummer: EB-3603M11070-1609B02782
Netto: 3,63 € zzgl. MwSt.
zzgl. 6,90 € Versand (brutto)
einmalig pro Bestellung

Lieferzeit: 5 Werktage

Pos.
859
BOSCH Platte | Ersatzteile für PCM 8 SD | 1609B02796
Hersteller: BOSCH
Artikelnummer: EB-3603M11070-1609B02796
Netto: 4,82 € zzgl. MwSt.
zzgl. 6,90 € Versand (brutto)
einmalig pro Bestellung

Lieferzeit: 5 Werktage

Pos.
860
BOSCH Raste | Ersatzteile für PCM 8 SD | 1609B02797
Hersteller: BOSCH
Artikelnummer: EB-3603M11070-1609B02797
Netto: 8,33 € zzgl. MwSt.
zzgl. 6,90 € Versand (brutto)
einmalig pro Bestellung

Lieferzeit: 5 Werktage

Pos.
861
BOSCH Abdeckung | Ersatzteile für PCM 8 SD | 1609B02798
Hersteller: BOSCH
Artikelnummer: EB-3603M11070-1609B02798
Netto: 7,30 € zzgl. MwSt.
zzgl. 6,90 € Versand (brutto)
einmalig pro Bestellung

Lieferzeit: 5 Werktage

Pos.
862
BOSCH Skale | Ersatzteile für PCM 8 SD | 1609B02799
Hersteller: BOSCH
Artikelnummer: EB-3603M11070-1609B02799
Netto: 14,36 € zzgl. MwSt.
zzgl. 6,90 € Versand (brutto)
einmalig pro Bestellung

Lieferzeit: 5 Werktage

Pos.
863
BOSCH Riemenscheibe | Ersatzteile für PCM 8 SD | 1609B02800
Hersteller: BOSCH
Artikelnummer: EB-3603M11070-1609B02800
Netto: 11,92 € zzgl. MwSt.
zzgl. 6,90 € Versand (brutto)
einmalig pro Bestellung

Lieferzeit: 5 Werktage

Pos.
864
BOSCH Riemenscheibe | Ersatzteile für PCM 8 SD | 1609B02801
Hersteller: BOSCH
Artikelnummer: EB-3603M11070-1609B02801
Netto: 4,82 € zzgl. MwSt.
zzgl. 6,90 € Versand (brutto)
einmalig pro Bestellung

Lieferzeit: 5 Werktage

Pos.
865
BOSCH Klemmschelle | Ersatzteile für PCM 8 SD | 1609B02802
Hersteller: BOSCH
Artikelnummer: EB-3603M11070-1609B02803
Netto: 3,63 € zzgl. MwSt.
zzgl. 6,90 € Versand (brutto)
einmalig pro Bestellung

Lieferzeit: 5 Werktage

Pos.
866
BOSCH Zeiger | Ersatzteile für PCM 8 SD | 1609B02670
Hersteller: BOSCH
Artikelnummer: EB-3603M11070-1609B02670
Netto: 3,60 € zzgl. MwSt.
zzgl. 6,90 € Versand (brutto)
einmalig pro Bestellung

Lieferzeit: 5 Werktage

Pos.
870
BOSCH Platte | Ersatzteile für PCM 8 SD | 1609B02792
Hersteller: BOSCH
Artikelnummer: EB-3603M11070-1609B02792
Netto: 4,53 € zzgl. MwSt.
zzgl. 6,90 € Versand (brutto)
einmalig pro Bestellung

Lieferzeit: 5 Werktage

Angaben zur Produktsicherheit

Hersteller:
Robert Bosch Power Tools GmbH
Postfach 30 02 20
70442 Stuttgart

E-Mail:
kontakt@bosch.de