BOSCH Netzanschlussleitung J 2,50m 2 x 0,75mm PVC | Ersatzteile für PDA 120 E | 2604460127

Artikelnummer: EB-0603307738-2604460127

Position: 5

Marke: BOSCH


Bitte Kompatibilität prüfen!

Bitte prüfen Sie unbedingt die 10-stellige Typennummer Ihrer Maschine / Ihres Gerätes. Das Ersatzteil ist nur kompatibel, wenn Sie die Typennummer Ihrer Maschine in der unten stehenden Produktbeschreibung finden.

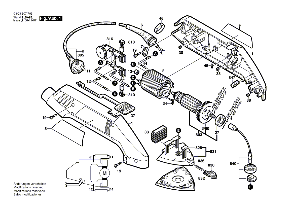
Bitte prüfen Sie ebenfalls detailliert die Explosionszeichnung mit Ihrem Artikelwunsch und der jeweiligen Pos-Nummer.

Alle Elemente, welche vom schwarzen Strich der Pos-Nummer ausgehend berührt / erfasst werden, gehören zu dieser Pos-Nummer und somit zu diesem Artikel. Jede Pos-Nummer ist ein eigenständiger Artikel, welchen Sie in der Auflistung finden.

Sie erhalten stets die aktuellste, neueste Produktversion zu der gewählten Pos-Nummer seitens des Herstellers. Es kann daher je nach Gerätealter vorkommen, dass Sie ggf. weitere, zugehörige Elemente, welche an diese Pos-Nummer grenzen, ebenfalls mittauschen müssen.

Nähere Informationen finden Sie unter dem Link
Hinweise zu Ihrer BOSCH Ersatzteilsuche

Preisübersicht

Einzelpreis: 12,42 €* (Brutto: 14,78 €)
Gesamtpreis: 12,42 €* 
Position:

Lieferzeit: 5 Werktage


Beschreibung

  • Netzanschlussleitung J 2,50m 2 x 0,75mm PVC
  • Original Bosch Zubehör / BOSCH Ersatzteil (2604460127)
  • im Gerät verbaut: 1
Dieses BOSCH Ersatzteil ist mit folgendem Gerät und Modell kompatibel:
  • BOSCH Gerätename: PDA 120 E
  • BOSCH Explosionszeichnung: Position 5
  • BOSCH Typennummer: 0603307738
  • BOSCH Typennummer alternative Schreibweisen: 0 603 307 738, 0603 307 738, 0.603.307.738, 0-603-307-738
    Bitte prüfen Sie diese Typennummer auf Ihrem Gerät um die Kompatibilität des BOSCH Ersatzteils zu gewährleisten.
Weitere BOSCH Ersatzteile des Gerätes PDA 120 E (Deltaschleifer) mit der Typennummer 0603307738 finden Sie in der nachfolgenden Darstellung und im Dropdown zu Ihrer Auswahl:

Pos.
1
BOSCH Gehäuseschale GRUEN | Ersatzteile für PDA 120 E | 2605104408
Hersteller: BOSCH
Artikelnummer: EB-0603307738-2605104408
nur Informationsartikel
Nie mehr lieferbar
keine Alternativen
Pos.
3/60
BOSCH Lüfter | Ersatzteile für PDA 120 E | 2606610083
Hersteller: BOSCH
Artikelnummer: EB-0603307738-2606610083
Netto: 6,27 € zzgl. MwSt.
zzgl. 6,90 € Versand (brutto)
einmalig pro Bestellung

Lieferzeit: 5 Werktage

Pos.
2
BOSCH Polschuh 100V | Ersatzteile für PDA 120 E | 2604220516
Hersteller: BOSCH
Artikelnummer: EB-0603307738-2604220516
Netto: 26,54 € zzgl. MwSt.
zzgl. 6,90 € Versand (brutto)
einmalig pro Bestellung

Lieferzeit: 5 Werktage

Pos.
5
BOSCH Netzanschlussleitung J 2,50m 2 x 0,75mm PVC | Ersatzteile für PDA 120 E | 2604460127
Hersteller: BOSCH
Artikelnummer: EB-0603307738-2604460127
Netto: 12,42 € zzgl. MwSt.
zzgl. 6,90 € Versand (brutto)
einmalig pro Bestellung

Lieferzeit: 5 Werktage

Pos.
6
BOSCH Tülle Ø8,7-Ø9,6x76 MM | Ersatzteile für PDA 120 E | 2600703019
Hersteller: BOSCH
Artikelnummer: EB-0603307738-2600703019
nur Informationsartikel
Nie mehr lieferbar
keine Alternativen
Pos.
7
BOSCH Leitungshalter | Ersatzteile für PDA 120 E | 1611035005
Hersteller: BOSCH
Artikelnummer: EB-0603307738-1611035005
nur Informationsartikel
Nie mehr lieferbar
keine Alternativen
Pos.
8
BOSCH Typschild | Ersatzteile für PDA 120 E | 2601118793
Hersteller: BOSCH
Artikelnummer: EB-0603307738-2601118793
nur Informationsartikel
Nie mehr lieferbar
keine Alternativen
Pos.
9
BOSCH Firmenschild SONNENSEITE | Ersatzteile für PDA 120 E | 2601118788
Hersteller: BOSCH
Artikelnummer: EB-0603307738-2601118788
nur Informationsartikel
Nie mehr lieferbar
keine Alternativen
Pos.
11
BOSCH Verbindungsleitung L = 37 MM WEISS | Ersatzteile für PDA 120 E | 2604448178
Hersteller: BOSCH
Artikelnummer: EB-0603307738-2604448178
nur Informationsartikel
Nie mehr lieferbar
keine Alternativen
Pos.
12
BOSCH Verbindungsleitung L=52MM WEISS | Ersatzteile für PDA 120 E | 2604448016
Hersteller: BOSCH
Artikelnummer: EB-0603307738-2604448016
Netto: 3,94 € zzgl. MwSt.
zzgl. 6,90 € Versand (brutto)
einmalig pro Bestellung

Lieferzeit: 5 Werktage

Pos.
13
BOSCH Nadelhülse | Ersatzteile für PDA 120 E | 2600917002
Hersteller: BOSCH
Artikelnummer: EB-0603307738-2600917002
Netto: 5,19 € zzgl. MwSt.
zzgl. 6,90 € Versand (brutto)
einmalig pro Bestellung

Lieferzeit: 5 Werktage

Pos.
19
BOSCH Schraube 4x16 | Ersatzteile für PDA 120 E | 2603490022
Hersteller: BOSCH
Artikelnummer: EB-0603307738-2603490022
Netto: 3,63 € zzgl. MwSt.
zzgl. 6,90 € Versand (brutto)
einmalig pro Bestellung

Lieferzeit: 5 Werktage

Pos.
27
BOSCH Rillenkugellager 8x24x7 | Ersatzteile für PDA 120 E | 2600905060
Hersteller: BOSCH
Artikelnummer: EB-0603307738-2600905060
nur Informationsartikel
Nie mehr lieferbar
keine Alternativen
Pos.
33
BOSCH Verbindungsschlauch | Ersatzteile für PDA 120 E | 2600712003
Hersteller: BOSCH
Artikelnummer: EB-0603307738-2600712003
nur Informationsartikel
Nie mehr lieferbar
keine Alternativen
Pos.
34
BOSCH Kontaktfeder | Ersatzteile für PDA 120 E | 2601329037
Hersteller: BOSCH
Artikelnummer: EB-0603307738-2601329037
Netto: 3,94 € zzgl. MwSt.
zzgl. 6,90 € Versand (brutto)
einmalig pro Bestellung

Lieferzeit: 5 Werktage

Pos.
37
BOSCH Schaltschieber | Ersatzteile für PDA 120 E | 2602319008
Hersteller: BOSCH
Artikelnummer: EB-0603307738-2602319008
nur Informationsartikel
Nie mehr lieferbar
keine Alternativen
Pos.
38
BOSCH Dämpfungsgummi | Ersatzteile für PDA 120 E | 2603100056
Hersteller: BOSCH
Artikelnummer: EB-0603307738-2603100056
Netto: 3,94 € zzgl. MwSt.
zzgl. 6,90 € Versand (brutto)
einmalig pro Bestellung

Lieferzeit: 5 Werktage

Pos.
44
BOSCH Verbindungsleitung L=88 MM WEISS | Ersatzteile für PDA 120 E | 2604448034
Hersteller: BOSCH
Artikelnummer: EB-0603307738-2604448034
Netto: 3,94 € zzgl. MwSt.
zzgl. 6,90 € Versand (brutto)
einmalig pro Bestellung

Lieferzeit: 5 Werktage

Pos.
45
BOSCH Druckstück | Ersatzteile für PDA 120 E | 2600590010
Hersteller: BOSCH
Artikelnummer: EB-0603307738-2600590010
nur Informationsartikel
Nie mehr lieferbar
keine Alternativen
Pos.
46
BOSCH Spannring | Ersatzteile für PDA 120 E | 2600290025
Hersteller: BOSCH
Artikelnummer: EB-0603307738-2600290025
nur Informationsartikel
Nie mehr lieferbar
keine Alternativen
Pos.
180
BOSCH Warnschild ACHTUNG | Ersatzteile für DELTASCHLEIFER | 3601119137
Hersteller: BOSCH
Artikelnummer: EB-0603307738-3601119137
Netto: 5,19 € zzgl. MwSt.
zzgl. 6,90 € Versand (brutto)
einmalig pro Bestellung

Lieferzeit: 5 Werktage

Pos.
803
BOSCH Anker 100V | Ersatzteile für PDA 120 E | 2604010929
Hersteller: BOSCH
Artikelnummer: EB-0603307738-2604010929
nur Informationsartikel
Nie mehr lieferbar
keine Alternativen
Pos.
810
BOSCH Kohlebürstensatz | Ersatzteile für PDA 120 E | 2607014010
Hersteller: BOSCH
Artikelnummer: EB-0603307738-2607014010
nur Informationsartikel
Nie mehr lieferbar
keine Alternativen
Pos.
816
BOSCH Drehzahlregler 100-120V | Ersatzteile für PDA 120 E | 2607233016
Hersteller: BOSCH
Artikelnummer: EB-0603307738-2607233016
nur Informationsartikel
Nie mehr lieferbar
keine Alternativen
Pos.
826
BOSCH Nadellager | Ersatzteile für PDA 120 E | 2600917007
Hersteller: BOSCH
Artikelnummer: EB-0603307738-2600917007
nur Informationsartikel
Nie mehr lieferbar
keine Alternativen
Pos.
830
BOSCH Rastenscheibe | Ersatzteile für PDA 120 E | 2608000144
Hersteller: BOSCH
Artikelnummer: EB-0603307738-2608000144
nur Informationsartikel
Nie mehr lieferbar
keine Alternativen
Pos.
831
BOSCH Grundplatte | Ersatzteile für PDA 120 E | 2601098901
Hersteller: BOSCH
Artikelnummer: EB-0603307738-2601098901
nur Informationsartikel
Nie mehr lieferbar
keine Alternativen
Pos.
832
BOSCH Schleifplatte SCHWARZ | Ersatzteile für PDA 120 E | 2608000143
Hersteller: BOSCH
Artikelnummer: EB-0603307738-2608000143
nur Informationsartikel
Nie mehr lieferbar
keine Alternativen
Pos.
836
BOSCH Druckfeder | Ersatzteile für PDA 120 E | 2604610034
Hersteller: BOSCH
Artikelnummer: EB-0603307738-2604610034
nur Informationsartikel
Nie mehr lieferbar
keine Alternativen
Pos.
840
BOSCH Biegsame Welle | Ersatzteile für PDA 120 E | 2603010002
Hersteller: BOSCH
Artikelnummer: EB-0603307738-2603010002
nur Informationsartikel
Nie mehr lieferbar
keine Alternativen
Pos.
847
BOSCH Stützring | Ersatzteile für PDA 120 E | 2608005068
Hersteller: BOSCH
Artikelnummer: EB-0603307738-2608005068
nur Informationsartikel
Nie mehr lieferbar
keine Alternativen

Angaben zur Produktsicherheit

Hersteller:
Robert Bosch Power Tools GmbH
Postfach 30 02 20
70442 Stuttgart

E-Mail:
kontakt@bosch.de