BOSCH Torx-Linsenschraube 4x20 | Ersatzteile für PEX 420 AE | 2603490023

Artikelnummer: EB-3603B16000-2603490023

Position: 43

Marke: BOSCH


Bitte Kompatibilität prüfen!

Bitte prüfen Sie unbedingt die 10-stellige Typennummer Ihrer Maschine / Ihres Gerätes. Das Ersatzteil ist nur kompatibel, wenn Sie die Typennummer Ihrer Maschine in der unten stehenden Produktbeschreibung finden.

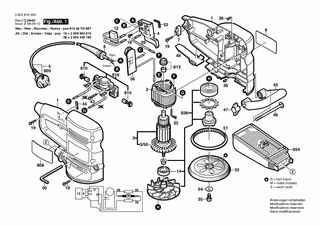
Bitte prüfen Sie ebenfalls detailliert die Explosionszeichnung mit Ihrem Artikelwunsch und der jeweiligen Pos-Nummer.

Alle Elemente, welche vom schwarzen Strich der Pos-Nummer ausgehend berührt / erfasst werden, gehören zu dieser Pos-Nummer und somit zu diesem Artikel. Jede Pos-Nummer ist ein eigenständiger Artikel, welchen Sie in der Auflistung finden.

Sie erhalten stets die aktuellste, neueste Produktversion zu der gewählten Pos-Nummer seitens des Herstellers. Es kann daher je nach Gerätealter vorkommen, dass Sie ggf. weitere, zugehörige Elemente, welche an diese Pos-Nummer grenzen, ebenfalls mittauschen müssen.

Nähere Informationen finden Sie unter dem Link
Hinweise zu Ihrer BOSCH Ersatzteilsuche

Preisübersicht

Einzelpreis: 3,63 €* (Brutto: 4,32 €)
Gesamtpreis: 3,63 €* 
Position:

Lieferzeit: 5 Werktage


Beschreibung

  • Torx-Linsenschraube 4x20
  • Original Bosch Zubehör / BOSCH Ersatzteil (2603490023)
  • im Gerät verbaut: 2
Dieses BOSCH Ersatzteil ist mit folgendem Gerät und Modell kompatibel:
  • BOSCH Gerätename: PEX 420 AE
  • BOSCH Explosionszeichnung: Position 43
  • BOSCH Typennummer: 3603B16000
  • BOSCH Typennummer alternative Schreibweisen: 3 603 B16 000, 3603 B16 000, 3.603.B16.000, 3-603-B16-000
    Bitte prüfen Sie diese Typennummer auf Ihrem Gerät um die Kompatibilität des BOSCH Ersatzteils zu gewährleisten.
Weitere BOSCH Ersatzteile des Gerätes PEX 420 AE (Exzenterschleifer) mit der Typennummer 3603B16000 finden Sie in der nachfolgenden Darstellung und im Dropdown zu Ihrer Auswahl:

Pos.
1
BOSCH Gehäuseschale | Ersatzteile für PEX 420 AE | 2605104730
Hersteller: BOSCH
Artikelnummer: EB-3603B16000-2605104730
Netto: 20,80 € zzgl. MwSt.
zzgl. 6,90 € Versand (brutto)
einmalig pro Bestellung

Lieferzeit: 5 Werktage

Pos.
2
BOSCH Polschuh 230V | Ersatzteile für PEX 420 AE | 1604220365
Hersteller: BOSCH
Artikelnummer: EB-3603B16000-1604220365
Netto: 20,80 € zzgl. MwSt.
zzgl. 6,90 € Versand (brutto)
einmalig pro Bestellung

Lieferzeit: 5 Werktage

Pos.
3
BOSCH Anker 220-240V | Ersatzteile für PEX 420 AE | 2604011265
Hersteller: BOSCH
Artikelnummer: EB-3603B16000-2604011265
nur Informationsartikel
Nie mehr lieferbar
keine Alternativen
Pos.
3/50
BOSCH Lüfter | Ersatzteile für PEX 420 AE | 2606610077
Hersteller: BOSCH
Artikelnummer: EB-3603B16000-2606610077
nur Informationsartikel
Nie mehr lieferbar
keine Alternativen
Pos.
4
BOSCH Schalter | Ersatzteile für PEX 420 AE | 2607200260
Hersteller: BOSCH
Artikelnummer: EB-3603B16000-2607200260
Netto: 9,18 € zzgl. MwSt.
zzgl. 6,90 € Versand (brutto)
einmalig pro Bestellung

Lieferzeit: 5 Werktage

Pos.
6
BOSCH Tülle Ø6,4-Ø7,2x76 MM | Ersatzteile für PEX 420 AE | 2600703017
Hersteller: BOSCH
Artikelnummer: EB-3603B16000-2600703017
Netto: 4,53 € zzgl. MwSt.
zzgl. 6,90 € Versand (brutto)
einmalig pro Bestellung

Lieferzeit: 5 Werktage

Pos.
7
BOSCH Leitungshalter | Ersatzteile für PEX 420 AE | 2601035001
Hersteller: BOSCH
Artikelnummer: EB-3603B16000-2601035001
Netto: 3,94 € zzgl. MwSt.
zzgl. 6,90 € Versand (brutto)
einmalig pro Bestellung

Lieferzeit: 5 Werktage

Pos.
9
BOSCH Firmenschild PEX 420 AE | Ersatzteile für PEX 420 AE | 2601116753
Hersteller: BOSCH
Artikelnummer: EB-3603B16000-2601116753
Netto: 4,32 € zzgl. MwSt.
zzgl. 6,90 € Versand (brutto)
einmalig pro Bestellung

Lieferzeit: 5 Werktage

Pos.
12
BOSCH Entstörfilter | Ersatzteile für PEX 420 AE | 1607328028
Hersteller: BOSCH
Artikelnummer: EB-3603B16000-1607328028
Netto: 6,15 € zzgl. MwSt.
zzgl. 6,90 € Versand (brutto)
einmalig pro Bestellung

Lieferzeit: 5 Werktage

Pos.
14
BOSCH Rillenkugellager | Ersatzteile für PEX 420 AE | 2600905034
Hersteller: BOSCH
Artikelnummer: EB-3603B16000-2600905034
Netto: 11,92 € zzgl. MwSt.
zzgl. 6,90 € Versand (brutto)
einmalig pro Bestellung

Lieferzeit: 7 Werktage

Pos.
18
BOSCH Zylinderschraube M3x6,5-4.8 | Ersatzteile für PEX 420 AE | 2603410001
Hersteller: BOSCH
Artikelnummer: EB-3603B16000-2603410001
Netto: 3,94 € zzgl. MwSt.
zzgl. 6,90 € Versand (brutto)
einmalig pro Bestellung

Lieferzeit: 5 Werktage

Pos.
19
BOSCH Torx-Linsenschraube 4x16 | Ersatzteile für PEX 420 AE | 2603490022
Hersteller: BOSCH
Artikelnummer: EB-3603B16000-2603490022
Netto: 3,63 € zzgl. MwSt.
zzgl. 6,90 € Versand (brutto)
einmalig pro Bestellung

Lieferzeit: 5 Werktage

Pos.
32
BOSCH Kontaktfeder | Ersatzteile für PEX 420 AE | 2601329057
Hersteller: BOSCH
Artikelnummer: EB-3603B16000-2601329057
nur Informationsartikel
Nie mehr lieferbar
keine Alternativen
Pos.
33
BOSCH Schleifteller | Ersatzteile für PEX 420 AE | 2608601177
Hersteller: BOSCH
Artikelnummer: EB-3603B16000-2608601177
Netto: 21,16 € zzgl. MwSt.
zzgl. 6,90 € Versand (brutto)
einmalig pro Bestellung

Lieferzeit: 5 Werktage

Pos.
35
BOSCH Innensechskantschraube | Ersatzteile für PEX 420 AE | 2603414061
Hersteller: BOSCH
Artikelnummer: EB-3603B16000-2603414061
Netto: 4,82 € zzgl. MwSt.
zzgl. 6,90 € Versand (brutto)
einmalig pro Bestellung

Lieferzeit: 5 Werktage

Pos.
36
BOSCH Gummipuffer | Ersatzteile für PEX 420 AE | 1603100036
Hersteller: BOSCH
Artikelnummer: EB-3603B16000-1603100036
Netto: 3,94 € zzgl. MwSt.
zzgl. 6,90 € Versand (brutto)
einmalig pro Bestellung

Lieferzeit: 5 Werktage

Pos.
39
BOSCH Verbindungsleitung L=233 MM WEISS | Ersatzteile für PEX 420 AE | 2604448181
Hersteller: BOSCH
Artikelnummer: EB-3603B16000-2604448181
Netto: 4,32 € zzgl. MwSt.
zzgl. 6,90 € Versand (brutto)
einmalig pro Bestellung

Lieferzeit: 5 Werktage

Pos.
43
BOSCH Torx-Linsenschraube 4x20 | Ersatzteile für PEX 420 AE | 2603490023
Hersteller: BOSCH
Artikelnummer: EB-3603B16000-2603490023
Netto: 3,63 € zzgl. MwSt.
zzgl. 6,90 € Versand (brutto)
einmalig pro Bestellung

Lieferzeit: 5 Werktage

Pos.
44
BOSCH Dichtstreifen | Ersatzteile für PEX 420 AE | 2602380003
Hersteller: BOSCH
Artikelnummer: EB-3603B16000-2602380003
nur Informationsartikel
Nie mehr lieferbar
keine Alternativen
Pos.
45
BOSCH Handgriff SCHWARZ | Ersatzteile für PEX 420 AE | 2602025068
Hersteller: BOSCH
Artikelnummer: EB-3603B16000-2602025068
nur Informationsartikel
Nie mehr lieferbar
keine Alternativen
Pos.
46
BOSCH Flachrundschraube DIN 603-M6x110 | Ersatzteile für PEX 420 AE | 2910285226
Hersteller: BOSCH
Artikelnummer: EB-3603B16000-2910285226
Netto: 3,94 € zzgl. MwSt.
zzgl. 6,90 € Versand (brutto)
einmalig pro Bestellung

Lieferzeit: 5 Werktage

Pos.
47
BOSCH Flügelmutter M6 | Ersatzteile für PEX 420 AE | 1603339006
Hersteller: BOSCH
Artikelnummer: EB-3603B16000-1603339006
nur Informationsartikel
Nie mehr lieferbar
keine Alternativen
Pos.
48
BOSCH Schieber | Ersatzteile für PEX 420 AE | 2608005043
Hersteller: BOSCH
Artikelnummer: EB-3603B16000-2608005043
Netto: 3,63 € zzgl. MwSt.
zzgl. 6,90 € Versand (brutto)
einmalig pro Bestellung

Lieferzeit: 5 Werktage

Pos.
50
BOSCH Innensechskantschlüssel 5 MM | Ersatzteile für PEX 420 AE | 2610364015
Hersteller: BOSCH
Artikelnummer: EB-3603B16000-2610364015
Netto: 5,19 € zzgl. MwSt.
zzgl. 6,90 € Versand (brutto)
einmalig pro Bestellung

Lieferzeit: 5 Werktage

Pos.
50
BOSCH Winkelschraubendreher DIN 911-SW5 SCHWARZ | Ersatzteile für PEX 420 AE | 1907950006
Hersteller: BOSCH
Artikelnummer: EB-3603B16000-1907950006
Netto: 5,67 € zzgl. MwSt.
zzgl. 6,90 € Versand (brutto)
einmalig pro Bestellung

Lieferzeit: 5 Werktage

Pos.
51
BOSCH Reibring | Ersatzteile für PEX 420 AE | 2600206015
Hersteller: BOSCH
Artikelnummer: EB-3603B16000-2600206015
nur Informationsartikel
Nie mehr lieferbar
keine Alternativen
Pos.
52
BOSCH Dämmplatte | Ersatzteile für PEX 420 AE | 2601022000
Hersteller: BOSCH
Artikelnummer: EB-3603B16000-2601022000
nur Informationsartikel
Nie mehr lieferbar
keine Alternativen
Pos.
54
BOSCH Sicherungsscheibe | Ersatzteile für PEX 420 AE | 2600550029
Hersteller: BOSCH
Artikelnummer: EB-3603B16000-2600550029
Netto: 3,63 € zzgl. MwSt.
zzgl. 6,90 € Versand (brutto)
einmalig pro Bestellung

Lieferzeit: 5 Werktage

Pos.
56
BOSCH Drehzahlsteller 230V | Ersatzteile für PEX 420 AE | 2607233066
Hersteller: BOSCH
Artikelnummer: EB-3603B16000-2607233066
Netto: 24,13 € zzgl. MwSt.
zzgl. 6,90 € Versand (brutto)
einmalig pro Bestellung

Lieferzeit: 5 Werktage

Pos.
654
BOSCH Staubkasten | Ersatzteile für PEX 420 AE | 2605411210
Hersteller: BOSCH
Artikelnummer: EB-3603B16000-2605411210
Netto: 11,77 € zzgl. MwSt.
zzgl. 6,90 € Versand (brutto)
einmalig pro Bestellung

Lieferzeit: 5 Werktage

Pos.
805
BOSCH Netzanschlussleitung EU 2,65m 2 x 1,0mm H05 RN-F | Ersatzteile für PEX 420 AE | 1607000388
Hersteller: BOSCH
Artikelnummer: EB-3603B16000-1607000388
Netto: 10,92 € zzgl. MwSt.
zzgl. 6,90 € Versand (brutto)
einmalig pro Bestellung

Lieferzeit: 5 Werktage

Pos.
810
BOSCH Kohlebürstensatz | Ersatzteile für PEX 420 AE | 2607014001
Hersteller: BOSCH
Artikelnummer: EB-3603B16000-2607014001
nur Informationsartikel
Nie mehr lieferbar
keine Alternativen
Pos.
813
BOSCH Lagereinheit | Ersatzteile für PEX 420 AE | 2605805005
Hersteller: BOSCH
Artikelnummer: EB-3603B16000-2605805005
nur Informationsartikel
Nie mehr lieferbar
keine Alternativen
Pos.
816
BOSCH Bürstenplatte | Ersatzteile für PEX 420 AE | 2604337911
Hersteller: BOSCH
Artikelnummer: EB-3603B16000-2604337911
nur Informationsartikel
Nie mehr lieferbar
keine Alternativen
Pos.
826
BOSCH Lüfter | Ersatzteile für PEX 420 AE | 2606610904
Hersteller: BOSCH
Artikelnummer: EB-3603B16000-2606610904
nur Informationsartikel
Nie mehr lieferbar
keine Alternativen
Pos.
808
BOSCH Typschild | Ersatzteile für PEX 420 AE | 2601116754
Hersteller: BOSCH
Artikelnummer: EB-3603B16000-2601116754
nur Informationsartikel
Nie mehr lieferbar
keine Alternativen

Angaben zur Produktsicherheit

Hersteller:
Robert Bosch Power Tools GmbH
Postfach 30 02 20
70442 Stuttgart

E-Mail:
kontakt@bosch.de