BOSCH Kugellager 7x22x7 | Ersatzteile für PKE 30 | 1900905018

Artikelnummer: EB-0603220042-1900905018

Position: 9

Marke: BOSCH


Bitte Kompatibilität prüfen!

Bitte prüfen Sie unbedingt die 10-stellige Typennummer Ihrer Maschine / Ihres Gerätes. Das Ersatzteil ist nur kompatibel, wenn Sie die Typennummer Ihrer Maschine in der unten stehenden Produktbeschreibung finden.

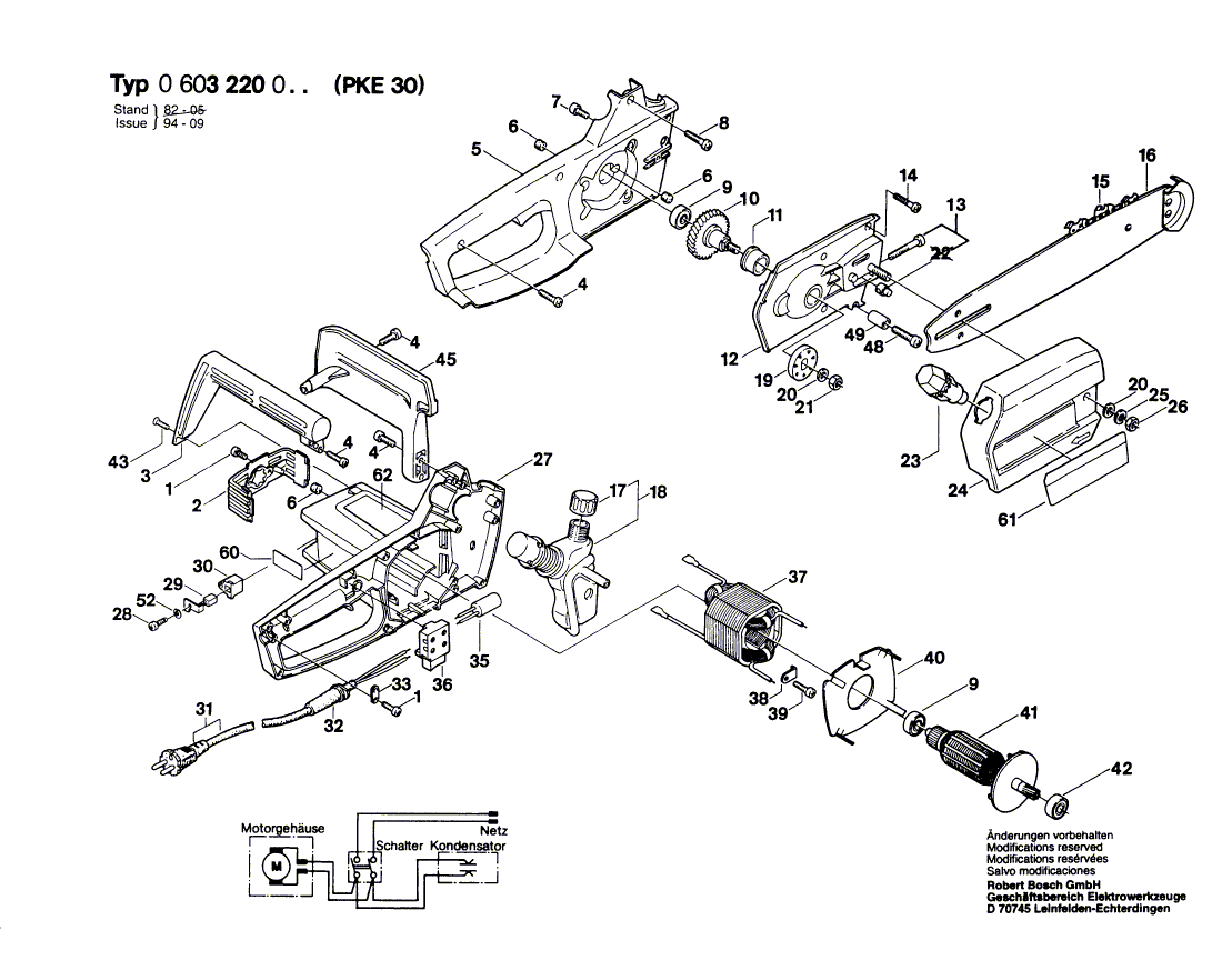
Bitte prüfen Sie ebenfalls detailliert die Explosionszeichnung mit Ihrem Artikelwunsch und der jeweiligen Pos-Nummer.

Alle Elemente, welche vom schwarzen Strich der Pos-Nummer ausgehend berührt / erfasst werden, gehören zu dieser Pos-Nummer und somit zu diesem Artikel. Jede Pos-Nummer ist ein eigenständiger Artikel, welchen Sie in der Auflistung finden.

Sie erhalten stets die aktuellste, neueste Produktversion zu der gewählten Pos-Nummer seitens des Herstellers. Es kann daher je nach Gerätealter vorkommen, dass Sie ggf. weitere, zugehörige Elemente, welche an diese Pos-Nummer grenzen, ebenfalls mittauschen müssen.

Nähere Informationen finden Sie unter dem Link
Hinweise zu Ihrer BOSCH Ersatzteilsuche

Preisübersicht

Einzelpreis: 15,75 €* (Brutto: 18,74 €)
Gesamtpreis: 15,75 €* 
Position:

Lieferzeit: 5 Werktage


Beschreibung

  • Kugellager 7x22x7
  • Original Bosch Zubehör / BOSCH Ersatzteil (1900905018)
  • im Gerät verbaut: 1
Dieses BOSCH Ersatzteil ist mit folgendem Gerät und Modell kompatibel:
  • BOSCH Gerätename: PKE 30
  • BOSCH Explosionszeichnung: Position 9
  • BOSCH Typennummer: 0603220042
  • BOSCH Typennummer alternative Schreibweisen: 0 603 220 042, 0603 220 042, 0.603.220.042, 0-603-220-042
    Bitte prüfen Sie diese Typennummer auf Ihrem Gerät um die Kompatibilität des BOSCH Ersatzteils zu gewährleisten.
Weitere BOSCH Ersatzteile des Gerätes PKE 30 (Hw-Handkettensäge) mit der Typennummer 0603220042 finden Sie in der nachfolgenden Darstellung und im Dropdown zu Ihrer Auswahl:

Pos.
1
BOSCH Zylinderschraube | Ersatzteile für PKE 30 | 1609390251
Hersteller: BOSCH
Artikelnummer: EB-0603220042-1609390251
nur Informationsartikel
Nie mehr lieferbar
keine Alternativen
Pos.
2
BOSCH Gehäusedeckel | Ersatzteile für PKE 30 | 1609390252
Hersteller: BOSCH
Artikelnummer: EB-0603220042-1609390252
nur Informationsartikel
Nie mehr lieferbar
keine Alternativen
Pos.
3
BOSCH Handgriff | Ersatzteile für PKE 30 | 1609390253
Hersteller: BOSCH
Artikelnummer: EB-0603220042-1609390253
nur Informationsartikel
Nie mehr lieferbar
keine Alternativen
Pos.
4
BOSCH Zylinderschraube | Ersatzteile für PKE 30 | 1609390254
Hersteller: BOSCH
Artikelnummer: EB-0603220042-1609390254
nur Informationsartikel
Nie mehr lieferbar
keine Alternativen
Pos.
5
BOSCH Gehäusehälfte | Ersatzteile für PKE 30 | 1609390255
Hersteller: BOSCH
Artikelnummer: EB-0603220042-1609390255
nur Informationsartikel
Nie mehr lieferbar
keine Alternativen
Pos.
6
BOSCH Gummipuffer | Ersatzteile für PKE 30 | 1609390256
Hersteller: BOSCH
Artikelnummer: EB-0603220042-1609390256
nur Informationsartikel
Nie mehr lieferbar
keine Alternativen
Pos.
7
BOSCH Zylinderschraube | Ersatzteile für PKE 30 | 1609390257
Hersteller: BOSCH
Artikelnummer: EB-0603220042-1609390257
nur Informationsartikel
Nie mehr lieferbar
keine Alternativen
Pos.
8
BOSCH Zylinderschraube | Ersatzteile für PKE 30 | 1609390258
Hersteller: BOSCH
Artikelnummer: EB-0603220042-1609390258
nur Informationsartikel
Nie mehr lieferbar
keine Alternativen
Pos.
9
BOSCH Kugellager 7x22x7 | Ersatzteile für PKE 30 | 1900905018
Hersteller: BOSCH
Artikelnummer: EB-0603220042-1900905018
Netto: 15,15 € zzgl. MwSt.
zzgl. 6,90 € Versand (brutto)
einmalig pro Bestellung

Lieferzeit: 5 Werktage

Pos.
10
BOSCH Welle Mit Zahnrad | Ersatzteile für PKE 30 | 1609390259
Hersteller: BOSCH
Artikelnummer: EB-0603220042-1609390259
nur Informationsartikel
Nie mehr lieferbar
keine Alternativen
Pos.
11
BOSCH Lagerbuchse | Ersatzteile für PKE 30 | 1609390260
Hersteller: BOSCH
Artikelnummer: EB-0603220042-1609390260
nur Informationsartikel
Nie mehr lieferbar
keine Alternativen
Pos.
12
BOSCH Getriebegehäuse | Ersatzteile für PKE 30 | 1609390261
Hersteller: BOSCH
Artikelnummer: EB-0603220042-1609390261
nur Informationsartikel
Nie mehr lieferbar
keine Alternativen
Pos.
13
BOSCH Zylinderschraube BM 5x30 | Ersatzteile für PKE 30 | 1609390289
Hersteller: BOSCH
Artikelnummer: EB-0603220042-1609390289
nur Informationsartikel
Nie mehr lieferbar
keine Alternativen
Pos.
14
BOSCH Zylinderschraube Ø 4x25 MM | Ersatzteile für PKE 30 | 1609390262
Hersteller: BOSCH
Artikelnummer: EB-0603220042-1609390262
nur Informationsartikel
Nie mehr lieferbar
keine Alternativen
Pos.
15
BOSCH Sägekette | Ersatzteile für PKE 30 | 1609390238
Hersteller: BOSCH
Artikelnummer: EB-0603220042-1609390238
nur Informationsartikel
Nie mehr lieferbar
keine Alternativen
Pos.
16
BOSCH Führungsschiene | Ersatzteile für PKE 30 | 1609390239
Hersteller: BOSCH
Artikelnummer: EB-0603220042-1609390239
nur Informationsartikel
Nie mehr lieferbar
keine Alternativen
Pos.
17
BOSCH Verschlusskappe | Ersatzteile für PKE 30 | 1609390265
Hersteller: BOSCH
Artikelnummer: EB-0603220042-1609390265
nur Informationsartikel
Nie mehr lieferbar
keine Alternativen
Pos.
18
BOSCH Ölbehälter | Ersatzteile für PKE 30 | 1609390266
Hersteller: BOSCH
Artikelnummer: EB-0603220042-1609390266
nur Informationsartikel
Nie mehr lieferbar
keine Alternativen
Pos.
19
BOSCH Hw-Handkettensäge | Ersatzteile für PKE 30 | 1609390267
Hersteller: BOSCH
Artikelnummer: EB-0603220042-1609390267
nur Informationsartikel
Nie mehr lieferbar
keine Alternativen
Pos.
20
BOSCH Unterlegscheibe DIN 125-A 8,4-ST | Ersatzteile für PKE 30 | 2916011016
Hersteller: BOSCH
Artikelnummer: EB-0603220042-2916011016
nur Informationsartikel
Nie mehr lieferbar
keine Alternativen
Pos.
21
BOSCH Sechskantmutter M8 LINKSGEWINDE | Ersatzteile für PKE 30 | 1609390268
Hersteller: BOSCH
Artikelnummer: EB-0603220042-1609390268
nur Informationsartikel
Nie mehr lieferbar
keine Alternativen
Pos.
23
BOSCH Schleifgeraet | Ersatzteile für PKE 30 | 1609390240
Hersteller: BOSCH
Artikelnummer: EB-0603220042-1609390240
nur Informationsartikel
Nie mehr lieferbar
keine Alternativen
Pos.
23
BOSCH Schleifstift | Ersatzteile für PKE 30 | 1609390448
Hersteller: BOSCH
Artikelnummer: EB-0603220042-1609390448
nur Informationsartikel
Nie mehr lieferbar
keine Alternativen
Pos.
24
BOSCH Schutzhaube | Ersatzteile für PKE 30 | 1609390271
Hersteller: BOSCH
Artikelnummer: EB-0603220042-1609390271
nur Informationsartikel
Nie mehr lieferbar
keine Alternativen
Pos.
25
BOSCH Federring B 8 DIN 127 | Ersatzteile für PKE 30 | 2916680009
Hersteller: BOSCH
Artikelnummer: EB-0603220042-2916680009
nur Informationsartikel
Nie mehr lieferbar
keine Alternativen
Pos.
26
BOSCH Sechskantmutter DIN 934-M8-8-A | Ersatzteile für PKE 30 | 2915011009
Hersteller: BOSCH
Artikelnummer: EB-0603220042-2915011009
Netto: 4,56 € zzgl. MwSt.
zzgl. 6,90 € Versand (brutto)
einmalig pro Bestellung

Lieferzeit: 5 Werktage

Pos.
27
BOSCH Gehäusehälfte | Ersatzteile für PKE 30 | 1609390272
Hersteller: BOSCH
Artikelnummer: EB-0603220042-1609390272
nur Informationsartikel
Nie mehr lieferbar
keine Alternativen
Pos.
28
BOSCH Linsenschraube DIN 7985-M3x6-4.8 | Ersatzteile für PKE 30 | 2910641048
Hersteller: BOSCH
Artikelnummer: EB-0603220042-2910641048
nur Informationsartikel
Nie mehr lieferbar
keine Alternativen
Pos.
29
BOSCH Kohlebürstensatz | Ersatzteile für PKE 30 | 1609390288
Hersteller: BOSCH
Artikelnummer: EB-0603220042-1609390288
nur Informationsartikel
Nie mehr lieferbar
keine Alternativen
Pos.
30
BOSCH Bürstenhalter | Ersatzteile für PKE 30 | 1609390264
Hersteller: BOSCH
Artikelnummer: EB-0603220042-1609390264
nur Informationsartikel
Nie mehr lieferbar
keine Alternativen
Pos.
31
BOSCH Netzanschlussleitung | Ersatzteile für PKE 30 | 1607000A04
Hersteller: BOSCH
Artikelnummer: EB-0603220042-1607000A04
nur Informationsartikel
Nie mehr lieferbar
keine Alternativen
Pos.
32
BOSCH Tülle | Ersatzteile für PKE 30 | 1609390270
Hersteller: BOSCH
Artikelnummer: EB-0603220042-1609390270
nur Informationsartikel
Nie mehr lieferbar
keine Alternativen
Pos.
33
BOSCH Befestigungsschelle | Ersatzteile für PKE 30 | 1609390273
Hersteller: BOSCH
Artikelnummer: EB-0603220042-1609390273
nur Informationsartikel
Nie mehr lieferbar
keine Alternativen
Pos.
35
BOSCH Entstörkondensator | Ersatzteile für PKE 30 | 1609390274
Hersteller: BOSCH
Artikelnummer: EB-0603220042-1609390274
nur Informationsartikel
Nie mehr lieferbar
keine Alternativen
Pos.
36
BOSCH Ein/Aus-Schalter | Ersatzteile für PKE 30 | 1609390275
Hersteller: BOSCH
Artikelnummer: EB-0603220042-1609390275
nur Informationsartikel
Nie mehr lieferbar
keine Alternativen
Pos.
37
BOSCH Polschuh 240V | Ersatzteile für PKE 30 | 1609390291
Hersteller: BOSCH
Artikelnummer: EB-0603220042-1609390291
nur Informationsartikel
Nie mehr lieferbar
keine Alternativen
Pos.
38
BOSCH Haltebügel | Ersatzteile für PKE 30 | 1609390277
Hersteller: BOSCH
Artikelnummer: EB-0603220042-1609390277
nur Informationsartikel
Nie mehr lieferbar
keine Alternativen
Pos.
39
BOSCH Zylinderschraube Ø 4x16 MM | Ersatzteile für PKE 30 | 1609390278
Hersteller: BOSCH
Artikelnummer: EB-0603220042-1609390278
nur Informationsartikel
Nie mehr lieferbar
keine Alternativen
Pos.
40
BOSCH Luftleitring | Ersatzteile für PKE 30 | 1609390279
Hersteller: BOSCH
Artikelnummer: EB-0603220042-1609390279
nur Informationsartikel
Nie mehr lieferbar
keine Alternativen
Pos.
41
BOSCH Anker Mit Lüfter 240V | Ersatzteile für PKE 30 | 1609390292
Hersteller: BOSCH
Artikelnummer: EB-0603220042-1609390292
nur Informationsartikel
Nie mehr lieferbar
keine Alternativen
Pos.
42
BOSCH Rillenkugellager 10x26x8 | Ersatzteile für PKE 30 | 1900905120
Hersteller: BOSCH
Artikelnummer: EB-0603220042-1900905120
nur Informationsartikel
Nie mehr lieferbar
keine Alternativen
Pos.
43
BOSCH Senkschraube M 3x10 DIN 963-5.8 | Ersatzteile für PKE 30 | 2910771052
Hersteller: BOSCH
Artikelnummer: EB-0603220042-2910771052
nur Informationsartikel
Nie mehr lieferbar
keine Alternativen
Pos.
45
BOSCH Schutzschild | Ersatzteile für PKE 30 | 1609390282
Hersteller: BOSCH
Artikelnummer: EB-0603220042-1609390282
nur Informationsartikel
Nie mehr lieferbar
keine Alternativen
Pos.
48
BOSCH Zylinderschraube Ø 4x50 MM | Ersatzteile für PKE 30 | 1609390283
Hersteller: BOSCH
Artikelnummer: EB-0603220042-1609390283
nur Informationsartikel
Nie mehr lieferbar
keine Alternativen
Pos.
49
BOSCH Haltebolzen | Ersatzteile für PKE 30 | 1609390284
Hersteller: BOSCH
Artikelnummer: EB-0603220042-1609390284
nur Informationsartikel
Nie mehr lieferbar
keine Alternativen
Pos.
52
BOSCH Federring B 3 DIN 127 | Ersatzteile für PKE 30 | 2916680003
Hersteller: BOSCH
Artikelnummer: EB-0603220042-2916680003
nur Informationsartikel
Nie mehr lieferbar
keine Alternativen
Pos.
60
BOSCH Typschild | Ersatzteile für PKE 30 | 1601110196
Hersteller: BOSCH
Artikelnummer: EB-0603220042-1601110196
nur Informationsartikel
Nie mehr lieferbar
keine Alternativen
Pos.
61
BOSCH Klebeschild | Ersatzteile für PKE 30 | 1601110173
Hersteller: BOSCH
Artikelnummer: EB-0603220042-1601110173
nur Informationsartikel
Nie mehr lieferbar
keine Alternativen
Pos.
62
BOSCH Hinweisschild | Ersatzteile für PKE 30 | 1601110171
Hersteller: BOSCH
Artikelnummer: EB-0603220042-1601110171
nur Informationsartikel
Nie mehr lieferbar
keine Alternativen
Pos.
650
BOSCH Schutzhaube | Ersatzteile für PKE 30 | 1609390449
Hersteller: BOSCH
Artikelnummer: EB-0603220042-1609390449
nur Informationsartikel
Nie mehr lieferbar
keine Alternativen
Pos.
651
BOSCH Einmaulschlüssel DIN 894 SW13 | Ersatzteile für PKE 30 | 1907950507
Hersteller: BOSCH
Artikelnummer: EB-0603220042-1907950507
nur Informationsartikel
Nie mehr lieferbar
keine Alternativen
Pos.
652
BOSCH Schraubendreher GR. 2 DIN 52 628 | Ersatzteile für PKE 30 | 1907959050
Hersteller: BOSCH
Artikelnummer: EB-0603220042-1907959050
nur Informationsartikel
Nie mehr lieferbar
keine Alternativen

Angaben zur Produktsicherheit

Hersteller:
Robert Bosch Power Tools GmbH
Postfach 30 02 20
70442 Stuttgart

E-Mail:
kontakt@bosch.de